Поиск подшипника
Статьи
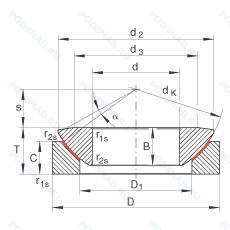
GE320AW — Шарнирный подшипник, модификация основного исполнения GE320, выпускается производителями: INA, ISO.
Размер подшипника: 320x520x116 мм.
Широкий подшипник с внутренним кольцом и метрическим отверстием, скользящая контактная поверхность из твердого хрома/elgoglide®.
Международная стандартизации ISO
GE320AW
В наличии
| Обозначение | Конструктивные изменения |
|---|---|
| GE320-LO | Стальная поверхность скольжения. Внутреннее кольцо расширено с обеих сторон. Одна осевая канавка на внешнем кольце. Метрический радиальный сферический подшипник скольжения. |
| GE320-DO-C3 | Радиальный внутренний зазор больше нормального. Поверхность контакта скольжения сталь / сталь. |
| GE320-DW-2RS2 | Усиленное уплотнение с обеих сторон для больших радиальных сферических подшипников скольжения. Скользящая контактная поверхность из твердого хрома/Elgoglide®. Метрический радиальный сферический подшипник скольжения. |
| GE320-DO-2RS4 | Прессованный стальной сепаратор. Вращающийся элемент по центру. Незакаленный. |
| GE320-DW-2RS2-W11-XL | Серия X-Life премиум-класс. увеличиный срок службы. Усиленное уплотнение с обеих сторон для больших радиальных сферических подшипников скольжения. Sliding Contact Surface Hard Chromium/Elgoglide¨ (Elgoglide. Для низкого контактного давления (начиная с 1 Н/м2) и минимального трения. |
| GE320-DW-2RS2-W8-XL | Серия X-Life премиум-класс. увеличиный срок службы. Усиленное уплотнение с обеих сторон для больших радиальных сферических подшипников скольжения. Скользящая контактная поверхность из твердого хрома/Elgoglide®. Inner Ring Bore With Elgoglide Lining_ Inside Diameter D Remains In Accordance With Nominal Diameter (dNEW = d). |
| GE320-AW-B-XL | Особенность внутренней конструкции. Серия X-Life премиум-класс. увеличиный срок службы. Скользящая контактная поверхность из твердого хрома/Elgoglide®. |
| GE320-DF-G9-A | Двухрядный радиально-упорный шарикоподшипник без отверстия для смазки. Комплект из двух подшипников. согласованных для установки по Х-образной схеме. Число. следующее непосредственно после букв DF. обозначает конструкцию промежуточного кольца. Класс точности. |
| GE320DW | Скользящая контактная поверхность из твердого хрома/Elgoglide®. Антизадирная пластичная смазка. |
| GE320DO | Прессованный стальной сепаратор. Вращающийся элемент по центру. Незакаленный. Антизадирная пластичная смазка. |
Модификации шарнирного подшипника GE320AW — это измененное основное конструктивное исполнение GE320, основные размеры (320x520x116) не отличаются.
| Обозначение | Гост | Конструктивные особенности |
|---|---|---|
| GW 320 | ISO | Пластичная смазка для широкого диапазона температур. |
| GX320T | ISO | Textile Laminated Phenolic Resin. Outer Ring Guided. The Cage Is Suitable For Long-Term Operation At Temperatures Up To 100°C. |
Аналог шарнирного подшипника GE320AW — это подшипник такого же размера dx320,Dx520,Bx116, типа и конструкции.
Способы доставки
Отправка через ведущие транспортные и курьерские компании: ПЭК, Деловые Линии, СДЭК, Байкал-Сервис, Энергия, КИТ, ЖелДорЭкспедиция.
Самовывоз возможен напрямую со склада в Москве.
Сроки доставки
Срок зависит от региона и выбранной транспортной компании. Все заказы комплектуются и отправляются в кратчайшие сроки со склада в Москве.
Надёжность и сохранность
Вся продукция упаковывается с учётом требований транспортировки. Мы гарантируем, что подшипники и комплектующие прибудут к заказчику в полной сохранности.
Доставка в страны ЕАЭС
Мы работаем с проверенными логистическими партнёрами, что позволяет оперативно доставлять заказы в Беларусь, Казахстан, Армению и другие страны ЕАЭС.
Варианты оплаты:
Минимальная сумма заказа и скидки:
Документы и гарантии:
Да, конечно! Наши технические специалисты готовы помочь вам с подбором точного аналога или замены подшипника. Просто позвоните нам по телефону +7 (495) 104-99-04 или напишите на почту zakaz@podsnab.ru.
Для оперативной консультации подготовьте, пожалуйста, имеющиеся данные: маркировку, размеры, тип оборудования или артикул старого подшипника.
Да, конечно! Мы высоко ценим долгосрочное сотрудничество и доверие клиентов по всей России. Для постоянных клиентов действует персональная система скидок.
Условия формируются индивидуально и зависят от:
Чтобы узнать свои условия и получить максимально выгодное предложение, свяжитесь с персональным менеджером или напишите нам на почту zakaz@podsnab.ru.
Вы можете оформить заказ несколькими способами:
Для оформления заказа от юридического лица свяжитесь с нашим отделом по работе с корпоративными клиентами по телефону +7 (495) 104-99-04 или напишите на email zakaz@podsnab.ru, прикрепив реквизиты вашей организации.
Мы оперативно подготовим коммерческое предложение и выставим счет.
Возврат товара надлежащего качества возможен в течение 10 дней с момента получения, если товар не был в употреблении, сохранен товарный вид, упаковка не вскрывалась и присутствуют все сопроводительные документы.
Возврат денежных средств осуществляется в течение 10 рабочих дней после проверки товара складом.
В соответствии с законодательством возврату не подлежат подшипники надлежащего качества, если отсутствует оригинальная упаковка или имеются следы монтажа.
В случае выявления брака или гарантийного случая мы гарантируем возврат или обмен товара.
Да, гарантийный срок хранения устанавливается заводом-изготовителем и в среднем составляет 2 года при соблюдении условий хранения: сухое помещение, оригинальная упаковка и смазка.
Точный срок для конкретного типа подшипника уточняйте у наших менеджеров.
Пн–Пт: с 8:00 до 17:00 (МСК).
Сб–Вс: выходные дни.
Заказы на сайте принимаются круглосуточно. Заявки, поступившие после окончания рабочего дня, обрабатываются на следующий рабочий день.
Минимальная сумма заказа для доставки составляет 3000 рублей. Самовывоз со склада возможен на любую сумму при наличии товара.
ООО «УралТехГрупп»
ИНН: 7415093830
КПП: 772401001
ОГРН: 1167456069021
Банк: ПАО Сбербанк
Р/с: 40702810838000475273
К/с: 30101810400000000225
БИК: 044525225
У подшипника GE320AW пока нет отзывов. Вы можете стать первым покупателем, поделившимся своим мнением.