Поиск подшипника
Статьи
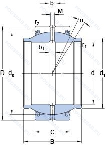
GEM 30 ESX-2LS — Шарнирный подшипник, основное исполнение, производство SKF.
Размер подшипника: 30x47x30 мм.
Международная стандартизации ISO
GEM30ESX2LS
В наличии
| Обозначение | Гост | Конструктивные особенности |
|---|---|---|
| GEEW30ES-2RS | ISO | Повышенной грузоподъемности. Прорезиненное уплотнение с двух сторон. Разъемное наружное кольцо со смазочными отверстиями. |
| GEM30ES-2LS | ISO | Контактное уплотнение с обеих сторон подшипника. Разъемное наружное кольцо со смазочными отверстиями. |
Аналог шарнирного подшипника GEM 30 ESX-2LS — это подшипник такого же размера dx30,Dx47,Bx30, типа и конструкции.
| Обозначение | Конструктивные особенности | Внутренний (d) | Наружный (D) | Ширина (B) |
|---|---|---|---|---|
| GE30LO | Сферический подшипник скольжения. Стальная поверхность скольжения. Внутреннее кольцо расширено с обеих сторон. Одна осевая канавка на внешнем кольце. | 30.00 | 47.00 | 30.00 |
| GEEW30ES | Сферический подшипник скольжения. Повышенной грузоподъемности. Разъемное наружное кольцо со смазочными отверстиями. | 30.00 | 47.00 | 30.00 |
| NA6906A.C3 | Роликовый игольчатый подшипник. Внутренний зазор больше нормального. Модификация внутренней конструкции. | 30.00 | 47.00 | 30.00 |
| NA6906R | Роликовый игольчатый подшипник. Тип ребра. | 30.00 | 47.00 | 30.00 |
| GEM30ES-2RS | Сферический подшипник скольжения. Double-Lip Rubbing Seals Of Metric Bearings Are Made Of Polyester Elastomer (-30°C/+130°C). Inch-Size Bearings Are Made Of Polyurethane (-20°C/+80°C). Стальная cкользящая контактная поверхность. Разъемное наружное кольцо со смазочными отверстиями. | 30.00 | 47.00 | 30.00 |
| NA6906-XL-C2 | Роликовый игольчатый подшипник. Внутренний зазор подшипника меньше нормального. Серия X-Life премиум-класс. увеличиный срок службы. | 30.00 | 47.00 | 30.00 |
| NA6906UU | Роликовый игольчатый подшипник. Резиновые уплотнения с каждой стороны подшипника. | 30.00 | 47.00 | 31.00 |
| NAXI3030Z | Роликовый игольчатый подшипник. Защитная металлическая шайба с одной стороны подшипника. | 30.00 | 47.00 | 30.00 |
| NA6906-IS1-XL | Роликовый игольчатый подшипник. Серия X-Life премиум-класс. увеличиный срок службы. Одно смазочное отверстие во внутреннем кольце. | 30.00 | 47.00 | 30.00 |
| GE30-HO-2RS-C2 | Сферический подшипник скольжения. Внутренний зазор подшипника меньше нормального. Манжетное уплотнение с двух сторон. Стальная cкользящая контактная поверхность. Цилиндрическое расширение на внутреннем кольце. | 30.00 | 47.00 | 30.00 |
| NA 6906/W64 | Роликовый игольчатый подшипник. Антифрикционный заполнитель. твердая смазка. Игольчатый роликовый подшипник с размерами по ISO 15. | 30.00 | 47.00 | 30.00 |
| TRU 304830UU | Роликовый радиальный двухрядный подшипник. Символ защиты от загрязнения. | 30.00 | 48.00 | 30.00 |
| NA6906-2RS | Роликовый игольчатый подшипник однорядный. Резиновые уплотнения с каждой стороны подшипника. | 30.00 | 47.00 | 30.00 |
| NA 6906U | Роликовый игольчатый подшипник однорядный. Универсальный одиночный подшипник. | 30.00 | 47.00 | 31.00 |
| NA6906TT | Роликовый игольчатый подшипник однорядный. Комплект из трех согласованных однорядных радиально-упорных шарикоподшипников или радиально-упорных шарикоподшипников, расположенных тандемно. | 30.00 | 47.00 | 31.00 |
Способы доставки
Отправка через ведущие транспортные и курьерские компании: ПЭК, Деловые Линии, СДЭК, Байкал-Сервис, Энергия, КИТ, ЖелДорЭкспедиция.
Самовывоз возможен напрямую со склада в Москве.
Сроки доставки
Срок зависит от региона и выбранной транспортной компании. Все заказы комплектуются и отправляются в кратчайшие сроки со склада в Москве.
Надёжность и сохранность
Вся продукция упаковывается с учётом требований транспортировки. Мы гарантируем, что подшипники и комплектующие прибудут к заказчику в полной сохранности.
Доставка в страны ЕАЭС
Мы работаем с проверенными логистическими партнёрами, что позволяет оперативно доставлять заказы в Беларусь, Казахстан, Армению и другие страны ЕАЭС.
Варианты оплаты:
Минимальная сумма заказа и скидки:
Документы и гарантии:
Да, конечно! Наши технические специалисты готовы помочь вам с подбором точного аналога или замены подшипника. Просто позвоните нам по телефону +7 (495) 104-99-04 или напишите на почту zakaz@podsnab.ru.
Для оперативной консультации подготовьте, пожалуйста, имеющиеся данные: маркировку, размеры, тип оборудования или артикул старого подшипника.
Да, конечно! Мы высоко ценим долгосрочное сотрудничество и доверие клиентов по всей России. Для постоянных клиентов действует персональная система скидок.
Условия формируются индивидуально и зависят от:
Чтобы узнать свои условия и получить максимально выгодное предложение, свяжитесь с персональным менеджером или напишите нам на почту zakaz@podsnab.ru.
Вы можете оформить заказ несколькими способами:
Для оформления заказа от юридического лица свяжитесь с нашим отделом по работе с корпоративными клиентами по телефону +7 (495) 104-99-04 или напишите на email zakaz@podsnab.ru, прикрепив реквизиты вашей организации.
Мы оперативно подготовим коммерческое предложение и выставим счет.
Возврат товара надлежащего качества возможен в течение 10 дней с момента получения, если товар не был в употреблении, сохранен товарный вид, упаковка не вскрывалась и присутствуют все сопроводительные документы.
Возврат денежных средств осуществляется в течение 10 рабочих дней после проверки товара складом.
В соответствии с законодательством возврату не подлежат подшипники надлежащего качества, если отсутствует оригинальная упаковка или имеются следы монтажа.
В случае выявления брака или гарантийного случая мы гарантируем возврат или обмен товара.
Да, гарантийный срок хранения устанавливается заводом-изготовителем и в среднем составляет 2 года при соблюдении условий хранения: сухое помещение, оригинальная упаковка и смазка.
Точный срок для конкретного типа подшипника уточняйте у наших менеджеров.
Пн–Пт: с 8:00 до 17:00 (МСК).
Сб–Вс: выходные дни.
Заказы на сайте принимаются круглосуточно. Заявки, поступившие после окончания рабочего дня, обрабатываются на следующий рабочий день.
Минимальная сумма заказа для доставки составляет 3000 рублей. Самовывоз со склада возможен на любую сумму при наличии товара.
ООО «УралТехГрупп»
ИНН: 7415093830
КПП: 772401001
ОГРН: 1167456069021
Банк: ПАО Сбербанк
Р/с: 40702810838000475273
К/с: 30101810400000000225
БИК: 044525225
У подшипника GEM 30 ESX-2LS пока нет отзывов. Вы можете стать первым покупателем, поделившимся своим мнением.