Поиск подшипника
Статьи
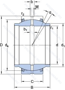
GEZM 106 ES-2LS — Шарнирный подшипник, модификация основного исполнения 106, производство SKF.
Размер подшипника: 34x34x52 мм.
Контактное уплотнение с обеих сторон подшипника, разъемное наружное кольцо со смазочными отверстиями.
Международная стандартизации ISO
GEZM106ES2LS
В наличии
| Обозначение | Конструктивные изменения |
|---|---|
| 106KS | Ball Bearing. Conrad Type. Single Row. Deep Groove (100K Series). |
| 106T | Двухкомпонентный фенольный сепаратор. усиленный алюминием. |
| 106HC | Подшипник или компоненты подшипника из керамики. |
| 106HE | Закрепительная втулка. |
| 106KR | Single-Row. Counterbored Outer Ring. Radial Type. Ball Bearing. 15° Угол контакта. |
| 106FC78570 | Угол контакта 20 градусов. |
| MR 106 ZZ1 | Защитные из нержавеющей стали шайбы с двух сторон подшипника. Миниатюрный метрический подшипник с особыми размерами. |
| GAZ 106 SA | Sliding Material - Contacting Surfaces Steel - Steel. |
| GEZM 106 ES | Разъемное наружное кольцо со смазочными отверстиями. |
| GEZ 106 TXE-2LS | Контактное уплотнение с обеих сторон подшипника. Закаленная и шлифованная сталь. Скользящая поверхность покрыта твердым хромом и отполирована. |
| GEZM 106 ESX-2LS | Контактное уплотнение с обеих сторон подшипника. |
Модификации шарнирного подшипника GEZM 106 ES-2LS — это измененное основное конструктивное исполнение 106, основные размеры (34x34x52) не отличаются.
| Обозначение | Гост | Конструктивные особенности |
|---|---|---|
| GEWZ34ES-2RS | ISO | Резиновые уплотнения с каждой стороны подшипника. Разъемное наружное кольцо со смазочными отверстиями. |
| GEWZ34ES | ISO | Разъемное наружное кольцо со смазочными отверстиями. |
Аналог шарнирного подшипника GEZM 106 ES-2LS — это подшипник такого же размера dx34,Dx34,Bx52, типа и конструкции.
| Обозначение | Конструктивные особенности | Внутренний (d) | Наружный (D) | Ширина (B) |
|---|---|---|---|---|
| GEZM106ES-2RS | Сферический подшипник скольжения. Double-Lip Rubbing Seals Of Metric Bearings Are Made Of Polyester Elastomer (-30°C/+130°C). Inch-Size Bearings Are Made Of Polyurethane (-20°C/+80°C). Стальная cкользящая контактная поверхность. Разъемное наружное кольцо со смазочными отверстиями. | 34.92 | 55.56 | 52.38 |
Способы доставки
Отправка через ведущие транспортные и курьерские компании: ПЭК, Деловые Линии, СДЭК, Байкал-Сервис, Энергия, КИТ, ЖелДорЭкспедиция.
Самовывоз возможен напрямую со склада в Москве.
Сроки доставки
Срок зависит от региона и выбранной транспортной компании. Все заказы комплектуются и отправляются в кратчайшие сроки со склада в Москве.
Надёжность и сохранность
Вся продукция упаковывается с учётом требований транспортировки. Мы гарантируем, что подшипники и комплектующие прибудут к заказчику в полной сохранности.
Доставка в страны ЕАЭС
Мы работаем с проверенными логистическими партнёрами, что позволяет оперативно доставлять заказы в Беларусь, Казахстан, Армению и другие страны ЕАЭС.
Варианты оплаты:
Минимальная сумма заказа и скидки:
Документы и гарантии:
Да, конечно! Наши технические специалисты готовы помочь вам с подбором точного аналога или замены подшипника. Просто позвоните нам по телефону +7 (495) 104-99-04 или напишите на почту zakaz@podsnab.ru.
Для оперативной консультации подготовьте, пожалуйста, имеющиеся данные: маркировку, размеры, тип оборудования или артикул старого подшипника.
Да, конечно! Мы высоко ценим долгосрочное сотрудничество и доверие клиентов по всей России. Для постоянных клиентов действует персональная система скидок.
Условия формируются индивидуально и зависят от:
Чтобы узнать свои условия и получить максимально выгодное предложение, свяжитесь с персональным менеджером или напишите нам на почту zakaz@podsnab.ru.
Вы можете оформить заказ несколькими способами:
Для оформления заказа от юридического лица свяжитесь с нашим отделом по работе с корпоративными клиентами по телефону +7 (495) 104-99-04 или напишите на email zakaz@podsnab.ru, прикрепив реквизиты вашей организации.
Мы оперативно подготовим коммерческое предложение и выставим счет.
Возврат товара надлежащего качества возможен в течение 10 дней с момента получения, если товар не был в употреблении, сохранен товарный вид, упаковка не вскрывалась и присутствуют все сопроводительные документы.
Возврат денежных средств осуществляется в течение 10 рабочих дней после проверки товара складом.
В соответствии с законодательством возврату не подлежат подшипники надлежащего качества, если отсутствует оригинальная упаковка или имеются следы монтажа.
В случае выявления брака или гарантийного случая мы гарантируем возврат или обмен товара.
Да, гарантийный срок хранения устанавливается заводом-изготовителем и в среднем составляет 2 года при соблюдении условий хранения: сухое помещение, оригинальная упаковка и смазка.
Точный срок для конкретного типа подшипника уточняйте у наших менеджеров.
Пн–Пт: с 8:00 до 17:00 (МСК).
Сб–Вс: выходные дни.
Заказы на сайте принимаются круглосуточно. Заявки, поступившие после окончания рабочего дня, обрабатываются на следующий рабочий день.
Минимальная сумма заказа для доставки составляет 3000 рублей. Самовывоз со склада возможен на любую сумму при наличии товара.
ООО «УралТехГрупп»
ИНН: 7415093830
КПП: 772401001
ОГРН: 1167456069021
Банк: ПАО Сбербанк
Р/с: 40702810838000475273
К/с: 30101810400000000225
БИК: 044525225
У подшипника GEZM 106 ES-2LS пока нет отзывов. Вы можете стать первым покупателем, поделившимся своим мнением.