Поиск подшипника
Статьи
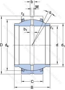
GEZM 108 ES-2LS — Шарнирный подшипник, модификация основного исполнения 108, производство SKF.
Размер подшипника: 38x61x57 мм.
Контактное уплотнение с обеих сторон подшипника, разъемное наружное кольцо со смазочными отверстиями.
Международная стандартизации ISO
GEZM108ES2LS
В наличии
| Обозначение | Конструктивные изменения |
|---|---|
| 108KS | Ball Bearing. Conrad Type. Single Row. Deep Groove (100K Series). |
| 108TV.C3 | Внутренний зазор больше нормального. Прочный сепаратор из полиамида. армированного стекловолокном. |
| 108KSFF | Металлическое уплотнение с двух сторон. Ball Bearing. Conrad Type. Single Row. Deep Groove (100K Series). |
| 108M | Подшипник с латунным сепаратором. центрированный по телам качения. |
| 108-TVH-L085-C2 | Внутренний зазор подшипника меньше нормального. Литой полиамидный сепаратор (PA66). защелкивающийся. |
| 108HDL | Дуплекс. Сепаратор из фенольной смолы с текстильным ламинированием. Внешнее кольцо центрировано. Небольшая предварительная нагрузка. |
| 108TNG | Прочный сепаратор из полиамида. армированного стекловолокном. |
| 108KSZZ | Защитные металлические шайбы с двух сторон подшипника. Ball Bearing. Conrad Type. Single Row. Deep Groove (100K Series). |
| 108RDU | Ball Bearing. Single Row. Counterbored Outer Ring. With Shield On Side Opposite Counterbore. 15 Degree Угол контакта. |
| 108HC | Подшипник или компоненты подшипника из керамики. |
| 108SDTSH | Glass-Fibre Reinforced (15%) Thermoplastic Polyamide PA 4.6. 1-Piece. Standard Version For Self-Aligning Ball Bearings. High Operating Temperature. 120°C. |
| 108-TVH-C3 | Внутренний зазор больше нормального. Массивный сепаратор из армированного стекловолокном полиамида PA66. |
| 108TV | Прочный сепаратор из полиамида. армированного стекловолокном. |
| 108WA | Double Row. Maximum Capacity. With Special Inner And Outer Ring Corners. |
| 108HEUL 0-11 | Универсальный монтаж и легкий преднатяг. 25° Угол контакта. Сепаратор из фенольной смолы с текстильным ламинированием. Внешнее кольцо центрировано. Anderson WInsorlube L245X MIL L6085A. Temperature Range -67°F (-55°C) / +175°F (+79.44°C). |
| 108BX48D22 0-67P2P003 | Angular Contact Bearing With Separable Relieved Inner Ring. |
| CRBF 108 AT UU | Символ защиты от загрязнения. |
| GAZ 108 SA | Sliding Material - Contacting Surfaces Steel - Steel. |
| GEZM 108 ES | Разъемное наружное кольцо со смазочными отверстиями. |
| GEZPR 108 S | Запечатанная версия кулачкового ролика. |
| GEZ 108 TXE-2LS | Контактное уплотнение с обеих сторон подшипника. Закаленная и шлифованная сталь. Скользящая поверхность покрыта твердым хромом и отполирована. |
| GEZH 108 ES-2LS | Контактное уплотнение с обеих сторон подшипника. Разъемное наружное кольцо со смазочными отверстиями. |
| GEZM 108 ESX-2LS | Контактное уплотнение с обеих сторон подшипника. |
| GEZM 108 ES-2RS | Резиновые уплотнения с каждой стороны подшипника. Разъемное наружное кольцо со смазочными отверстиями. |
| GEZH 108 ESX-2LS | Контактное уплотнение с обеих сторон подшипника. |
Модификации шарнирного подшипника GEZM 108 ES-2LS — это измененное основное конструктивное исполнение 108, основные размеры (38x61x57) не отличаются.
| Обозначение | Гост | Конструктивные особенности |
|---|---|---|
| GEWZ38ES | ISO | Разъемное наружное кольцо со смазочными отверстиями. |
| GEWZ38ES-2RS | ISO | Резиновые уплотнения с каждой стороны подшипника. Разъемное наружное кольцо со смазочными отверстиями. |
Аналог шарнирного подшипника GEZM 108 ES-2LS — это подшипник такого же размера dx38,Dx61,Bx57, типа и конструкции.
Способы доставки
Отправка через ведущие транспортные и курьерские компании: ПЭК, Деловые Линии, СДЭК, Байкал-Сервис, Энергия, КИТ, ЖелДорЭкспедиция.
Самовывоз возможен напрямую со склада в Москве.
Сроки доставки
Срок зависит от региона и выбранной транспортной компании. Все заказы комплектуются и отправляются в кратчайшие сроки со склада в Москве.
Надёжность и сохранность
Вся продукция упаковывается с учётом требований транспортировки. Мы гарантируем, что подшипники и комплектующие прибудут к заказчику в полной сохранности.
Доставка в страны ЕАЭС
Мы работаем с проверенными логистическими партнёрами, что позволяет оперативно доставлять заказы в Беларусь, Казахстан, Армению и другие страны ЕАЭС.
Варианты оплаты:
Минимальная сумма заказа и скидки:
Документы и гарантии:
Да, конечно! Наши технические специалисты готовы помочь вам с подбором точного аналога или замены подшипника. Просто позвоните нам по телефону +7 (495) 104-99-04 или напишите на почту zakaz@podsnab.ru.
Для оперативной консультации подготовьте, пожалуйста, имеющиеся данные: маркировку, размеры, тип оборудования или артикул старого подшипника.
Да, конечно! Мы высоко ценим долгосрочное сотрудничество и доверие клиентов по всей России. Для постоянных клиентов действует персональная система скидок.
Условия формируются индивидуально и зависят от:
Чтобы узнать свои условия и получить максимально выгодное предложение, свяжитесь с персональным менеджером или напишите нам на почту zakaz@podsnab.ru.
Вы можете оформить заказ несколькими способами:
Для оформления заказа от юридического лица свяжитесь с нашим отделом по работе с корпоративными клиентами по телефону +7 (495) 104-99-04 или напишите на email zakaz@podsnab.ru, прикрепив реквизиты вашей организации.
Мы оперативно подготовим коммерческое предложение и выставим счет.
Возврат товара надлежащего качества возможен в течение 10 дней с момента получения, если товар не был в употреблении, сохранен товарный вид, упаковка не вскрывалась и присутствуют все сопроводительные документы.
Возврат денежных средств осуществляется в течение 10 рабочих дней после проверки товара складом.
В соответствии с законодательством возврату не подлежат подшипники надлежащего качества, если отсутствует оригинальная упаковка или имеются следы монтажа.
В случае выявления брака или гарантийного случая мы гарантируем возврат или обмен товара.
Да, гарантийный срок хранения устанавливается заводом-изготовителем и в среднем составляет 2 года при соблюдении условий хранения: сухое помещение, оригинальная упаковка и смазка.
Точный срок для конкретного типа подшипника уточняйте у наших менеджеров.
Пн–Пт: с 8:00 до 17:00 (МСК).
Сб–Вс: выходные дни.
Заказы на сайте принимаются круглосуточно. Заявки, поступившие после окончания рабочего дня, обрабатываются на следующий рабочий день.
Минимальная сумма заказа для доставки составляет 3000 рублей. Самовывоз со склада возможен на любую сумму при наличии товара.
ООО «УралТехГрупп»
ИНН: 7415093830
КПП: 772401001
ОГРН: 1167456069021
Банк: ПАО Сбербанк
Р/с: 40702810838000475273
К/с: 30101810400000000225
БИК: 044525225
У подшипника GEZM 108 ES-2LS пока нет отзывов. Вы можете стать первым покупателем, поделившимся своим мнением.