Поиск подшипника
Статьи
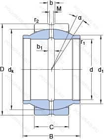
GEZM 308 ES — Шарнирный подшипник, модификация основного исполнения 308, производство SKF.
Размер подшипника: 88x139x133 мм.
Разъемное наружное кольцо со смазочными отверстиями.
Международная стандартизации ISO
GEZM308ES
В наличии
| Обозначение | Конструктивные изменения |
|---|---|
| 308MG | Формованный сепаратор из полиамида. укрепленного стекловолокном. |
| 308W | Радиальный подшипник. Тип заправочного паза. |
| 308T | Двухкомпонентный фенольный сепаратор. усиленный алюминием. |
| 308TN9/C3 | Внутренний зазор больше нормального. Литой защелкивающийся сепаратор из полиамида. армированного стекловолокном 6.6. |
| 308M | Подшипник с латунным сепаратором. центрированный по телам качения. |
| 308KS A1596 | Ball Bearing. Conrad Type. Single Row. Deep Groove (100K Series). |
| 308S | Single Row Radial Conrad-Type Bearings. |
| 308WD | Защитная шайба из штампованной стали с одной стороны. |
| 308KG | Серия с закрепительной втулкой и смазочным отверстием. |
| NU 308 ECML | Однорядный цилиндрический роликовый подшипник. |
| NUP 308 ECML | Однорядный цилиндрический роликовый подшипник. |
| NJ 308 EW | Однорядный. |
| 308YR1W10C4 | Угол контакта 20 градусов. |
| QJ 308 N2 M | Подшипник с латунным сепаратором. центрированный по телам качения. Два установочных паза (выемки), расположенных под углом 180° друг от друга в одной боковой поверхности наружного кольца или шайбе корпуса.. |
| BL 308 Z | щит из листовой прессованной стали с одной стороны подшипника. |
| BSA 308 CG-2RZ | Шарикоподшипник. С уплотнением и низким коэффициентом трения с обеих сторон. Уплотнение состоит из шайбы из листовой стали с вулканизированной резиной. Резьбовой винт со стопором и защелкой. |
| BSA 308 CG | Резьбовой винт со стопором и защелкой. |
| NJ 308 ECPH | Однорядный цилиндрический роликовый подшипник. |
| NU 308 ECPH | Однорядный цилиндрический роликовый подшипник. |
| GEZ 308 TXE-2LS | Контактное уплотнение с обеих сторон подшипника. Закаленная и шлифованная сталь. Скользящая поверхность покрыта твердым хромом и отполирована. |
| GEZH 308 ES | Разъемное наружное кольцо со смазочными отверстиями. |
| GEZH 308 ES-2LS | Контактное уплотнение с обеих сторон подшипника. Разъемное наружное кольцо со смазочными отверстиями. |
| GEZH 308 ESX-2LS | Контактное уплотнение с обеих сторон подшипника. |
| GEZH 308 ES-2RS | Резиновые уплотнения с каждой стороны подшипника. Разъемное наружное кольцо со смазочными отверстиями. |
| GEZM 308 ES-2RS | Резиновые уплотнения с каждой стороны подшипника. Разъемное наружное кольцо со смазочными отверстиями. |
Модификации шарнирного подшипника GEZM 308 ES — это измененное основное конструктивное исполнение 308, основные размеры (88x139x133) не отличаются.
| Обозначение | Гост | Конструктивные особенности |
|---|---|---|
| GEWZ88ES-2RS | ISO | Резиновые уплотнения с каждой стороны подшипника. Разъемное наружное кольцо со смазочными отверстиями. |
| GEWZ88ES | ISO | Разъемное наружное кольцо со смазочными отверстиями. |
| GEZM308ES-2LS | ISO | Контактное уплотнение с обеих сторон подшипника. Разъемное наружное кольцо со смазочными отверстиями. |
Аналог шарнирного подшипника GEZM 308 ES — это подшипник такого же размера dx88,Dx139,Bx133, типа и конструкции.
| Обозначение | Конструктивные особенности | Внутренний (d) | Наружный (D) | Ширина (B) |
|---|---|---|---|---|
| B-75062-EL | Сферический подшипник скольжения. | 88.90 | 139.70 | 133.35 |
Способы доставки
Отправка через ведущие транспортные и курьерские компании: ПЭК, Деловые Линии, СДЭК, Байкал-Сервис, Энергия, КИТ, ЖелДорЭкспедиция.
Самовывоз возможен напрямую со склада в Москве.
Сроки доставки
Срок зависит от региона и выбранной транспортной компании. Все заказы комплектуются и отправляются в кратчайшие сроки со склада в Москве.
Надёжность и сохранность
Вся продукция упаковывается с учётом требований транспортировки. Мы гарантируем, что подшипники и комплектующие прибудут к заказчику в полной сохранности.
Доставка в страны ЕАЭС
Мы работаем с проверенными логистическими партнёрами, что позволяет оперативно доставлять заказы в Беларусь, Казахстан, Армению и другие страны ЕАЭС.
Варианты оплаты:
Минимальная сумма заказа и скидки:
Документы и гарантии:
Да, конечно! Наши технические специалисты готовы помочь вам с подбором точного аналога или замены подшипника. Просто позвоните нам по телефону +7 (495) 104-99-04 или напишите на почту zakaz@podsnab.ru.
Для оперативной консультации подготовьте, пожалуйста, имеющиеся данные: маркировку, размеры, тип оборудования или артикул старого подшипника.
Да, конечно! Мы высоко ценим долгосрочное сотрудничество и доверие клиентов по всей России. Для постоянных клиентов действует персональная система скидок.
Условия формируются индивидуально и зависят от:
Чтобы узнать свои условия и получить максимально выгодное предложение, свяжитесь с персональным менеджером или напишите нам на почту zakaz@podsnab.ru.
Вы можете оформить заказ несколькими способами:
Для оформления заказа от юридического лица свяжитесь с нашим отделом по работе с корпоративными клиентами по телефону +7 (495) 104-99-04 или напишите на email zakaz@podsnab.ru, прикрепив реквизиты вашей организации.
Мы оперативно подготовим коммерческое предложение и выставим счет.
Возврат товара надлежащего качества возможен в течение 10 дней с момента получения, если товар не был в употреблении, сохранен товарный вид, упаковка не вскрывалась и присутствуют все сопроводительные документы.
Возврат денежных средств осуществляется в течение 10 рабочих дней после проверки товара складом.
В соответствии с законодательством возврату не подлежат подшипники надлежащего качества, если отсутствует оригинальная упаковка или имеются следы монтажа.
В случае выявления брака или гарантийного случая мы гарантируем возврат или обмен товара.
Да, гарантийный срок хранения устанавливается заводом-изготовителем и в среднем составляет 2 года при соблюдении условий хранения: сухое помещение, оригинальная упаковка и смазка.
Точный срок для конкретного типа подшипника уточняйте у наших менеджеров.
Пн–Пт: с 8:00 до 17:00 (МСК).
Сб–Вс: выходные дни.
Заказы на сайте принимаются круглосуточно. Заявки, поступившие после окончания рабочего дня, обрабатываются на следующий рабочий день.
Минимальная сумма заказа для доставки составляет 3000 рублей. Самовывоз со склада возможен на любую сумму при наличии товара.
ООО «УралТехГрупп»
ИНН: 7415093830
КПП: 772401001
ОГРН: 1167456069021
Банк: ПАО Сбербанк
Р/с: 40702810838000475273
К/с: 30101810400000000225
БИК: 044525225
У подшипника GEZM 308 ES пока нет отзывов. Вы можете стать первым покупателем, поделившимся своим мнением.