Поиск подшипника
Статьи
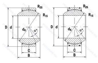
GE17FW-2RS — Сферический подшипник скольжения, модификация основного исполнения GE17FW, выпускается производителями: ELGES, INA.
Размер подшипника: 17x35x20 мм.
Резиновые уплотнения с каждой стороны подшипника.
Альтернативное обозначение: GEH17C-2RS.
Международная стандартизации ISO
GE17FW2RS
В наличии
| Обозначение | Конструктивные изменения |
|---|---|
| GE17FW | СкользящаКонтактная поверхность из хром/PTFE. Широкое внутреннее кольцо. Антизадирная пластичная смазка. Основное конструктивное исполнение. |
Модификации сферического подшипника GE17FW-2RS — это измененное основное конструктивное исполнение GE17FW, основные размеры (17x35x20) не отличаются.
| Обозначение | Гост | Конструктивные особенности |
|---|---|---|
| GEG17ES | ISO | Повышенной грузоподъемности. Разъемное наружное кольцо со смазочными отверстиями. |
| GE17FO-2RS | ISO | Контактные уплотнения типа RS с обеих сторон игольчатого роликоподшипника. Механически обработанный сепаратор из стали или специального чугуна. Антизадирная пластичная смазка. |
| GE17FW | ISO | СкользящаКонтактная поверхность из хром/PTFE. Широкое внутреннее кольцо. Антизадирная пластичная смазка. |
| GE17GS | ISO | Подшипник с предварительным натягом и цилиндрическим наружним кольцом. |
| GEH17C | ISO | 15° Угол контакта. |
| GE17FO | ISO | Стальная скользящая контактная поверхность. Более широкое внутреннее кольцо. |
| GEG17C | ISO | концы стержня. не требующие обслуживания. Внутренняя резьба. |
| GEG17ET-2RS | ISO | Double-Lip Rubbing Seals Of Metric Bearings Are Made Of Polyester Elastomer (-30°C/+130°C). Inch-Size Bearings Are Made Of Polyurethane (-20°C/+80°C). Сквозная закалка и шлифовка стали с переломом в одной точке. |
| GEH17ES-2RS | ISO | Манжетное уплотнение с двух сторон. Стальная скользящая контактная поверхность. Разъемное наружное кольцо со смазочными отверстиями. |
Аналог сферического подшипника GE17FW-2RS — это подшипник такого же размера dx17,Dx35,Bx20, типа и конструкции.
| Обозначение | Конструктивные особенности | Внутренний (d) | Наружный (D) | Ширина (B) |
|---|---|---|---|---|
| Т-436103 К | Шариковый радиально-упорный сдвоенный подшипник. «Замок» (скос) на внутреннем кольце плюс массивный сепаратор из текстолита. | 17.00 | 35.00 | 20.00 |
| 2-436103 КЕШ3 | Шариковый радиально-упорный сдвоенный подшипник. «Замок» (скос) на внутреннем кольце плюс массивный сепаратор из текстолита. Сепаратор из текстолита.. Нормы шумности. | 17.00 | 35.00 | 20.00 |
| 5-436103 КЕШ2 | Шариковый радиально-упорный сдвоенный подшипник. «Замок» (скос) на внутреннем кольце плюс массивный сепаратор из текстолита. Сепаратор из текстолита.. Нормы шумности. | 17.00 | 35.00 | 20.00 |
| 6-436103 КЕШ1 | Шариковый радиально-упорный сдвоенный подшипник. «Замок» (скос) на внутреннем кольце плюс массивный сепаратор из текстолита. Сепаратор из текстолита.. Нормы шумности. | 17.00 | 35.00 | 20.00 |
| 6-436103 КЕ1 | Шариковый радиально-упорный сдвоенный подшипник. «Замок» (скос) на внутреннем кольце плюс массивный сепаратор из текстолита. Сепаратор из текстолита.. | 17.00 | 35.00 | 20.00 |
| 2-436103 Е | Шариковый радиально-упорный сдвоенный подшипник. Сепаратор из текстолита.. | 17.00 | 35.00 | 20.00 |
| 2-436103 К | Шариковый радиально-упорный сдвоенный подшипник. «Замок» (скос) на внутреннем кольце плюс массивный сепаратор из текстолита. | 17.00 | 35.00 | 20.00 |
| 2-436103 КЕ | Шариковый радиально-упорный сдвоенный подшипник. «Замок» (скос) на внутреннем кольце плюс массивный сепаратор из текстолита. Сепаратор из текстолита.. | 17.00 | 35.00 | 20.00 |
| 336103К | Шариковый радиально-упорный сдвоенный подшипник. «Замок» (скос) на внутреннем кольце плюс массивный сепаратор из текстолита. | 17.00 | 35.00 | 20.00 |
| 4-436103 КЕ | Шариковый радиально-упорный сдвоенный подшипник. «Замок» (скос) на внутреннем кольце плюс массивный сепаратор из текстолита. Сепаратор из текстолита.. | 17.00 | 35.00 | 20.00 |
| GEG17N | Шарнирный подшипник. Канавка под стопорное кольцо на внешнем кольце. | 17.00 | 35.00 | 20.00 |
| GEG17ES-2RS | Шарнирный подшипник. Повышенной грузоподъемности. Прорезиненное уплотнение с двух сторон. Разъемное наружное кольцо со смазочными отверстиями. | 17.00 | 35.00 | 20.00 |
| GE 017 HCR | Шарнирный подшипник. Антизадирная пластичная смазка. | 17.00 | 35.00 | 20.00 |
| GE 017 HS-2RS | Шарнирный подшипник. Контактные уплотнения типа RS с обеих сторон игольчатого роликоподшипника. Антизадирная пластичная смазка. | 17.00 | 35.00 | 20.00 |
| 5-436103 КЕ | Шариковый радиально-упорный сдвоенный подшипник. «Замок» (скос) на внутреннем кольце плюс массивный сепаратор из текстолита. Сепаратор из текстолита.. | 17.00 | 35.00 | 20.00 |
Способы доставки
Отправка через ведущие транспортные и курьерские компании: ПЭК, Деловые Линии, СДЭК, Байкал-Сервис, Энергия, КИТ, ЖелДорЭкспедиция.
Самовывоз возможен напрямую со склада в Москве.
Сроки доставки
Срок зависит от региона и выбранной транспортной компании. Все заказы комплектуются и отправляются в кратчайшие сроки со склада в Москве.
Надёжность и сохранность
Вся продукция упаковывается с учётом требований транспортировки. Мы гарантируем, что подшипники и комплектующие прибудут к заказчику в полной сохранности.
Доставка в страны ЕАЭС
Мы работаем с проверенными логистическими партнёрами, что позволяет оперативно доставлять заказы в Беларусь, Казахстан, Армению и другие страны ЕАЭС.
Варианты оплаты:
Минимальная сумма заказа и скидки:
Документы и гарантии:
Да, конечно! Наши технические специалисты готовы помочь вам с подбором точного аналога или замены подшипника. Просто позвоните нам по телефону +7 (495) 104-99-04 или напишите на почту zakaz@podsnab.ru.
Для оперативной консультации подготовьте, пожалуйста, имеющиеся данные: маркировку, размеры, тип оборудования или артикул старого подшипника.
Да, конечно! Мы высоко ценим долгосрочное сотрудничество и доверие клиентов по всей России. Для постоянных клиентов действует персональная система скидок.
Условия формируются индивидуально и зависят от:
Чтобы узнать свои условия и получить максимально выгодное предложение, свяжитесь с персональным менеджером или напишите нам на почту zakaz@podsnab.ru.
Вы можете оформить заказ несколькими способами:
Для оформления заказа от юридического лица свяжитесь с нашим отделом по работе с корпоративными клиентами по телефону +7 (495) 104-99-04 или напишите на email zakaz@podsnab.ru, прикрепив реквизиты вашей организации.
Мы оперативно подготовим коммерческое предложение и выставим счет.
Возврат товара надлежащего качества возможен в течение 10 дней с момента получения, если товар не был в употреблении, сохранен товарный вид, упаковка не вскрывалась и присутствуют все сопроводительные документы.
Возврат денежных средств осуществляется в течение 10 рабочих дней после проверки товара складом.
В соответствии с законодательством возврату не подлежат подшипники надлежащего качества, если отсутствует оригинальная упаковка или имеются следы монтажа.
В случае выявления брака или гарантийного случая мы гарантируем возврат или обмен товара.
Да, гарантийный срок хранения устанавливается заводом-изготовителем и в среднем составляет 2 года при соблюдении условий хранения: сухое помещение, оригинальная упаковка и смазка.
Точный срок для конкретного типа подшипника уточняйте у наших менеджеров.
Пн–Пт: с 8:00 до 17:00 (МСК).
Сб–Вс: выходные дни.
Заказы на сайте принимаются круглосуточно. Заявки, поступившие после окончания рабочего дня, обрабатываются на следующий рабочий день.
Минимальная сумма заказа для доставки составляет 3000 рублей. Самовывоз со склада возможен на любую сумму при наличии товара.
ООО «УралТехГрупп»
ИНН: 7415093830
КПП: 772401001
ОГРН: 1167456069021
Банк: ПАО Сбербанк
Р/с: 40702810838000475273
К/с: 30101810400000000225
БИК: 044525225
У подшипника GE17FW-2RS пока нет отзывов. Вы можете стать первым покупателем, поделившимся своим мнением.