Поиск подшипника
Статьи
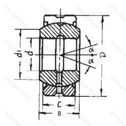
GE300ES-2RS — Сферический подшипник скольжения, модификация основного исполнения GE300, выпускается производителями: AKN, CX, FBJ, IKO, ISO, LS, NIS, SKF.
Размер подшипника: 300x430x165 мм.
Широкий подшипник с внутренним кольцом и метрическим отверстием, контактные уплотнения типа rs с обеих сторон игольчатого роликоподшипника, разъемное наружное кольцо со смазочными отверстиями.
Альтернативное обозначение: GE300DO-2RS.
Аналоги: GE300-DO-2RS-A INA.
Международная стандартизации ISO
GE300ES2RS
В наличии
| Обозначение | Конструктивные изменения |
|---|---|
| GE300-DO-2RS-A-C3 | Внутренний зазор больше нормального. Двухрядный радиально-упорный шарикоподшипник без отверстия для смазки. Резиновые уплотнения с каждой стороны подшипника. Прессованный стальной сепаратор. Вращающийся элемент по центру. Незакаленный. |
| GE300-UK-2TS | Контактная поверхность скольжения хром/PTFE композит. Two Teflon Seals Reinforced With Z-Shields. |
| GE300-DO-2RS | Контактные уплотнения типа RS с обеих сторон игольчатого роликоподшипника. Прессованный стальной сепаратор. Вращающийся элемент по центру. Незакаленный. Антизадирная пластичная смазка. |
| GE300ES | Разъемное наружное кольцо со смазочными отверстиями. Антизадирная пластичная смазка. |
| GE300-UK-2RS | Манжетное уплотнение с двух сторон. Сталь/политетрафторэтилен (ПТФЭ). Антизадирная пластичная смазка. |
| GE300-UK-2RS-B | Манжетное уплотнение с двух сторон. Особенность внутренней конструкции. Контактная поверхность скольжения хром/PTFE композит. |
| GE300-UK-2RS-W11 | Манжетное уплотнение с двух сторон. Контактная поверхность скольжения хром/PTFE композит. Для низкого контактного давления (начиная с 1 Н/м2) и минимального трения. |
| GE300-UK-2RS-W7-W11 | Манжетное уплотнение с двух сторон. Контактная поверхность скольжения хром/PTFE композит. For Low Contact Pressures (starting As Low As 1 N/Mm2) And Minimal Friction. Inner Ring Bore With ELGOGLIDE Lining_ Inside Diameter D Reduced By 1.08 mm (dNEW = d – 1.08). |
| GE300-UK-2TS-G8 | Контактная поверхность скольжения хром/PTFE композит. Two Teflon Seals Reinforced With Z-Shields. Outer Ring With Corrotect ZN Coating. Curved And End Surfaces Of Inner Ring With Hard Chromium Coating. |
| GE300-UK-2RS-W8 | Манжетное уплотнение с двух сторон. Контактная поверхность скольжения хром/PTFE композит. Inner Ring Bore With Elgoglide Lining_ Inside Diameter D Remains In Accordance With Nominal Diameter (dNEW = d). |
| GE300-AW-A-XL | Особенность внутренней конструкции. Серия X-Life премиум-класс. увеличиный срок службы. Скользящая контактная поверхность из твердого хрома/Elgoglide®. |
| GE300-DO-2RS-A | Особенность внутренней конструкции. Манжетное уплотнение с двух сторон. Поверхность контакта скольжения сталь / сталь. |
| GE300XT-2RS | Резиновые уплотнения с каждой стороны подшипника. Закаленная и шлифованная сталь. Скользящая поверхность покрыта твердым хромом и отполирована. |
| GE300XT/X-2RS | Резиновые уплотнения с каждой стороны подшипника. Измененные размеры границ. введенные пересмотренными стандартами ISO. Закаленная и шлифованная сталь. Скользящая поверхность покрыта твердым хромом и отполирована. |
| GE300XT/X | Измененные размеры границ. введенные пересмотренными стандартами ISO. Закаленная и шлифованная сталь. Скользящая поверхность покрыта твердым хромом и отполирована. |
| GE300XS | (Конус/внутренняя гонка и чашка/внешняя гонка) Различные отверстия. Наружный диаметр. Ширина или радиус отличаются от номера базовой детали. |
| GE300AW | Скользящая контактная поверхность из твердого хрома/Elgoglide®. Антизадирная пластичная смазка. |
| GE300DO | Прессованный стальной сепаратор. Вращающийся элемент по центру. Незакаленный. |
| GE300XF/Q | Оптимизированная геометрия и специальная обработка контактных поверхностей. |
Модификации сферического подшипника GE300ES-2RS — это измененное основное конструктивное исполнение GE300, основные размеры (300x430x165) не отличаются.
| Обозначение | Гост | Конструктивные особенности |
|---|---|---|
| GE 300 TA 2RS | ISO | Сферический подшипник скольжения. |
Аналог сферического подшипника GE300ES-2RS — это подшипник такого же размера dx300,Dx430,Bx165, типа и конструкции.
| Обозначение | Конструктивные особенности | Внутренний (d) | Наружный (D) | Ширина (B) |
|---|---|---|---|---|
| RNN6011 | Роликовый радиальный двухрядный подшипник. | 300.00 | 430.00 | 165.00 |
| GE 300 ECR-2RS | Шарнирный подшипник. Контактные уплотнения типа RS с обеих сторон игольчатого роликоподшипника. Антизадирная пластичная смазка. | 300.00 | 430.00 | 165.00 |
| GE 300 ET 2RS | Шарнирный подшипник. Резиновые уплотнения с каждой стороны подшипника. Сквозная закалка и шлифовка стали с переломом в одной точке. | 300.00 | 430.00 | 165.00 |
| SA1-300 | Шарнирный подшипник. | 300.00 | 430.00 | 165.00 |
| GE 300 ES-2LS | Шарнирный подшипник. Контактное уплотнение с обеих сторон подшипника. Разъемное наружное кольцо со смазочными отверстиями. | 300.00 | 300.00 | 165.00 |
| GE 300 ESX-2LS | Шарнирный подшипник. Контактное уплотнение с обеих сторон подшипника. | 300.00 | 300.00 | 165.00 |
| GE 300 TXA-2LS | Шарнирный подшипник. Контактное уплотнение с обеих сторон подшипника. Machined One-Piece Retainer Made From Special Material. Working Temperature -50°C/+260°C. | 300.00 | 430.00 | 165.00 |
Способы доставки
Отправка через ведущие транспортные и курьерские компании: ПЭК, Деловые Линии, СДЭК, Байкал-Сервис, Энергия, КИТ, ЖелДорЭкспедиция.
Самовывоз возможен напрямую со склада в Москве.
Сроки доставки
Срок зависит от региона и выбранной транспортной компании. Все заказы комплектуются и отправляются в кратчайшие сроки со склада в Москве.
Надёжность и сохранность
Вся продукция упаковывается с учётом требований транспортировки. Мы гарантируем, что подшипники и комплектующие прибудут к заказчику в полной сохранности.
Доставка в страны ЕАЭС
Мы работаем с проверенными логистическими партнёрами, что позволяет оперативно доставлять заказы в Беларусь, Казахстан, Армению и другие страны ЕАЭС.
Варианты оплаты:
Минимальная сумма заказа и скидки:
Документы и гарантии:
Да, конечно! Наши технические специалисты готовы помочь вам с подбором точного аналога или замены подшипника. Просто позвоните нам по телефону +7 (495) 104-99-04 или напишите на почту zakaz@podsnab.ru.
Для оперативной консультации подготовьте, пожалуйста, имеющиеся данные: маркировку, размеры, тип оборудования или артикул старого подшипника.
Да, конечно! Мы высоко ценим долгосрочное сотрудничество и доверие клиентов по всей России. Для постоянных клиентов действует персональная система скидок.
Условия формируются индивидуально и зависят от:
Чтобы узнать свои условия и получить максимально выгодное предложение, свяжитесь с персональным менеджером или напишите нам на почту zakaz@podsnab.ru.
Вы можете оформить заказ несколькими способами:
Для оформления заказа от юридического лица свяжитесь с нашим отделом по работе с корпоративными клиентами по телефону +7 (495) 104-99-04 или напишите на email zakaz@podsnab.ru, прикрепив реквизиты вашей организации.
Мы оперативно подготовим коммерческое предложение и выставим счет.
Возврат товара надлежащего качества возможен в течение 10 дней с момента получения, если товар не был в употреблении, сохранен товарный вид, упаковка не вскрывалась и присутствуют все сопроводительные документы.
Возврат денежных средств осуществляется в течение 10 рабочих дней после проверки товара складом.
В соответствии с законодательством возврату не подлежат подшипники надлежащего качества, если отсутствует оригинальная упаковка или имеются следы монтажа.
В случае выявления брака или гарантийного случая мы гарантируем возврат или обмен товара.
Да, гарантийный срок хранения устанавливается заводом-изготовителем и в среднем составляет 2 года при соблюдении условий хранения: сухое помещение, оригинальная упаковка и смазка.
Точный срок для конкретного типа подшипника уточняйте у наших менеджеров.
Пн–Пт: с 8:00 до 17:00 (МСК).
Сб–Вс: выходные дни.
Заказы на сайте принимаются круглосуточно. Заявки, поступившие после окончания рабочего дня, обрабатываются на следующий рабочий день.
Минимальная сумма заказа для доставки составляет 3000 рублей. Самовывоз со склада возможен на любую сумму при наличии товара.
ООО «УралТехГрупп»
ИНН: 7415093830
КПП: 772401001
ОГРН: 1167456069021
Банк: ПАО Сбербанк
Р/с: 40702810838000475273
К/с: 30101810400000000225
БИК: 044525225
У подшипника GE300ES-2RS пока нет отзывов. Вы можете стать первым покупателем, поделившимся своим мнением.