Поиск подшипника
Статьи
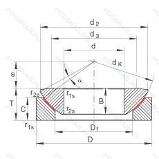
GE20AW — Сферический подшипник скольжения, модификация основного исполнения GE20, выпускается производителями: ELGES, FAG, INA, ISO.
Размер подшипника: 20x55x20 мм.
Широкий подшипник с внутренним кольцом и метрическим отверстием, скользящая контактная поверхность из твердого хрома/elgoglide®.
Альтернативное обозначение: GX20F.
Аналоги: GE20-AW-A INA,GE20-AW-A Elges.
Международная стандартизации ISO
GE20AW
В наличии
| Обозначение | Конструктивные изменения |
|---|---|
| GE20TXE-2RS | Double-Lip Rubbing Seals Of Metric Bearings Are Made Of Polyester Elastomer (-30°C/+130°C). Inch-Size Bearings Are Made Of Polyurethane (-20°C/+80°C). Закаленная и шлифованная сталь. Скользящая поверхность покрыта твердым хромом и отполирована. |
| GE20-XL-KLL-B | Подшипник со сферическим наружным кольцом. Серия X-Life премиум-класс. увеличиный срок службы. BALL BEARING. CONRAD TYPE. INDUSTRIAL POWER TRANSMISSION. DOUBLE MECHANI-SEAL. |
| GE20-XL-KRR-B | Подшипник со сферическим наружным кольцом. Серия X-Life премиум-класс. увеличиный срок службы. Манжетные уплотнения с обеих сторон (уплотнение типа R - имеет оцинкованные внутреннюю и внешнюю крышки. Между крышками имеется уплотнительная кромка NBR. идущая по шлифованному буртику). |
| GE20-XL-KTT-B | Подшипник со сферическим наружным кольцом. Серия X-Life премиум-класс. увеличиный срок службы. Тройные манжетные уплотнения с обеих сторон подшипника (Т-образное уплотнение). |
| GE20ES-2RS/C2 | Radial Internal Clearance Smaller Than Normal (For Spherical Plain Bearings Requiring Maintenance). Манжетное уплотнение с двух сторон. Стальная скользящая контактная поверхность. Разъемное наружное кольцо со смазочными отверстиями. |
| GE20KLLHB | Подшипник со сферическим наружным кольцом. Лабиринтные уплотнения с обеих сторон (уплотнение типа L - все детали уплотнения типа L оцинкованы со всех сторон. чтобы улучшить защиту от коррозии - нет трения уплотнения). |
| GE20T | Textile Laminated Phenolic Resin. Outer Ring Guided. The Cage Is Suitable For Long-Term Operation At Temperatures Up To 100°C. |
| GE20ESX-2LS | A Triple Lip Elastomer Seal. With A Steel Backing. On Each Side Of The Bearing (-25°C/+120°C). Не требует обслуживания - смазка на весь срок службы. Оптимизированное стальное соединение. Разъемное наружное кольцо с отверстиями для смазки. |
| GE20C SS | Steel/Sinter Bronze Composite. Нержавеющая сталь. |
| GE20-SB | Seel on bronze. |
| GE20ES/C2 | Внутренний зазор подшипника меньше нормального. Разъемное наружное кольцо со смазочными отверстиями. |
| GE20-DO-2RS-HLN | Манжетное уплотнение с двух сторон. Стальная контактная поверхность скольжения. Внутреннее и наружное кольца закалены. Код местонахождения завода. может использоваться в стандартной комплектации. |
| GE20-UK-2RS-W11 | Манжетное уплотнение с двух сторон. Контактная поверхность скольжения хром/PTFE композит. Для низкого контактного давления (начиная с 1 Н/м2) и минимального трения. |
| GE20-UK-2RS-G8 | Манжетное уплотнение с двух сторон. Контактная поверхность скольжения хром/PTFE композит. Outer Ring With Corrotect ZN Coating. Curved And End Surfaces Of Inner Ring With Hard Chromium Coating. |
| GE20-KTT-B | Подшипник со сферическим наружным кольцом. Тройные манжетные уплотнения с обеих сторон подшипника (Т-образное уплотнение). |
| GE20EC | Хром/PTFE композит и радиальный подшипник. Не требует обслуживания благодаря тефлоновому композитному наружному кольцу. Внутреннее кольцо закалено.. |
| GE20HO.C2 | Радиальный внутренний зазор меньше нормального. Стальная cкользящая контактная поверхность. Цилиндрическое расширение на внутреннем кольце. |
| GE20-KLL-B | Подшипник со сферическим наружным кольцом. BALL BEARING. CONRAD TYPE. INDUSTRIAL POWER TRANSMISSION. DOUBLE MECHANI-SEAL. |
| GE20ET/X | ID Bore In (Metric Series Are In mm). Сквозная закалка и шлифовка стали с переломом в одной точке. |
| GE20TE/X | ID Bore In (Metric Series Are In mm). Внешнее кольцо из углеродной хромированной стали. с изломом. закаленное и шлифованное. со скользящей поверхностью из материала PTFE. Внутреннее кольцо из углеродной хромированной стали закаленное и шлифованное. скользящая поверхность покрыта твердым хромом. |
| GE20DO.B | Конический роликовый подшипник. Угол контакта 20 градусов. Сталь. Внутреннее и внешнее кольцо закалены. |
| GE20KRR | Манжетные уплотнения с обеих сторон (уплотнение типа R - имеет оцинкованные внутреннюю и внешнюю крышки. Между крышками имеется уплотнительная кромка NBR. идущая по шлифованному буртику). |
| GE20N | Канавка под стопорное кольцо на внешнем кольце. |
| GE20ET/X-2RS | Резиновые уплотнения с каждой стороны подшипника. Измененные размеры границ. введенные пересмотренными стандартами ISO. Сквозная закалка и шлифовка стали с переломом в одной точке. |
| GE20XDO-2RS | Резиновые уплотнения с каждой стороны подшипника. |
Модификации сферического подшипника GE20AW — это измененное основное конструктивное исполнение GE20, основные размеры (20x55x20) не отличаются.
| Обозначение | Гост | Конструктивные особенности |
|---|---|---|
| GX20S | ISO | Запечатанная версия кулачкового ролика. Внутренний диаметр отличается от стандартных размеров для миниатюрных шариковых подшипников. |
| GX20F | ISO | Сепаратор из обработанной стали или специального чугуна. |
| GE20AWA | ISO | Особенность внутренней конструкции. Скользящая контактная поверхность из твердого хрома/Elgoglide®. |
Аналог сферического подшипника GE20AW — это подшипник такого же размера dx20,Dx55,Bx20, типа и конструкции.
| Обозначение | Конструктивные особенности | Внутренний (d) | Наружный (D) | Ширина (B) |
|---|---|---|---|---|
| KFL004 | Корпус подшипника. | 20.00 | 55.00 | 21.00 |
| TM-SC04B05LU | Подшипник однорядный шариковый радиальный. Контактное армированное уплотнение из резины с одной стороны подшипника. | 20.00 | 56.00 | 20.00 |
| TM-SC04B05LUACS23PX1/L588 | Шариковый радиальный однорядный подшипник. Механически обработанный сепаратор. Уплотнение из полиакрила. Угол контакта 40°. Двухкромочное нитриловое контактное уплотнение. Модификация фаски. | 20.00 | 56.00 | 20.00 |
| GW 020 | Шарнирный подшипник. Пластичная смазка для широкого диапазона температур. | 20.00 | 55.00 | 20.00 |
| GX20T | Шарнирный подшипник. Textile Laminated Phenolic Resin. Outer Ring Guided. The Cage Is Suitable For Long-Term Operation At Temperatures Up To 100°C. | 20.00 | 55.00 | 20.00 |
| GX20N | Шарнирный подшипник. Канавка под стопорное кольцо на внешнем кольце. | 20.00 | 55.00 | 20.00 |
Способы доставки
Отправка через ведущие транспортные и курьерские компании: ПЭК, Деловые Линии, СДЭК, Байкал-Сервис, Энергия, КИТ, ЖелДорЭкспедиция.
Самовывоз возможен напрямую со склада в Москве.
Сроки доставки
Срок зависит от региона и выбранной транспортной компании. Все заказы комплектуются и отправляются в кратчайшие сроки со склада в Москве.
Надёжность и сохранность
Вся продукция упаковывается с учётом требований транспортировки. Мы гарантируем, что подшипники и комплектующие прибудут к заказчику в полной сохранности.
Доставка в страны ЕАЭС
Мы работаем с проверенными логистическими партнёрами, что позволяет оперативно доставлять заказы в Беларусь, Казахстан, Армению и другие страны ЕАЭС.
Варианты оплаты:
Минимальная сумма заказа и скидки:
Документы и гарантии:
Да, конечно! Наши технические специалисты готовы помочь вам с подбором точного аналога или замены подшипника. Просто позвоните нам по телефону +7 (495) 104-99-04 или напишите на почту zakaz@podsnab.ru.
Для оперативной консультации подготовьте, пожалуйста, имеющиеся данные: маркировку, размеры, тип оборудования или артикул старого подшипника.
Да, конечно! Мы высоко ценим долгосрочное сотрудничество и доверие клиентов по всей России. Для постоянных клиентов действует персональная система скидок.
Условия формируются индивидуально и зависят от:
Чтобы узнать свои условия и получить максимально выгодное предложение, свяжитесь с персональным менеджером или напишите нам на почту zakaz@podsnab.ru.
Вы можете оформить заказ несколькими способами:
Для оформления заказа от юридического лица свяжитесь с нашим отделом по работе с корпоративными клиентами по телефону +7 (495) 104-99-04 или напишите на email zakaz@podsnab.ru, прикрепив реквизиты вашей организации.
Мы оперативно подготовим коммерческое предложение и выставим счет.
Возврат товара надлежащего качества возможен в течение 10 дней с момента получения, если товар не был в употреблении, сохранен товарный вид, упаковка не вскрывалась и присутствуют все сопроводительные документы.
Возврат денежных средств осуществляется в течение 10 рабочих дней после проверки товара складом.
В соответствии с законодательством возврату не подлежат подшипники надлежащего качества, если отсутствует оригинальная упаковка или имеются следы монтажа.
В случае выявления брака или гарантийного случая мы гарантируем возврат или обмен товара.
Да, гарантийный срок хранения устанавливается заводом-изготовителем и в среднем составляет 2 года при соблюдении условий хранения: сухое помещение, оригинальная упаковка и смазка.
Точный срок для конкретного типа подшипника уточняйте у наших менеджеров.
Пн–Пт: с 8:00 до 17:00 (МСК).
Сб–Вс: выходные дни.
Заказы на сайте принимаются круглосуточно. Заявки, поступившие после окончания рабочего дня, обрабатываются на следующий рабочий день.
Минимальная сумма заказа для доставки составляет 3000 рублей. Самовывоз со склада возможен на любую сумму при наличии товара.
ООО «УралТехГрупп»
ИНН: 7415093830
КПП: 772401001
ОГРН: 1167456069021
Банк: ПАО Сбербанк
Р/с: 40702810838000475273
К/с: 30101810400000000225
БИК: 044525225
У подшипника GE20AW пока нет отзывов. Вы можете стать первым покупателем, поделившимся своим мнением.