Поиск подшипника
Статьи
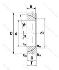
GE95SW — Сферический подшипник скольжения, модификация основного исполнения GE95, выпускается производителями: ELGES, INA.
Размер подшипника: 95x145x32 мм.
Широкий подшипник с внутренним кольцом и метрическим отверстием, скользящая контактная поверхность твердый хром/elgoglide® (elgoglide®=ptfe (polyetrafluoroethylene)).
Альтернативное обозначение: GAC95F.
Международная стандартизации ISO
GE95SW
В наличии
| Обозначение | Конструктивные изменения |
|---|---|
| GE95ZO | Скользящая контактная поверхность сталь/сталь, разъемное наружное кольцо с отверстиями для смазки.. |
Модификации сферического подшипника GE95SW — это измененное основное конструктивное исполнение GE95, основные размеры (95x145x32) не отличаются.
| Обозначение | Гост | Конструктивные особенности |
|---|---|---|
| GAC95F | ISO | Композит Сталь/PTFE. |
Аналог сферического подшипника GE95SW — это подшипник такого же размера dx95,Dx145,Bx32, типа и конструкции.
| Обозначение | Конструктивные особенности | Внутренний (d) | Наружный (D) | Ширина (B) |
|---|---|---|---|---|
| 32019JR | однорядный конический роликовый подшипник. TAPERED ROLLER BEARING CONFORMING TO ISO R355 (SUB-UNIT. METRIC SERIES). EXAMPLE/ 30206JR. | 95.00 | 145.00 | 32.00 |
| 32019-XA-XL | Однорядный конический роликовый подшипник. Серия X-Life премиум-класс. увеличиный срок службы. (Cone/Inner Race And Cup/Outer Race) Special Feature Bearing (Non-Interchangeable With Bearings Having The Same Basic Part Number). | 95.00 | 145.00 | 32.00 |
| E32019J | однорядный конический роликовый подшипник. Взаимозаменяемые кольца конического роликоподшипника. | 95.00 | 145.00 | 32.00 |
| 32019A | однорядный конический роликовый подшипник. (Чаша/внешняя поверхность) отличается по наружному диаметру/радиусу/ширине от номера базовой детали. | 95.00 | 145.00 | 32.00 |
| 32019-X-H | Однорядный конический роликовый подшипник. Pressed Snap-Type Steel Cage. Hardened. External Dimensions Matched To International Standards.. H =. | 95.00 | 145.00 | 32.00 |
| 32019XUP5 | Однорядный конический роликовый подшипник. Размерная и рабочая точность соответствует классу допуска ISO 5. Размеры границ изменены в соответствии со стандартами ISO. Конические роликоподшипники с возможностью взаимозаменять друг друга. | 95.00 | 145.00 | 32.00 |
| 32019XA.P5 | Однорядный конический роликовый подшипник. Размерная и рабочая точность соответствует классу допуска ISO 5. (Cone/Inner Race And Cup/Outer Race) Special Feature Bearing (Non-Interchangeable With Bearings Having The Same Basic Part Number). | 95.00 | 145.00 | 32.00 |
| 2007119-М | Роликовый радиальный-упорный однорядный подшипник. Модифицированный контакт.. | 95.00 | 145.00 | 32.00 |
| 3007119-А | Роликовый радиальный-упорный однорядный подшипник. Повышенная грузоподъемность. | 95.00 | 145.00 | 32.50 |
| 3067119А | Роликовый радиальный-упорный однорядный подшипник. Повышенная грузоподъемность. | 95.00 | 145.00 | 32.50 |
| HR32019XJ | Роликовый радиальный-упорный однорядный подшипник. Для конических роликоподшипников и радиальных шарикоподшипников. | 95.00 | 145.00 | 32.00 |
| X32019X/Y32019X | Роликовый радиальный-упорный однорядный подшипник. Измененные размеры границ. введенные пересмотренными стандартами ISO. | 95.00 | 145.00 | 32.00 |
| X32019XM/Y32019XM | Роликовый радиальный-упорный однорядный подшипник. Two Bearings In X-Arrangement. Medium Preload. | 95.00 | 145.00 | 32.00 |
| GAC95T | Шарнирный подшипник. Измененная или модифицированная внутренняя конструкция при неизменных основных размерах. Textile Laminated Phenolic Resin. Outer Ring Guided. The Cage Is Suitable For Long-Term Operation At Temperatures Up To 100°C. | 95.00 | 145.00 | 32.00 |
| GAC95S | Шарнирный подшипник. Запечатанная версия кулачкового ролика. Измененная или модифицированная внутренняя конструкция при неизменных основных размерах. | 95.00 | 145.00 | 32.00 |
Способы доставки
Отправка через ведущие транспортные и курьерские компании: ПЭК, Деловые Линии, СДЭК, Байкал-Сервис, Энергия, КИТ, ЖелДорЭкспедиция.
Самовывоз возможен напрямую со склада в Москве.
Сроки доставки
Срок зависит от региона и выбранной транспортной компании. Все заказы комплектуются и отправляются в кратчайшие сроки со склада в Москве.
Надёжность и сохранность
Вся продукция упаковывается с учётом требований транспортировки. Мы гарантируем, что подшипники и комплектующие прибудут к заказчику в полной сохранности.
Доставка в страны ЕАЭС
Мы работаем с проверенными логистическими партнёрами, что позволяет оперативно доставлять заказы в Беларусь, Казахстан, Армению и другие страны ЕАЭС.
Варианты оплаты:
Минимальная сумма заказа и скидки:
Документы и гарантии:
Да, конечно! Наши технические специалисты готовы помочь вам с подбором точного аналога или замены подшипника. Просто позвоните нам по телефону +7 (495) 104-99-04 или напишите на почту zakaz@podsnab.ru.
Для оперативной консультации подготовьте, пожалуйста, имеющиеся данные: маркировку, размеры, тип оборудования или артикул старого подшипника.
Да, конечно! Мы высоко ценим долгосрочное сотрудничество и доверие клиентов по всей России. Для постоянных клиентов действует персональная система скидок.
Условия формируются индивидуально и зависят от:
Чтобы узнать свои условия и получить максимально выгодное предложение, свяжитесь с персональным менеджером или напишите нам на почту zakaz@podsnab.ru.
Вы можете оформить заказ несколькими способами:
Для оформления заказа от юридического лица свяжитесь с нашим отделом по работе с корпоративными клиентами по телефону +7 (495) 104-99-04 или напишите на email zakaz@podsnab.ru, прикрепив реквизиты вашей организации.
Мы оперативно подготовим коммерческое предложение и выставим счет.
Возврат товара надлежащего качества возможен в течение 10 дней с момента получения, если товар не был в употреблении, сохранен товарный вид, упаковка не вскрывалась и присутствуют все сопроводительные документы.
Возврат денежных средств осуществляется в течение 10 рабочих дней после проверки товара складом.
В соответствии с законодательством возврату не подлежат подшипники надлежащего качества, если отсутствует оригинальная упаковка или имеются следы монтажа.
В случае выявления брака или гарантийного случая мы гарантируем возврат или обмен товара.
Да, гарантийный срок хранения устанавливается заводом-изготовителем и в среднем составляет 2 года при соблюдении условий хранения: сухое помещение, оригинальная упаковка и смазка.
Точный срок для конкретного типа подшипника уточняйте у наших менеджеров.
Пн–Пт: с 8:00 до 17:00 (МСК).
Сб–Вс: выходные дни.
Заказы на сайте принимаются круглосуточно. Заявки, поступившие после окончания рабочего дня, обрабатываются на следующий рабочий день.
Минимальная сумма заказа для доставки составляет 3000 рублей. Самовывоз со склада возможен на любую сумму при наличии товара.
ООО «УралТехГрупп»
ИНН: 7415093830
КПП: 772401001
ОГРН: 1167456069021
Банк: ПАО Сбербанк
Р/с: 40702810838000475273
К/с: 30101810400000000225
БИК: 044525225
У подшипника GE95SW пока нет отзывов. Вы можете стать первым покупателем, поделившимся своим мнением.