Поиск подшипника
Статьи
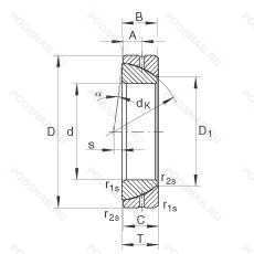
GE80-SX — Сферический подшипник скольжения, модификация основного исполнения GE80, выпускается производителями: ELGES, ENDURO, INA, SIGMA, TIMKEN.
Размер подшипника: 80x125x29 мм.
Широкий подшипник с внутренним кольцом и метрическим отверстием, радиально-упорный сферический подшипник скольжения. требующий обслуживания по iso 12 2402. монтажные размеры как для конических роликоподшипников по din 720. 320x. стальная скользящая контактная поверхность.
Альтернативное обозначение: GAC80SA, MB80SA.
Международная стандартизации ISO
GE80SX
В наличии
| Обозначение | Конструктивные изменения |
|---|---|
| GE80UK-2RS | Контактные уплотнения типа RS с обеих сторон игольчатого роликоподшипника. Контактная поверхность скольжения хром/PTFE композит. Антизадирная пластичная смазка. |
| GE80GS | Подшипник с предварительным натягом и цилиндрическим наружним кольцом. |
| GE80DO.2RS | Контактные уплотнения типа RS с обеих сторон игольчатого роликоподшипника. Прессованный стальной сепаратор. Вращающийся элемент по центру. Незакаленный. Антизадирная пластичная смазка. |
| GE80ES-2LS | A Triple Lip Elastomer Seal. With A Steel Backing. On Each Side Of The Bearing (-25°C/+120°C). Разъемное наружное кольцо со смазочными отверстиями. |
| GE80FO | Стальная скользящая контактная поверхность. Более широкое внутреннее кольцо. |
| GE80TXG3A-2LS | A Triple Lip Elastomer Seal. With A Steel Backing. On Each Side Of The Bearing (-25°C/+120°C). Stainless Steel X46Cr13/1.4034. Hardened. Ground. Split Two-Piece. Held Together By One Steel Band. |
| GE80KPPB | Подшипник со сферическим наружным кольцом. |
| GE80ESX-2LS | A Triple Lip Elastomer Seal. With A Steel Backing. On Each Side Of The Bearing (-25°C/+120°C). Не требует обслуживания - смазка на весь срок службы. Оптимизированное стальное соединение. Разъемное наружное кольцо с отверстиями для смазки. |
| GE80TXE-2RS | Double-Lip Rubbing Seals Of Metric Bearings Are Made Of Polyester Elastomer (-30°C/+130°C). Inch-Size Bearings Are Made Of Polyurethane (-20°C/+80°C). Закаленная и шлифованная сталь. Скользящая поверхность покрыта твердым хромом и отполирована. |
| GE80AX | Поверхность контакта скольжения сталь / сталь. Метрический радиальный сферический подшипник скольжения. |
| GE80-XL-KTT-B | Подшипник со сферическим наружным кольцом. Серия X-Life премиум-класс. увеличиный срок службы. Тройные манжетные уплотнения с обеих сторон подшипника (Т-образное уплотнение). |
| GE80GS-2RS | Контактное уплотнение с обеих сторон. Подшипник с предварительным натягом и цилиндрическим наружним кольцом. |
| GE80-DO-2RS-HLN | Манжетное уплотнение с двух сторон. Стальная контактная поверхность скольжения. Внутреннее и наружное кольца закалены. Код местонахождения завода. может использоваться в стандартной комплектации. |
| GE80DO C3 | Радиальный внутренний зазор больше нормального. Поверхность контакта скольжения сталь / сталь. |
| GE80-DO-2RS-C2 | Внутренний зазор подшипника меньше нормального. Манжетное уплотнение с двух сторон. Стальная контактная поверхность скольжения. Внутреннее и наружное кольца закалены. |
| GE80-FW-2RS-W11 | Манжетное уплотнение с двух сторон. СкользящаКонтактная поверхность из хром/PTFE. Широкое внутреннее кольцо. For Low Contact Pressures (starting As Low As 1 N/Mm2) And Minimal Friction. |
| GE80-UK-2TS-G8-W11 | Контактная поверхность скольжения хром/PTFE композит. Two Teflon Seals Reinforced With Z-Shields. Outer Ring With Corrotect ZN Coating. Curved And End Surfaces Of Inner Ring With Hard Ch. Для низкого контактного давления (начиная с 1 Н/м2) и минимального трения. |
| GE80-UK-2RS-W7 | Манжетное уплотнение с двух сторон. Контактная поверхность скольжения хром/PTFE композит. Inner Ring Bore With ELGOGLIDE Lining_ Inside Diameter D Reduced By 1.08 mm (dNEW = d – 1.08). |
| GE80-KTT-B | Подшипник со сферическим наружным кольцом. Тройные манжетные уплотнения с обеих сторон подшипника (Т-образное уплотнение). |
| GE80XT/X | Измененные размеры границ. введенные пересмотренными стандартами ISO. Закаленная и шлифованная сталь. Скользящая поверхность покрыта твердым хромом и отполирована. |
| GE80XT-2RS/X | Резиновые уплотнения с каждой стороны подшипника. Измененные размеры границ. введенные пересмотренными стандартами ISO. Закаленная и шлифованная сталь. Скользящая поверхность покрыта твердым хромом и отполирована. |
| GE80-XL-KRR-B | Подшипник со сферическим наружным кольцом. Серия X-Life премиум-класс. увеличиный срок службы. Манжетные уплотнения с обеих сторон (уплотнение типа R - имеет оцинкованные внутреннюю и внешнюю крышки. Между крышками имеется уплотнительная кромка NBR. идущая по шлифованному буртику). |
| GE80-KRR-B-AH01-FA164 | Конический роликовый подшипник. Угол контакта 20 градусов. Манжетные уплотнения с обеих сторон (уплотнение типа R - имеет оцинкованные внутреннюю и внешнюю крышки. Между крышками имеется уплотнительная кромка NBR. идущая по шлифованному буртику). Размеры могут отличаться от базового номера детали. Внутренний зазор равен C3 (больше обычного) и защищен от коррозии специальным покрытием Corrotect®. Высокотемпературная конструкция до +250°C. |
| GE80XT/X-2RS | Резиновые уплотнения с каждой стороны подшипника. Измененные размеры границ. введенные пересмотренными стандартами ISO. Закаленная и шлифованная сталь. Скользящая поверхность покрыта твердым хромом и отполирована. |
| GE80XDO-2RS | Резиновые уплотнения с каждой стороны подшипника. |
Модификации сферического подшипника GE80-SX — это измененное основное конструктивное исполнение GE80, основные размеры (80x125x29) не отличаются.
| Обозначение | Гост | Конструктивные особенности |
|---|---|---|
| GAC80F | ISO | Измененная или модифицированная внутренняя конструкция при неизменных основных размерах. Сепаратор из обработанной стали или специального чугуна. |
| GAC 80 S | ISO | Измененная или модифицированная внутренняя конструкция при неизменных основных размерах. |
| GAC80SA | ISO | Sliding Material - Contacting Surfaces Steel - Steel. |
| GE80-SW-W11 | ISO | Sliding Contact Surface Hard Chromium/Elgoglide¨ (Elgoglide. Для низкого контактного давления (начиная с 1 Н/м2) и минимального трения. PTFE (Polyetrafluoroethylene)). |
| MB80SA | ISO | Single Acting. |
| GE80-SW-A | ISO | Особенность внутренней конструкции. PTFE (Polyetrafluoroethylene)). Скользящая контактная поверхность из твердого хрома/Elgoglide®. |
Аналог сферического подшипника GE80-SX — это подшипник такого же размера dx80,Dx125,Bx29, типа и конструкции.
| Обозначение | Конструктивные особенности | Внутренний (d) | Наружный (D) | Ширина (B) |
|---|---|---|---|---|
| 5-2007116 А | Роликовый радиальный-упорный однорядный подшипник. Повышенная грузоподъемность. | 80.00 | 125.00 | 29.00 |
| 2-2007116 А | Роликовый радиальный-упорный однорядный подшипник. Повышенная грузоподъемность. | 80.00 | 125.00 | 29.00 |
| 2-2007116 А1 | Роликовый радиальный-упорный однорядный подшипник. Повышенная грузоподъемность. | 80.00 | 125.00 | 29.00 |
| 2007116-A | Роликовый радиальный-упорный однорядный подшипник. Двухрядный радиально-упорный шарикоподшипник без отверстия для смазки. | 80.00 | 125.00 | 29.00 |
| 3007116-А | Роликовый радиальный-упорный однорядный подшипник. Повышенная грузоподъемность. | 80.00 | 125.00 | 29.50 |
| 3067116А | Роликовый радиальный-упорный однорядный подшипник. Повышенная грузоподъемность. | 80.00 | 125.00 | 29.50 |
| 4-2007116 А | Роликовый радиальный-упорный однорядный подшипник. Повышенная грузоподъемность. | 80.00 | 125.00 | 29.00 |
| HR32016XJ | Роликовый радиальный-упорный однорядный подшипник. Для конических роликоподшипников и радиальных шарикоподшипников. | 80.00 | 125.00 | 29.00 |
| X32016XM/Y32016XM | Роликовый радиальный-упорный однорядный подшипник. Two Bearings In X-Arrangement. Medium Preload. | 80.00 | 125.00 | 29.00 |
| X32016X/Y32016X | Роликовый радиальный-упорный однорядный подшипник. Измененные размеры границ. введенные пересмотренными стандартами ISO. | 80.00 | 125.00 | 29.00 |
| GAC80N | Шарнирный подшипник. Измененная или модифицированная внутренняя конструкция при неизменных основных размерах. Канавка под стопорное кольцо на внешнем кольце. | 80.00 | 125.00 | 29.00 |
| GAC80T | Шарнирный подшипник. Измененная или модифицированная внутренняя конструкция при неизменных основных размерах. Textile Laminated Phenolic Resin. Outer Ring Guided. The Cage Is Suitable For Long-Term Operation At Temperatures Up To 100°C. | 80.00 | 125.00 | 29.00 |
| 6-2007116 А | Роликовый радиальный-упорный однорядный подшипник. Повышенная грузоподъемность. | 80.00 | 125.00 | 29.00 |
| 6-2007116-А1 | Роликовый радиальный-упорный однорядный подшипник. Повышенная грузоподъемность. | 80.00 | 125.00 | 29.00 |
| 6-2007116-ХМ | Роликовый радиальный-упорный однорядный подшипник. Модифицированный контакт.. Кольца и тела качения или только кольца (в том числе одно кольцо) из цементируемой стали.. | 80.00 | 125.00 | 29.00 |
Способы доставки
Отправка через ведущие транспортные и курьерские компании: ПЭК, Деловые Линии, СДЭК, Байкал-Сервис, Энергия, КИТ, ЖелДорЭкспедиция.
Самовывоз возможен напрямую со склада в Москве.
Сроки доставки
Срок зависит от региона и выбранной транспортной компании. Все заказы комплектуются и отправляются в кратчайшие сроки со склада в Москве.
Надёжность и сохранность
Вся продукция упаковывается с учётом требований транспортировки. Мы гарантируем, что подшипники и комплектующие прибудут к заказчику в полной сохранности.
Доставка в страны ЕАЭС
Мы работаем с проверенными логистическими партнёрами, что позволяет оперативно доставлять заказы в Беларусь, Казахстан, Армению и другие страны ЕАЭС.
Варианты оплаты:
Минимальная сумма заказа и скидки:
Документы и гарантии:
Да, конечно! Наши технические специалисты готовы помочь вам с подбором точного аналога или замены подшипника. Просто позвоните нам по телефону +7 (495) 104-99-04 или напишите на почту zakaz@podsnab.ru.
Для оперативной консультации подготовьте, пожалуйста, имеющиеся данные: маркировку, размеры, тип оборудования или артикул старого подшипника.
Да, конечно! Мы высоко ценим долгосрочное сотрудничество и доверие клиентов по всей России. Для постоянных клиентов действует персональная система скидок.
Условия формируются индивидуально и зависят от:
Чтобы узнать свои условия и получить максимально выгодное предложение, свяжитесь с персональным менеджером или напишите нам на почту zakaz@podsnab.ru.
Вы можете оформить заказ несколькими способами:
Для оформления заказа от юридического лица свяжитесь с нашим отделом по работе с корпоративными клиентами по телефону +7 (495) 104-99-04 или напишите на email zakaz@podsnab.ru, прикрепив реквизиты вашей организации.
Мы оперативно подготовим коммерческое предложение и выставим счет.
Возврат товара надлежащего качества возможен в течение 10 дней с момента получения, если товар не был в употреблении, сохранен товарный вид, упаковка не вскрывалась и присутствуют все сопроводительные документы.
Возврат денежных средств осуществляется в течение 10 рабочих дней после проверки товара складом.
В соответствии с законодательством возврату не подлежат подшипники надлежащего качества, если отсутствует оригинальная упаковка или имеются следы монтажа.
В случае выявления брака или гарантийного случая мы гарантируем возврат или обмен товара.
Да, гарантийный срок хранения устанавливается заводом-изготовителем и в среднем составляет 2 года при соблюдении условий хранения: сухое помещение, оригинальная упаковка и смазка.
Точный срок для конкретного типа подшипника уточняйте у наших менеджеров.
Пн–Пт: с 8:00 до 17:00 (МСК).
Сб–Вс: выходные дни.
Заказы на сайте принимаются круглосуточно. Заявки, поступившие после окончания рабочего дня, обрабатываются на следующий рабочий день.
Минимальная сумма заказа для доставки составляет 3000 рублей. Самовывоз со склада возможен на любую сумму при наличии товара.
ООО «УралТехГрупп»
ИНН: 7415093830
КПП: 772401001
ОГРН: 1167456069021
Банк: ПАО Сбербанк
Р/с: 40702810838000475273
К/с: 30101810400000000225
БИК: 044525225
У подшипника GE80-SX пока нет отзывов. Вы можете стать первым покупателем, поделившимся своим мнением.