Поиск подшипника
Статьи
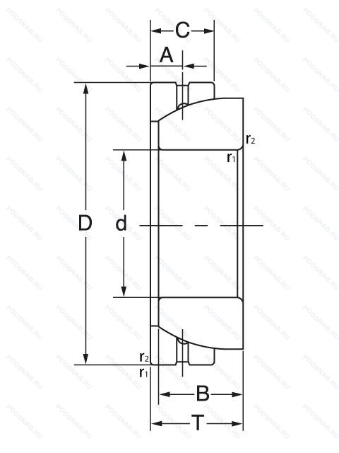
GACZ 010 S — Сферический подшипник скольжения, основное исполнение, производство NIS.
Размер подшипника: 15x26x8 мм.
2.77.
Международная стандартизации ISO
GACZ010S
В наличии
| Обозначение | Гост | Конструктивные особенности |
|---|---|---|
| B10SA | ISO | Single Acting. |
Аналог сферического подшипника GACZ 010 S — это подшипник такого же размера dx15,Dx26,Bx8, типа и конструкции.
| Обозначение | Конструктивные особенности | Внутренний (d) | Наружный (D) | Ширина (B) |
|---|---|---|---|---|
| LWLFG14C1BT1HS2 | Линейный шариковый подшипник. Тип фланца. Монтируется снизу. Высокий класс точности. Код взаимозаменяемости. Количество узлов скольжения. Небольшая предварительная нагрузка. | 14.00 | 25.00 | 7.00 |
| F63802 2RS | Подшипник однорядный шариковый радиальный. Резиновые уплотнения с каждой стороны подшипника. | 15.00 | 26.00 | 7.00 |
| 876704-У | Шариковый радиально-упорный подшипник. Дополнительные технические требования. | 14.90 | 26.90 | 7.15 |
| ЕШ15 | Шарнирный подшипник. Одно или два кольца из полимерного материала.. | 15.00 | 26.00 | 9.00 |
| ЕШС15К | Шарнирный подшипник. Канавка и отверстие для смазки на внутреннем и наружном кольцах.. | 15.00 | 26.00 | 9.00 |
| ЕШСЛ15К | Шарнирный подшипник. Канавка и отверстие для смазки на внутреннем и наружном кольцах.. | 15.00 | 26.00 | 9.00 |
| ЕШСЛ15К1 | Шарнирный подшипник. Канавка и отверстие для смазки на наружном кольце.. | 15.00 | 26.00 | 9.00 |
| ЕШСП15 К | Шарнирный подшипник. Канавка и отверстие для смазки на внутреннем и наружном кольцах.. | 15.00 | 26.00 | 9.00 |
| 6-876704 КШ1 | Шариковый радиально-упорный подшипник. «Замок» (скос) на внутреннем кольце плюс массивный сепаратор из текстолита. Нормы шумности. | 14.90 | 26.90 | 7.15 |
| 6-876704 КШ | Шариковый радиально-упорный подшипник. «Замок» (скос) на внутреннем кольце плюс массивный сепаратор из текстолита. Нормы шумности. | 14.90 | 26.90 | 7.15 |
| 51102 V/HR11Q1 | Шариковый упорный подшипник. Подшипник без сепаратора. С полным комплектом тел качения. | 15.00 | 26.00 | 9.00 |
| 51102 V/HR11T1 | Шариковый упорный подшипник. Подшипник без сепаратора. С полным комплектом тел качения. | 15.00 | 26.00 | 9.00 |
| 51102 V/HR22T2 | Шариковый упорный подшипник. Подшипник без сепаратора. С полным комплектом тел качения. | 15.00 | 26.00 | 9.00 |
| DL15 | Шариковый упорный подшипник. Однорядный. | 15.00 | 26.00 | 9.00 |
| 1008902-Ю | Шариковый упорный однорядный подшипник. Все детали или часть деталей из нержавеющей стали.. | 15.00 | 26.00 | 7.00 |
Способы доставки
Отправка через ведущие транспортные и курьерские компании: ПЭК, Деловые Линии, СДЭК, Байкал-Сервис, Энергия, КИТ, ЖелДорЭкспедиция.
Самовывоз возможен напрямую со склада в Москве.
Сроки доставки
Срок зависит от региона и выбранной транспортной компании. Все заказы комплектуются и отправляются в кратчайшие сроки со склада в Москве.
Надёжность и сохранность
Вся продукция упаковывается с учётом требований транспортировки. Мы гарантируем, что подшипники и комплектующие прибудут к заказчику в полной сохранности.
Доставка в страны ЕАЭС
Мы работаем с проверенными логистическими партнёрами, что позволяет оперативно доставлять заказы в Беларусь, Казахстан, Армению и другие страны ЕАЭС.
Варианты оплаты:
Минимальная сумма заказа и скидки:
Документы и гарантии:
Да, конечно! Наши технические специалисты готовы помочь вам с подбором точного аналога или замены подшипника. Просто позвоните нам по телефону +7 (495) 104-99-04 или напишите на почту zakaz@podsnab.ru.
Для оперативной консультации подготовьте, пожалуйста, имеющиеся данные: маркировку, размеры, тип оборудования или артикул старого подшипника.
Да, конечно! Мы высоко ценим долгосрочное сотрудничество и доверие клиентов по всей России. Для постоянных клиентов действует персональная система скидок.
Условия формируются индивидуально и зависят от:
Чтобы узнать свои условия и получить максимально выгодное предложение, свяжитесь с персональным менеджером или напишите нам на почту zakaz@podsnab.ru.
Вы можете оформить заказ несколькими способами:
Для оформления заказа от юридического лица свяжитесь с нашим отделом по работе с корпоративными клиентами по телефону +7 (495) 104-99-04 или напишите на email zakaz@podsnab.ru, прикрепив реквизиты вашей организации.
Мы оперативно подготовим коммерческое предложение и выставим счет.
Возврат товара надлежащего качества возможен в течение 10 дней с момента получения, если товар не был в употреблении, сохранен товарный вид, упаковка не вскрывалась и присутствуют все сопроводительные документы.
Возврат денежных средств осуществляется в течение 10 рабочих дней после проверки товара складом.
В соответствии с законодательством возврату не подлежат подшипники надлежащего качества, если отсутствует оригинальная упаковка или имеются следы монтажа.
В случае выявления брака или гарантийного случая мы гарантируем возврат или обмен товара.
Да, гарантийный срок хранения устанавливается заводом-изготовителем и в среднем составляет 2 года при соблюдении условий хранения: сухое помещение, оригинальная упаковка и смазка.
Точный срок для конкретного типа подшипника уточняйте у наших менеджеров.
Пн–Пт: с 8:00 до 17:00 (МСК).
Сб–Вс: выходные дни.
Заказы на сайте принимаются круглосуточно. Заявки, поступившие после окончания рабочего дня, обрабатываются на следующий рабочий день.
Минимальная сумма заказа для доставки составляет 3000 рублей. Самовывоз со склада возможен на любую сумму при наличии товара.
ООО «УралТехГрупп»
ИНН: 7415093830
КПП: 772401001
ОГРН: 1167456069021
Банк: ПАО Сбербанк
Р/с: 40702810838000475273
К/с: 30101810400000000225
БИК: 044525225
У подшипника GACZ 010 S пока нет отзывов. Вы можете стать первым покупателем, поделившимся своим мнением.