Поиск подшипника
Статьи
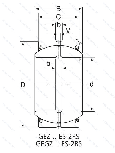
GEGZ 212 ES2RS — Сферический подшипник скольжения, модификация основного исполнения GEGZ212ES, производство NIS.
Размер подшипника: 69x120x70 мм.
Международная стандартизации ISO
GEGZ212ES2RS
В наличии
| Обозначение | Конструктивные изменения |
|---|---|
| GEGZ 212 ES |
Модификации сферического подшипника GEGZ 212 ES2RS — это измененное основное конструктивное исполнение GEGZ212ES, основные размеры (69x120x70) не отличаются.
| Обозначение | Гост | Конструктивные особенности |
|---|---|---|
| GE70FW.2RS | ISO | Контактные уплотнения типа RS с обеих сторон игольчатого роликоподшипника. СкользящаКонтактная поверхность из хром/PTFE. Широкое внутреннее кольцо. Антизадирная пластичная смазка. |
| GE70FO | ISO | Скользящая контактная поверхность сталь/сталь, более широкое внутреннее кольцо.. |
| GE70FO-2RS | ISO | Контактные уплотнения типа RS с обеих сторон игольчатого роликоподшипника. Механически обработанный сепаратор из стали или специального чугуна. Антизадирная пластичная смазка. |
| GEG70ES.2RS | ISO | Повышенной грузоподъемности. Прорезиненное уплотнение с двух сторон. Разъемное наружное кольцо со смазочными отверстиями. |
| GEGZ 212 ES | ISO | Сферический подшипник скольжения. |
| GE70GS-2RS | ISO | Контактное уплотнение с обеих сторон. Подшипник с предварительным натягом и цилиндрическим наружним кольцом. |
| GEH70ES-2RS | ISO | Резиновые уплотнения с каждой стороны подшипника. |
| GEH70ES | ISO | Разъемное наружное кольцо со смазочными отверстиями. |
| GEH70ES-2LS | ISO | A Triple Lip Elastomer Seal. With A Steel Backing. On Each Side Of The Bearing (-25°C/+120°C). Разъемное наружное кольцо со смазочными отверстиями. |
| GE70GS | ISO | Подшипник с предварительным натягом и цилиндрическим наружним кольцом. |
| GE70-FO-2RS-HLG | ISO | Манжетное уплотнение с двух сторон. Стальная скользящая контактная поверхность. Более широкое внутреннее кольцо. Код местонахождения завода. может использоваться в стандартной комплектации. |
| GE70-FO-2RS-HLN | ISO | Манжетное уплотнение с двух сторон. Стальная скользящая контактная поверхность. Более широкое внутреннее кольцо. Код местонахождения завода. может использоваться в стандартной комплектации. |
| GE70-FW-2TS | ISO | СкользящаКонтактная поверхность из хром/PTFE. Широкое внутреннее кольцо. Two Teflon Seals Reinforced With Z-Shields. |
| GE70FW-2RSA | ISO | Особенность внутренней конструкции. Манжетное уплотнение с двух сторон. СкользящаКонтактная поверхность из хром/PTFE. Широкое внутреннее кольцо. |
Аналог сферического подшипника GEGZ 212 ES2RS — это подшипник такого же размера dx69,Dx120,Bx70, типа и конструкции.
| Обозначение | Конструктивные особенности | Внутренний (d) | Наружный (D) | Ширина (B) |
|---|---|---|---|---|
| 130069X/130120G | Роликовый радиальный-упорный двухрядный подшипник. Устройство повторного смазывания со смазочной канавкой и отверстием на внешнем кольце. | 69.85 | 120.00 | 71.00 |
| 130070/130120G | Роликовый радиальный-упорный двухрядный подшипник. Устройство повторного смазывания со смазочной канавкой и отверстием на внешнем кольце. | 70.00 | 120.00 | 71.00 |
| 130070/130120H | Роликовый радиальный-упорный двухрядный подшипник. Pressed Snap-Type Steel Cage. Hardened. | 70.00 | 120.00 | 71.00 |
| GEG70ES | Шарнирный подшипник. Повышенной грузоподъемности. Разъемное наружное кольцо со смазочными отверстиями. | 70.00 | 120.00 | 70.00 |
| GEG70ET-2RS | Шарнирный подшипник. Резиновые уплотнения с каждой стороны подшипника. Сквозная закалка и шлифовка стали с переломом в одной точке. | 70.00 | 120.00 | 70.00 |
| GEGZ69ES | Шарнирный подшипник. Разъемное наружное кольцо со смазочными отверстиями. | 69.85 | 120.65 | 70.87 |
| GE 070 XES-2RS | Шарнирный подшипник. Контактные уплотнения типа RS с обеих сторон игольчатого роликоподшипника. Габаритные размеры отличаются от стандарта ISO или опорные ролики с цилиндрической наружной поверхностью. Антизадирная пластичная смазка. | 70.00 | 120.00 | 70.00 |
| GE 070 HS-2RS | Шарнирный подшипник. Контактные уплотнения типа RS с обеих сторон игольчатого роликоподшипника. Антизадирная пластичная смазка. | 70.00 | 120.00 | 70.00 |
| GE 070 XES | Шарнирный подшипник. Габаритные размеры отличаются от стандарта ISO или опорные ролики с цилиндрической наружной поверхностью. Антизадирная пластичная смазка. | 70.00 | 120.00 | 70.00 |
| GE 070 HCR-2RS | Шарнирный подшипник. Контактные уплотнения типа RS с обеих сторон игольчатого роликоподшипника. Антизадирная пластичная смазка. | 70.00 | 120.00 | 70.00 |
| GE70XDO-2RS | Шарнирный подшипник. Резиновые уплотнения с каждой стороны подшипника. | 70.00 | 120.00 | 70.00 |
| GEGZ69ES-2RS | Шарнирный подшипник. Резиновые уплотнения с каждой стороны подшипника. Разъемное наружное кольцо со смазочными отверстиями. | 69.85 | 120.65 | 70.87 |
| GEZH 212 ES | Шарнирный подшипник. Разъемное наружное кольцо со смазочными отверстиями. | 69.85 | 120.65 | 70.87 |
| GEZH212ES-2RS | Шарнирный подшипник. Резиновые уплотнения с каждой стороны подшипника. Разъемное наружное кольцо со смазочными отверстиями. | 69.85 | 120.65 | 70.87 |
| GEZH212ES-2LS | Шарнирный подшипник. Контактное уплотнение с обеих сторон подшипника. Разъемное наружное кольцо со смазочными отверстиями. | 69.85 | 120.65 | 70.87 |
Способы доставки
Отправка через ведущие транспортные и курьерские компании: ПЭК, Деловые Линии, СДЭК, Байкал-Сервис, Энергия, КИТ, ЖелДорЭкспедиция.
Самовывоз возможен напрямую со склада в Москве.
Сроки доставки
Срок зависит от региона и выбранной транспортной компании. Все заказы комплектуются и отправляются в кратчайшие сроки со склада в Москве.
Надёжность и сохранность
Вся продукция упаковывается с учётом требований транспортировки. Мы гарантируем, что подшипники и комплектующие прибудут к заказчику в полной сохранности.
Доставка в страны ЕАЭС
Мы работаем с проверенными логистическими партнёрами, что позволяет оперативно доставлять заказы в Беларусь, Казахстан, Армению и другие страны ЕАЭС.
Варианты оплаты:
Минимальная сумма заказа и скидки:
Документы и гарантии:
Да, конечно! Наши технические специалисты готовы помочь вам с подбором точного аналога или замены подшипника. Просто позвоните нам по телефону +7 (495) 104-99-04 или напишите на почту zakaz@podsnab.ru.
Для оперативной консультации подготовьте, пожалуйста, имеющиеся данные: маркировку, размеры, тип оборудования или артикул старого подшипника.
Да, конечно! Мы высоко ценим долгосрочное сотрудничество и доверие клиентов по всей России. Для постоянных клиентов действует персональная система скидок.
Условия формируются индивидуально и зависят от:
Чтобы узнать свои условия и получить максимально выгодное предложение, свяжитесь с персональным менеджером или напишите нам на почту zakaz@podsnab.ru.
Вы можете оформить заказ несколькими способами:
Для оформления заказа от юридического лица свяжитесь с нашим отделом по работе с корпоративными клиентами по телефону +7 (495) 104-99-04 или напишите на email zakaz@podsnab.ru, прикрепив реквизиты вашей организации.
Мы оперативно подготовим коммерческое предложение и выставим счет.
Возврат товара надлежащего качества возможен в течение 10 дней с момента получения, если товар не был в употреблении, сохранен товарный вид, упаковка не вскрывалась и присутствуют все сопроводительные документы.
Возврат денежных средств осуществляется в течение 10 рабочих дней после проверки товара складом.
В соответствии с законодательством возврату не подлежат подшипники надлежащего качества, если отсутствует оригинальная упаковка или имеются следы монтажа.
В случае выявления брака или гарантийного случая мы гарантируем возврат или обмен товара.
Да, гарантийный срок хранения устанавливается заводом-изготовителем и в среднем составляет 2 года при соблюдении условий хранения: сухое помещение, оригинальная упаковка и смазка.
Точный срок для конкретного типа подшипника уточняйте у наших менеджеров.
Пн–Пт: с 8:00 до 17:00 (МСК).
Сб–Вс: выходные дни.
Заказы на сайте принимаются круглосуточно. Заявки, поступившие после окончания рабочего дня, обрабатываются на следующий рабочий день.
Минимальная сумма заказа для доставки составляет 3000 рублей. Самовывоз со склада возможен на любую сумму при наличии товара.
ООО «УралТехГрупп»
ИНН: 7415093830
КПП: 772401001
ОГРН: 1167456069021
Банк: ПАО Сбербанк
Р/с: 40702810838000475273
К/с: 30101810400000000225
БИК: 044525225
У подшипника GEGZ 212 ES2RS пока нет отзывов. Вы можете стать первым покупателем, поделившимся своим мнением.