Поиск подшипника
Статьи
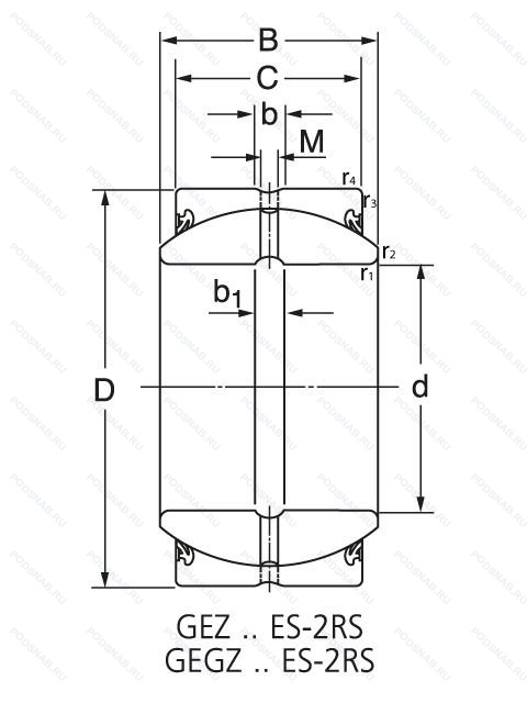
GEGZ 108 ES2RS — Сферический подшипник скольжения, модификация основного исполнения GEGZ108ES, производство NIS.
Размер подшипника: 38x71x40 мм.
Международная стандартизации ISO
GEGZ108ES2RS
В наличии
| Обозначение | Конструктивные изменения |
|---|---|
| GEGZ 108 ES |
Модификации сферического подшипника GEGZ 108 ES2RS — это измененное основное конструктивное исполнение GEGZ108ES, основные размеры (38x71x40) не отличаются.
| Обозначение | Гост | Конструктивные особенности |
|---|---|---|
| BH2428L | ISO | Одно механическое уплотнение. |
| GEGZ 108 ES | ISO | Сферический подшипник скольжения. |
Аналог сферического подшипника GEGZ 108 ES2RS — это подшипник такого же размера dx38,Dx71,Bx40, типа и конструкции.
| Обозначение | Конструктивные особенности | Внутренний (d) | Наружный (D) | Ширина (B) |
|---|---|---|---|---|
| DAC3872W-10 | Подшипник шариковый двухрядный радиально-упорный. Подшипник без смазочных отверстий в наружном кольце. Distance Between Beginning Of The Rail And First Hole In MM. | 38.00 | 72.00 | 40.00 |
| AU0810-1LXL/L260 | Шариковый радиально-упорный двухрядный подшипник. Grease Code. | 38.00 | 72.00 | 40.00 |
| DE0871LLCS32PX1/Z | Шариковый радиально-упорный двухрядный подшипник. Угол контакта 15°. щит из листовой прессованной стали с одной стороны подшипника. | 38.00 | 72.00 | 40.00 |
| DE0871LLCS26PX1/#02 | Шариковый радиально-упорный двухрядный подшипник. Угол контакта 15°. Design. | 38.00 | 72.00 | 40.00 |
| DE08A3LLCS32PX1/5A | Шариковый радиально-упорный двухрядный подшипник. Угол контакта 15°. | 38.00 | 72.00 | 40.00 |
| PW38710039CS | Шариковый радиально-упорный двухрядный подшипник. Высокоуглеродистая сталь. | 38.00 | 71.00 | 39.00 |
| DAC38720040 | Шариковый радиально-упорный двухрядный подшипник. Однорядный радиально-упорный шарикоподшипник с углом контакта 25°. | 38.00 | 72.00 | 40.00 |
| DAC38710039 | Шариковый радиально-упорный двухрядный подшипник. Однорядный радиально-упорный шарикоподшипник с углом контакта 25°. | 38.00 | 71.00 | 39.00 |
| DAC3872B12RSCS42 | Шариковый радиально-упорный двухрядный подшипник. Угол контакта 15 градусов. Угол контакта 40 градусов. | 38.00 | 72.00 | 40.00 |
| GEGZ38ES-2RS | Шарнирный подшипник. Резиновые уплотнения с каждой стороны подшипника. Разъемное наружное кольцо со смазочными отверстиями. | 38.10 | 71.44 | 40.13 |
| GEGZ38ES | Шарнирный подшипник. Разъемное наружное кольцо со смазочными отверстиями. | 38.10 | 71.44 | 40.13 |
| GEZH108ES | Шарнирный подшипник. Разъемное наружное кольцо со смазочными отверстиями. | 38.10 | 71.44 | 40.13 |
| GEZH108ES-2RS | Шарнирный подшипник. Резиновые уплотнения с каждой стороны подшипника. Разъемное наружное кольцо со смазочными отверстиями. | 38.10 | 71.44 | 40.13 |
| GEZH 108 ES-2LS | Шарнирный подшипник. Контактное уплотнение с обеих сторон подшипника. Разъемное наружное кольцо со смазочными отверстиями. | 38.10 | 71.44 | 40.13 |
| GEZH 108 ESX-2LS | Шарнирный подшипник. Контактное уплотнение с обеих сторон подшипника. | 38.10 | 71.44 | 40.13 |
Способы доставки
Отправка через ведущие транспортные и курьерские компании: ПЭК, Деловые Линии, СДЭК, Байкал-Сервис, Энергия, КИТ, ЖелДорЭкспедиция.
Самовывоз возможен напрямую со склада в Москве.
Сроки доставки
Срок зависит от региона и выбранной транспортной компании. Все заказы комплектуются и отправляются в кратчайшие сроки со склада в Москве.
Надёжность и сохранность
Вся продукция упаковывается с учётом требований транспортировки. Мы гарантируем, что подшипники и комплектующие прибудут к заказчику в полной сохранности.
Доставка в страны ЕАЭС
Мы работаем с проверенными логистическими партнёрами, что позволяет оперативно доставлять заказы в Беларусь, Казахстан, Армению и другие страны ЕАЭС.
Варианты оплаты:
Минимальная сумма заказа и скидки:
Документы и гарантии:
Да, конечно! Наши технические специалисты готовы помочь вам с подбором точного аналога или замены подшипника. Просто позвоните нам по телефону +7 (495) 104-99-04 или напишите на почту zakaz@podsnab.ru.
Для оперативной консультации подготовьте, пожалуйста, имеющиеся данные: маркировку, размеры, тип оборудования или артикул старого подшипника.
Да, конечно! Мы высоко ценим долгосрочное сотрудничество и доверие клиентов по всей России. Для постоянных клиентов действует персональная система скидок.
Условия формируются индивидуально и зависят от:
Чтобы узнать свои условия и получить максимально выгодное предложение, свяжитесь с персональным менеджером или напишите нам на почту zakaz@podsnab.ru.
Вы можете оформить заказ несколькими способами:
Для оформления заказа от юридического лица свяжитесь с нашим отделом по работе с корпоративными клиентами по телефону +7 (495) 104-99-04 или напишите на email zakaz@podsnab.ru, прикрепив реквизиты вашей организации.
Мы оперативно подготовим коммерческое предложение и выставим счет.
Возврат товара надлежащего качества возможен в течение 10 дней с момента получения, если товар не был в употреблении, сохранен товарный вид, упаковка не вскрывалась и присутствуют все сопроводительные документы.
Возврат денежных средств осуществляется в течение 10 рабочих дней после проверки товара складом.
В соответствии с законодательством возврату не подлежат подшипники надлежащего качества, если отсутствует оригинальная упаковка или имеются следы монтажа.
В случае выявления брака или гарантийного случая мы гарантируем возврат или обмен товара.
Да, гарантийный срок хранения устанавливается заводом-изготовителем и в среднем составляет 2 года при соблюдении условий хранения: сухое помещение, оригинальная упаковка и смазка.
Точный срок для конкретного типа подшипника уточняйте у наших менеджеров.
Пн–Пт: с 8:00 до 17:00 (МСК).
Сб–Вс: выходные дни.
Заказы на сайте принимаются круглосуточно. Заявки, поступившие после окончания рабочего дня, обрабатываются на следующий рабочий день.
Минимальная сумма заказа для доставки составляет 3000 рублей. Самовывоз со склада возможен на любую сумму при наличии товара.
ООО «УралТехГрупп»
ИНН: 7415093830
КПП: 772401001
ОГРН: 1167456069021
Банк: ПАО Сбербанк
Р/с: 40702810838000475273
К/с: 30101810400000000225
БИК: 044525225
У подшипника GEGZ 108 ES2RS пока нет отзывов. Вы можете стать первым покупателем, поделившимся своим мнением.