Поиск подшипника
Статьи
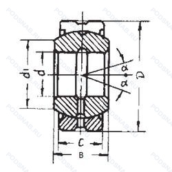
GE17ES-2RS — Сферический подшипник скольжения, модификация основного исполнения GE17ES, выпускается производителями: AKN, ASKUBAL, AST, CHINA, CRAFT, EBC (EX-GPZ), FBJ, FKT, IKO, LS, NEUTRAL, NIS, NKE, SKF, UBC, ZEN.
Размер подшипника: 17x30x14 мм.
Прорезиненное уплотнение с двух сторон, повышенной грузоподъемности.
Альтернативное обозначение: GE17DO-2RS.
Аналоги: GE17-DO-2RS INA,GE17ES-2RS SKF,GE17ES-2RS Askubal,GE17ES-2RS FKT,GE17ES-2RS ISB.
Международная стандартизации ISO
GE17ES2RS
В наличии
| Обозначение | Конструктивные изменения |
|---|---|
| GE17ES | Повышенной грузоподъемности. Разъемное наружное кольцо со смазочными отверстиями. Основное конструктивное исполнение. |
| GE17ES/C2 | Внутренний зазор подшипника меньше нормального. Разъемное наружное кольцо со смазочными отверстиями. |
Модификации сферического подшипника GE17ES-2RS — это измененное основное конструктивное исполнение GE17ES, основные размеры (17x30x14) не отличаются.
| Обозначение | Гост | Конструктивные особенности |
|---|---|---|
| GE17TGR | ISO | d ≤17mm/ Unhardened Stainless Steel X22CrNi 17/1.4057. Pressed Over The Inner Ring. No Butt Joint d ≥20mm/ Hardened Stainless Steel X46Cr 13/1.4034. Hardened.Ground. Fractured At One Position. |
| GE17UK-2RS | ISO | Коническое внутреннее отверстие. Контактные уплотнения типа RS с обеих сторон игольчатого роликоподшипника. Антизадирная пластичная смазка. |
| GE17ET-2RS | ISO | Резиновые уплотнения с каждой стороны подшипника. Сквозная закалка и шлифовка стали с переломом в одной точке. |
| GE16ES | ISO | Разъемное наружное кольцо со смазочными отверстиями. |
| GE17TXGR | ISO | d ≤17mm/ Unhardened Stainless Steel X22CrNi 17/1.4057. Pressed Over The Inner Ring. No Butt Joint d ≥20mm/ Hardened Stainless Steel X46Cr 13/1.4034. Hardened. Ground. Fractured At One Position. |
| GE16EC-NIRO | ISO | Твердый хром/фторопластовый композит и радиальный подшипник - необслуживаемый благодаря внешнему кольцу из фторопластового композита. Внутреннее кольцо закалено. Внешнее кольцо, состоящее из стали и внутренней оболочки монорельса, сжимает внутреннее кольцо.. Нержавеющая сталь.. |
| DGE17ES-2RS | ISO | Манжетное уплотнение с двух сторон. Стальная скользящая контактная поверхность. Разъемное наружное кольцо со смазочными отверстиями. |
| GE17-DO-C3 | ISO | Радиальный внутренний зазор больше нормального. Поверхность контакта скольжения сталь / сталь. |
| DGE16ES | ISO | Разъемное наружное кольцо со смазочными отверстиями. |
| DGE16ES-2RS | ISO | Манжетное уплотнение с двух сторон. Стальная скользящая контактная поверхность. Разъемное наружное кольцо со смазочными отверстиями. |
| DGE17UK-2RS | ISO | Резиновые уплотнения с каждой стороны подшипника. Сталь/политетрафторэтилен (ПТФЭ). |
| DSGE17UK | ISO | Сталь/политетрафторэтилен (ПТФЭ). |
| GE17-DO-HLN | ISO | Поверхность контакта скольжения сталь / сталь. Код местонахождения завода. может использоваться в стандартной комплектации. |
| GE16DO-HLG | ISO | Стальная контактная поверхность скольжения. Внутреннее и наружное кольца закалены. Код местонахождения завода. может использоваться в стандартной комплектации. |
| ETLD17-63(R) | ISO | С выпуклыми асимметричными роликами и обработанным сепаратором. 3.15/16. |
| GE17UK-2RSA | ISO | Контактная поверхность скольжения хром/PTFE композит. Special Seals. |
| GE17-DO-C2 | ISO | Внутренний зазор подшипника меньше нормального. Поверхность контакта скольжения сталь / сталь. |
| GE17-DO-HLN-C2 | ISO | Внутренний зазор подшипника меньше нормального. Поверхность контакта скольжения сталь / сталь. Код местонахождения завода. может использоваться в стандартной комплектации. |
| GE17EC | ISO | Хром/PTFE композит и радиальный подшипник. Не требует обслуживания благодаря тефлоновому композитному наружному кольцу. Внутреннее кольцо закалено.. |
| GE17DO.B | ISO | Конический роликовый подшипник. Угол контакта 20 градусов. Сталь. Внутреннее и внешнее кольцо закалены. |
Аналог сферического подшипника GE17ES-2RS — это подшипник такого же размера dx17,Dx30,Bx14, типа и конструкции.
| Обозначение | Конструктивные особенности | Внутренний (d) | Наружный (D) | Ширина (B) |
|---|---|---|---|---|
| NA4903TT | Роликовый игольчатый подшипник однорядный. Комплект из трех согласованных однорядных радиально-упорных шарикоподшипников или радиально-упорных шарикоподшипников, расположенных тандемно. | 17.00 | 30.00 | 14.00 |
| NK18X29X14 | Роликовый игольчатый подшипник однорядный. Изменённая фаска. | 18.00 | 29.00 | 14.00 |
| NA4903M | Роликовый игольчатый подшипник однорядный. Подшипник с латунным сепаратором. центрированный по телам качения. | 17.00 | 30.00 | 13.00 |
| 1 ЕШСП17 К | Шарнирный подшипник. Канавка и отверстие для смазки на внутреннем и наружном кольцах.. | 17.00 | 30.00 | 14.00 |
| GE17N | Шарнирный подшипник. Канавка под стопорное кольцо на внешнем кольце. | 17.00 | 30.00 | 14.00 |
| GE 017 ES | Шарнирный подшипник. Антизадирная пластичная смазка. | 17.00 | 30.00 | 14.00 |
| GE 016 ES | Шарнирный подшипник. Антизадирная пластичная смазка. | 16.00 | 30.00 | 14.00 |
| GE 017 ECR | Шарнирный подшипник. Антизадирная пластичная смазка. | 17.00 | 30.00 | 14.00 |
| GE 016 ES-2RS | Шарнирный подшипник. Контактные уплотнения типа RS с обеих сторон игольчатого роликоподшипника. Антизадирная пластичная смазка. | 16.00 | 30.00 | 14.00 |
| GE 017 ES-2RS | Шарнирный подшипник. Контактные уплотнения типа RS с обеих сторон игольчатого роликоподшипника. Антизадирная пластичная смазка. | 17.00 | 30.00 | 14.00 |
| GE 017 ECR-2RS | Шарнирный подшипник. Контактные уплотнения типа RS с обеих сторон игольчатого роликоподшипника. Антизадирная пластичная смазка. | 17.00 | 30.00 | 14.00 |
| GE16DO-2RS | Шарнирный подшипник. Резиновые уплотнения с каждой стороны подшипника. Прессованный стальной сепаратор. Вращающийся элемент по центру. Незакаленный. | 16.00 | 30.00 | 14.00 |
| GE17ET/X | Шарнирный подшипник. Измененные размеры границ. введенные пересмотренными стандартами ISO. Сквозная закалка и шлифовка стали с переломом в одной точке. | 17.00 | 30.00 | 14.00 |
| SAR1-17 | Шарнирный подшипник. 1.1/16. | 17.00 | 30.00 | 14.00 |
| 1-ЕШСП17 КИ | Шарнирный подшипник. Канавка и отверстие для смазки на внутреннем и наружном кольцах.. Поверхность скольжения покрыта дисульфидом молибдена.. | 17.00 | 30.00 | 14.00 |
Способы доставки
Отправка через ведущие транспортные и курьерские компании: ПЭК, Деловые Линии, СДЭК, Байкал-Сервис, Энергия, КИТ, ЖелДорЭкспедиция.
Самовывоз возможен напрямую со склада в Москве.
Сроки доставки
Срок зависит от региона и выбранной транспортной компании. Все заказы комплектуются и отправляются в кратчайшие сроки со склада в Москве.
Надёжность и сохранность
Вся продукция упаковывается с учётом требований транспортировки. Мы гарантируем, что подшипники и комплектующие прибудут к заказчику в полной сохранности.
Доставка в страны ЕАЭС
Мы работаем с проверенными логистическими партнёрами, что позволяет оперативно доставлять заказы в Беларусь, Казахстан, Армению и другие страны ЕАЭС.
Варианты оплаты:
Минимальная сумма заказа и скидки:
Документы и гарантии:
Да, конечно! Наши технические специалисты готовы помочь вам с подбором точного аналога или замены подшипника. Просто позвоните нам по телефону +7 (495) 104-99-04 или напишите на почту zakaz@podsnab.ru.
Для оперативной консультации подготовьте, пожалуйста, имеющиеся данные: маркировку, размеры, тип оборудования или артикул старого подшипника.
Да, конечно! Мы высоко ценим долгосрочное сотрудничество и доверие клиентов по всей России. Для постоянных клиентов действует персональная система скидок.
Условия формируются индивидуально и зависят от:
Чтобы узнать свои условия и получить максимально выгодное предложение, свяжитесь с персональным менеджером или напишите нам на почту zakaz@podsnab.ru.
Вы можете оформить заказ несколькими способами:
Для оформления заказа от юридического лица свяжитесь с нашим отделом по работе с корпоративными клиентами по телефону +7 (495) 104-99-04 или напишите на email zakaz@podsnab.ru, прикрепив реквизиты вашей организации.
Мы оперативно подготовим коммерческое предложение и выставим счет.
Возврат товара надлежащего качества возможен в течение 10 дней с момента получения, если товар не был в употреблении, сохранен товарный вид, упаковка не вскрывалась и присутствуют все сопроводительные документы.
Возврат денежных средств осуществляется в течение 10 рабочих дней после проверки товара складом.
В соответствии с законодательством возврату не подлежат подшипники надлежащего качества, если отсутствует оригинальная упаковка или имеются следы монтажа.
В случае выявления брака или гарантийного случая мы гарантируем возврат или обмен товара.
Да, гарантийный срок хранения устанавливается заводом-изготовителем и в среднем составляет 2 года при соблюдении условий хранения: сухое помещение, оригинальная упаковка и смазка.
Точный срок для конкретного типа подшипника уточняйте у наших менеджеров.
Пн–Пт: с 8:00 до 17:00 (МСК).
Сб–Вс: выходные дни.
Заказы на сайте принимаются круглосуточно. Заявки, поступившие после окончания рабочего дня, обрабатываются на следующий рабочий день.
Минимальная сумма заказа для доставки составляет 3000 рублей. Самовывоз со склада возможен на любую сумму при наличии товара.
ООО «УралТехГрупп»
ИНН: 7415093830
КПП: 772401001
ОГРН: 1167456069021
Банк: ПАО Сбербанк
Р/с: 40702810838000475273
К/с: 30101810400000000225
БИК: 044525225
У подшипника GE17ES-2RS пока нет отзывов. Вы можете стать первым покупателем, поделившимся своим мнением.