Поиск подшипника
Статьи
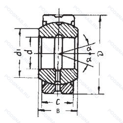
GE50ES-2RS — Сферический подшипник скольжения, модификация основного исполнения GE50, выпускается производителями: AKN, AST, CHINA, CRAFT, CX, ELGES, FBJ, IKO, JFK, LK, LS, NEUTRAL, NIS, NKE, SKF, ZEN.
Размер подшипника: 50x75x35 мм.
Широкий подшипник с внутренним кольцом и метрическим отверстием, прорезиненное уплотнение с двух сторон, разъемное наружное кольцо со смазочными отверстиями, повышенной грузоподъемности.
Альтернативное обозначение: GE50DO-2RS.
Аналоги: GE50-DO-2RS INA,GE50-DO-2RS Elges,GE50ES-2RS SKF.
Международная стандартизации ISO
GE50ES2RS
В наличии
| Обозначение | Конструктивные изменения |
|---|---|
| GE50-KTT-B | Подшипник со сферическим наружным кольцом. Тройные манжетные уплотнения с обеих сторон подшипника (Т-образное уплотнение). |
| GE50GS | Подшипник с предварительным натягом и цилиндрическим наружним кольцом. |
| GE50-XL-KRR-B-FA101 | Подшипник со сферическим наружным кольцом. Серия X-Life премиум-класс. увеличиный срок службы. Манжетные уплотнения с обеих сторон (уплотнение типа R - имеет оцинкованные внутреннюю и внешнюю крышки. Между крышками имеется уплотнительная кромка NBR. идущая по шлифованному буртику). Высоко и низкотемпературная конструкция -40℃ / +180℃. |
| GE50-XL-KRR-B-FA164 | Подшипник со сферическим наружным кольцом. Серия X-Life премиум-класс. увеличиный срок службы. Манжетные уплотнения с обеих сторон (уплотнение типа R - имеет оцинкованные внутреннюю и внешнюю крышки. Между крышками имеется уплотнительная кромка NBR. идущая по шлифованному буртику). Высокотемпературная конструкция до +250°C. |
| GE50-2RS | Манжетное уплотнение с двух сторон. |
| GE50-DO-C2 | Внутренний зазор подшипника меньше нормального. Поверхность контакта скольжения сталь / сталь. |
| GE50-DO-C3 | Радиальный внутренний зазор больше нормального. Поверхность контакта скольжения сталь / сталь. |
| GE50-DO-2RS-C3 | Радиальный внутренний зазор больше нормального. Манжетное уплотнение с двух сторон. Стальная контактная поверхность скольжения. Внутреннее и наружное кольца закалены. |
| GE50-UK-2RS-W7-W11 | Манжетное уплотнение с двух сторон. Контактная поверхность скольжения хром/PTFE композит. For Low Contact Pressures (starting As Low As 1 N/Mm2) And Minimal Friction. Inner Ring Bore With ELGOGLIDE Lining_ Inside Diameter D Reduced By 1.08 mm (dNEW = d – 1.08). |
| GE50-UK-2TS-W11 | Контактная поверхность скольжения хром/PTFE композит. Two Teflon Seals Reinforced With Z-Shields. Для низкого контактного давления (начиная с 1 Н/м2) и минимального трения. |
| GE50-FW-2TS-W11 | СкользящаКонтактная поверхность из хром/PTFE. Широкое внутреннее кольцо. Two Teflon Seals Reinforced With Z-Shields. Для низкого контактного давления (начиная с 1 Н/м2) и минимального трения. |
| GE50-FW-2TS | СкользящаКонтактная поверхность из хром/PTFE. Широкое внутреннее кольцо. Two Teflon Seals Reinforced With Z-Shields. |
| GE50-UK-2RS-W3 | Манжетное уплотнение с двух сторон. Контактная поверхность скольжения хром/PTFE композит. Inner Ring Made From Corrosion-Resistant Steel. |
| GE50-FO-2TS | Стальная скользящая контактная поверхность. Более широкое внутреннее кольцо. Two Teflon Seals Reinforced With Z-Shields. |
| GE50-KRR-B-FA125.5 | Подшипник со сферическим наружным кольцом. Манжетные уплотнения с обеих сторон (уплотнение типа R - имеет оцинкованные внутреннюю и внешнюю крышки. Между крышками имеется уплотнительная кромка NBR. идущая по шлифованному буртику). Distance Between Beginning Of The Rail And First Hole In MM. С покрытием Corrotect®, защищено от коррозии. |
| GE50-KLL-B | Подшипник со сферическим наружным кольцом. BALL BEARING. CONRAD TYPE. INDUSTRIAL POWER TRANSMISSION. DOUBLE MECHANI-SEAL. |
| GE50E | Разъемное наружное кольцо без смазочного отверстия. |
| GE50ES-2RS/C2 | Внутренний зазор подшипника меньше нормального. Double-Lip Rubbing Seals Of Metric Bearings Are Made Of Polyester Elastomer (-30°C/+130°C). Inch-Size Bearings Are Made Of Polyurethane (-20°C/+80°C). Разъемное наружное кольцо со смазочными отверстиями. |
| GE50TGR-2RS | Резиновые уплотнения с каждой стороны подшипника. d ≤17mm/ Unhardened Stainless Steel X22CrNi 17/1.4057. Pressed Over The Inner Ring. No Butt Joint d ≥20mm/ Hardened Stainless Steel X46Cr 13/1.4034. Hardened.Ground. Fractured At One Position. |
| GE50KRR | Манжетные уплотнения с обеих сторон (уплотнение типа R - имеет оцинкованные внутреннюю и внешнюю крышки. Между крышками имеется уплотнительная кромка NBR. идущая по шлифованному буртику). |
| GE50ET/X | Измененные размеры границ. введенные пересмотренными стандартами ISO. Сквозная закалка и шлифовка стали с переломом в одной точке. |
| GE50ET/X-2RS | Резиновые уплотнения с каждой стороны подшипника. Измененные размеры границ. введенные пересмотренными стандартами ISO. Сквозная закалка и шлифовка стали с переломом в одной точке. |
| GE50N | Канавка под стопорное кольцо на внешнем кольце. |
| GE50XDO-2RS | Резиновые уплотнения с каждой стороны подшипника. |
| GE50/80XDO-2RS | Резиновые уплотнения с каждой стороны подшипника. |
Модификации сферического подшипника GE50ES-2RS — это измененное основное конструктивное исполнение GE50, основные размеры (50x75x35) не отличаются.
| Обозначение | Гост | Конструктивные особенности |
|---|---|---|
| MB50SS | ISO | Две резиновые защитные шайбы. |
| SCHS50 | ISO | Сферический подшипник скольжения. |
| 16-356 | ISO | Сферический подшипник скольжения. |
| DGE50ES | ISO | Разъемное наружное кольцо со смазочными отверстиями. |
| SA1-50BSS | ISO | one-piece outer ring with fractured split. Герметичный подшипник. |
| SR50 | ISO | Сферический подшипник скольжения. |
| 50FSBB75 | ISO | Сферический подшипник скольжения. |
Аналог сферического подшипника GE50ES-2RS — это подшипник такого же размера dx50,Dx75,Bx35, типа и конструкции.
| Обозначение | Конструктивные особенности | Внутренний (d) | Наружный (D) | Ширина (B) |
|---|---|---|---|---|
| GIR50UK-2RS | Сферический шарнирный подшипник. Уплотнения с обеих сторон.. Сталь/фторопластовая ткань.. | 50.00 | 114.00 | 35.00 |
| SA50ES-2RS | Сферический шарнирный подшипник. Измененная или модифицированная внутренняя конструкция при неизменных основных размерах. Double-Lip Rubbing Seals Of Metric Bearings Are Made Of Polyester Elastomer (-30°C/+130°C). Inch-Size Bearings Are Made Of Polyurethane (-20°C/+80°C). Сталь. Кольцевые канавки и смазочные отверстия как во внутреннем. так и во внешнем кольцах. | 50.00 | 75.00 | 35.00 |
| SA50ES | Сферический шарнирный подшипник. Измененная или модифицированная внутренняя конструкция при неизменных основных размерах. Разъемное наружное кольцо со смазочными отверстиями. | 50.00 | 75.00 | 35.00 |
| SI50ES | Сферический шарнирный подшипник. Разъемное наружное кольцо со смазочными отверстиями. | 50.00 | 114.00 | 35.00 |
| ШЛТ50 | Шарнирный подшипник. Без отверстий и канавок для смазки. | 50.00 | 75.00 | 35.00 |
| ШЛТ50 ЮТ | Шарнирный подшипник. Температура отпуска. 160°. Одно или два кольца из нержавеющей стали.. Без отверстий и канавок для смазки. | 50.00 | 75.00 | 35.00 |
| ШН50 ЮТ | Шарнирный подшипник. Температура отпуска. 160°. Одно или два кольца из нержавеющей стали.. Неразъемный без отверстий и канавок для смазки. | 50.00 | 75.00 | 35.00 |
| ШСП50 К1 | Шарнирный подшипник. Канавка и отверстие для смазки на наружном кольце.. С отверстиями и канавками для смазки во внутреннем кольце. | 50.00 | 75.00 | 35.00 |
| 1-ШСП50 К | Шарнирный подшипник. Канавка и отверстие для смазки на внутреннем и наружном кольцах.. С отверстиями и канавками для смазки во внутреннем кольце. | 50.00 | 75.00 | 35.00 |
| GE 050 ES | Шарнирный подшипник. Антизадирная пластичная смазка. | 50.00 | 75.00 | 35.00 |
| GE 050 ECR-2RS | Шарнирный подшипник. Контактные уплотнения типа RS с обеих сторон игольчатого роликоподшипника. Антизадирная пластичная смазка. | 50.00 | 75.00 | 35.00 |
| GE 050 ES-2RS | Шарнирный подшипник. Контактные уплотнения типа RS с обеих сторон игольчатого роликоподшипника. Антизадирная пластичная смазка. | 50.00 | 75.00 | 35.00 |
| SAR1-50 | Шарнирный подшипник. Fill Factor %. | 50.00 | 75.00 | 35.00 |
| 1-ШСП50 | Шарнирный подшипник. С отверстиями и канавками для смазки во внутреннем кольце. | 50.00 | 90.00 | 35.00 |
| 1-ШСП50 КИ | Шарнирный подшипник. Канавка и отверстие для смазки на внутреннем и наружном кольцах.. Поверхность скольжения покрыта дисульфидом молибдена.. С отверстиями и канавками для смазки во внутреннем кольце. | 50.00 | 75.00 | 35.00 |
Способы доставки
Отправка через ведущие транспортные и курьерские компании: ПЭК, Деловые Линии, СДЭК, Байкал-Сервис, Энергия, КИТ, ЖелДорЭкспедиция.
Самовывоз возможен напрямую со склада в Москве.
Сроки доставки
Срок зависит от региона и выбранной транспортной компании. Все заказы комплектуются и отправляются в кратчайшие сроки со склада в Москве.
Надёжность и сохранность
Вся продукция упаковывается с учётом требований транспортировки. Мы гарантируем, что подшипники и комплектующие прибудут к заказчику в полной сохранности.
Доставка в страны ЕАЭС
Мы работаем с проверенными логистическими партнёрами, что позволяет оперативно доставлять заказы в Беларусь, Казахстан, Армению и другие страны ЕАЭС.
Варианты оплаты:
Минимальная сумма заказа и скидки:
Документы и гарантии:
Да, конечно! Наши технические специалисты готовы помочь вам с подбором точного аналога или замены подшипника. Просто позвоните нам по телефону +7 (495) 104-99-04 или напишите на почту zakaz@podsnab.ru.
Для оперативной консультации подготовьте, пожалуйста, имеющиеся данные: маркировку, размеры, тип оборудования или артикул старого подшипника.
Да, конечно! Мы высоко ценим долгосрочное сотрудничество и доверие клиентов по всей России. Для постоянных клиентов действует персональная система скидок.
Условия формируются индивидуально и зависят от:
Чтобы узнать свои условия и получить максимально выгодное предложение, свяжитесь с персональным менеджером или напишите нам на почту zakaz@podsnab.ru.
Вы можете оформить заказ несколькими способами:
Для оформления заказа от юридического лица свяжитесь с нашим отделом по работе с корпоративными клиентами по телефону +7 (495) 104-99-04 или напишите на email zakaz@podsnab.ru, прикрепив реквизиты вашей организации.
Мы оперативно подготовим коммерческое предложение и выставим счет.
Возврат товара надлежащего качества возможен в течение 10 дней с момента получения, если товар не был в употреблении, сохранен товарный вид, упаковка не вскрывалась и присутствуют все сопроводительные документы.
Возврат денежных средств осуществляется в течение 10 рабочих дней после проверки товара складом.
В соответствии с законодательством возврату не подлежат подшипники надлежащего качества, если отсутствует оригинальная упаковка или имеются следы монтажа.
В случае выявления брака или гарантийного случая мы гарантируем возврат или обмен товара.
Да, гарантийный срок хранения устанавливается заводом-изготовителем и в среднем составляет 2 года при соблюдении условий хранения: сухое помещение, оригинальная упаковка и смазка.
Точный срок для конкретного типа подшипника уточняйте у наших менеджеров.
Пн–Пт: с 8:00 до 17:00 (МСК).
Сб–Вс: выходные дни.
Заказы на сайте принимаются круглосуточно. Заявки, поступившие после окончания рабочего дня, обрабатываются на следующий рабочий день.
Минимальная сумма заказа для доставки составляет 3000 рублей. Самовывоз со склада возможен на любую сумму при наличии товара.
ООО «УралТехГрупп»
ИНН: 7415093830
КПП: 772401001
ОГРН: 1167456069021
Банк: ПАО Сбербанк
Р/с: 40702810838000475273
К/с: 30101810400000000225
БИК: 044525225
У подшипника GE50ES-2RS пока нет отзывов. Вы можете стать первым покупателем, поделившимся своим мнением.