Поиск подшипника
Статьи
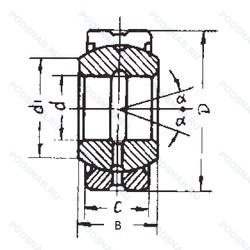
GE90ES-2RS — Сферический подшипник скольжения, модификация основного исполнения GE90, выпускается производителями: ARB, AST, CHINA, CRAFT, ELGES, FBJ, IKO, LDI, LS, NEUTRAL, NIS, NIS, SKF, ZEN.
Размер подшипника: 90x130x60 мм.
Широкий подшипник с внутренним кольцом и метрическим отверстием, прорезиненное уплотнение с двух сторон, разъемное наружное кольцо со смазочными отверстиями, повышенной грузоподъемности.
Альтернативное обозначение: GE90DO-2RS.
Аналоги: GE90DO-2RS INA,GE90DO-2RS Elges,GE90-DO-2RS INA,GE90ES-2RS IKO,GE90ES-2RS LSK Bearings,GE90ES-2RS LDI,GE90ES-2RS China.
Международная стандартизации ISO
GE90ES2RS
В наличии
| Обозначение | Конструктивные изменения |
|---|---|
| GE90ES-2LS | A Triple Lip Elastomer Seal. With A Steel Backing. On Each Side Of The Bearing (-25°C/+120°C). Разъемное наружное кольцо со смазочными отверстиями. |
| GE90-KTT-B | Подшипник со сферическим наружным кольцом. Тройные манжетные уплотнения с обеих сторон подшипника (Т-образное уплотнение). |
| GE90-DO-HLN | Поверхность контакта скольжения сталь / сталь. Код местонахождения завода. может использоваться в стандартной комплектации. |
| GE90ES/VE281 | Разъемное наружное кольцо со смазочными отверстиями. |
| GE90ESX-2LS | A Triple Lip Elastomer Seal. With A Steel Backing. On Each Side Of The Bearing (-25°C/+120°C). Не требует обслуживания - смазка на весь срок службы. Оптимизированное стальное соединение. Разъемное наружное кольцо с отверстиями для смазки. |
| GE90-HO-2RS | Манжетное уплотнение с двух сторон. Стальная cкользящая контактная поверхность. Цилиндрическое расширение на внутреннем кольце. |
| GE90TXG3A-2LS | A Triple Lip Elastomer Seal. With A Steel Backing. On Each Side Of The Bearing (-25°C/+120°C). Stainless Steel X46Cr13/1.4034. Hardened. Ground. Split Two-Piece. Held Together By One Steel Band. |
| GE90CS-2Z | Защитные металлические шайбы с обеих сторон. Высокоуглеродистая сталь. |
| GE90-DO-2RS-HLN | Манжетное уплотнение с двух сторон. Стальная контактная поверхность скольжения. Внутреннее и наружное кольца закалены. Код местонахождения завода. может использоваться в стандартной комплектации. |
| GE90-DO-C2 | Внутренний зазор подшипника меньше нормального. Поверхность контакта скольжения сталь / сталь. |
| GE90-FW-2RS-W11 | Манжетное уплотнение с двух сторон. СкользящаКонтактная поверхность из хром/PTFE. Широкое внутреннее кольцо. For Low Contact Pressures (starting As Low As 1 N/Mm2) And Minimal Friction. |
| GE90-FW-2TS | СкользящаКонтактная поверхность из хром/PTFE. Широкое внутреннее кольцо. Two Teflon Seals Reinforced With Z-Shields. |
| GE90-UK-2RS-W7 | Манжетное уплотнение с двух сторон. Контактная поверхность скольжения хром/PTFE композит. Inner Ring Bore With ELGOGLIDE Lining_ Inside Diameter D Reduced By 1.08 mm (dNEW = d – 1.08). |
| GE90-LW-2RS-A | Двухрядный радиально-упорный шарикоподшипник без отверстия для смазки. Резиновые уплотнения с каждой стороны подшипника. |
| GE90-XL-KRR-B | Подшипник со сферическим наружным кольцом. Серия X-Life премиум-класс. увеличиный срок службы. Манжетные уплотнения с обеих сторон (уплотнение типа R - имеет оцинкованные внутреннюю и внешнюю крышки. Между крышками имеется уплотнительная кромка NBR. идущая по шлифованному буртику). |
| GE90TXE-2RS | Double-Lip Rubbing Seals Of Metric Bearings Are Made Of Polyester Elastomer (-30°C/+130°C). Inch-Size Bearings Are Made Of Polyurethane (-20°C/+80°C). Закаленная и шлифованная сталь. Скользящая поверхность покрыта твердым хромом и отполирована. |
| GE90TGR | d ≤17mm/ Unhardened Stainless Steel X22CrNi 17/1.4057. Pressed Over The Inner Ring. No Butt Joint d ≥20mm/ Hardened Stainless Steel X46Cr 13/1.4034. Hardened.Ground. Fractured At One Position. |
| GE90UK-2RSA | Контактная поверхность скольжения хром/PTFE композит. Special Seals. |
| GE90XT-2RS | Резиновые уплотнения с каждой стороны подшипника. Закаленная и шлифованная сталь. Скользящая поверхность покрыта твердым хромом и отполирована. |
| GE90DO-INOX | Стальная контактная поверхность скольжения. Внутреннее и наружное кольца закалены. Нержавеющая сталь. |
| GE90XT/X-2RS | Резиновые уплотнения с каждой стороны подшипника. Измененные размеры границ. введенные пересмотренными стандартами ISO. Закаленная и шлифованная сталь. Скользящая поверхность покрыта твердым хромом и отполирована. |
| GE90XT/X | Измененные размеры границ. введенные пересмотренными стандартами ISO. Закаленная и шлифованная сталь. Скользящая поверхность покрыта твердым хромом и отполирована. |
| GE90ET-2RS | Резиновые уплотнения с каждой стороны подшипника. Сквозная закалка и шлифовка стали с переломом в одной точке. |
| GE90FW-2RS | Контактные уплотнения типа RS с обеих сторон игольчатого роликоподшипника. СкользящаКонтактная поверхность из хром/PTFE. Широкое внутреннее кольцо. Антизадирная пластичная смазка. |
| GE90XDO-2RS | Резиновые уплотнения с каждой стороны подшипника. |
Модификации сферического подшипника GE90ES-2RS — это измененное основное конструктивное исполнение GE90, основные размеры (90x130x60) не отличаются.
| Обозначение | Гост | Конструктивные особенности |
|---|---|---|
| SR90 2RS | ISO | Double-Lip Rubbing Seals Of Metric Bearings Are Made Of Polyester Elastomer (-30°C/+130°C). Inch-Size Bearings Are Made Of Polyurethane (-20°C/+80°C). |
| DGE90ES | ISO | Разъемное наружное кольцо со смазочными отверстиями. |
| DGE90UK-2RS | ISO | Резиновые уплотнения с каждой стороны подшипника. Сталь/политетрафторэтилен (ПТФЭ). |
Аналог сферического подшипника GE90ES-2RS — это подшипник такого же размера dx90,Dx130,Bx60, типа и конструкции.
| Обозначение | Конструктивные особенности | Внутренний (d) | Наружный (D) | Ширина (B) |
|---|---|---|---|---|
| GIHRK90DO | Сферический шарнирный подшипник. Прессованный стальной сепаратор. Вращающийся элемент по центру. Незакаленный. | 90.00 | 206.00 | 60.00 |
| ШЛТ90 | Шарнирный подшипник. Без отверстий и канавок для смазки. | 90.00 | 130.00 | 60.00 |
| ШСЛ90 К1Т2 | Шарнирный подшипник. 200°. Температура отпуска. Канавка и отверстие для смазки на наружном кольце.. С отверстиями и канавками для смазки во внутреннем кольце. | 90.00 | 130.00 | 60.00 |
| GE 90 ES ПТВ | Шарнирный подшипник. | 90.00 | 130.00 | 60.00 |
| GE 090 ECR-2RS | Шарнирный подшипник. Контактные уплотнения типа RS с обеих сторон игольчатого роликоподшипника. Антизадирная пластичная смазка. | 90.00 | 130.00 | 60.00 |
| GE 090 ES | Шарнирный подшипник. Антизадирная пластичная смазка. | 90.00 | 130.00 | 60.00 |
| GE 090 ES-2RS | Шарнирный подшипник. Контактные уплотнения типа RS с обеих сторон игольчатого роликоподшипника. Антизадирная пластичная смазка. | 90.00 | 130.00 | 60.00 |
| GF 90 DO | Шарнирный подшипник. | 90.00 | 130.00 | 60.00 |
| 90FSF130 | Шарнирный подшипник. | 90.00 | 130.00 | 60.00 |
| SA1-90BSS | Шарнирный подшипник. | 90.00 | 130.00 | 60.00 |
| SA1-90B | Шарнирный подшипник. | 90.00 | 130.00 | 60.00 |
Способы доставки
Отправка через ведущие транспортные и курьерские компании: ПЭК, Деловые Линии, СДЭК, Байкал-Сервис, Энергия, КИТ, ЖелДорЭкспедиция.
Самовывоз возможен напрямую со склада в Москве.
Сроки доставки
Срок зависит от региона и выбранной транспортной компании. Все заказы комплектуются и отправляются в кратчайшие сроки со склада в Москве.
Надёжность и сохранность
Вся продукция упаковывается с учётом требований транспортировки. Мы гарантируем, что подшипники и комплектующие прибудут к заказчику в полной сохранности.
Доставка в страны ЕАЭС
Мы работаем с проверенными логистическими партнёрами, что позволяет оперативно доставлять заказы в Беларусь, Казахстан, Армению и другие страны ЕАЭС.
Варианты оплаты:
Минимальная сумма заказа и скидки:
Документы и гарантии:
Да, конечно! Наши технические специалисты готовы помочь вам с подбором точного аналога или замены подшипника. Просто позвоните нам по телефону +7 (495) 104-99-04 или напишите на почту zakaz@podsnab.ru.
Для оперативной консультации подготовьте, пожалуйста, имеющиеся данные: маркировку, размеры, тип оборудования или артикул старого подшипника.
Да, конечно! Мы высоко ценим долгосрочное сотрудничество и доверие клиентов по всей России. Для постоянных клиентов действует персональная система скидок.
Условия формируются индивидуально и зависят от:
Чтобы узнать свои условия и получить максимально выгодное предложение, свяжитесь с персональным менеджером или напишите нам на почту zakaz@podsnab.ru.
Вы можете оформить заказ несколькими способами:
Для оформления заказа от юридического лица свяжитесь с нашим отделом по работе с корпоративными клиентами по телефону +7 (495) 104-99-04 или напишите на email zakaz@podsnab.ru, прикрепив реквизиты вашей организации.
Мы оперативно подготовим коммерческое предложение и выставим счет.
Возврат товара надлежащего качества возможен в течение 10 дней с момента получения, если товар не был в употреблении, сохранен товарный вид, упаковка не вскрывалась и присутствуют все сопроводительные документы.
Возврат денежных средств осуществляется в течение 10 рабочих дней после проверки товара складом.
В соответствии с законодательством возврату не подлежат подшипники надлежащего качества, если отсутствует оригинальная упаковка или имеются следы монтажа.
В случае выявления брака или гарантийного случая мы гарантируем возврат или обмен товара.
Да, гарантийный срок хранения устанавливается заводом-изготовителем и в среднем составляет 2 года при соблюдении условий хранения: сухое помещение, оригинальная упаковка и смазка.
Точный срок для конкретного типа подшипника уточняйте у наших менеджеров.
Пн–Пт: с 8:00 до 17:00 (МСК).
Сб–Вс: выходные дни.
Заказы на сайте принимаются круглосуточно. Заявки, поступившие после окончания рабочего дня, обрабатываются на следующий рабочий день.
Минимальная сумма заказа для доставки составляет 3000 рублей. Самовывоз со склада возможен на любую сумму при наличии товара.
ООО «УралТехГрупп»
ИНН: 7415093830
КПП: 772401001
ОГРН: 1167456069021
Банк: ПАО Сбербанк
Р/с: 40702810838000475273
К/с: 30101810400000000225
БИК: 044525225
У подшипника GE90ES-2RS пока нет отзывов. Вы можете стать первым покупателем, поделившимся своим мнением.