Поиск подшипника
Статьи
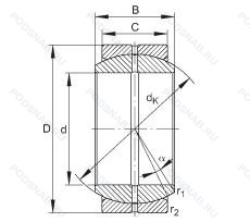
GE10DO — Сферический подшипник скольжения, модификация основного исполнения GE10, выпускается производителями: ASKUBAL, CCVI, CHINA, ELGES, EUROSNODI, FAG, INA, ISO, NEUTRAL.
Размер подшипника: 10x19x9 мм.
Широкий подшипник с внутренним кольцом и метрическим отверстием, прессованный стальной сепаратор. вращающийся элемент по центру. незакаленный.
Альтернативное обозначение: GE10E.
Аналоги: GE10DO Elges,GE10-DO INA,GE10E SKF,GE10E AKN,GE10-DO Askubal,GE10E LS,GE10E BTC,GEG10E LSK Bearings,GE10ES Neutral.
Международная стандартизации ISO
GE10DO
В наличии
| Обозначение | Конструктивные изменения |
|---|---|
| GE10AX | Поверхность контакта скольжения сталь / сталь. Метрический радиальный сферический подшипник скольжения. |
| GE10FO | Стальная скользящая контактная поверхность. Более широкое внутреннее кольцо. Антизадирная пластичная смазка. |
| GE10PB | Сегментный контактный материал. Код S/B = скользящая контактная поверхность из стали/бронзы. Метрический радиальный сферический подшипник скольжения. |
| GE10PW | Контактная поверхность скольжения Сталь/PTFE. Метрический радиальный сферический подшипник скольжения. |
| GE10FW | СкользящаКонтактная поверхность из хром/PTFE. Широкое внутреннее кольцо. Антизадирная пластичная смазка. |
| GE10C | 15° Угол контакта. |
| GE10UK | Контактная поверхность скольжения хром/PTFE композит. Антизадирная пластичная смазка. |
| GE10SP | Точность размеров примерно соответствует классу точности Р5. биения — классу точности Р4. |
| GE10AW | Скользящая контактная поверхность из твердого хрома/Elgoglide®. Антизадирная пластичная смазка. |
| GE10EC | Хром/PTFE композит и радиальный подшипник. Не требует обслуживания благодаря тефлоновому композитному наружному кольцу. Внутреннее кольцо закалено.. |
| GE10E | Повышенной грузоподъемности. |
| GE10SB | Double Row. Angular Contact. Non-Filling Notch Bearing. With Outwardly Convergent Угол контактаs. Rigid Design. |
| GE10G | Сталь. Масляные отверстия и канавки. |
| GE10LO | Стальная скользящая контактная поверхность. Внутреннее кольцо расширено с двух сторон. Одиночный осевой разлом во внешнем кольце. |
| GE10N | Канавка под стопорное кольцо на внешнем кольце. |
| GE10XDO | Сферический подшипник скольжения. |
Модификации сферического подшипника GE10DO — это измененное основное конструктивное исполнение GE10, основные размеры (10x19x9) не отличаются.
| Обозначение | Гост | Конструктивные особенности |
|---|---|---|
| GE10ES | ISO | Запечатанная версия кулачкового ролика. |
| DSGE10UK | ISO | Сталь/политетрафторэтилен (ПТФЭ). |
| GEG10E | ISO | Разъемное наружное кольцо без смазочного отверстия. |
| GE10-DO-C2 | ISO | Внутренний зазор подшипника меньше нормального. Поверхность контакта скольжения сталь / сталь. |
| SAR1-10 | ISO | Distance Between Beginning Of The Rail And First Hole In MM. |
Аналог сферического подшипника GE10DO — это подшипник такого же размера dx10,Dx19,Bx9, типа и конструкции.
| Обозначение | Конструктивные особенности | Внутренний (d) | Наружный (D) | Ширина (B) |
|---|---|---|---|---|
| ШЛТ10 ЮТ | Шарнирный подшипник. Температура отпуска. 160°. Одно или два кольца из нержавеющей стали.. Без отверстий и канавок для смазки. | 10.00 | 20.00 | 9.00 |
| ШМ9 | Шарнирный подшипник. Без отверстий и канавок для смазки.. | 9.00 | 20.00 | 9.00 |
| ШМП10 | Шарнирный подшипник. Без отверстий и канавок для смазки с прорезью на наружном кольце.. | 10.00 | 20.00 | 9.00 |
| ШН10 Ю | Шарнирный подшипник. Одно или два кольца из нержавеющей стали.. Неразъемный без отверстий и канавок для смазки. | 10.00 | 20.00 | 9.00 |
| ШН10 ЮТ | Шарнирный подшипник. Температура отпуска. 160°. Одно или два кольца из нержавеющей стали.. Неразъемный без отверстий и канавок для смазки. | 10.00 | 20.00 | 9.00 |
| ШС9 | Шарнирный подшипник. С отверстиями и канавками для смазки во внутреннем кольце.. | 9.00 | 20.00 | 9.00 |
| 904700-У1С17 | Роликовый радиальный однорядный подшипник. Смазка Литол-24. Дополнительные технические требования. | 10.00 | 19.00 | 9.00 |
| 904700-УС17 | Роликовый радиальный однорядный подшипник. Смазка Литол-24. Дополнительные технические требования. | 10.00 | 19.00 | 9.10 |
| 904700-У | Роликовый радиальный однорядный подшипник. Дополнительные технические требования. | 10.01 | 19.00 | 9.00 |
| ШМ9 ЮТ | Шарнирный подшипник. Температура отпуска. 160°. Одно или два кольца из нержавеющей стали.. Без отверстий и канавок для смазки.. | 9.00 | 20.00 | 9.00 |
| ШС9 ЮТ | Шарнирный подшипник. Температура отпуска. 160°. Одно или два кольца из нержавеющей стали.. С отверстиями и канавками для смазки во внутреннем кольце.. | 9.00 | 20.00 | 9.00 |
| Ш9 ЮТ | Шарнирный подшипник. Температура отпуска. 160°. Одно или два кольца из нержавеющей стали.. Без отверстий и канавок для смазки.. Нормы шумности. | 9.00 | 20.00 | 9.00 |
| GE 010 ES | Шарнирный подшипник. Антизадирная пластичная смазка. | 10.00 | 19.00 | 9.00 |
| GE 010 ECR | Шарнирный подшипник. Антизадирная пластичная смазка. | 10.00 | 19.00 | 9.00 |
| 1-ЕШП10И | Шарнирный подшипник. Поверхность скольжения покрыта дисульфидом молибдена.. | 10.00 | 19.00 | 9.00 |
Способы доставки
Отправка через ведущие транспортные и курьерские компании: ПЭК, Деловые Линии, СДЭК, Байкал-Сервис, Энергия, КИТ, ЖелДорЭкспедиция.
Самовывоз возможен напрямую со склада в Москве.
Сроки доставки
Срок зависит от региона и выбранной транспортной компании. Все заказы комплектуются и отправляются в кратчайшие сроки со склада в Москве.
Надёжность и сохранность
Вся продукция упаковывается с учётом требований транспортировки. Мы гарантируем, что подшипники и комплектующие прибудут к заказчику в полной сохранности.
Доставка в страны ЕАЭС
Мы работаем с проверенными логистическими партнёрами, что позволяет оперативно доставлять заказы в Беларусь, Казахстан, Армению и другие страны ЕАЭС.
Варианты оплаты:
Минимальная сумма заказа и скидки:
Документы и гарантии:
Да, конечно! Наши технические специалисты готовы помочь вам с подбором точного аналога или замены подшипника. Просто позвоните нам по телефону +7 (495) 104-99-04 или напишите на почту zakaz@podsnab.ru.
Для оперативной консультации подготовьте, пожалуйста, имеющиеся данные: маркировку, размеры, тип оборудования или артикул старого подшипника.
Да, конечно! Мы высоко ценим долгосрочное сотрудничество и доверие клиентов по всей России. Для постоянных клиентов действует персональная система скидок.
Условия формируются индивидуально и зависят от:
Чтобы узнать свои условия и получить максимально выгодное предложение, свяжитесь с персональным менеджером или напишите нам на почту zakaz@podsnab.ru.
Вы можете оформить заказ несколькими способами:
Для оформления заказа от юридического лица свяжитесь с нашим отделом по работе с корпоративными клиентами по телефону +7 (495) 104-99-04 или напишите на email zakaz@podsnab.ru, прикрепив реквизиты вашей организации.
Мы оперативно подготовим коммерческое предложение и выставим счет.
Возврат товара надлежащего качества возможен в течение 10 дней с момента получения, если товар не был в употреблении, сохранен товарный вид, упаковка не вскрывалась и присутствуют все сопроводительные документы.
Возврат денежных средств осуществляется в течение 10 рабочих дней после проверки товара складом.
В соответствии с законодательством возврату не подлежат подшипники надлежащего качества, если отсутствует оригинальная упаковка или имеются следы монтажа.
В случае выявления брака или гарантийного случая мы гарантируем возврат или обмен товара.
Да, гарантийный срок хранения устанавливается заводом-изготовителем и в среднем составляет 2 года при соблюдении условий хранения: сухое помещение, оригинальная упаковка и смазка.
Точный срок для конкретного типа подшипника уточняйте у наших менеджеров.
Пн–Пт: с 8:00 до 17:00 (МСК).
Сб–Вс: выходные дни.
Заказы на сайте принимаются круглосуточно. Заявки, поступившие после окончания рабочего дня, обрабатываются на следующий рабочий день.
Минимальная сумма заказа для доставки составляет 3000 рублей. Самовывоз со склада возможен на любую сумму при наличии товара.
ООО «УралТехГрупп»
ИНН: 7415093830
КПП: 772401001
ОГРН: 1167456069021
Банк: ПАО Сбербанк
Р/с: 40702810838000475273
К/с: 30101810400000000225
БИК: 044525225
У подшипника GE10DO пока нет отзывов. Вы можете стать первым покупателем, поделившимся своим мнением.