Поиск подшипника
Статьи
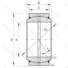
GE100DO-2RS — Сферический подшипник скольжения, модификация основного исполнения GE100, выпускается производителями: ASKUBAL, CCVI, ELGES, INA, ISO, NEUTRAL.
Размер подшипника: 100x150x70 мм.
Широкий подшипник с внутренним кольцом и метрическим отверстием, контактные уплотнения типа rs с обеих сторон игольчатого роликоподшипника, прессованный стальной сепаратор. вращающийся элемент по центру. незакаленный.
Альтернативное обозначение: GE100ES-2RS.
Аналоги: GE100-DO-2RS INA,GE100-DO-2RS Elges,GE100ES-2RS SKF,GE100ES-2RS AKN,GE100DO-2RS Askubal,GE100ES-2RS ISB.
Международная стандартизации ISO
GE100DO2RS
В наличии
| Обозначение | Конструктивные изменения |
|---|---|
| GE100UK-2RS-V502 | Манжетное уплотнение с двух сторон. Сталь/политетрафторэтилен (ПТФЭ). Split Outer Ring With Seals. |
| GE100-SX-F10 | Радиально-упорный сферический подшипник скольжения. требующий обслуживания по ISO 12 2402. Монтажные размеры как для конических роликоподшипников по DIN 720. 320X. Стальная скользящая контактная поверхность. |
| GE100-UK-2RS-W1 | Манжетное уплотнение с двух сторон. Контактная поверхность скольжения хром/PTFE композит. Одна каретка на направляющей. |
| GE100-XL-KRR-B | Подшипник со сферическим наружным кольцом. Серия X-Life премиум-класс. увеличиный срок службы. Манжетные уплотнения с обеих сторон (уплотнение типа R - имеет оцинкованные внутреннюю и внешнюю крышки. Между крышками имеется уплотнительная кромка NBR. идущая по шлифованному буртику). |
| GE100GS | Подшипник с предварительным натягом и цилиндрическим наружним кольцом. |
| GE100-FO-2RS-HLN | Манжетное уплотнение с двух сторон. Стальная скользящая контактная поверхность. Более широкое внутреннее кольцо. Код местонахождения завода. может использоваться в стандартной комплектации. |
| GE100FW-2RSB | Манжетное уплотнение с двух сторон. Особенность внутренней конструкции. СкользящаКонтактная поверхность из хром/PTFE. Широкое внутреннее кольцо. |
| GE100FW-2RS | Манжетное уплотнение с двух сторон. СкользящаКонтактная поверхность из хром/PTFE. Широкое внутреннее кольцо. Антизадирная пластичная смазка. |
| GE100-DO-C2 | Радиальный внутренний зазор меньше нормального. Стальная контактная поверхность скольжения. Внутреннее и наружное кольца закалены. |
| GE100TE-2RS | Double-Lip Rubbing Seals Of Metric Bearings Are Made Of Polyester Elastomer (-30°C/+130°C). Inch-Size Bearings Are Made Of Polyurethane (-20°C/+80°C). Сквозная закалка и шлифовка стали с переломом в одной точке. |
| GE100-DO-2RS-HLN | Манжетное уплотнение с двух сторон. Стальная контактная поверхность скольжения. Внутреннее и наружное кольца закалены. Код местонахождения завода. может использоваться в стандартной комплектации. |
| GE100-AW-W11 | Sliding Contact Surface Hard Chromium/Elgoglide¨ (Elgoglide. Для низкого контактного давления (начиная с 1 Н/м2) и минимального трения. |
| GE100-SW-W11 | Sliding Contact Surface Hard Chromium/Elgoglide¨ (Elgoglide. Для низкого контактного давления (начиная с 1 Н/м2) и минимального трения. |
| GE100-UK-2RS-W11 | Манжетное уплотнение с двух сторон. Контактная поверхность скольжения хром/PTFE композит. Для низкого контактного давления (начиная с 1 Н/м2) и минимального трения. |
| GE100-UK-2TS-W11 | Контактная поверхность скольжения хром/PTFE композит. Two Teflon Seals Reinforced With Z-Shields. Для низкого контактного давления (начиная с 1 Н/м2) и минимального трения. |
| GE100-FW-2TS | СкользящаКонтактная поверхность из хром/PTFE. Широкое внутреннее кольцо. Two Teflon Seals Reinforced With Z-Shields. |
| GE100ES/C2 | Внутренний зазор подшипника меньше нормального. Разъемное наружное кольцо со смазочными отверстиями. |
| GE100TXE-2LS | A Triple Lip Elastomer Seal. With A Steel Backing. On Each Side Of The Bearing (-25°C/+120°C). Закаленная и шлифованная сталь. Скользящая поверхность покрыта твердым хромом и отполирована. |
| GE100-AW-A | Особенность внутренней конструкции. Скользящая контактная поверхность из твердого хрома/Elgoglide®. |
| GE100ET-2RS/X | Double-Lip Rubbing Seals Of Metric Bearings Are Made Of Polyester Elastomer (-30°C/+130°C). Inch-Size Bearings Are Made Of Polyurethane (-20°C/+80°C). Измененные размеры границ. введенные пересмотренными стандартами ISO. Сквозная закалка и шлифовка стали с переломом в одной точке. |
| GE100XT-2RS/X | Резиновые уплотнения с каждой стороны подшипника. Измененные размеры границ. введенные пересмотренными стандартами ISO. Закаленная и шлифованная сталь. Скользящая поверхность покрыта твердым хромом и отполирована. |
| GE100XT/X-2RS | Резиновые уплотнения с каждой стороны подшипника. Измененные размеры границ. введенные пересмотренными стандартами ISO. Закаленная и шлифованная сталь. Скользящая поверхность покрыта твердым хромом и отполирована. |
| GE100XT/X | Измененные размеры границ. введенные пересмотренными стандартами ISO. Закаленная и шлифованная сталь. Скользящая поверхность покрыта твердым хромом и отполирована. |
| GE100XDO-2RS | Резиновые уплотнения с каждой стороны подшипника. |
| GE100XF/Q | Оптимизированная геометрия и специальная обработка контактных поверхностей. |
Модификации сферического подшипника GE100DO-2RS — это измененное основное конструктивное исполнение GE100, основные размеры (100x150x70) не отличаются.
| Обозначение | Гост | Конструктивные особенности |
|---|---|---|
| DGE100ES | ISO | Разъемное наружное кольцо со смазочными отверстиями. |
| DGE100UK-2RS | ISO | Резиновые уплотнения с каждой стороны подшипника. Сталь/политетрафторэтилен (ПТФЭ). |
Аналог сферического подшипника GE100DO-2RS — это подшипник такого же размера dx100,Dx150,Bx70, типа и конструкции.
| Обозначение | Конструктивные особенности | Внутренний (d) | Наружный (D) | Ширина (B) |
|---|---|---|---|---|
| GF100DO | Сферический шарнирный подшипник. Сталь/Сталь и внутреннее и внешнее кольцо закалены.. | 100.00 | 250.00 | 70.00 |
| GIHRK100DO | Сферический шарнирный подшипник. Поверхность контакта скольжения сталь / сталь. | 100.00 | 230.00 | 70.00 |
| GEH100XT | Шарнирный подшипник. Закаленная и шлифованная сталь. Скользящая поверхность покрыта твердым хромом и отполирована. | 100.00 | 150.00 | 71.00 |
| GEH100HCS | Шарнирный подшипник. | 100.00 | 150.00 | 71.00 |
| GE 100 ECR-2RS | Шарнирный подшипник. Контактные уплотнения типа RS с обеих сторон игольчатого роликоподшипника. Антизадирная пластичная смазка. | 100.00 | 150.00 | 70.00 |
| GE 100 CP | Шарнирный подшипник. 10 Piece Packaging. | 100.00 | 150.00 | 71.00 |
| GEH100XT-2RS | Шарнирный подшипник. Резиновые уплотнения с каждой стороны подшипника. Закаленная и шлифованная сталь. Скользящая поверхность покрыта твердым хромом и отполирована. | 100.00 | 150.00 | 71.00 |
| GEH100XF/Q | Шарнирный подшипник. Оптимизированная геометрия и специальная обработка контактных поверхностей. | 100.00 | 150.00 | 71.00 |
| GEH100HT | Шарнирный подшипник. Подшипник поставляется со специальной смазкой для высоких температур (до +130°C). | 100.00 | 150.00 | 71.00 |
| GEH100HC | Шарнирный подшипник. Подшипник или компоненты подшипника из керамики. | 100.00 | 150.00 | 71.00 |
| SA1-100BSS | Шарнирный подшипник. Ball Bearings In Stainless Steel AISI (Non Magnetic). | 100.00 | 150.00 | 70.00 |
| SA1-100B | Шарнирный подшипник. Конический роликовый подшипник. Угол контакта 20 градусов. | 100.00 | 150.00 | 70.00 |
| GE 100 ESX-2LS | Шарнирный подшипник. Контактное уплотнение с обеих сторон подшипника. | 100.00 | 150.00 | 70.00 |
| GE 100 ES-2LS | Шарнирный подшипник. Контактное уплотнение с обеих сторон подшипника. Разъемное наружное кольцо со смазочными отверстиями. | 100.00 | 150.00 | 70.00 |
| GEP 100 FS | Шарнирный подшипник. Подшипниковый вкладыш с маслоотражательными уплотнениями. | 100.00 | 150.00 | 71.00 |
Способы доставки
Отправка через ведущие транспортные и курьерские компании: ПЭК, Деловые Линии, СДЭК, Байкал-Сервис, Энергия, КИТ, ЖелДорЭкспедиция.
Самовывоз возможен напрямую со склада в Москве.
Сроки доставки
Срок зависит от региона и выбранной транспортной компании. Все заказы комплектуются и отправляются в кратчайшие сроки со склада в Москве.
Надёжность и сохранность
Вся продукция упаковывается с учётом требований транспортировки. Мы гарантируем, что подшипники и комплектующие прибудут к заказчику в полной сохранности.
Доставка в страны ЕАЭС
Мы работаем с проверенными логистическими партнёрами, что позволяет оперативно доставлять заказы в Беларусь, Казахстан, Армению и другие страны ЕАЭС.
Варианты оплаты:
Минимальная сумма заказа и скидки:
Документы и гарантии:
Да, конечно! Наши технические специалисты готовы помочь вам с подбором точного аналога или замены подшипника. Просто позвоните нам по телефону +7 (495) 104-99-04 или напишите на почту zakaz@podsnab.ru.
Для оперативной консультации подготовьте, пожалуйста, имеющиеся данные: маркировку, размеры, тип оборудования или артикул старого подшипника.
Да, конечно! Мы высоко ценим долгосрочное сотрудничество и доверие клиентов по всей России. Для постоянных клиентов действует персональная система скидок.
Условия формируются индивидуально и зависят от:
Чтобы узнать свои условия и получить максимально выгодное предложение, свяжитесь с персональным менеджером или напишите нам на почту zakaz@podsnab.ru.
Вы можете оформить заказ несколькими способами:
Для оформления заказа от юридического лица свяжитесь с нашим отделом по работе с корпоративными клиентами по телефону +7 (495) 104-99-04 или напишите на email zakaz@podsnab.ru, прикрепив реквизиты вашей организации.
Мы оперативно подготовим коммерческое предложение и выставим счет.
Возврат товара надлежащего качества возможен в течение 10 дней с момента получения, если товар не был в употреблении, сохранен товарный вид, упаковка не вскрывалась и присутствуют все сопроводительные документы.
Возврат денежных средств осуществляется в течение 10 рабочих дней после проверки товара складом.
В соответствии с законодательством возврату не подлежат подшипники надлежащего качества, если отсутствует оригинальная упаковка или имеются следы монтажа.
В случае выявления брака или гарантийного случая мы гарантируем возврат или обмен товара.
Да, гарантийный срок хранения устанавливается заводом-изготовителем и в среднем составляет 2 года при соблюдении условий хранения: сухое помещение, оригинальная упаковка и смазка.
Точный срок для конкретного типа подшипника уточняйте у наших менеджеров.
Пн–Пт: с 8:00 до 17:00 (МСК).
Сб–Вс: выходные дни.
Заказы на сайте принимаются круглосуточно. Заявки, поступившие после окончания рабочего дня, обрабатываются на следующий рабочий день.
Минимальная сумма заказа для доставки составляет 3000 рублей. Самовывоз со склада возможен на любую сумму при наличии товара.
ООО «УралТехГрупп»
ИНН: 7415093830
КПП: 772401001
ОГРН: 1167456069021
Банк: ПАО Сбербанк
Р/с: 40702810838000475273
К/с: 30101810400000000225
БИК: 044525225
У подшипника GE100DO-2RS пока нет отзывов. Вы можете стать первым покупателем, поделившимся своим мнением.