Поиск подшипника
Статьи
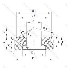
GE12AX — Сферический подшипник скольжения, модификация основного исполнения GE12, выпускается производителями: BGK, ELGES, INA, SIGMA, SKF.
Размер подшипника: 12x35x13 мм.
Широкий подшипник с внутренним кольцом и метрическим отверстием, поверхность контакта скольжения сталь / сталь.
Альтернативное обозначение: GE12E.
Аналоги: GE12-AX INA.
Международная стандартизации ISO
GE12AX
В наличии
| Обозначение | Конструктивные изменения |
|---|---|
| GE12C | 15° Угол контакта. |
| GE12TGR | d ≤17mm/ Unhardened Stainless Steel X22CrNi 17/1.4057. Pressed Over The Inner Ring. No Butt Joint d ≥20mm/ Hardened Stainless Steel X46Cr 13/1.4034. Hardened.Ground. Fractured At One Position. |
| GE12-PB | Сегментный контактный материал. Код S/B = скользящая контактная поверхность из стали/бронзы. Метрический радиальный сферический подшипник скольжения. |
| GE12FW | Масло-отражательные кольца с обеих сторон у подшипников типа Y. Без кольцевой канавки и смазочных отверстий в наружном кольце. Антизадирная пластичная смазка. |
| GE12E | Повышенной грузоподъемности. |
| GE12LO | Поверхность скольжения - сталь/сталь, внутреннее кольцо расширено с обеих сторон, одинарный осевой разъем во внешнем кольце.. Метрический радиальный сферический подшипник скольжения. |
| GE12PW | Контактная поверхность скольжения Сталь/PTFE. Метрический радиальный сферический подшипник скольжения. |
| GE12ZO | Скользящая контактная поверхность сталь/сталь, разъемное наружное кольцо с отверстиями для смазки.. |
| GE12DO | Прессованный стальной сепаратор. Вращающийся элемент по центру. Незакаленный. Антизадирная пластичная смазка. |
| GE12UK | Контактная поверхность скольжения хром/PTFE композит. Антизадирная пластичная смазка. |
| GE12FO | Масло-отражательные кольца с обеих сторон у подшипников типа Y. Антизадирная пластичная смазка. |
| GE12AW | Скользящая контактная поверхность из твердого хрома/Elgoglide®. Антизадирная пластичная смазка. |
| GE12TXGR | d ≤17mm/ Unhardened Stainless Steel X22CrNi 17/1.4057. Pressed Over The Inner Ring. No Butt Joint d ≥20mm/ Hardened Stainless Steel X46Cr 13/1.4034. Hardened. Ground. Fractured At One Position. |
| GE12G | Сталь. Масляные отверстия и канавки. |
| GE12N | Канавка под стопорное кольцо на внешнем кольце. |
| GE12XDO | Сферический подшипник скольжения. |
Модификации сферического подшипника GE12AX — это измененное основное конструктивное исполнение GE12, основные размеры (12x35x13) не отличаются.
| Обозначение | Гост | Конструктивные особенности |
|---|---|---|
| GX12F | ISO | Композит Сталь/PTFE. |
| GE12-AW-A | ISO | Особенность внутренней конструкции. PTFE (Polyetrafluoroethylene)). Скользящая контактная поверхность из твердого хрома/Elgoglide®. |
| SR12AX | ISO | Поверхность контакта скольжения сталь / сталь. |
Аналог сферического подшипника GE12AX — это подшипник такого же размера dx12,Dx35,Bx13, типа и конструкции.
| Обозначение | Конструктивные особенности | Внутренний (d) | Наружный (D) | Ширина (B) |
|---|---|---|---|---|
| KLRU12X35X12-2Z | Опорный ролик. Защитные металлические шайбы с обеих сторон. | 12.00 | 34.80 | 12.00 |
| L12-35-AH01 | Подшипник однорядный шариковый радиальный. Размеры могут отличаться от базового номера детали. Внутренний зазор равен C3 (больше обычного) и защищен от коррозии специальным покрытием Corrotect®. 2.3/16. | 12.00 | 35.00 | 12.00 |
| DGB1178.01 | Подшипник однорядный шариковый радиальный. Design. | 11.94 | 36.00 | 12.00 |
| L12/35AH01C3 | Шариковый радиальный однорядный подшипник. Радиальный внутренний зазор C3 (больше нормы). | 12.00 | 35.00 | 12.00 |
| 80702 | Шариковый радиальный однорядный подшипник. | 11.00 | 35.00 | 14.00 |
| GW 012 | Шарнирный подшипник. Пластичная смазка для широкого диапазона температур. | 12.00 | 35.00 | 13.00 |
| GX12S | Шарнирный подшипник. Запечатанная версия кулачкового ролика. Внутренний диаметр отличается от стандартных размеров для миниатюрных шариковых подшипников. | 12.00 | 35.00 | 13.00 |
| GX12T | Шарнирный подшипник. Textile Laminated Phenolic Resin. Outer Ring Guided. The Cage Is Suitable For Long-Term Operation At Temperatures Up To 100°C. | 12.00 | 35.00 | 13.00 |
Способы доставки
Отправка через ведущие транспортные и курьерские компании: ПЭК, Деловые Линии, СДЭК, Байкал-Сервис, Энергия, КИТ, ЖелДорЭкспедиция.
Самовывоз возможен напрямую со склада в Москве.
Сроки доставки
Срок зависит от региона и выбранной транспортной компании. Все заказы комплектуются и отправляются в кратчайшие сроки со склада в Москве.
Надёжность и сохранность
Вся продукция упаковывается с учётом требований транспортировки. Мы гарантируем, что подшипники и комплектующие прибудут к заказчику в полной сохранности.
Доставка в страны ЕАЭС
Мы работаем с проверенными логистическими партнёрами, что позволяет оперативно доставлять заказы в Беларусь, Казахстан, Армению и другие страны ЕАЭС.
Варианты оплаты:
Минимальная сумма заказа и скидки:
Документы и гарантии:
Да, конечно! Наши технические специалисты готовы помочь вам с подбором точного аналога или замены подшипника. Просто позвоните нам по телефону +7 (495) 104-99-04 или напишите на почту zakaz@podsnab.ru.
Для оперативной консультации подготовьте, пожалуйста, имеющиеся данные: маркировку, размеры, тип оборудования или артикул старого подшипника.
Да, конечно! Мы высоко ценим долгосрочное сотрудничество и доверие клиентов по всей России. Для постоянных клиентов действует персональная система скидок.
Условия формируются индивидуально и зависят от:
Чтобы узнать свои условия и получить максимально выгодное предложение, свяжитесь с персональным менеджером или напишите нам на почту zakaz@podsnab.ru.
Вы можете оформить заказ несколькими способами:
Для оформления заказа от юридического лица свяжитесь с нашим отделом по работе с корпоративными клиентами по телефону +7 (495) 104-99-04 или напишите на email zakaz@podsnab.ru, прикрепив реквизиты вашей организации.
Мы оперативно подготовим коммерческое предложение и выставим счет.
Возврат товара надлежащего качества возможен в течение 10 дней с момента получения, если товар не был в употреблении, сохранен товарный вид, упаковка не вскрывалась и присутствуют все сопроводительные документы.
Возврат денежных средств осуществляется в течение 10 рабочих дней после проверки товара складом.
В соответствии с законодательством возврату не подлежат подшипники надлежащего качества, если отсутствует оригинальная упаковка или имеются следы монтажа.
В случае выявления брака или гарантийного случая мы гарантируем возврат или обмен товара.
Да, гарантийный срок хранения устанавливается заводом-изготовителем и в среднем составляет 2 года при соблюдении условий хранения: сухое помещение, оригинальная упаковка и смазка.
Точный срок для конкретного типа подшипника уточняйте у наших менеджеров.
Пн–Пт: с 8:00 до 17:00 (МСК).
Сб–Вс: выходные дни.
Заказы на сайте принимаются круглосуточно. Заявки, поступившие после окончания рабочего дня, обрабатываются на следующий рабочий день.
Минимальная сумма заказа для доставки составляет 3000 рублей. Самовывоз со склада возможен на любую сумму при наличии товара.
ООО «УралТехГрупп»
ИНН: 7415093830
КПП: 772401001
ОГРН: 1167456069021
Банк: ПАО Сбербанк
Р/с: 40702810838000475273
К/с: 30101810400000000225
БИК: 044525225
У подшипника GE12AX пока нет отзывов. Вы можете стать первым покупателем, поделившимся своим мнением.