Поиск подшипника
Статьи
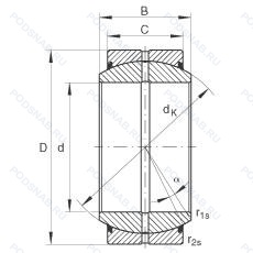
GE70-DO-2RS — Сферический подшипник скольжения, модификация основного исполнения GE70, выпускается производителями: ELGES, INA, ISO, NEUTRAL.
Размер подшипника: 70x105x49 мм.
Широкий подшипник с внутренним кольцом и метрическим отверстием, контактные уплотнения типа rs с обеих сторон игольчатого роликоподшипника, прессованный стальной сепаратор. вращающийся элемент по центру. незакаленный.
Альтернативное обозначение: GE70ES-2RS.
Аналоги: GE70ES-2RS SKF,GE70ES-2RS LS.
Международная стандартизации ISO
GE70DO2RS
В наличии
| Обозначение | Конструктивные изменения |
|---|---|
| GE70SX | Радиально-упорный сферический подшипник скольжения. требующий обслуживания по ISO 12 2402. Монтажные размеры как для конических роликоподшипников по DIN 720. 320X. Стальная скользящая контактная поверхность. Метрический радиальный сферический подшипник скольжения. |
| GE70DSS-2Z/C3 | Внутренний зазор больше нормального. Защитные металлические шайбы с обеих сторон. |
| GE70TE-2RS | Резиновые уплотнения с каждой стороны подшипника. Внешнее кольцо из углеродной хромированной стали. с изломом. закаленное и шлифованное. со скользящей поверхностью из материала PTFE. Внутреннее кольцо из углеродной хромированной стали закаленное и шлифованное. скользящая поверхность покрыта твердым хромом. |
| GE70ES-2LS | A Triple Lip Elastomer Seal. With A Steel Backing. On Each Side Of The Bearing (-25°C/+120°C). Разъемное наружное кольцо со смазочными отверстиями. |
| GE70TXE-2LS | A Triple Lip Elastomer Seal. With A Steel Backing. On Each Side Of The Bearing (-25°C/+120°C). Закаленная и шлифованная сталь. Скользящая поверхность покрыта твердым хромом и отполирована. |
| GE70HO | Стальная cкользящая контактная поверхность. Цилиндрическое расширение на внутреннем кольце. |
| GE70.2RSR | Резиновые уплотнения с каждой стороны подшипника. |
| GE70GS | Подшипник с предварительным натягом и цилиндрическим наружним кольцом. |
| GE70-2RS | Манжетное уплотнение с двух сторон. |
| GE70-XL-KTT-B | Подшипник со сферическим наружным кольцом. Серия X-Life премиум-класс. увеличиный срок службы. Тройные манжетные уплотнения с обеих сторон подшипника (Т-образное уплотнение). |
| GE70TXG3A-2LS | A Triple Lip Elastomer Seal. With A Steel Backing. On Each Side Of The Bearing (-25°C/+120°C). Stainless Steel X46Cr13/1.4034. Hardened. Ground. Split Two-Piece. Held Together By One Steel Band. |
| GE70KTTB | Подшипник со сферическим наружным кольцом. Тройные манжетные уплотнения с обеих сторон подшипника (Т-образное уплотнение). |
| GE70-XL-KRR-B | Подшипник со сферическим наружным кольцом. Серия X-Life премиум-класс. увеличиный срок службы. Манжетные уплотнения с обеих сторон (уплотнение типа R - имеет оцинкованные внутреннюю и внешнюю крышки. Между крышками имеется уплотнительная кромка NBR. идущая по шлифованному буртику). |
| GE70-DO-C2 | Внутренний зазор подшипника меньше нормального. Поверхность контакта скольжения сталь / сталь. |
| GE70-DO-2RS-HLN | Манжетное уплотнение с двух сторон. Стальная контактная поверхность скольжения. Внутреннее и наружное кольца закалены. Код местонахождения завода. может использоваться в стандартной комплектации. |
| GE70DOC3 | Радиальный внутренний зазор больше нормального. Поверхность контакта скольжения сталь / сталь. |
| GE70-FW-2RS-W8-W11 | Манжетное уплотнение с двух сторон. СкользящаКонтактная поверхность из хром/PTFE. Широкое внутреннее кольцо. Inner Ring Bore With Elgoglide Lining_ Inside Diameter D Remains In Accordance With Nominal Diameter (dNEW = d). For Low Contact Pressures (starting As Low As 1 N/Mm2) And Minimal Friction. |
| GE70-UK-2RS-W8-W11 | Манжетное уплотнение с двух сторон. Контактная поверхность скольжения хром/PTFE композит. Inner Ring Bore With Elgoglide Lining_ Inside Diameter D Remains In Accordance With Nominal Diameter (dNEW = d). For Low Contact Pressures (starting As Low As 1 N/Mm2) And Minimal Friction. |
| GE70-UK-2RS-W8-A | Особенность внутренней конструкции. Манжетное уплотнение с двух сторон. Контактная поверхность скольжения хром/PTFE композит. Inner Ring Bore With Elgoglide Lining_ Inside Diameter D Remains In Accordance With Nominal Diameter (dNEW = d). |
| GE70-UK-2RS-W10 | Манжетное уплотнение с двух сторон. Контактная поверхность скольжения хром/PTFE композит. Average Running Torque In MG-MM Divided By 100. |
| GE70-FW-2TS | СкользящаКонтактная поверхность из хром/PTFE. Широкое внутреннее кольцо. Two Teflon Seals Reinforced With Z-Shields. |
| GE70DSS C3 | Внутренний зазор больше нормального. |
| GE70ET-2RS | Резиновые уплотнения с каждой стороны подшипника. Сквозная закалка и шлифовка стали с переломом в одной точке. |
| GE70XDO-2RS | Резиновые уплотнения с каждой стороны подшипника. |
| GE70XT/X | Измененные размеры границ. введенные пересмотренными стандартами ISO. Закаленная и шлифованная сталь. Скользящая поверхность покрыта твердым хромом и отполирована. |
Модификации сферического подшипника GE70-DO-2RS — это измененное основное конструктивное исполнение GE70, основные размеры (70x105x49) не отличаются.
| Обозначение | Гост | Конструктивные особенности |
|---|---|---|
| 70NZS | ISO | Сферический подшипник скольжения. |
| DGE70UK-2RS | ISO | Резиновые уплотнения с каждой стороны подшипника. Сталь/политетрафторэтилен (ПТФЭ). |
| DGE70ES | ISO | Разъемное наружное кольцо со смазочными отверстиями. |
| 70FSL105 | ISO | Сферический подшипник скольжения. |
Аналог сферического подшипника GE70-DO-2RS — это подшипник такого же размера dx70,Dx105,Bx49, типа и конструкции.
| Обозначение | Конструктивные особенности | Внутренний (d) | Наружный (D) | Ширина (B) |
|---|---|---|---|---|
| GAR70DO-2RS | Сферический шарнирный подшипник. Уплотнения с обеих сторон.. Сталь/Сталь и внутреннее и внешнее кольцо закалены.. | 70.00 | 160.00 | 49.00 |
| SA70ES-2RS | Сферический шарнирный подшипник. Измененная или модифицированная внутренняя конструкция при неизменных основных размерах. Резиновые уплотнения с каждой стороны подшипника. Разъемное наружное кольцо со смазочными отверстиями. | 70.00 | 105.00 | 49.00 |
| GIR70DO-2RS | Сферический шарнирный подшипник. Манжетное уплотнение с двух сторон. Стальная контактная поверхность скольжения. Внутреннее и наружное кольца закалены. | 70.00 | 162.00 | 49.00 |
| SI70ES-2RS | Сферический шарнирный подшипник. Резиновые уплотнения с каждой стороны подшипника. | 70.00 | 162.00 | 49.00 |
| GIHR-K70DO | Сферический шарнирный подшипник. Поверхность контакта скольжения сталь / сталь. | 70.00 | 154.00 | 49.00 |
| SI70ES | Сферический шарнирный подшипник. Внешние размеры корпусов могут отличаться для одного и того же номера изделия. (Сегментный контактный материала код S/S)=Сталь-на-стали. Кольцевые канавки и смазочные отверстия во внутреннем и наружном кольцах. | 70.00 | 162.00 | 49.00 |
| ШЛТ70 | Шарнирный подшипник. Без отверстий и канавок для смазки. | 70.00 | 105.00 | 49.00 |
| ШСЛ70 Т2 | Шарнирный подшипник. 200°. Температура отпуска. С отверстиями и канавками для смазки во внутреннем кольце. | 70.00 | 105.00 | 49.00 |
| 1-ШСЛ70 КИ | Шарнирный подшипник. Канавка и отверстие для смазки на внутреннем и наружном кольцах.. Поверхность скольжения покрыта дисульфидом молибдена.. С отверстиями и канавками для смазки во внутреннем кольце. | 70.00 | 105.00 | 49.00 |
| 1-ШСЛ70 | Шарнирный подшипник. С отверстиями и канавками для смазки во внутреннем кольце. | 70.00 | 105.00 | 49.00 |
| 20-ШСЛ70 | Шарнирный подшипник. С отверстиями и канавками для смазки во внутреннем кольце. | 70.00 | 105.00 | 49.00 |
| SA70ES | Шарнирный подшипник. Измененная или модифицированная внутренняя конструкция при неизменных основных размерах. Разъемное наружное кольцо со смазочными отверстиями. | 70.00 | 105.00 | 49.00 |
| GE 070 ES-2RS | Шарнирный подшипник. Контактные уплотнения типа RS с обеих сторон игольчатого роликоподшипника. Антизадирная пластичная смазка. | 70.00 | 105.00 | 49.00 |
| GE 070 ES | Шарнирный подшипник. Антизадирная пластичная смазка. | 70.00 | 105.00 | 49.00 |
| GE 070 ECR-2RS | Шарнирный подшипник. Контактные уплотнения типа RS с обеих сторон игольчатого роликоподшипника. Антизадирная пластичная смазка. | 70.00 | 105.00 | 49.00 |
Способы доставки
Отправка через ведущие транспортные и курьерские компании: ПЭК, Деловые Линии, СДЭК, Байкал-Сервис, Энергия, КИТ, ЖелДорЭкспедиция.
Самовывоз возможен напрямую со склада в Москве.
Сроки доставки
Срок зависит от региона и выбранной транспортной компании. Все заказы комплектуются и отправляются в кратчайшие сроки со склада в Москве.
Надёжность и сохранность
Вся продукция упаковывается с учётом требований транспортировки. Мы гарантируем, что подшипники и комплектующие прибудут к заказчику в полной сохранности.
Доставка в страны ЕАЭС
Мы работаем с проверенными логистическими партнёрами, что позволяет оперативно доставлять заказы в Беларусь, Казахстан, Армению и другие страны ЕАЭС.
Варианты оплаты:
Минимальная сумма заказа и скидки:
Документы и гарантии:
Да, конечно! Наши технические специалисты готовы помочь вам с подбором точного аналога или замены подшипника. Просто позвоните нам по телефону +7 (495) 104-99-04 или напишите на почту zakaz@podsnab.ru.
Для оперативной консультации подготовьте, пожалуйста, имеющиеся данные: маркировку, размеры, тип оборудования или артикул старого подшипника.
Да, конечно! Мы высоко ценим долгосрочное сотрудничество и доверие клиентов по всей России. Для постоянных клиентов действует персональная система скидок.
Условия формируются индивидуально и зависят от:
Чтобы узнать свои условия и получить максимально выгодное предложение, свяжитесь с персональным менеджером или напишите нам на почту zakaz@podsnab.ru.
Вы можете оформить заказ несколькими способами:
Для оформления заказа от юридического лица свяжитесь с нашим отделом по работе с корпоративными клиентами по телефону +7 (495) 104-99-04 или напишите на email zakaz@podsnab.ru, прикрепив реквизиты вашей организации.
Мы оперативно подготовим коммерческое предложение и выставим счет.
Возврат товара надлежащего качества возможен в течение 10 дней с момента получения, если товар не был в употреблении, сохранен товарный вид, упаковка не вскрывалась и присутствуют все сопроводительные документы.
Возврат денежных средств осуществляется в течение 10 рабочих дней после проверки товара складом.
В соответствии с законодательством возврату не подлежат подшипники надлежащего качества, если отсутствует оригинальная упаковка или имеются следы монтажа.
В случае выявления брака или гарантийного случая мы гарантируем возврат или обмен товара.
Да, гарантийный срок хранения устанавливается заводом-изготовителем и в среднем составляет 2 года при соблюдении условий хранения: сухое помещение, оригинальная упаковка и смазка.
Точный срок для конкретного типа подшипника уточняйте у наших менеджеров.
Пн–Пт: с 8:00 до 17:00 (МСК).
Сб–Вс: выходные дни.
Заказы на сайте принимаются круглосуточно. Заявки, поступившие после окончания рабочего дня, обрабатываются на следующий рабочий день.
Минимальная сумма заказа для доставки составляет 3000 рублей. Самовывоз со склада возможен на любую сумму при наличии товара.
ООО «УралТехГрупп»
ИНН: 7415093830
КПП: 772401001
ОГРН: 1167456069021
Банк: ПАО Сбербанк
Р/с: 40702810838000475273
К/с: 30101810400000000225
БИК: 044525225
У подшипника GE70-DO-2RS пока нет отзывов. Вы можете стать первым покупателем, поделившимся своим мнением.