Поиск подшипника
Статьи
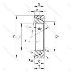
GE40SX — Сферический подшипник скольжения, модификация основного исполнения GE40, выпускается производителями: CHINA, ELGES, ENDURO, FAG, INA, NEUTRAL, SIGMA, TIMKEN.
Размер подшипника: 40x68x19 мм.
Широкий подшипник с внутренним кольцом и метрическим отверстием, радиально-упорный сферический подшипник скольжения. требующий обслуживания по iso 12 2402. монтажные размеры как для конических роликоподшипников по din 720. 320x. стальная скользящая контактная поверхность.
Аналоги: GE40-SX INA.
Международная стандартизации ISO
GE40SX
В наличии
| Обозначение | Конструктивные изменения |
|---|---|
| GE40-KRR-B-FA164 | Подшипник со сферическим наружным кольцом. Манжетные уплотнения с обеих сторон (уплотнение типа R - имеет оцинкованные внутреннюю и внешнюю крышки. Между крышками имеется уплотнительная кромка NBR. идущая по шлифованному буртику). Высокотемпературная конструкция до +250°C. |
| GE40KLLHB FA133/177 | Подшипник со сферическим наружным кольцом. Лабиринтные уплотнения с обеих сторон (уплотнение типа L - все детали уплотнения типа L оцинкованы со всех сторон. чтобы улучшить защиту от коррозии - нет трения уплотнения). |
| GE40GS-2RS | Контактное уплотнение с обеих сторон. Подшипник с предварительным натягом и цилиндрическим наружним кольцом. |
| GE40KLLHB FA165 | Подшипник со сферическим наружным кольцом. Лабиринтные уплотнения с обеих сторон (уплотнение типа L - все детали уплотнения типа L оцинкованы со всех сторон. чтобы улучшить защиту от коррозии - нет трения уплотнения). |
| GE40EC-2RS | Резиновые уплотнения с каждой стороны подшипника. Хром/PTFE композит и радиальный подшипник. Не требует обслуживания благодаря тефлоновому композитному наружному кольцу. Внутреннее кольцо закалено.. |
| GE40CS-2Z | Защитные металлические шайбы с обеих сторон. Высокоуглеродистая сталь. |
| GE40GS Q1 | Подшипник с предварительным натягом и цилиндрическим наружним кольцом. |
| GE40UK-2RSA | Контактная поверхность скольжения хром/PTFE композит. Special Seals. |
| GE40-KTT-B | Подшипник со сферическим наружным кольцом. Тройные манжетные уплотнения с обеих сторон подшипника (Т-образное уплотнение). |
| GE40KRRB FA125.5 | Подшипник со сферическим наружным кольцом. Манжетные уплотнения с обеих сторон (уплотнение типа R - имеет оцинкованные внутреннюю и внешнюю крышки. Между крышками имеется уплотнительная кромка NBR. идущая по шлифованному буртику). С покрытием Corrotect®, защищено от коррозии. |
| GE40-KLL-B | Подшипник со сферическим наружным кольцом. BALL BEARING. CONRAD TYPE. INDUSTRIAL POWER TRANSMISSION. DOUBLE MECHANI-SEAL. |
| GE40-DO-2RS-C3 | Радиальный внутренний зазор больше нормального. Манжетное уплотнение с двух сторон. Стальная контактная поверхность скольжения. Внутреннее и наружное кольца закалены. |
| GE40-UK-2RS-W11 | Манжетное уплотнение с двух сторон. Контактная поверхность скольжения хром/PTFE композит. Для низкого контактного давления (начиная с 1 Н/м2) и минимального трения. |
| GE40-FW-2TS | СкользящаКонтактная поверхность из хром/PTFE. Широкое внутреннее кольцо. Two Teflon Seals Reinforced With Z-Shields. |
| GE40ESX-2LS | A Triple Lip Elastomer Seal. With A Steel Backing. On Each Side Of The Bearing (-25°C/+120°C). Не требует обслуживания - смазка на весь срок службы. Оптимизированное стальное соединение. Разъемное наружное кольцо с отверстиями для смазки. |
| GE40GX-2RS | Резиновые уплотнения с каждой стороны подшипника. Grease Filling. Low/High Temperature Grease. e.g. -40°C/+140°C. |
| GE40EC-NIRO | Твердый хром/фторопластовый композит и радиальный подшипник - необслуживаемый благодаря внешнему кольцу из фторопластового композита. Внутреннее кольцо закалено. Внешнее кольцо, состоящее из стали и внутренней оболочки монорельса, сжимает внутреннее кольцо.. Нержавеющая сталь.. |
| GE40ET/X | Измененные размеры границ. введенные пересмотренными стандартами ISO. Сквозная закалка и шлифовка стали с переломом в одной точке. |
| GE40-XL-KRR-B-FA164 | Подшипник со сферическим наружным кольцом. Серия X-Life премиум-класс. увеличиный срок службы. Манжетные уплотнения с обеих сторон (уплотнение типа R - имеет оцинкованные внутреннюю и внешнюю крышки. Между крышками имеется уплотнительная кромка NBR. идущая по шлифованному буртику). Высокотемпературная конструкция до +250°C. |
| GE40-KRR-B-2C | Конический роликовый подшипник. Угол контакта 20 градусов. Манжетные уплотнения с обеих сторон (уплотнение типа R - имеет оцинкованные внутреннюю и внешнюю крышки. Между крышками имеется уплотнительная кромка NBR. идущая по шлифованному буртику). Защитные щиты с обеих сторон. |
| GE40KRR | Манжетные уплотнения с обеих сторон (уплотнение типа R - имеет оцинкованные внутреннюю и внешнюю крышки. Между крышками имеется уплотнительная кромка NBR. идущая по шлифованному буртику). |
| GE40C | 15° Угол контакта. |
| GE40N | Канавка под стопорное кольцо на внешнем кольце. |
| GE40/65XDO-2RS | Резиновые уплотнения с каждой стороны подшипника. |
| GE40XDO-2RS | Резиновые уплотнения с каждой стороны подшипника. |
Модификации сферического подшипника GE40SX — это измененное основное конструктивное исполнение GE40, основные размеры (40x68x19) не отличаются.
| Обозначение | Гост | Конструктивные особенности |
|---|---|---|
| GAC40F | ISO | Измененная или модифицированная внутренняя конструкция при неизменных основных размерах. Сепаратор из обработанной стали или специального чугуна. |
| GE40SWA | ISO | Значение этого знака не определяется отдельно. Они нужны для назначения особых характеристик конструкции внутренней формы внешнего использования. В целом, они используются только временно, в переходный период, чтобы избежать путаницы. В некоторых случаях они также используются для постоянного назначения подшипников и деталей того же типа и размера, но с другим внутренним дизайном.. |
| GAC40S | ISO | Запечатанная версия кулачкового ролика. Измененная или модифицированная внутренняя конструкция при неизменных основных размерах. |
| GE40-SX-S7 | ISO | Радиально-упорный сферический подшипник скольжения. требующий обслуживания по ISO 12 2402. Монтажные размеры как для конических роликоподшипников по DIN 720. 320X. Стальная скользящая контактная поверхность. |
| GE40-SW-W11 | ISO | Sliding Contact Surface Hard Chromium/Elgoglide¨ (Elgoglide. Для низкого контактного давления (начиная с 1 Н/м2) и минимального трения. PTFE (Polyetrafluoroethylene)). |
| GE40-SX-F7 | ISO | Радиально-упорный сферический подшипник скольжения. требующий обслуживания по ISO 12 2402. Монтажные размеры как для конических роликоподшипников по DIN 720. 320X. Стальная скользящая контактная поверхность. |
Аналог сферического подшипника GE40SX — это подшипник такого же размера dx40,Dx68,Bx19, типа и конструкции.
| Обозначение | Конструктивные особенности | Внутренний (d) | Наружный (D) | Ширина (B) |
|---|---|---|---|---|
| X32008XM/Y32008XM | Роликовый радиальный-упорный однорядный подшипник. Two Bearings In X-Arrangement. Medium Preload. | 40.00 | 68.00 | 19.00 |
| X32008X/Y32008XZ | Роликовый радиальный-упорный однорядный подшипник. Измененные размеры границ. введенные пересмотренными стандартами ISO. | 40.00 | 68.00 | 19.00 |
| X32008X/Y32008X | Роликовый радиальный-упорный однорядный подшипник. Измененные размеры границ. введенные пересмотренными стандартами ISO. | 40.00 | 68.00 | 19.00 |
| XAA32008X/Y32008XZ | Роликовый радиальный-упорный однорядный подшипник. Измененные размеры границ. введенные пересмотренными стандартами ISO. | 40.00 | 68.00 | 19.00 |
| XAA32008X/Y32008X | Роликовый радиальный-упорный однорядный подшипник. Измененные размеры границ. введенные пересмотренными стандартами ISO. | 40.00 | 68.00 | 19.00 |
| 987910-К | Роликовый радиальный-упорный подшипник. Кольцевая проточка на середине цилиндрической наружной поверхности наружного кольца плюс три отверстия для смазки. | 40.62 | 68.00 | 19.50 |
| 4-9208 Л | Роликовый упорный однорядный подшипник. Сепаратор из латуни.. | 40.00 | 68.00 | 19.00 |
| 7-2007108 А | Роликовый радиальный-упорный однорядный подшипник. Повышенная грузоподъемность. | 40.00 | 68.00 | 19.00 |
| HL-NK40X68X20-2T#01 | Роликовый игольчатый подшипник однорядный. Шестигранное отверстие (кулачковые ролики с осью). Одно уплотнение. Изменённая фаска. Design. By Construction Is The Same As 2S. Except Rubber Lip Is Tripled. Therefore. It Seals Better But Has Even Larger Friction. The Permitted Speeds Are Much Lower. Up To 500. It Emerges Out Of External Ring Width And Is Applied Only With Special Bearings For The Agricultural Machines (Practically Standard Sealing For The Disc Harrow Bearings) And To The Less Extent. Y-Bearing Program. | 40.00 | 68.00 | 20.00 |
| HI-CAP 57407/32008J | Роликовый радиальный-упорный однорядный подшипник. Угол контакта 20 градусов. | 40.00 | 68.00 | 19.00 |
| GAC40N | Шарнирный подшипник. Измененная или модифицированная внутренняя конструкция при неизменных основных размерах. Канавка под стопорное кольцо на внешнем кольце. | 40.00 | 68.00 | 19.00 |
| GAC40T | Шарнирный подшипник. Измененная или модифицированная внутренняя конструкция при неизменных основных размерах. Textile Laminated Phenolic Resin. Outer Ring Guided. The Cage Is Suitable For Long-Term Operation At Temperatures Up To 100°C. | 40.00 | 68.00 | 19.00 |
| 5-2007108 А | Роликовый радиальный-упорный однорядный подшипник. Повышенная грузоподъемность. | 40.00 | 68.00 | 19.00 |
| 537808C17 | Роликовый радиальный-упорный двухрядный подшипник. Литол-24. | 39.00 | 68.00 | 18.50 |
| 6-2007108 А | Роликовый радиальный-упорный однорядный подшипник. Повышенная грузоподъемность. | 40.00 | 68.00 | 19.00 |
Способы доставки
Отправка через ведущие транспортные и курьерские компании: ПЭК, Деловые Линии, СДЭК, Байкал-Сервис, Энергия, КИТ, ЖелДорЭкспедиция.
Самовывоз возможен напрямую со склада в Москве.
Сроки доставки
Срок зависит от региона и выбранной транспортной компании. Все заказы комплектуются и отправляются в кратчайшие сроки со склада в Москве.
Надёжность и сохранность
Вся продукция упаковывается с учётом требований транспортировки. Мы гарантируем, что подшипники и комплектующие прибудут к заказчику в полной сохранности.
Доставка в страны ЕАЭС
Мы работаем с проверенными логистическими партнёрами, что позволяет оперативно доставлять заказы в Беларусь, Казахстан, Армению и другие страны ЕАЭС.
Варианты оплаты:
Минимальная сумма заказа и скидки:
Документы и гарантии:
Да, конечно! Наши технические специалисты готовы помочь вам с подбором точного аналога или замены подшипника. Просто позвоните нам по телефону +7 (495) 104-99-04 или напишите на почту zakaz@podsnab.ru.
Для оперативной консультации подготовьте, пожалуйста, имеющиеся данные: маркировку, размеры, тип оборудования или артикул старого подшипника.
Да, конечно! Мы высоко ценим долгосрочное сотрудничество и доверие клиентов по всей России. Для постоянных клиентов действует персональная система скидок.
Условия формируются индивидуально и зависят от:
Чтобы узнать свои условия и получить максимально выгодное предложение, свяжитесь с персональным менеджером или напишите нам на почту zakaz@podsnab.ru.
Вы можете оформить заказ несколькими способами:
Для оформления заказа от юридического лица свяжитесь с нашим отделом по работе с корпоративными клиентами по телефону +7 (495) 104-99-04 или напишите на email zakaz@podsnab.ru, прикрепив реквизиты вашей организации.
Мы оперативно подготовим коммерческое предложение и выставим счет.
Возврат товара надлежащего качества возможен в течение 10 дней с момента получения, если товар не был в употреблении, сохранен товарный вид, упаковка не вскрывалась и присутствуют все сопроводительные документы.
Возврат денежных средств осуществляется в течение 10 рабочих дней после проверки товара складом.
В соответствии с законодательством возврату не подлежат подшипники надлежащего качества, если отсутствует оригинальная упаковка или имеются следы монтажа.
В случае выявления брака или гарантийного случая мы гарантируем возврат или обмен товара.
Да, гарантийный срок хранения устанавливается заводом-изготовителем и в среднем составляет 2 года при соблюдении условий хранения: сухое помещение, оригинальная упаковка и смазка.
Точный срок для конкретного типа подшипника уточняйте у наших менеджеров.
Пн–Пт: с 8:00 до 17:00 (МСК).
Сб–Вс: выходные дни.
Заказы на сайте принимаются круглосуточно. Заявки, поступившие после окончания рабочего дня, обрабатываются на следующий рабочий день.
Минимальная сумма заказа для доставки составляет 3000 рублей. Самовывоз со склада возможен на любую сумму при наличии товара.
ООО «УралТехГрупп»
ИНН: 7415093830
КПП: 772401001
ОГРН: 1167456069021
Банк: ПАО Сбербанк
Р/с: 40702810838000475273
К/с: 30101810400000000225
БИК: 044525225
У подшипника GE40SX пока нет отзывов. Вы можете стать первым покупателем, поделившимся своим мнением.