Поиск подшипника
Статьи
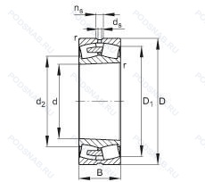
23072-E1A-K-MB1 — Подшипник роликовый сферический, модификация основного исполнения 23072, производство FAG.
Размер подшипника: 360x540x134 мм.
Латунный сепаратор. массивный, конструкция с увеличенной грузоподьемностью, коническое отверстие. конус 1/12, модифицированная внутренняя конструкция.
Международная стандартизации ISO
23072E1AKMB1
В наличии
| Обозначение | Конструктивные изменения |
|---|---|
| 23072E1AMB1 | Модифицированная внутренняя конструкция. Конструкция с увеличенной грузоподьемностью. Латунный сепаратор. массивный. |
| 23072CCK/C4W33 | Канавка для смазки и три отверстия во внешнем кольце подшипника. Коническое отверстие. конус 1/12. Внутренний зазор подшипника больше. чем C3. Два стальных сепаратора оконного типа. Бесфланцевое внутреннее кольцо и направляющее кольцо центрировано на внутреннем кольце. |
| 23072-BEA-XL-K-MB1-T52BW-C3 | Внутренний зазор больше нормального. Коническое отверстие. конус 1/12. Серия X-Life премиум-класс. увеличиный срок службы. Повышенная точность вращения до класса допуска ISO 5. 40° Угол контакта. High Capacity. All Four Corners Equal. Латунный сепаратор. массивный. |
| 23072EAS.M | Канавка для смазки и три отверстия во внешнем кольце подшипника. Модифицированная внутренняя конструкция. Увеличенная грузоподъемность подшипника. Твердая латунный сепаратор. Направляемые тела качения. |
| 23072KEMBW507C08 | Коническое отверстие. конус 1/12. Land-Riding One-Piece Brass Cage. Комбинация C02 (указывает на внутреннее кольцо со сверхмалой точностью вращения (1/4 RBEC.1) и помечено. чтобы показать верхнюю и нижнюю точки эксцентриситета) + C04 (указывает на внешнее кольцо со сверхмалой точностью вращения (1/4 RBEC.1) и отмечены для отображения высокой и низкой точки эксцентриситета). Комбинация W4 (отметка высоких и низких точек эксцентриситета на поверхности колец) и W31 (подшипник проверен в соответствии с определенными требованиями контроля качества) и W33 (смазочная канавка и три смазочных отверстия на наружном кольце подшипника).. |
| 23072KEMBW507C08C3 | Внутренний зазор больше нормального. Коническое отверстие. конус 1/12. Land-Riding One-Piece Brass Cage. Комбинация C02 (указывает на внутреннее кольцо со сверхмалой точностью вращения (1/4 RBEC.1) и помечено. чтобы показать верхнюю и нижнюю точки эксцентриситета) + C04 (указывает на внешнее кольцо со сверхмалой точностью вращения (1/4 RBEC.1) и отмечены для отображения высокой и низкой точки эксцентриситета). Комбинация W4 (отметка высоких и низких точек эксцентриситета на поверхности колец) и W31 (подшипник проверен в соответствии с определенными требованиями контроля качества) и W33 (смазочная канавка и три смазочных отверстия на наружном кольце подшипника).. |
| 23072W33 | Канавка для смазки и три отверстия во внешнем кольце подшипника. |
| 23072-MB-H140 | сепаратор из латуни. центрированный по внутреннему кольцу. Улучшенная точность хода в соответствии с T52BW. Наивысшая точка биения отмечена на внутреннем и наружном кольце. Круговая смазочная канавка и 6 смазочных отверстий на внутреннем кольце. Для заглушки смазочных отверстий предусмотрены алюминиевые заглушки (нужны только для гидравлического демонтажа. 6 маленьких заглушек для внутреннего кольца и 3 большие заглушки для наружного кольца). |
| 23072 K | Коническое отверстие. Конусность 1/12. |
| 23072R | С выпуклыми асимметричными роликами и обработанным сепаратором. |
| 23072RHA | With Convex Symmetric Rollers And One-Piece Machined Cage. |
| 23072-K-MB-W33+OH3072-H | Канавка для смазки и три отверстия во внешнем кольце подшипника. Коническое отверстие. Конусность 1/12. сепаратор из латуни. центрированный по внутреннему кольцу. Pressed Snap-Type Steel Cage. Hardened. |
| 23072-K-MB-W33+AH3072 | Канавка для смазки и три отверстия во внешнем кольце подшипника. Коническое отверстие. Конусность 1/12. сепаратор из латуни. центрированный по внутреннему кольцу. |
| 23072B | Конический роликовый подшипник. Угол контакта 20 градусов. |
| 23072BK | Игольчатый роликовый подшипник со штампованным наружным кольцом с закрытым торцом. |
| 23072YMB | Бронзовый цельный сепаратор пальцевого типа. |
| 23072 KCW33+AH3072 | Кольцевая канавка и три отверстия для смазывания в наружном кольце подшипника. Коническое внутреннее отверстие. |
| 23072 KCW33+H3072 | Кольцевая канавка и три отверстия для смазывания в наружном кольце подшипника. Коническое внутреннее отверстие. |
| 23072-E1A-K-MB1 + H3072-HG | Класс допуска (FAG) для подшипников шпинделя (аналог P2). Коническое отверстие. Конусность 1/12. Латунный сепаратор. массивный. |
| 23072-K-MB+H3072 | Коническое отверстие. Конусность 1/12. сепаратор из латуни. центрированный по внутреннему кольцу. |
| 23072-K-MB+AH3072G | Коническое отверстие. Конусность 1/12. сепаратор из латуни. центрированный по внутреннему кольцу. |
| 23072-E1A-K-MB1 + AH3072G-H | Коническое отверстие. Конусность 1/12. Pressed Snap-Type Steel Cage. Hardened. Латунный сепаратор. массивный. |
| 23072EK | Подшипник роликовый сферический. |
| 23072E | Повышенная грузоподъемность. |
| 23072 CCK/W33 + AOH 3072 G | Канавка для смазки и три отверстия во внешнем кольце подшипника. Измененная или модифицированная внутренняя конструкция при неизменных основных размерах. Устройство повторного смазывания со смазочной канавкой и отверстием на внешнем кольце. |
Модификации сферического роликового подшипника 23072-E1A-K-MB1 — это измененное основное конструктивное исполнение 23072, основные размеры (360x540x134) не отличаются.
| Обозначение | Гост | Конструктивные особенности |
|---|---|---|
| 3113172H | ISO | Pressed Snap-Type Steel Cage. Hardened. |
| 3003172H | ISO | Pressed Snap-Type Steel Cage. Hardened. |
| 3113172 | ISO | Подшипник роликовый сферический. |
Аналог сферического роликового подшипника 23072-E1A-K-MB1 — это подшипник такого же размера dx360,Dx540,Bx134, типа и конструкции.
| Обозначение | Конструктивные особенности | Внутренний (d) | Наружный (D) | Ширина (B) |
|---|---|---|---|---|
| 3053172Н | Роликовый радиальный двухрядный подшипник. Детали из теплостойкой стали. | 360.00 | 540.00 | 134.00 |
| 3113172-Н | Роликовый радиальный двухрядный подшипник. Детали из теплостойкой стали. | 360.00 | 540.00 | 134.00 |
| 3153172Н | Роликовый радиальный двухрядный подшипник. Детали из теплостойкой стали. | 360.00 | 540.00 | 134.00 |
| C 3072 KM/HA3C4 | Роликовый радиальный цилиндрический подшипник. Тороидальный подшипник CARB. Измененная или модифицированная внутренняя конструкция при неизменных основных размерах. Type Of Model. | 360.00 | 540.00 | 134.00 |
| NCF 3072 CV | Роликовый радиальный цилиндрический однорядный подшипник. Полноразмерный цилиндрический роликоподшипник с модифицированной внутренней конструкцией. Однорядный без сепараторный цилиндрический роликовый подшипник. | 360.00 | 540.00 | 134.00 |
| N3072 | Роликовый радиальный однорядный подшипник. Канавка под стопорное кольцо на наружном кольце подшипника. | 360.00 | 540.00 | 134.00 |
| NF3072 | Роликовый радиальный однорядный подшипник. Механически обработанный сепаратор из стали или специального чугуна. Канавка под стопорное кольцо на наружном кольце подшипника. | 360.00 | 540.00 | 134.00 |
| NJ3072 | Роликовый радиальный однорядный подшипник. Штампованный сепаратор из стального листа. Канавка под стопорное кольцо на наружном кольце подшипника. Однорядный цилиндрический роликовый подшипник. Наружное кольцо имеет два борта. | 360.00 | 540.00 | 134.00 |
| NN3072 | Роликовый радиальный цилиндрический двухрядный подшипник. Канавка под стопорное кольцо на наружном кольце подшипника. Двухрядный цилиндрический роликовый подшипник. | 360.00 | 540.00 | 134.00 |
| NN3072K | Роликовый радиальный цилиндрический двухрядный подшипник. Коническое внутреннее отверстие. Двухрядный цилиндрический роликовый подшипник. | 360.00 | 540.00 | 134.00 |
| NP3072 | Роликовый радиальный однорядный подшипник. Канавка под стопорное кольцо на наружном кольце подшипника. | 360.00 | 540.00 | 134.00 |
| NU3072 | Роликовый радиальный однорядный подшипник. Сталь сквозной закалки SUJ2 (японская) и взаимозаменяемость (только для метрических серий). Канавка под стопорное кольцо на наружном кольце подшипника. Однорядные цилиндрические роликоподшипники. Наружное кольцо подшипника имеет два борта. | 360.00 | 540.00 | 134.00 |
| NUP3072 | Роликовый радиальный однорядный подшипник. Канавка под стопорное кольцо на наружном кольце подшипника. Точность размеров примерно соответствует классу точности Р4. Однорядный цилиндрический роликовый подшипник. Наружное кольцо имеет два борта. | 360.00 | 540.00 | 134.00 |
| Z-565673.ZL-K-C5 | Роликовый радиальный подшипник. Коническое отверстие. Конусность 1/12. Внутренний зазор подшипника больше. чем С4. Цилиндрический роликовый подшипник. | 360.00 | 540.00 | 134.00 |
| 5-3182172 У | Роликовый радиальный двухрядный подшипник. Дополнительные технические требования. | 360.00 | 540.00 | 134.00 |
Способы доставки
Отправка через ведущие транспортные и курьерские компании: ПЭК, Деловые Линии, СДЭК, Байкал-Сервис, Энергия, КИТ, ЖелДорЭкспедиция.
Самовывоз возможен напрямую со склада в Москве.
Сроки доставки
Срок зависит от региона и выбранной транспортной компании. Все заказы комплектуются и отправляются в кратчайшие сроки со склада в Москве.
Надёжность и сохранность
Вся продукция упаковывается с учётом требований транспортировки. Мы гарантируем, что подшипники и комплектующие прибудут к заказчику в полной сохранности.
Доставка в страны ЕАЭС
Мы работаем с проверенными логистическими партнёрами, что позволяет оперативно доставлять заказы в Беларусь, Казахстан, Армению и другие страны ЕАЭС.
Варианты оплаты:
Минимальная сумма заказа и скидки:
Документы и гарантии:
Да, конечно! Наши технические специалисты готовы помочь вам с подбором точного аналога или замены подшипника. Просто позвоните нам по телефону +7 (495) 104-99-04 или напишите на почту zakaz@podsnab.ru.
Для оперативной консультации подготовьте, пожалуйста, имеющиеся данные: маркировку, размеры, тип оборудования или артикул старого подшипника.
Да, конечно! Мы высоко ценим долгосрочное сотрудничество и доверие клиентов по всей России. Для постоянных клиентов действует персональная система скидок.
Условия формируются индивидуально и зависят от:
Чтобы узнать свои условия и получить максимально выгодное предложение, свяжитесь с персональным менеджером или напишите нам на почту zakaz@podsnab.ru.
Вы можете оформить заказ несколькими способами:
Для оформления заказа от юридического лица свяжитесь с нашим отделом по работе с корпоративными клиентами по телефону +7 (495) 104-99-04 или напишите на email zakaz@podsnab.ru, прикрепив реквизиты вашей организации.
Мы оперативно подготовим коммерческое предложение и выставим счет.
Возврат товара надлежащего качества возможен в течение 10 дней с момента получения, если товар не был в употреблении, сохранен товарный вид, упаковка не вскрывалась и присутствуют все сопроводительные документы.
Возврат денежных средств осуществляется в течение 10 рабочих дней после проверки товара складом.
В соответствии с законодательством возврату не подлежат подшипники надлежащего качества, если отсутствует оригинальная упаковка или имеются следы монтажа.
В случае выявления брака или гарантийного случая мы гарантируем возврат или обмен товара.
Да, гарантийный срок хранения устанавливается заводом-изготовителем и в среднем составляет 2 года при соблюдении условий хранения: сухое помещение, оригинальная упаковка и смазка.
Точный срок для конкретного типа подшипника уточняйте у наших менеджеров.
Пн–Пт: с 8:00 до 17:00 (МСК).
Сб–Вс: выходные дни.
Заказы на сайте принимаются круглосуточно. Заявки, поступившие после окончания рабочего дня, обрабатываются на следующий рабочий день.
Минимальная сумма заказа для доставки составляет 3000 рублей. Самовывоз со склада возможен на любую сумму при наличии товара.
ООО «УралТехГрупп»
ИНН: 7415093830
КПП: 772401001
ОГРН: 1167456069021
Банк: ПАО Сбербанк
Р/с: 40702810838000475273
К/с: 30101810400000000225
БИК: 044525225
У подшипника 23072-E1A-K-MB1 пока нет отзывов. Вы можете стать первым покупателем, поделившимся своим мнением.