Поиск подшипника
Статьи
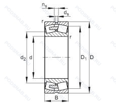
23180-E1A-MB1 — Подшипник роликовый сферический, модификация основного исполнения 23180, производство FAG.
Размер подшипника: 400x650x200 мм.
Латунный сепаратор. массивный, конструкция с увеличенной грузоподьемностью, модифицированная внутренняя конструкция.
Аналоги: 23180-BEA-XL-MB1 FAG.
Международная стандартизации ISO
23180E1AMB1
В наличии
| Обозначение | Конструктивные изменения |
|---|---|
| 23180K.MB.C3 | Внутренний зазор больше нормального. Коническое отверстие. конус 1/12. сепаратор из латуни. центрированный по внутреннему кольцу. |
| 23180W33 | Канавка для смазки и три отверстия во внешнем кольце подшипника. |
| 23180BK.MB.C3 | Внутренний зазор больше нормального. сепаратор из латуни. центрированный по внутреннему кольцу. Игольчатый роликовый подшипник со штампованным наружным кольцом с закрытым торцом. |
| 23180BK.MB | сепаратор из латуни. центрированный по внутреннему кольцу. Игольчатый роликовый подшипник со штампованным наружным кольцом с закрытым торцом. |
| 23180E1A.MB.C3 | Внутренний зазор больше нормального. Модифицированная внутренняя конструкция. сепаратор из латуни. центрированный по внутреннему кольцу. Конструкция с увеличенной грузоподьемностью. |
| 23180 K | Коническое отверстие. Конусность 1/12. |
| 23180 KW33 | Кольцевая канавка и три отверстия для смазывания в наружном кольце подшипника. Коническое внутреннее отверстие. |
| 23180RHA | With Convex Symmetric Rollers And One-Piece Machined Cage. |
| 23180R | С выпуклыми асимметричными роликами и обработанным сепаратором. |
| 23180-K-MB-W33+OH3180-H | Канавка для смазки и три отверстия во внешнем кольце подшипника. Коническое отверстие. Конусность 1/12. сепаратор из латуни. центрированный по внутреннему кольцу. Pressed Snap-Type Steel Cage. Hardened. |
| 23180-K-MB-W33 | Канавка для смазки и три отверстия во внешнем кольце подшипника. Коническое отверстие. Конусность 1/12. сепаратор из латуни. центрированный по внутреннему кольцу. |
| 23180-K-MB-W33+AH3180 | Канавка для смазки и три отверстия во внешнем кольце подшипника. Коническое отверстие. Конусность 1/12. сепаратор из латуни. центрированный по внутреннему кольцу. |
| 23180B | Конический роликовый подшипник. Угол контакта 20 градусов. |
| 23180BK | Игольчатый роликовый подшипник со штампованным наружным кольцом с закрытым торцом. |
| 23180-2CS5K/VT143 | Заполнение пластичной смазкой SKF LGEP 2 на 25–35 %. |
| 23180-2CS5/VT143 | Контактное уплотнение из листовой стали, усиленное гидрогенизированным акрилонитрил-бутадиеновым каучуком (HNBR) с обеих сторон. Свободное пространство в подшипнике на 70–100 % заполнено высокотемпературной смазкой.. Заполнение пластичной смазкой SKF LGEP 2 на 25–35 %. |
| 23180YMB | Бронзовый цельный сепаратор пальцевого типа. |
| 23180 KCW33+H3180 | Кольцевая канавка и три отверстия для смазывания в наружном кольце подшипника. Коническое внутреннее отверстие. |
| 23180 KCW33+AH3180 | Кольцевая канавка и три отверстия для смазывания в наружном кольце подшипника. Коническое внутреннее отверстие. |
| 23180-E1A-K-MB1 + AH3180G-H | Коническое отверстие. Конусность 1/12. Pressed Snap-Type Steel Cage. Hardened. Латунный сепаратор. массивный. |
| 23180-B-K-MB+H3180 | Коническое отверстие. Конусность 1/12. Конический роликовый подшипник. Угол контакта 20 градусов. сепаратор из латуни. центрированный по внутреннему кольцу. |
| 23180-E1A-K-MB1 + H3180-HG | Класс допуска (FAG) для подшипников шпинделя (аналог P2). Коническое отверстие. Конусность 1/12. Латунный сепаратор. массивный. |
| 23180-B-K-MB+AH3180G | Коническое отверстие. Конусность 1/12. Конический роликовый подшипник. Угол контакта 20 градусов. сепаратор из латуни. центрированный по внутреннему кольцу. |
| 23180E | Повышенная грузоподъемность. |
| 23180EK | Подшипник роликовый сферический. |
Модификации сферического роликового подшипника 23180-E1A-MB1 — это измененное основное конструктивное исполнение 23180, основные размеры (400x650x200) не отличаются.
| Обозначение | Гост | Конструктивные особенности |
|---|---|---|
| 3003780AMH | ISO | Подшипник роликовый сферический. |
| 23480CAK/HA3C4W33 | ISO | Канавка для смазки и три отверстия во внешнем кольце подшипника. Цельный обработанный латунный сепаратор. Двухрядный. Удерживающие фланцы на внутреннем кольце и центрированное направляющее кольцо на внутреннем кольце. Коническое отверстие. конус 1/12. Внутренний зазор подшипника больше. чем C3. Закаленное внутреннее кольцо. |
Аналог сферического роликового подшипника 23180-E1A-MB1 — это подшипник такого же размера dx400,Dx650,Bx200, типа и конструкции.
| Обозначение | Конструктивные особенности | Внутренний (d) | Наружный (D) | Ширина (B) |
|---|---|---|---|---|
| C3180KM | Тороидальный роликовый подшипник CARB. Тороидальный подшипник CARB. Type Of Model. | 400.00 | 650.00 | 200.00 |
| C3180M/C4 | Тороидальный роликовый подшипник CARB. Внутренний зазор подшипника больше. чем C3. Обработанный латунный сепаратор оконного типа. Центрированный ролик. | 400.00 | 650.00 | 200.00 |
| Z-535533.TR2 | Подшипник роликовый конический двухрядный. Двухрядный конический роликоподшипник. | 400.00 | 650.00 | 200.03 |
| Z-546363.TR2 | Подшипник роликовый конический двухрядный. Двухрядный конический роликоподшипник. | 400.00 | 650.00 | 200.00 |
| C3180MB | Тороидальный роликовый подшипник CARB. Латунный сепаратор из двух частей. Внутреннее кольцо центрировано. | 400.00 | 650.00 | 200.00 |
| C3180KMB | Тороидальный роликовый подшипник CARB. Тороидальный подшипник CARB. Коническое отверстие. конус 1/12. Латунный сепаратор из двух частей. Внутреннее кольцо центрировано. | 400.00 | 650.00 | 200.00 |
| 30-3113780 Н | Роликовый радиальный двухрядный подшипник. Детали из теплостойкой стали. | 400.00 | 650.00 | 200.00 |
| 3003780-Н | Роликовый радиальный двухрядный подшипник. Детали из теплостойкой стали. | 400.00 | 650.00 | 200.00 |
| 3053780Н | Роликовый радиальный двухрядный подшипник. Детали из теплостойкой стали. | 400.00 | 650.00 | 200.00 |
| 3113780-Н | Роликовый радиальный двухрядный подшипник. Детали из теплостойкой стали. | 400.00 | 650.00 | 200.00 |
| 3153780Н | Роликовый радиальный двухрядный подшипник. Детали из теплостойкой стали. | 400.00 | 650.00 | 200.00 |
| Z-565874.ZL-K-C5 | Роликовый радиальный подшипник. Коническое отверстие. Конусность 1/12. Внутренний зазор подшипника больше. чем С4. Цилиндрический роликовый подшипник. | 400.00 | 650.00 | 200.00 |
| 353106 C | Роликовый упорный подшипник. 15° Угол контакта. | 400.00 | 650.00 | 200.00 |
| 353106 D | Роликовый упорный подшипник. Половина целого игольчатого валика. Применять суффикс 'D' в базовом номере. | 400.00 | 650.00 | 200.00 |
| 780Н | Шариковый радиальный двухрядный подшипник. Детали из теплостойкой стали. | 400.00 | 650.00 | 200.00 |
Способы доставки
Отправка через ведущие транспортные и курьерские компании: ПЭК, Деловые Линии, СДЭК, Байкал-Сервис, Энергия, КИТ, ЖелДорЭкспедиция.
Самовывоз возможен напрямую со склада в Москве.
Сроки доставки
Срок зависит от региона и выбранной транспортной компании. Все заказы комплектуются и отправляются в кратчайшие сроки со склада в Москве.
Надёжность и сохранность
Вся продукция упаковывается с учётом требований транспортировки. Мы гарантируем, что подшипники и комплектующие прибудут к заказчику в полной сохранности.
Доставка в страны ЕАЭС
Мы работаем с проверенными логистическими партнёрами, что позволяет оперативно доставлять заказы в Беларусь, Казахстан, Армению и другие страны ЕАЭС.
Варианты оплаты:
Минимальная сумма заказа и скидки:
Документы и гарантии:
Да, конечно! Наши технические специалисты готовы помочь вам с подбором точного аналога или замены подшипника. Просто позвоните нам по телефону +7 (495) 104-99-04 или напишите на почту zakaz@podsnab.ru.
Для оперативной консультации подготовьте, пожалуйста, имеющиеся данные: маркировку, размеры, тип оборудования или артикул старого подшипника.
Да, конечно! Мы высоко ценим долгосрочное сотрудничество и доверие клиентов по всей России. Для постоянных клиентов действует персональная система скидок.
Условия формируются индивидуально и зависят от:
Чтобы узнать свои условия и получить максимально выгодное предложение, свяжитесь с персональным менеджером или напишите нам на почту zakaz@podsnab.ru.
Вы можете оформить заказ несколькими способами:
Для оформления заказа от юридического лица свяжитесь с нашим отделом по работе с корпоративными клиентами по телефону +7 (495) 104-99-04 или напишите на email zakaz@podsnab.ru, прикрепив реквизиты вашей организации.
Мы оперативно подготовим коммерческое предложение и выставим счет.
Возврат товара надлежащего качества возможен в течение 10 дней с момента получения, если товар не был в употреблении, сохранен товарный вид, упаковка не вскрывалась и присутствуют все сопроводительные документы.
Возврат денежных средств осуществляется в течение 10 рабочих дней после проверки товара складом.
В соответствии с законодательством возврату не подлежат подшипники надлежащего качества, если отсутствует оригинальная упаковка или имеются следы монтажа.
В случае выявления брака или гарантийного случая мы гарантируем возврат или обмен товара.
Да, гарантийный срок хранения устанавливается заводом-изготовителем и в среднем составляет 2 года при соблюдении условий хранения: сухое помещение, оригинальная упаковка и смазка.
Точный срок для конкретного типа подшипника уточняйте у наших менеджеров.
Пн–Пт: с 8:00 до 17:00 (МСК).
Сб–Вс: выходные дни.
Заказы на сайте принимаются круглосуточно. Заявки, поступившие после окончания рабочего дня, обрабатываются на следующий рабочий день.
Минимальная сумма заказа для доставки составляет 3000 рублей. Самовывоз со склада возможен на любую сумму при наличии товара.
ООО «УралТехГрупп»
ИНН: 7415093830
КПП: 772401001
ОГРН: 1167456069021
Банк: ПАО Сбербанк
Р/с: 40702810838000475273
К/с: 30101810400000000225
БИК: 044525225
У подшипника 23180-E1A-MB1 пока нет отзывов. Вы можете стать первым покупателем, поделившимся своим мнением.