Поиск подшипника
Статьи
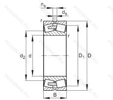
23256-E1A-MB1 — Подшипник роликовый сферический, модификация основного исполнения 23256, производство FAG.
Размер подшипника: 280x500x176 мм.
Латунный сепаратор. массивный, конструкция с увеличенной грузоподьемностью, модифицированная внутренняя конструкция.
Аналоги: 23256-BEA-XL-MB1 FAG,23256CAC/W33 SKF.
Международная стандартизации ISO
23256E1AMB1
В наличии
| Обозначение | Конструктивные изменения |
|---|---|
| 23256YMBW507C08 | Повышенная точность вращения до класса допуска ISO 5. Комбинация W4 (отметка высоких и низких точек эксцентриситета на поверхности колец) и W31 (подшипник проверен в соответствии с определенными требованиями контроля качества) и W33 (смазочная канавка и три смазочных отверстия на наружном кольце подшипника).. Цельный латунный сепаратор пальцевого типа. |
| 23256B | Цельное ребристое внутреннее кольцо. Асимметричные ролики и фиксатор с центральной направляющей. |
| 23256-K-MB-T52BW-C3 | Внутренний зазор больше нормального. Коническое отверстие. конус 1/12. сепаратор из латуни. центрированный по внутреннему кольцу. Повышенная точность вращения до класса допуска ISO 5. |
| 23256CAK C3R W33 | Канавка для смазки и три отверстия во внешнем кольце подшипника. Сепаратор из латуни с механической обработкой. Коническое отверстие. конус 1/12. Нормальный радиальный внутренний зазор между верхней и нижней частью. |
| 23256K W33 C3 | Внутренний зазор больше нормального. Канавка для смазки и три отверстия во внешнем кольце подшипника. Коническое отверстие. конус 1/12. |
| 23256CC/C3W33 | Внутренний зазор больше нормального. Канавка для смазки и три отверстия во внешнем кольце подшипника. Два стальных сепаратора оконного типа. Бесфланцевое внутреннее кольцо и направляющее кольцо центрировано на внутреннем кольце. |
| 23256CAC/W33 | Канавка для смазки и три отверстия во внешнем кольце подшипника. Сферический роликоподшипник конструкции CA. но с улучшенной направляющей ролика и. следовательно. меньшим трением. |
| 23256-BEA-XL-K-MB1-T52BW-C3 | Внутренний зазор больше нормального. Коническое отверстие. конус 1/12. Серия X-Life премиум-класс. увеличиный срок службы. Повышенная точность вращения до класса допуска ISO 5. 40° Угол контакта. High Capacity. All Four Corners Equal. Латунный сепаратор. массивный. |
| 23256EM K D1 | Коническое отверстие. конус 1/12. Канавка и три смазочных отверстия на наружном кольце. Стандартный фланцевый ( с резьбой и сквозным отверстием). |
| 23256C3 W33 | Внутренний зазор больше нормального. Канавка для смазки и три отверстия во внешнем кольце подшипника. |
| 23256K C3 W33 | Внутренний зазор больше нормального. Канавка для смазки и три отверстия во внешнем кольце подшипника. Коническое отверстие. конус 1/12. |
| 23256MK | Поверхность контакта скольжения сталь / сталь. |
| 23256EMBW507C08C3 | Внутренний зазор больше нормального. Land-Riding One-Piece Brass Cage. Повышенная точность вращения до класса допуска ISO 5. Комбинация W4 (отметка высоких и низких точек эксцентриситета на поверхности колец) и W31 (подшипник проверен в соответствии с определенными требованиями контроля качества) и W33 (смазочная канавка и три смазочных отверстия на наружном кольце подшипника).. |
| 23256 KW33 | Кольцевая канавка и три отверстия для смазывания в наружном кольце подшипника. Коническое внутреннее отверстие. |
| 23256R | С выпуклыми асимметричными роликами и обработанным сепаратором. |
| 23256RHA | With Convex Symmetric Rollers And One-Piece Machined Cage. |
| 23256-K-MB-W33+AH2356 | Канавка для смазки и три отверстия во внешнем кольце подшипника. Коническое отверстие. Конусность 1/12. сепаратор из латуни. центрированный по внутреннему кольцу. |
| 23256-K-MB-W33+OH2356-H | Канавка для смазки и три отверстия во внешнем кольце подшипника. Коническое отверстие. Конусность 1/12. сепаратор из латуни. центрированный по внутреннему кольцу. Pressed Snap-Type Steel Cage. Hardened. |
| 23256YMB | Бронзовый цельный сепаратор пальцевого типа. |
| 23256 KCW33+H2356 | Кольцевая канавка и три отверстия для смазывания в наружном кольце подшипника. Коническое внутреннее отверстие. |
| 23256 KCW33+AH2356 | Кольцевая канавка и три отверстия для смазывания в наружном кольце подшипника. Коническое внутреннее отверстие. |
| 23256-K-MB+AH2356G | Коническое отверстие. Конусность 1/12. сепаратор из латуни. центрированный по внутреннему кольцу. |
| 23256-E1A-K-MB1 + H2356X | Коническое отверстие. Конусность 1/12. Латунный сепаратор. массивный. |
| 23256-E1A-K-MB1 + AH2356G | Коническое отверстие. Конусность 1/12. Латунный сепаратор. массивный. |
| 23256EK | Подшипник роликовый сферический. |
Модификации сферического роликового подшипника 23256-E1A-MB1 — это измененное основное конструктивное исполнение 23256, основные размеры (280x500x176) не отличаются.
| Обозначение | Гост | Конструктивные особенности |
|---|---|---|
| F-803879.23256-MB | ISO | сепаратор из латуни. центрированный по внутреннему кольцу. |
Аналог сферического роликового подшипника 23256-E1A-MB1 — это подшипник такого же размера dx280,Dx500,Bx176, типа и конструкции.
| Обозначение | Конструктивные особенности | Внутренний (d) | Наружный (D) | Ширина (B) |
|---|---|---|---|---|
| 3003256 | Роликовый радиальный двухрядный подшипник. | 280.00 | 500.00 | 176.00 |
| 3053256 | Роликовый радиальный двухрядный подшипник. | 280.00 | 500.00 | 176.00 |
| 3113256 | Роликовый радиальный двухрядный подшипник. | 280.00 | 500.00 | 176.00 |
| 3153256 | Роликовый радиальный двухрядный подшипник. | 280.00 | 500.00 | 176.00 |
| 3053256Н | Роликовый радиальный двухрядный подшипник. Детали из теплостойкой стали. | 280.00 | 500.00 | 176.00 |
| 3153256Н | Роликовый радиальный двухрядный подшипник. Детали из теплостойкой стали. | 280.00 | 500.00 | 176.00 |
| TL23256CAE4 | Роликовый радиальный сферический двухрядный подшипник. | 280.00 | 500.00 | 176.00 |
| TL23256CAKE4 | Роликовый радиальный сферический двухрядный подшипник. | 280.00 | 500.00 | 176.00 |
Способы доставки
Отправка через ведущие транспортные и курьерские компании: ПЭК, Деловые Линии, СДЭК, Байкал-Сервис, Энергия, КИТ, ЖелДорЭкспедиция.
Самовывоз возможен напрямую со склада в Москве.
Сроки доставки
Срок зависит от региона и выбранной транспортной компании. Все заказы комплектуются и отправляются в кратчайшие сроки со склада в Москве.
Надёжность и сохранность
Вся продукция упаковывается с учётом требований транспортировки. Мы гарантируем, что подшипники и комплектующие прибудут к заказчику в полной сохранности.
Доставка в страны ЕАЭС
Мы работаем с проверенными логистическими партнёрами, что позволяет оперативно доставлять заказы в Беларусь, Казахстан, Армению и другие страны ЕАЭС.
Варианты оплаты:
Минимальная сумма заказа и скидки:
Документы и гарантии:
Да, конечно! Наши технические специалисты готовы помочь вам с подбором точного аналога или замены подшипника. Просто позвоните нам по телефону +7 (495) 104-99-04 или напишите на почту zakaz@podsnab.ru.
Для оперативной консультации подготовьте, пожалуйста, имеющиеся данные: маркировку, размеры, тип оборудования или артикул старого подшипника.
Да, конечно! Мы высоко ценим долгосрочное сотрудничество и доверие клиентов по всей России. Для постоянных клиентов действует персональная система скидок.
Условия формируются индивидуально и зависят от:
Чтобы узнать свои условия и получить максимально выгодное предложение, свяжитесь с персональным менеджером или напишите нам на почту zakaz@podsnab.ru.
Вы можете оформить заказ несколькими способами:
Для оформления заказа от юридического лица свяжитесь с нашим отделом по работе с корпоративными клиентами по телефону +7 (495) 104-99-04 или напишите на email zakaz@podsnab.ru, прикрепив реквизиты вашей организации.
Мы оперативно подготовим коммерческое предложение и выставим счет.
Возврат товара надлежащего качества возможен в течение 10 дней с момента получения, если товар не был в употреблении, сохранен товарный вид, упаковка не вскрывалась и присутствуют все сопроводительные документы.
Возврат денежных средств осуществляется в течение 10 рабочих дней после проверки товара складом.
В соответствии с законодательством возврату не подлежат подшипники надлежащего качества, если отсутствует оригинальная упаковка или имеются следы монтажа.
В случае выявления брака или гарантийного случая мы гарантируем возврат или обмен товара.
Да, гарантийный срок хранения устанавливается заводом-изготовителем и в среднем составляет 2 года при соблюдении условий хранения: сухое помещение, оригинальная упаковка и смазка.
Точный срок для конкретного типа подшипника уточняйте у наших менеджеров.
Пн–Пт: с 8:00 до 17:00 (МСК).
Сб–Вс: выходные дни.
Заказы на сайте принимаются круглосуточно. Заявки, поступившие после окончания рабочего дня, обрабатываются на следующий рабочий день.
Минимальная сумма заказа для доставки составляет 3000 рублей. Самовывоз со склада возможен на любую сумму при наличии товара.
ООО «УралТехГрупп»
ИНН: 7415093830
КПП: 772401001
ОГРН: 1167456069021
Банк: ПАО Сбербанк
Р/с: 40702810838000475273
К/с: 30101810400000000225
БИК: 044525225
У подшипника 23256-E1A-MB1 пока нет отзывов. Вы можете стать первым покупателем, поделившимся своим мнением.