Поиск подшипника
Статьи
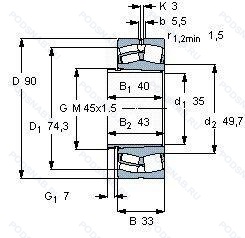
22308EAK E4 C3 — Подшипник роликовый сферический, модификация основного исполнения 22308, производство NSK.
Размер подшипника: 40x90x33 мм.
Внутренний зазор больше нормального, канавка для смазки и три отверстия во внешнем кольце подшипника, увеличенная грузоподъемность. лучше. чем прежний суффикс e, коническое отверстие. конус 1/12.
Аналоги: 22308E1K.C3 FAG,22308-E1-K-C3 FAG,22308ESK.C3 FAG,22308EK.C3 FAG,22308-E1-XL-K-C3 FAG,22308CCK/C3 SKF,22308EK/C3 SKF,22308CCK/C3W33 SKF,22308K CJ W33 C3 Timken,22308VK B33 J30 SNR,22308EK C3 W33 NKE,22308CK/C3 Steyr,22308.EAKW33C3 SNR,22308K.C3 NKE,22308.EAKW33 SNR,22308EK W33 J C3 ZKL,22308K W33 C3 KML.
Международная стандартизации ISO
22308EAKE4C3
В наличии
| Обозначение | Конструктивные изменения |
|---|---|
| 22308EK C3+H2308 | Внутренний зазор больше нормального. Коническое отверстие. конус 1/12. Увеличенная грузоподъемность подшипника. |
| 22308VK B33 J30 | Внутренний зазор больше нормального. W33 (SKF)= смазочная канавка и три отверстия в наружном кольце подшипника. Подшипники с четырехточечным контактом с радиальным предварительным натягом от 0 до 15 мкм. |
| 22308CK D1 | С симметричными роликами. Коническое отверстие. конус 1/12. Канавка для смазки и три отверстия во внешнем кольце подшипника. |
| 22308C D1 | С симметричными роликами. Канавка и три смазочных отверстия на наружном кольце. |
| 22308EAK D1 C3 | Внутренний зазор больше нормального. Коническое отверстие. конус 1/12. Увеличенная грузоподъемность. Лучше. чем прежний суффикс E. Канавка для смазки и три отверстия во внешнем кольце подшипника. |
| 22308KVJ W33 | Канавка для смазки и три отверстия во внешнем кольце подшипника. Коническое отверстие. конус 1/12. Стальной сепаратор из 2 частей - пальцевый тип. |
| 22308SK.MB.C3 | Внутренний зазор больше нормального. Кулачковый толкатель штифтового типа. С шестигранной головкой. сепаратор из латуни. центрированный по внутреннему кольцу. |
| 22308E.M1.C3 | Внутренний зазор больше нормального. Увеличенная грузоподъемность подшипника. Обрабатываемый латунный сепаратор. Направляющий роликовый элемент (крестовина приклепана). |
| 22308 K+AH2308 | Коническое отверстие. Конусность 1/12. |
| 22308 VA | Нержавеющая сталь. |
| 22308-2RS | Резиновые уплотнения с каждой стороны подшипника. |
| 22308-E-K-W33+H2308 | Канавка для смазки и три отверстия во внешнем кольце подшипника. Коническое отверстие. Конусность 1/12. Повышенная грузоподъемность. |
| 22308RHR | As RHR-Type Spherical Roller Bearings Are Implemented Dimension Stabilizing Treatment And Steel Plate Cage Are Assembled. They Can Be Used Up To 200°C. |
| 22308-E-W33 | Канавка для смазки и три отверстия во внешнем кольце подшипника. Повышенная грузоподъемность. |
| 22308-E-K-W33+AH2308 | Канавка для смазки и три отверстия во внешнем кольце подшипника. Коническое отверстие. Конусность 1/12. Повышенная грузоподъемность. |
| 22308YM | 1 Piece Bronze Cage - Finger Type. |
| 22308CY | KOYO Bearings In FAG Packaging. FAG Bearing On Display. Greater Rounding-Rays For The Angles Than Normal. |
| 22308 KCW33+AH2308 | Кольцевая канавка и три отверстия для смазывания в наружном кольце подшипника. Коническое внутреннее отверстие. |
| 22308 KCW33+H2308 | Кольцевая канавка и три отверстия для смазывания в наружном кольце подшипника. Коническое внутреннее отверстие. |
| 22308-E1-K-T41A + H2308 | Коническое отверстие. Конусность 1/12. Конструкция с увеличенной грузоподьемностью. Для вибросит/виброгрохотов (Зазор С4). |
| 22308-E1-K + AH2308 | Коническое отверстие. Конусность 1/12. Конструкция с увеличенной грузоподьемностью. |
| 22308-E1-K-T41A | Коническое отверстие. Конусность 1/12. Конструкция с увеличенной грузоподьемностью. Для вибросит/виброгрохотов (Зазор С4). |
| 22308-E1-K + H2308 | Коническое отверстие. Конусность 1/12. Конструкция с увеличенной грузоподьемностью. |
| 22308AEX | Высокоскоростной и высокопроизводительный сферический роликоподшипник. |
| 22308 EK + AH 2308 | Противовращающийся штырь. Массивные ножки и свободный момент выравнивания. |
Модификации сферического роликового подшипника 22308EAK E4 C3 — это измененное основное конструктивное исполнение 22308, основные размеры (40x90x33) не отличаются.
| Обозначение | Гост | Конструктивные особенности |
|---|---|---|
| 53608 | ISO | Подшипник роликовый сферический. |
| SB22308W33 C3 | ISO | Внутренний зазор больше нормального. Канавка для смазки и три отверстия во внешнем кольце подшипника. |
| 223080E1 | ISO | Конструкция с увеличенной грузоподьемностью. |
Аналог сферического роликового подшипника 22308EAK E4 C3 — это подшипник такого же размера dx40,Dx90,Bx33, типа и конструкции.
| Обозначение | Конструктивные особенности | Внутренний (d) | Наружный (D) | Ширина (B) |
|---|---|---|---|---|
| 6-32608 КМ | Роликовый радиальный однорядный подшипник. Модифицированный контакт.. | 40.00 | 90.00 | 33.00 |
| 6-32608 ЛМ | Роликовый радиальный однорядный подшипник. Сепаратор из латуни.. Модифицированный контакт.. | 40.00 | 90.00 | 33.00 |
| 7608A | Роликовый радиальный-упорный однорядный подшипник. Двухрядный радиально-упорный шарикоподшипник без отверстия для смазки. | 40.00 | 90.00 | 33.00 |
| 180608-A1 | Шариковый радиальный однорядный подшипник. ABEC.1. | 40.00 | 90.00 | 33.00 |
| 2308 TN9 | Шариковый сферический двухрядный подшипник. Литой защелкивающийся сепаратор из полиамида. армированного стекловолокном 6.6. | 40.00 | 90.00 | 33.00 |
| 2308E-2RS1KTN9 | Шариковый сферический двухрядный подшипник. Повышенная грузоподъемность. | 40.00 | 90.00 | 33.00 |
| NJ 2308 ECPH | Роликовый радиальный однорядный подшипник. Однорядный цилиндрический роликовый подшипник. | 40.00 | 90.00 | 33.00 |
| NU 2308 ECPH | Роликовый радиальный однорядный подшипник. Однорядный цилиндрический роликовый подшипник. | 40.00 | 90.00 | 33.00 |
| 492608-М | Роликовый радиальный цилиндрический однорядный подшипник. Модифицированный контакт.. | 40.00 | 90.00 | 33.00 |
| 53608-К | Роликовый радиальный двухрядный подшипник. Кольцевая проточка на середине цилиндрической наружной поверхности наружного кольца плюс три отверстия для смазки. | 40.00 | 90.00 | 33.00 |
| 53608-Е | Роликовый радиальный двухрядный подшипник. Сепаратор из текстолита.. | 40.00 | 90.00 | 33.00 |
| 53608-Л | Роликовый радиальный двухрядный подшипник. Сепаратор из латуни.. | 40.00 | 90.00 | 33.00 |
| 53608-Н | Роликовый радиальный двухрядный подшипник. Детали из теплостойкой стали. | 40.00 | 90.00 | 33.00 |
| 6-1608 Л | Шариковый радиальный двухрядный подшипник. Сепаратор из латуни.. | 40.00 | 90.00 | 33.00 |
| 6-180608 Ш | Шариковый радиальный однорядный подшипник. Нормы шумности. | 40.00 | 90.00 | 33.00 |
Способы доставки
Отправка через ведущие транспортные и курьерские компании: ПЭК, Деловые Линии, СДЭК, Байкал-Сервис, Энергия, КИТ, ЖелДорЭкспедиция.
Самовывоз возможен напрямую со склада в Москве.
Сроки доставки
Срок зависит от региона и выбранной транспортной компании. Все заказы комплектуются и отправляются в кратчайшие сроки со склада в Москве.
Надёжность и сохранность
Вся продукция упаковывается с учётом требований транспортировки. Мы гарантируем, что подшипники и комплектующие прибудут к заказчику в полной сохранности.
Доставка в страны ЕАЭС
Мы работаем с проверенными логистическими партнёрами, что позволяет оперативно доставлять заказы в Беларусь, Казахстан, Армению и другие страны ЕАЭС.
Варианты оплаты:
Минимальная сумма заказа и скидки:
Документы и гарантии:
Да, конечно! Наши технические специалисты готовы помочь вам с подбором точного аналога или замены подшипника. Просто позвоните нам по телефону +7 (495) 104-99-04 или напишите на почту zakaz@podsnab.ru.
Для оперативной консультации подготовьте, пожалуйста, имеющиеся данные: маркировку, размеры, тип оборудования или артикул старого подшипника.
Да, конечно! Мы высоко ценим долгосрочное сотрудничество и доверие клиентов по всей России. Для постоянных клиентов действует персональная система скидок.
Условия формируются индивидуально и зависят от:
Чтобы узнать свои условия и получить максимально выгодное предложение, свяжитесь с персональным менеджером или напишите нам на почту zakaz@podsnab.ru.
Вы можете оформить заказ несколькими способами:
Для оформления заказа от юридического лица свяжитесь с нашим отделом по работе с корпоративными клиентами по телефону +7 (495) 104-99-04 или напишите на email zakaz@podsnab.ru, прикрепив реквизиты вашей организации.
Мы оперативно подготовим коммерческое предложение и выставим счет.
Возврат товара надлежащего качества возможен в течение 10 дней с момента получения, если товар не был в употреблении, сохранен товарный вид, упаковка не вскрывалась и присутствуют все сопроводительные документы.
Возврат денежных средств осуществляется в течение 10 рабочих дней после проверки товара складом.
В соответствии с законодательством возврату не подлежат подшипники надлежащего качества, если отсутствует оригинальная упаковка или имеются следы монтажа.
В случае выявления брака или гарантийного случая мы гарантируем возврат или обмен товара.
Да, гарантийный срок хранения устанавливается заводом-изготовителем и в среднем составляет 2 года при соблюдении условий хранения: сухое помещение, оригинальная упаковка и смазка.
Точный срок для конкретного типа подшипника уточняйте у наших менеджеров.
Пн–Пт: с 8:00 до 17:00 (МСК).
Сб–Вс: выходные дни.
Заказы на сайте принимаются круглосуточно. Заявки, поступившие после окончания рабочего дня, обрабатываются на следующий рабочий день.
Минимальная сумма заказа для доставки составляет 3000 рублей. Самовывоз со склада возможен на любую сумму при наличии товара.
ООО «УралТехГрупп»
ИНН: 7415093830
КПП: 772401001
ОГРН: 1167456069021
Банк: ПАО Сбербанк
Р/с: 40702810838000475273
К/с: 30101810400000000225
БИК: 044525225
У подшипника 22308EAK E4 C3 пока нет отзывов. Вы можете стать первым покупателем, поделившимся своим мнением.