Поиск подшипника
Статьи
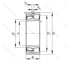
22244E1K — Подшипник роликовый сферический, модификация основного исполнения 22244, производство FAG.
Размер подшипника: 220x400x108 мм.
Конструкция с увеличенной грузоподьемностью, коническое отверстие. конус 1/12.
Аналоги: 22244-E1-K FAG,22244-BE-XL-K FAG,22244CCK/W33 SKF.
Международная стандартизации ISO
22244E1K
В наличии
| Обозначение | Конструктивные изменения |
|---|---|
| 22244CA W33 S1 | Канавка для смазки и три отверстия во внешнем кольце подшипника. Сепаратор из латуни с механической обработкой. Стабильность размеров при рабочих температурах до +200°C. |
| 22244 W33 | Канавка для смазки и три отверстия во внешнем кольце подшипника. |
| 22244RK W33 FY | Канавка для смазки и три отверстия во внешнем кольце подшипника. Коническое отверстие. конус 1/12. С выпуклыми асимметричными роликами и обработанным сепаратором. Механически обработанный латунный сепаратор. |
| 22244MW33C3 | Внутренний зазор больше нормального. Канавка для смазки и три отверстия во внешнем кольце подшипника. Механически обработанный латунный сепаратор .Расположенный на элементах качения. |
| 22244BK C3 | Внутренний зазор больше нормального. Игольчатый роликовый подшипник со штампованным наружным кольцом с закрытым торцом. |
| 22244CK/W33 | Два стальных сепаратора оконного типа. Бесфланцевое внутреннее кольцо и направляющее кольцо центрировано на внутреннем кольце. Канавка для смазки и три отверстия во внешнем кольце подшипника. Коническое отверстие. конус 1/12. |
| 22244KEMBW33C3 | Внутренний зазор больше нормального. Канавка для смазки и три отверстия во внешнем кольце подшипника. Коническое отверстие. конус 1/12. Land-Riding One-Piece Brass Cage. |
| 22244EW33K | Канавка для смазки и три отверстия во внешнем кольце подшипника. Коническое отверстие. конус 1/12. Изменение конструкции роликового подшипника. |
| 22244C3 W33 | Внутренний зазор больше нормального. Канавка для смазки и три отверстия во внешнем кольце подшипника. |
| 22244C4 W33 | Канавка для смазки и три отверстия во внешнем кольце подшипника. Внутренний зазор подшипника больше. чем C3. |
| 22244EJW33 | Канавка для смазки и три отверстия во внешнем кольце подшипника. Land-Riding Steel Cage_ One Per Row. |
| 22244 KW33 | Кольцевая канавка и три отверстия для смазывания в наружном кольце подшипника. Коническое внутреннее отверстие. |
| 22244RHA | With Convex Symmetric Rollers And One-Piece Machined Cage. |
| 22244R | С выпуклыми асимметричными роликами и обработанным сепаратором. |
| 22244-K-MB-W33+AH3144 | Канавка для смазки и три отверстия во внешнем кольце подшипника. Коническое отверстие. Конусность 1/12. сепаратор из латуни. центрированный по внутреннему кольцу. |
| 22244-K-MB-W33+OH3144-H | Канавка для смазки и три отверстия во внешнем кольце подшипника. Коническое отверстие. Конусность 1/12. сепаратор из латуни. центрированный по внутреннему кольцу. Pressed Snap-Type Steel Cage. Hardened. |
| 22244YMB | Бронзовый цельный сепаратор пальцевого типа. |
| 22244 KCW33+AH2244 | Кольцевая канавка и три отверстия для смазывания в наружном кольце подшипника. Коническое внутреннее отверстие. |
| 22244 KCW33+H3144 | Кольцевая канавка и три отверстия для смазывания в наружном кольце подшипника. Коническое внутреннее отверстие. |
| 22244-E1-K + AH2244 | Коническое отверстие. Конусность 1/12. Конструкция с увеличенной грузоподьемностью. |
| 22244-B-K-MB+AH2244 | Коническое отверстие. Конусность 1/12. Конический роликовый подшипник. Угол контакта 20 градусов. сепаратор из латуни. центрированный по внутреннему кольцу. |
| 22244-E1-K + H3144X | Коническое отверстие. Конусность 1/12. Конструкция с увеличенной грузоподьемностью. |
| 22244EK | Подшипник роликовый сферический. |
| 22244E | Повышенная грузоподъемность. |
| 22244 CCK/W33 + OH 3144 H | Канавка для смазки и три отверстия во внешнем кольце подшипника. Pressed Snap-Type Steel Cage. Hardened. Отверстие для смазки. |
Модификации сферического роликового подшипника 22244E1K — это измененное основное конструктивное исполнение 22244, основные размеры (220x400x108) не отличаются.
| Обозначение | Гост | Конструктивные особенности |
|---|---|---|
| 113544AMH | ISO | Подшипник роликовый сферический. |
| 3544AMH | ISO | Подшипник роликовый сферический. |
Аналог сферического роликового подшипника 22244E1K — это подшипник такого же размера dx220,Dx400,Bx108, типа и конструкции.
| Обозначение | Конструктивные особенности | Внутренний (d) | Наружный (D) | Ширина (B) |
|---|---|---|---|---|
| NUP2244 | Роликовый радиальный однорядный подшипник. Сталь сквозной закалки SUJ2 (японская) и взаимозаменяемость (только для метрических серий). Канавка под стопорное кольцо на наружном кольце подшипника. Точность размеров примерно соответствует классу точности Р4. Класс точности 2. Однорядный цилиндрический роликовый подшипник. Наружное кольцо имеет два борта. | 220.00 | 400.00 | 108.00 |
| NJ2244-E-M6+HJ2244-E | Роликовый радиальный однорядный подшипник. Повышенная грузоподъемность. 20-28 UM (C3 & C4). | 220.00 | 400.00 | 108.00 |
| NJ2244-E-MA6+HJ2244-E | Роликовый радиальный однорядный подшипник. Повышенная грузоподъемность. Изготовленный из двух частей латунный сепаратор. Центрирование по внешнему кольцу. Различные конструкции или сорта материалов обозначаются цифрой или буквой.. | 220.00 | 400.00 | 108.00 |
| NJ2244-E-MA6 | Роликовый радиальный однорядный подшипник. Повышенная грузоподъемность. Изготовленный из двух частей латунный сепаратор. Центрирование по внешнему кольцу. Различные конструкции или сорта материалов обозначаются цифрой или буквой.. | 220.00 | 400.00 | 108.00 |
| NJ2244-E-M6 | Роликовый радиальный однорядный подшипник. Повышенная грузоподъемность. 20-28 UM (C3 & C4). | 220.00 | 400.00 | 108.00 |
| NJ2244-E-MPA+HJ2244-E | Роликовый радиальный однорядный подшипник. Повышенная грузоподъемность. Твердый латунный сепаратор. | 220.00 | 400.00 | 108.00 |
| NJ2244-E-MPA | Роликовый радиальный однорядный подшипник. Повышенная грузоподъемность. Твердый латунный сепаратор. | 220.00 | 400.00 | 108.00 |
| NU2244-E-MA6 | Роликовый радиальный однорядный подшипник. Повышенная грузоподъемность. Изготовленный из двух частей латунный сепаратор. Центрирование по внешнему кольцу. Различные конструкции или сорта материалов обозначаются цифрой или буквой.. | 220.00 | 400.00 | 108.00 |
| NU2244-E-MPA | Роликовый радиальный однорядный подшипник. Повышенная грузоподъемность. Твердый латунный сепаратор. | 220.00 | 400.00 | 108.00 |
| NU2244-E-M6 | Роликовый радиальный однорядный подшипник. Повышенная грузоподъемность. 20-28 UM (C3 & C4). | 220.00 | 400.00 | 108.00 |
| С8-3544 | Роликовый радиальный двухрядный подшипник. Смазка ВНИИНП-235. | 220.00 | 400.00 | 108.00 |
| 8-32544 М | Роликовый радиальный однорядный подшипник. Модифицированный контакт.. | 220.00 | 400.00 | 108.00 |
| 6-32544 М | Роликовый радиальный однорядный подшипник. Модифицированный контакт.. | 220.00 | 400.00 | 108.00 |
| NJ 2244 ECML | Роликовый радиальный однорядный подшипник. Однорядный цилиндрический роликовый подшипник. | 220.00 | 400.00 | 108.00 |
| 53544Н | Роликовый радиальный двухрядный подшипник. Детали из теплостойкой стали. | 220.00 | 400.00 | 108.00 |
Способы доставки
Отправка через ведущие транспортные и курьерские компании: ПЭК, Деловые Линии, СДЭК, Байкал-Сервис, Энергия, КИТ, ЖелДорЭкспедиция.
Самовывоз возможен напрямую со склада в Москве.
Сроки доставки
Срок зависит от региона и выбранной транспортной компании. Все заказы комплектуются и отправляются в кратчайшие сроки со склада в Москве.
Надёжность и сохранность
Вся продукция упаковывается с учётом требований транспортировки. Мы гарантируем, что подшипники и комплектующие прибудут к заказчику в полной сохранности.
Доставка в страны ЕАЭС
Мы работаем с проверенными логистическими партнёрами, что позволяет оперативно доставлять заказы в Беларусь, Казахстан, Армению и другие страны ЕАЭС.
Варианты оплаты:
Минимальная сумма заказа и скидки:
Документы и гарантии:
Да, конечно! Наши технические специалисты готовы помочь вам с подбором точного аналога или замены подшипника. Просто позвоните нам по телефону +7 (495) 104-99-04 или напишите на почту zakaz@podsnab.ru.
Для оперативной консультации подготовьте, пожалуйста, имеющиеся данные: маркировку, размеры, тип оборудования или артикул старого подшипника.
Да, конечно! Мы высоко ценим долгосрочное сотрудничество и доверие клиентов по всей России. Для постоянных клиентов действует персональная система скидок.
Условия формируются индивидуально и зависят от:
Чтобы узнать свои условия и получить максимально выгодное предложение, свяжитесь с персональным менеджером или напишите нам на почту zakaz@podsnab.ru.
Вы можете оформить заказ несколькими способами:
Для оформления заказа от юридического лица свяжитесь с нашим отделом по работе с корпоративными клиентами по телефону +7 (495) 104-99-04 или напишите на email zakaz@podsnab.ru, прикрепив реквизиты вашей организации.
Мы оперативно подготовим коммерческое предложение и выставим счет.
Возврат товара надлежащего качества возможен в течение 10 дней с момента получения, если товар не был в употреблении, сохранен товарный вид, упаковка не вскрывалась и присутствуют все сопроводительные документы.
Возврат денежных средств осуществляется в течение 10 рабочих дней после проверки товара складом.
В соответствии с законодательством возврату не подлежат подшипники надлежащего качества, если отсутствует оригинальная упаковка или имеются следы монтажа.
В случае выявления брака или гарантийного случая мы гарантируем возврат или обмен товара.
Да, гарантийный срок хранения устанавливается заводом-изготовителем и в среднем составляет 2 года при соблюдении условий хранения: сухое помещение, оригинальная упаковка и смазка.
Точный срок для конкретного типа подшипника уточняйте у наших менеджеров.
Пн–Пт: с 8:00 до 17:00 (МСК).
Сб–Вс: выходные дни.
Заказы на сайте принимаются круглосуточно. Заявки, поступившие после окончания рабочего дня, обрабатываются на следующий рабочий день.
Минимальная сумма заказа для доставки составляет 3000 рублей. Самовывоз со склада возможен на любую сумму при наличии товара.
ООО «УралТехГрупп»
ИНН: 7415093830
КПП: 772401001
ОГРН: 1167456069021
Банк: ПАО Сбербанк
Р/с: 40702810838000475273
К/с: 30101810400000000225
БИК: 044525225
У подшипника 22244E1K пока нет отзывов. Вы можете стать первым покупателем, поделившимся своим мнением.