Поиск подшипника
Статьи
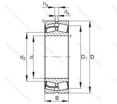
23056-E1 — Подшипник роликовый сферический, модификация основного исполнения 23056, производство FAG.
Размер подшипника: 280x420x106 мм.
Конструкция с увеличенной грузоподьемностью.
Аналоги: 23056-BE-XL FAG,23056CC/W33 SKF.
Международная стандартизации ISO
23056E1
В наличии
| Обозначение | Конструктивные изменения |
|---|---|
| 23056-CE-K-C3-W33 | Внутренний зазор больше нормального. Канавка для смазки и три отверстия во внешнем кольце подшипника. Коническое отверстие. конус 1/12. Имеют симметричные сферические ролики и стандартно оснащены сепаратором из штампованной стали. |
| 23056EMBW507C08C3 | Внутренний зазор больше нормального. Land-Riding One-Piece Brass Cage. Повышенная точность вращения до класса допуска ISO 5. Комбинация W4 (отметка высоких и низких точек эксцентриситета на поверхности колец) и W31 (подшипник проверен в соответствии с определенными требованиями контроля качества) и W33 (смазочная канавка и три смазочных отверстия на наружном кольце подшипника).. |
| 23056-BE-XL-K-C2 | Коническое отверстие. конус 1/12. Внутренний зазор подшипника меньше нормального. Серия X-Life премиум-класс. увеличиный срок службы. Увеличенная грузоподъемность подшипника. |
| 23056-BE-K-C2 | Коническое отверстие. конус 1/12. Внутренний зазор подшипника меньше нормального. Увеличенная грузоподъемность подшипника. |
| 23056K C4 W33 | Канавка для смазки и три отверстия во внешнем кольце подшипника. Коническое отверстие. конус 1/12. Внутренний зазор подшипника больше. чем C3. |
| 23056CA W33 S1 VL/5/A5 | Канавка для смазки и три отверстия во внешнем кольце подшипника. Сепаратор из латуни с механической обработкой. Стабильность размеров при рабочих температурах до +200°C. Distance Between Beginning Of The Rail And First Hole In MM. 25° Угол контакта. Бренд премиум-класса RKB Victory Line. |
| 23056EJW33 | Канавка для смазки и три отверстия во внешнем кольце подшипника. Land-Riding Steel Cage_ One Per Row. |
| 23056 K | Коническое отверстие. Конусность 1/12. |
| 23056 KW33 | Кольцевая канавка и три отверстия для смазывания в наружном кольце подшипника. Коническое внутреннее отверстие. |
| 23056W33 | Кольцевая канавка и три отверстия для смазывания в наружном кольце подшипника. |
| 23056R | С выпуклыми асимметричными роликами и обработанным сепаратором. |
| 23056RHA | With Convex Symmetric Rollers And One-Piece Machined Cage. |
| 23056-K-MB-W33+AH3056 | Канавка для смазки и три отверстия во внешнем кольце подшипника. Коническое отверстие. Конусность 1/12. сепаратор из латуни. центрированный по внутреннему кольцу. |
| 23056-K-MB-W33+OH3056-H | Канавка для смазки и три отверстия во внешнем кольце подшипника. Коническое отверстие. Конусность 1/12. сепаратор из латуни. центрированный по внутреннему кольцу. Pressed Snap-Type Steel Cage. Hardened. |
| 23056BK | Игольчатый роликовый подшипник со штампованным наружным кольцом с закрытым торцом. |
| 23056B | Конический роликовый подшипник. Угол контакта 20 градусов. |
| 23056 CCK/W33 + OH 3056 H | Канавка для смазки и три отверстия во внешнем кольце подшипника. Pressed Snap-Type Steel Cage. Hardened. Отверстие для смазки. |
| 23056YMB | Бронзовый цельный сепаратор пальцевого типа. |
| 23056 KCW33+AH3056 | Кольцевая канавка и три отверстия для смазывания в наружном кольце подшипника. Коническое внутреннее отверстие. |
| 23056 KCW33+H3056 | Кольцевая канавка и три отверстия для смазывания в наружном кольце подшипника. Коническое внутреннее отверстие. |
| 23056-E1-K + H3056 | Коническое отверстие. Конусность 1/12. Конструкция с увеличенной грузоподьемностью. |
| 23056-E1-K + AH3056 | Коническое отверстие. Конусность 1/12. Конструкция с увеличенной грузоподьемностью. |
| 23056-B-K-MB+AH3056 | Коническое отверстие. Конусность 1/12. Конический роликовый подшипник. Угол контакта 20 градусов. сепаратор из латуни. центрированный по внутреннему кольцу. |
| 23056EK | Подшипник роликовый сферический. |
| 23056E | Повышенная грузоподъемность. |
Модификации сферического роликового подшипника 23056-E1 — это измененное основное конструктивное исполнение 23056, основные размеры (280x420x106) не отличаются.
| Обозначение | Гост | Конструктивные особенности |
|---|---|---|
| 3003156AMH | ISO | Подшипник роликовый сферический. |
| 3113156AMH | ISO | Подшипник роликовый сферический. |
| TL23056CAG3MKE4 | ISO | Коническое отверстие. конус 1/12. Канавка для смазки и три отверстия во внешнем кольце подшипника. Machined Brass Cage. Located On The Rolling Elements + (Segment Precision. Code 20)=Carburized Steel - Inner Ring Carburized (Same As HA3). |
Аналог сферического роликового подшипника 23056-E1 — это подшипник такого же размера dx280,Dx420,Bx106, типа и конструкции.
| Обозначение | Конструктивные особенности | Внутренний (d) | Наружный (D) | Ширина (B) |
|---|---|---|---|---|
| 3003156-У | Роликовый радиальный двухрядный подшипник. Дополнительные технические требования. | 280.00 | 420.00 | 106.00 |
| 3003748-ЛК | Роликовый радиальный двухрядный подшипник. Сепаратор из латуни.. | 280.00 | 420.00 | 106.00 |
| 3053156Н | Роликовый радиальный двухрядный подшипник. Детали из теплостойкой стали. | 280.00 | 420.00 | 106.00 |
| 3113156-Н | Роликовый радиальный двухрядный подшипник. Детали из теплостойкой стали. | 280.00 | 420.00 | 106.00 |
| 3113156-АН | Роликовый радиальный двухрядный подшипник. Детали из теплостойкой стали. Повышенная грузоподъемность. | 280.00 | 420.00 | 106.00 |
| 3153156Н | Роликовый радиальный двухрядный подшипник. Детали из теплостойкой стали. | 280.00 | 420.00 | 106.00 |
| 3182156-Л | Роликовый радиальный двухрядный подшипник. Сепаратор из латуни.. | 280.00 | 420.00 | 106.00 |
| 3182156К | Роликовый радиальный двухрядный подшипник. Кольцевая проточка на середине цилиндрической наружной поверхности наружного кольца плюс три отверстия для смазки. | 280.00 | 420.00 | 106.00 |
| NCF 3056 CV | Роликовый радиальный цилиндрический однорядный подшипник. Полноразмерный цилиндрический роликоподшипник с модифицированной внутренней конструкцией. Однорядный без сепараторный цилиндрический роликовый подшипник. | 280.00 | 420.00 | 106.00 |
| NN3056 | Роликовый радиальный цилиндрический двухрядный подшипник. Канавка под стопорное кольцо на наружном кольце подшипника. Двухрядный цилиндрический роликовый подшипник. | 280.00 | 420.00 | 106.00 |
| Z-565669.ZL-K-C5 | Роликовый радиальный подшипник. Коническое отверстие. Конусность 1/12. Внутренний зазор подшипника больше. чем С4. Цилиндрический роликовый подшипник. | 280.00 | 420.00 | 106.00 |
| NN 3056/SPW33 | Роликовый радиальный двухрядный подшипник. Двухрядный цилиндрический роликовый подшипник. | 280.00 | 420.00 | 106.00 |
| C 3056 K/HA3C4 | Тороидальный однорядный подшипник. Тороидальный подшипник CARB. Коническое отверстие. Конусность 1/12. Измененная или модифицированная внутренняя конструкция при неизменных основных размерах. | 280.00 | 420.00 | 106.00 |
| 40-3003156 АНУ | Роликовый радиальный двухрядный подшипник. Детали из теплостойкой стали. Дополнительные технические требования. Повышенная грузоподъемность. | 280.00 | 420.00 | 106.00 |
| 5-3182156 Л | Роликовый радиальный двухрядный подшипник. Сепаратор из латуни.. | 280.00 | 420.00 | 106.00 |
Способы доставки
Отправка через ведущие транспортные и курьерские компании: ПЭК, Деловые Линии, СДЭК, Байкал-Сервис, Энергия, КИТ, ЖелДорЭкспедиция.
Самовывоз возможен напрямую со склада в Москве.
Сроки доставки
Срок зависит от региона и выбранной транспортной компании. Все заказы комплектуются и отправляются в кратчайшие сроки со склада в Москве.
Надёжность и сохранность
Вся продукция упаковывается с учётом требований транспортировки. Мы гарантируем, что подшипники и комплектующие прибудут к заказчику в полной сохранности.
Доставка в страны ЕАЭС
Мы работаем с проверенными логистическими партнёрами, что позволяет оперативно доставлять заказы в Беларусь, Казахстан, Армению и другие страны ЕАЭС.
Варианты оплаты:
Минимальная сумма заказа и скидки:
Документы и гарантии:
Да, конечно! Наши технические специалисты готовы помочь вам с подбором точного аналога или замены подшипника. Просто позвоните нам по телефону +7 (495) 104-99-04 или напишите на почту zakaz@podsnab.ru.
Для оперативной консультации подготовьте, пожалуйста, имеющиеся данные: маркировку, размеры, тип оборудования или артикул старого подшипника.
Да, конечно! Мы высоко ценим долгосрочное сотрудничество и доверие клиентов по всей России. Для постоянных клиентов действует персональная система скидок.
Условия формируются индивидуально и зависят от:
Чтобы узнать свои условия и получить максимально выгодное предложение, свяжитесь с персональным менеджером или напишите нам на почту zakaz@podsnab.ru.
Вы можете оформить заказ несколькими способами:
Для оформления заказа от юридического лица свяжитесь с нашим отделом по работе с корпоративными клиентами по телефону +7 (495) 104-99-04 или напишите на email zakaz@podsnab.ru, прикрепив реквизиты вашей организации.
Мы оперативно подготовим коммерческое предложение и выставим счет.
Возврат товара надлежащего качества возможен в течение 10 дней с момента получения, если товар не был в употреблении, сохранен товарный вид, упаковка не вскрывалась и присутствуют все сопроводительные документы.
Возврат денежных средств осуществляется в течение 10 рабочих дней после проверки товара складом.
В соответствии с законодательством возврату не подлежат подшипники надлежащего качества, если отсутствует оригинальная упаковка или имеются следы монтажа.
В случае выявления брака или гарантийного случая мы гарантируем возврат или обмен товара.
Да, гарантийный срок хранения устанавливается заводом-изготовителем и в среднем составляет 2 года при соблюдении условий хранения: сухое помещение, оригинальная упаковка и смазка.
Точный срок для конкретного типа подшипника уточняйте у наших менеджеров.
Пн–Пт: с 8:00 до 17:00 (МСК).
Сб–Вс: выходные дни.
Заказы на сайте принимаются круглосуточно. Заявки, поступившие после окончания рабочего дня, обрабатываются на следующий рабочий день.
Минимальная сумма заказа для доставки составляет 3000 рублей. Самовывоз со склада возможен на любую сумму при наличии товара.
ООО «УралТехГрупп»
ИНН: 7415093830
КПП: 772401001
ОГРН: 1167456069021
Банк: ПАО Сбербанк
Р/с: 40702810838000475273
К/с: 30101810400000000225
БИК: 044525225
У подшипника 23056-E1 пока нет отзывов. Вы можете стать первым покупателем, поделившимся своим мнением.