Поиск подшипника
Статьи
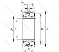
24064-E1A-MB1 — Подшипник роликовый сферический, модификация основного исполнения 24064, производство FAG.
Размер подшипника: 320x480x160 мм.
Латунный сепаратор. массивный, конструкция с увеличенной грузоподьемностью, модифицированная внутренняя конструкция.
Аналоги: 24064-BEA-XL-MB1 FAG.
Международная стандартизации ISO
24064E1AMB1
В наличии
| Обозначение | Конструктивные изменения |
|---|---|
| 24064B.MB.C3 | Внутренний зазор больше нормального. Модифицированная внутренняя конструкция. сепаратор из латуни. центрированный по внутреннему кольцу. |
| 24064-E1A-MB1-C3 | Внутренний зазор больше нормального. Модифицированная внутренняя конструкция. Конструкция с увеличенной грузоподьемностью. Латунный сепаратор. массивный. |
| 24064CA C3 W33 | Внутренний зазор больше нормального. Канавка для смазки и три отверстия во внешнем кольце подшипника. Сепаратор из латуни с механической обработкой. |
| 24064ECA C3 W33X S1 V | Внутренний зазор больше нормального. Подшипник без сепаратора. С полным комплектом тел качения. Стабилизирован для рабочих температур до +200°C. As The CA Design (Bearings With Symmetrical Rollers And Retaining RIbs. The Cage Is A One-Piece. Double Pronged Machined Cage Of Brass) But With Reinforced/Optimized Internal Execution. То же. что и W33 (смазочная канавка и три отверстия на наружном кольце подшипника). но с шестью смазочными отверстиями. |
| 24064ECA W33X S1 VL | Стабилизирован для рабочих температур до +200°C. As The CA Design (Bearings With Symmetrical Rollers And Retaining RIbs. The Cage Is A One-Piece. Double Pronged Machined Cage Of Brass) But With Reinforced/Optimized Internal Execution. Бренд премиум-класса RKB Victory Line. То же. что и W33 (смазочная канавка и три отверстия на наружном кольце подшипника). но с шестью смазочными отверстиями. |
| 24064ECA C4 W33X S1 V | Внутренний зазор подшипника больше. чем C3. Подшипник без сепаратора. С полным комплектом тел качения. Кольца подшипников или шайбы, стабилизированные по размерам для использования при рабочих температурах до +200°C (392°F).. Усиленное дополнение ролика. Цельный обработанный латунный сепаратор. С двойными зубцами. Упорные фланцы на внутреннем кольце. Направляющее кольцо центрировано по внешнему кольцу. Канавка для смазки и шесть отверстий в наружном кольце подшипника. |
| 24064K30 CA C3 W33 | Внутренний зазор больше нормального. Канавка для смазки и три отверстия во внешнем кольце подшипника. Сепаратор из латуни с механической обработкой. Коническое отверстие. Конусность 1/30. |
| 24064K30 CA W33 | Канавка для смазки и три отверстия во внешнем кольце подшипника. Сепаратор из латуни с механической обработкой. Коническое отверстие. Конусность 1/30. |
| 24064-E1A-MB1-C2 | Внутренний зазор подшипника меньше нормального. Модифицированная внутренняя конструкция. Конструкция с увеличенной грузоподьемностью. Латунный сепаратор. массивный. |
| 24064BK30MB | Модифицированная внутренняя конструкция. сепаратор из латуни. центрированный по внутреннему кольцу. Коническое отверстие. Конусность 1/30. |
| 24064CAMK30 E4 C3 | Внутренний зазор больше нормального. Канавка для смазки и три отверстия во внешнем кольце подшипника. Плавающее направляющее кольцо. Массивный латунный сепаратор. Коническое отверстие. Конусность 1/30. |
| 24064K30 C3 W33 | Внутренний зазор больше нормального. Канавка для смазки и три отверстия во внешнем кольце подшипника. Коническое отверстие. Конусность 1/30. |
| 24064 K30 | Коническое отверстие. Конусность 1/30. |
| 24064W33 | Кольцевая канавка и три отверстия для смазывания в наружном кольце подшипника. |
| 24064 K30W33 | Кольцевая канавка и три отверстия для смазывания в наружном кольце подшипника. Коническое внутреннее отверстие. |
| 24064RHA | With Convex Symmetric Rollers And One-Piece Machined Cage. |
| 24064R | С выпуклыми асимметричными роликами и обработанным сепаратором. |
| 24064-K30-MB-W33+AH24064 | Канавка для смазки и три отверстия во внешнем кольце подшипника. сепаратор из латуни. центрированный по внутреннему кольцу. Коническое отверстие. Конусность 1/30. |
| 24064B | Конический роликовый подшипник. Угол контакта 20 градусов. |
| 24064YMB | Бронзовый цельный сепаратор пальцевого типа. |
| 24064 K30CW33+AH24060 | Кольцевая канавка и три отверстия для смазывания в наружном кольце подшипника. Коническое внутреннее отверстие. |
| 24064 K30 CW33 | Коническое отверстие. Конусность 1/30. |
| 24064-B-K30-MB+AH24064 | Конический роликовый подшипник. Угол контакта 20 градусов. сепаратор из латуни. центрированный по внутреннему кольцу. Коническое отверстие. Конусность 1/30. |
| 24064-E1A-K30-MB1 + AH24064-H | Pressed Snap-Type Steel Cage. Hardened. Коническое отверстие. Конусность 1/30. Латунный сепаратор. массивный. |
| 24064E | Повышенная грузоподъемность. |
Модификации сферического роликового подшипника 24064-E1A-MB1 — это измененное основное конструктивное исполнение 24064, основные размеры (320x480x160) не отличаются.
| Обозначение | Конструктивные особенности | Внутренний (d) | Наружный (D) | Ширина (B) |
|---|---|---|---|---|
| NNU4064C1NAP4 | Роликовый радиальный двухрядный подшипник. | 320.00 | 480.00 | 160.00 |
| 4003164 | Роликовый радиальный двухрядный подшипник. | 320.00 | 480.00 | 160.00 |
| 4053164 | Роликовый радиальный двухрядный подшипник. | 320.00 | 480.00 | 160.00 |
| 4113164 | Роликовый радиальный двухрядный подшипник. | 320.00 | 480.00 | 160.00 |
| 4153164 | Роликовый радиальный двухрядный подшипник. | 320.00 | 480.00 | 160.00 |
| NNU 4064 KM/W33 | Роликовый радиальный цилиндрический двухрядный подшипник. Канавка для смазки и три отверстия во внешнем кольце подшипника. Type Of Model. Двухрядный цилиндрический роликовый подшипник. | 320.00 | 480.00 | 160.00 |
| NNU 4064 M/W33 | Роликовый радиальный цилиндрический двухрядный подшипник. Канавка для смазки и три отверстия во внешнем кольце подшипника. Подшипник с латунным сепаратором. центрированный по телам качения. Двухрядный цилиндрический роликовый подшипник. | 320.00 | 480.00 | 160.00 |
| NNU4064 | Роликовый радиальный двухрядный подшипник. | 320.00 | 480.00 | 160.00 |
| 4053164Н | Роликовый радиальный двухрядный подшипник. Детали из теплостойкой стали. | 320.00 | 480.00 | 160.00 |
| 4153164Н | Роликовый радиальный двухрядный подшипник. Детали из теплостойкой стали. | 320.00 | 480.00 | 160.00 |
Способы доставки
Отправка через ведущие транспортные и курьерские компании: ПЭК, Деловые Линии, СДЭК, Байкал-Сервис, Энергия, КИТ, ЖелДорЭкспедиция.
Самовывоз возможен напрямую со склада в Москве.
Сроки доставки
Срок зависит от региона и выбранной транспортной компании. Все заказы комплектуются и отправляются в кратчайшие сроки со склада в Москве.
Надёжность и сохранность
Вся продукция упаковывается с учётом требований транспортировки. Мы гарантируем, что подшипники и комплектующие прибудут к заказчику в полной сохранности.
Доставка в страны ЕАЭС
Мы работаем с проверенными логистическими партнёрами, что позволяет оперативно доставлять заказы в Беларусь, Казахстан, Армению и другие страны ЕАЭС.
Варианты оплаты:
Минимальная сумма заказа и скидки:
Документы и гарантии:
Да, конечно! Наши технические специалисты готовы помочь вам с подбором точного аналога или замены подшипника. Просто позвоните нам по телефону +7 (495) 104-99-04 или напишите на почту zakaz@podsnab.ru.
Для оперативной консультации подготовьте, пожалуйста, имеющиеся данные: маркировку, размеры, тип оборудования или артикул старого подшипника.
Да, конечно! Мы высоко ценим долгосрочное сотрудничество и доверие клиентов по всей России. Для постоянных клиентов действует персональная система скидок.
Условия формируются индивидуально и зависят от:
Чтобы узнать свои условия и получить максимально выгодное предложение, свяжитесь с персональным менеджером или напишите нам на почту zakaz@podsnab.ru.
Вы можете оформить заказ несколькими способами:
Для оформления заказа от юридического лица свяжитесь с нашим отделом по работе с корпоративными клиентами по телефону +7 (495) 104-99-04 или напишите на email zakaz@podsnab.ru, прикрепив реквизиты вашей организации.
Мы оперативно подготовим коммерческое предложение и выставим счет.
Возврат товара надлежащего качества возможен в течение 10 дней с момента получения, если товар не был в употреблении, сохранен товарный вид, упаковка не вскрывалась и присутствуют все сопроводительные документы.
Возврат денежных средств осуществляется в течение 10 рабочих дней после проверки товара складом.
В соответствии с законодательством возврату не подлежат подшипники надлежащего качества, если отсутствует оригинальная упаковка или имеются следы монтажа.
В случае выявления брака или гарантийного случая мы гарантируем возврат или обмен товара.
Да, гарантийный срок хранения устанавливается заводом-изготовителем и в среднем составляет 2 года при соблюдении условий хранения: сухое помещение, оригинальная упаковка и смазка.
Точный срок для конкретного типа подшипника уточняйте у наших менеджеров.
Пн–Пт: с 8:00 до 17:00 (МСК).
Сб–Вс: выходные дни.
Заказы на сайте принимаются круглосуточно. Заявки, поступившие после окончания рабочего дня, обрабатываются на следующий рабочий день.
Минимальная сумма заказа для доставки составляет 3000 рублей. Самовывоз со склада возможен на любую сумму при наличии товара.
ООО «УралТехГрупп»
ИНН: 7415093830
КПП: 772401001
ОГРН: 1167456069021
Банк: ПАО Сбербанк
Р/с: 40702810838000475273
К/с: 30101810400000000225
БИК: 044525225
У подшипника 24064-E1A-MB1 пока нет отзывов. Вы можете стать первым покупателем, поделившимся своим мнением.