Поиск подшипника
Статьи
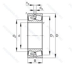
23160-E1A-MB1 — Подшипник роликовый сферический, модификация основного исполнения 23160, производство FAG.
Размер подшипника: 300x500x160 мм.
Латунный сепаратор. массивный, конструкция с увеличенной грузоподьемностью, модифицированная внутренняя конструкция.
Аналоги: 23160-B-MB FAG,23160-BEA-XL-MB1 FAG.
Международная стандартизации ISO
23160E1AMB1
В наличии
| Обозначение | Конструктивные изменения |
|---|---|
| 23160B.MB.C2 | Внутренний зазор подшипника меньше нормального. Модифицированная внутренняя конструкция. сепаратор из латуни. центрированный по внутреннему кольцу. |
| 23160CA C3 W33 S1 | Внутренний зазор больше нормального. Канавка для смазки и три отверстия во внешнем кольце подшипника. Сепаратор из латуни с механической обработкой. Стабильность размеров при рабочих температурах до +200°C. |
| 23160CA W33 S1 | Канавка для смазки и три отверстия во внешнем кольце подшипника. Сепаратор из латуни с механической обработкой. Стабильность размеров при рабочих температурах до +200°C. |
| 23160CAK C3 W33 S1 | Внутренний зазор больше нормального. Канавка для смазки и три отверстия во внешнем кольце подшипника. Сепаратор из латуни с механической обработкой. Коническое отверстие. Конусность 1/12. Стабильность размеров при рабочих температурах до +200°C. |
| 23160CA C4 W33 S1 | Канавка для смазки и три отверстия во внешнем кольце подшипника. Сепаратор из латуни с механической обработкой. Внутренний зазор подшипника больше. чем C3. Стабильность размеров при рабочих температурах до +200°C. |
| 23160-B-MB-T52BW | Модифицированная внутренняя конструкция. сепаратор из латуни. центрированный по внутреннему кольцу. Повышенная точность вращения до класса допуска ISO 5. |
| 23160K W33 | Канавка для смазки и три отверстия во внешнем кольце подшипника. Коническое отверстие. конус 1/12. |
| 23160-2CS5K/GLE | Коническое отверстие. конус 1/12. Контактное уплотнение из листовой стали, усиленное гидрогенизированным акрилонитрил-бутадиеновым каучуком (HNBR) с обеих сторон. Filled To 25-45% With SKF LGWM2 Grease. |
| 23160B L1 | Цельное внутреннее кольцо из резины, асимметричные ролики и фиксатор с центральной направляющей. Механически обработанный латунный сепаратор. |
| 23160-BEA-XL-K-MB1-T52BW-C3 | Внутренний зазор больше нормального. Коническое отверстие. конус 1/12. Серия X-Life премиум-класс. увеличиный срок службы. Повышенная точность вращения до класса допуска ISO 5. 40° Угол контакта. High Capacity. All Four Corners Equal. Латунный сепаратор. массивный. |
| 23160-BEA-XL-MB | Серия X-Life премиум-класс. увеличиный срок службы. сепаратор из латуни. центрированный по внутреннему кольцу. 40° Угол контакта. High Capacity. All Four Corners Equal. |
| 23160 K | Коническое отверстие. Конусность 1/12. |
| 23160W33 | Кольцевая канавка и три отверстия для смазывания в наружном кольце подшипника. |
| 23160RHA | With Convex Symmetric Rollers And One-Piece Machined Cage. |
| 23160R | С выпуклыми асимметричными роликами и обработанным сепаратором. |
| 23160-K-MB-W33+OH3160-H | Канавка для смазки и три отверстия во внешнем кольце подшипника. Коническое отверстие. Конусность 1/12. сепаратор из латуни. центрированный по внутреннему кольцу. Pressed Snap-Type Steel Cage. Hardened. |
| 23160-K-MB-W33+AH3160 | Канавка для смазки и три отверстия во внешнем кольце подшипника. Коническое отверстие. Конусность 1/12. сепаратор из латуни. центрированный по внутреннему кольцу. |
| 23160YMB | Бронзовый цельный сепаратор пальцевого типа. |
| 23160 KCW33+H3160 | Кольцевая канавка и три отверстия для смазывания в наружном кольце подшипника. Коническое внутреннее отверстие. |
| 23160 KCW33+AH3160 | Кольцевая канавка и три отверстия для смазывания в наружном кольце подшипника. Коническое внутреннее отверстие. |
| 23160-E1A-K-MB1 + H3160 | Коническое отверстие. Конусность 1/12. Латунный сепаратор. массивный. |
| 23160-B-K-MB+AH3160G | Коническое отверстие. Конусность 1/12. Конический роликовый подшипник. Угол контакта 20 градусов. сепаратор из латуни. центрированный по внутреннему кольцу. |
| 23160-E1A-K-MB1 + AH3160G | Коническое отверстие. Конусность 1/12. Латунный сепаратор. массивный. |
| 23160E | Повышенная грузоподъемность. |
| 23160EK | Подшипник роликовый сферический. |
Модификации сферического роликового подшипника 23160-E1A-MB1 — это измененное основное конструктивное исполнение 23160, основные размеры (300x500x160) не отличаются.
| Обозначение | Гост | Конструктивные особенности |
|---|---|---|
| 3003760H | ISO | Pressed Snap-Type Steel Cage. Hardened. |
Аналог сферического роликового подшипника 23160-E1A-MB1 — это подшипник такого же размера dx300,Dx500,Bx160, типа и конструкции.
| Обозначение | Конструктивные особенности | Внутренний (d) | Наружный (D) | Ширина (B) |
|---|---|---|---|---|
| 3003760-Н | Роликовый радиальный двухрядный подшипник. Детали из теплостойкой стали. | 300.00 | 500.00 | 160.00 |
| 3003760-АН | Роликовый радиальный двухрядный подшипник. Детали из теплостойкой стали. Повышенная грузоподъемность. | 300.00 | 500.00 | 160.00 |
| 3053760Н | Роликовый радиальный двухрядный подшипник. Детали из теплостойкой стали. | 300.00 | 500.00 | 160.00 |
| 3153760Н | Роликовый радиальный двухрядный подшипник. Детали из теплостойкой стали. | 300.00 | 500.00 | 160.00 |
| C 3160 K/HA3C4 | Роликовый радиальный цилиндрический подшипник. Тороидальный подшипник CARB. Коническое отверстие. Конусность 1/12. Измененная или модифицированная внутренняя конструкция при неизменных основных размерах. | 300.00 | 500.00 | 160.00 |
| N3160 | Роликовый радиальный однорядный подшипник. Канавка под стопорное кольцо на наружном кольце подшипника. | 300.00 | 500.00 | 160.00 |
| NF3160 | Роликовый радиальный однорядный подшипник. Механически обработанный сепаратор из стали или специального чугуна. Канавка под стопорное кольцо на наружном кольце подшипника. | 300.00 | 500.00 | 160.00 |
| NJ3160 | Роликовый радиальный однорядный подшипник. Штампованный сепаратор из стального листа. Канавка под стопорное кольцо на наружном кольце подшипника. Однорядный цилиндрический роликовый подшипник. Наружное кольцо имеет два борта. | 300.00 | 500.00 | 160.00 |
| NN3160 | Роликовый радиальный двухрядный подшипник. Канавка под стопорное кольцо на наружном кольце подшипника. Двухрядный цилиндрический роликовый подшипник. | 300.00 | 500.00 | 160.00 |
| NN3160 K | Роликовый радиальный двухрядный подшипник. Коническое внутреннее отверстие. Двухрядный цилиндрический роликовый подшипник. | 300.00 | 500.00 | 160.00 |
| NP3160 | Роликовый радиальный однорядный подшипник. Канавка под стопорное кольцо на наружном кольце подшипника. | 300.00 | 500.00 | 160.00 |
| NU3160 | Роликовый радиальный однорядный подшипник. Канавка под стопорное кольцо на наружном кольце подшипника. Однорядные цилиндрические роликоподшипники. Наружное кольцо подшипника имеет два борта. | 300.00 | 500.00 | 160.00 |
| NUP3160 | Роликовый радиальный однорядный подшипник. Канавка под стопорное кольцо на наружном кольце подшипника. Точность размеров примерно соответствует классу точности Р4. Однорядный цилиндрический роликовый подшипник. Наружное кольцо имеет два борта. | 300.00 | 500.00 | 160.00 |
| Z-566490.ZL-K-C5 | Роликовый радиальный подшипник. Коническое отверстие. Конусность 1/12. Внутренний зазор подшипника больше. чем С4. Цилиндрический роликовый подшипник. | 300.00 | 500.00 | 160.00 |
| C 3160 | Тороидальный однорядный подшипник. Тороидальный подшипник CARB. | 300.00 | 500.00 | 160.00 |
Способы доставки
Отправка через ведущие транспортные и курьерские компании: ПЭК, Деловые Линии, СДЭК, Байкал-Сервис, Энергия, КИТ, ЖелДорЭкспедиция.
Самовывоз возможен напрямую со склада в Москве.
Сроки доставки
Срок зависит от региона и выбранной транспортной компании. Все заказы комплектуются и отправляются в кратчайшие сроки со склада в Москве.
Надёжность и сохранность
Вся продукция упаковывается с учётом требований транспортировки. Мы гарантируем, что подшипники и комплектующие прибудут к заказчику в полной сохранности.
Доставка в страны ЕАЭС
Мы работаем с проверенными логистическими партнёрами, что позволяет оперативно доставлять заказы в Беларусь, Казахстан, Армению и другие страны ЕАЭС.
Варианты оплаты:
Минимальная сумма заказа и скидки:
Документы и гарантии:
Да, конечно! Наши технические специалисты готовы помочь вам с подбором точного аналога или замены подшипника. Просто позвоните нам по телефону +7 (495) 104-99-04 или напишите на почту zakaz@podsnab.ru.
Для оперативной консультации подготовьте, пожалуйста, имеющиеся данные: маркировку, размеры, тип оборудования или артикул старого подшипника.
Да, конечно! Мы высоко ценим долгосрочное сотрудничество и доверие клиентов по всей России. Для постоянных клиентов действует персональная система скидок.
Условия формируются индивидуально и зависят от:
Чтобы узнать свои условия и получить максимально выгодное предложение, свяжитесь с персональным менеджером или напишите нам на почту zakaz@podsnab.ru.
Вы можете оформить заказ несколькими способами:
Для оформления заказа от юридического лица свяжитесь с нашим отделом по работе с корпоративными клиентами по телефону +7 (495) 104-99-04 или напишите на email zakaz@podsnab.ru, прикрепив реквизиты вашей организации.
Мы оперативно подготовим коммерческое предложение и выставим счет.
Возврат товара надлежащего качества возможен в течение 10 дней с момента получения, если товар не был в употреблении, сохранен товарный вид, упаковка не вскрывалась и присутствуют все сопроводительные документы.
Возврат денежных средств осуществляется в течение 10 рабочих дней после проверки товара складом.
В соответствии с законодательством возврату не подлежат подшипники надлежащего качества, если отсутствует оригинальная упаковка или имеются следы монтажа.
В случае выявления брака или гарантийного случая мы гарантируем возврат или обмен товара.
Да, гарантийный срок хранения устанавливается заводом-изготовителем и в среднем составляет 2 года при соблюдении условий хранения: сухое помещение, оригинальная упаковка и смазка.
Точный срок для конкретного типа подшипника уточняйте у наших менеджеров.
Пн–Пт: с 8:00 до 17:00 (МСК).
Сб–Вс: выходные дни.
Заказы на сайте принимаются круглосуточно. Заявки, поступившие после окончания рабочего дня, обрабатываются на следующий рабочий день.
Минимальная сумма заказа для доставки составляет 3000 рублей. Самовывоз со склада возможен на любую сумму при наличии товара.
ООО «УралТехГрупп»
ИНН: 7415093830
КПП: 772401001
ОГРН: 1167456069021
Банк: ПАО Сбербанк
Р/с: 40702810838000475273
К/с: 30101810400000000225
БИК: 044525225
У подшипника 23160-E1A-MB1 пока нет отзывов. Вы можете стать первым покупателем, поделившимся своим мнением.