Поиск подшипника
Статьи
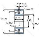
22309-E-K-C3-W33 — Подшипник роликовый сферический, модификация основного исполнения 22309, производство NKE.
Размер подшипника: 45x100x36 мм.
Канавка для смазки и три отверстия во внешнем кольце подшипника, внутренний зазор больше нормального, коническое отверстие. конус 1/12, оптимизированная внутренняя конструкция с большими симметричными роликами и сепаратором из штампованной стали.
Аналоги: 22309E1K.C3 FAG,22309-E1-K-C3 FAG,22309EK.C3 FAG,22309-E1-XL-K-C3 FAG,22309CCK/C3W33 SKF,22309EK/C3 SKF,22309RHRK W33 C3 Koyo,22309CK C3 SV20 Steyr,22309CDKE4S11 NSK,22309.EAKW33C3 SNR,22309K.C3 NKE,22309RZKW33C3 Koyo,22309K W33 J C3 ZKL,22309EK W33 J C3 ZKL.
Международная стандартизации ISO
22309EKC3W33
В наличии
| Обозначение | Конструктивные изменения |
|---|---|
| 22309GMEX W33 | Канавка для смазки и три отверстия во внешнем кольце подшипника. Улучшенная точность. Округлость и чистота поверхности. Кольца и ролики изготовлены из высококачественной стали ROL2. Цельный прочный латунный сепаратор. Центрируемый по роликам. |
| 22309RK W33 C3 FY | Внутренний зазор больше нормального. Канавка для смазки и три отверстия во внешнем кольце подшипника. Коническое отверстие. конус 1/12. С выпуклыми асимметричными роликами и обработанным сепаратором. Механически обработанный латунный сепаратор. |
| 22309RK C3 FY | Внутренний зазор больше нормального. Коническое отверстие. конус 1/12. С выпуклыми асимметричными роликами и обработанным сепаратором. Механически обработанный латунный сепаратор. |
| 22309RZKW33C3 | Внутренний зазор больше нормального. Канавка для смазки и три отверстия во внешнем кольце подшипника. Коническое отверстие. конус 1/12. Without Center Rib & Without Ribs On Both Sides (Pressed Steel Cage). - Longer Service Life – Up To 3 Times Longer. - Increased Speeds – Up to 25% Greater. - Improved Axial Load Performance – Up to 20% Higher. - High Temperature Capability – Up to 200˚C. |
| 22309E/VA405 | d ≤65mm. Two Window-Type Steel Cages. Flangeless Inner Ring And Guide Centered On The Inner Ring. When d >65 mm Same As. Виброустойчивый подшипник с закаленным сепаратором. |
| 22309CK D1 | С симметричными роликами. Коническое отверстие. конус 1/12. Канавка для смазки и три отверстия во внешнем кольце подшипника. |
| 22309K VJ W33 | Канавка для смазки и три отверстия во внешнем кольце подшипника. Коническое отверстие. конус 1/12. Стальной сепаратор из 2 частей - пальцевый тип. |
| 22309EM W33 W800 C4 | Канавка для смазки и три отверстия во внешнем кольце подшипника. Внутренний зазор подшипника больше. чем C3. Модификация грохота вибросита - сочетает в себе W22 (внешнее кольцо с уменьшенным допуском на наружный диаметр). W88 (внутреннее кольцо с уменьшенным допуском на диаметр отверстия) и верхние две трети указанного радиального внутреннего зазора. Стандартный фланцевый ( с резьбой и сквозным отверстием). |
| 22309CJW33C3 | Подшипник роликовый сферический. |
| 22309 VA | Нержавеющая сталь. |
| 22309 K+AH2309 | Коническое отверстие. Конусность 1/12. |
| 22309-E-K-W33+H2309 | Канавка для смазки и три отверстия во внешнем кольце подшипника. Коническое отверстие. Конусность 1/12. Повышенная грузоподъемность. |
| 22309RHR | As RHR-Type Spherical Roller Bearings Are Implemented Dimension Stabilizing Treatment And Steel Plate Cage Are Assembled. They Can Be Used Up To 200°C. |
| 22309-E-W33 | Канавка для смазки и три отверстия во внешнем кольце подшипника. Повышенная грузоподъемность. |
| 22309-E-K-W33+AH2309 | Канавка для смазки и три отверстия во внешнем кольце подшипника. Коническое отверстие. Конусность 1/12. Повышенная грузоподъемность. |
| 22309CJ | Стальной сепаратор из двух частей оконного типа. |
| 22309YM | 1 Piece Bronze Cage - Finger Type. |
| 22309 KCW33+AH2309 | Кольцевая канавка и три отверстия для смазывания в наружном кольце подшипника. Коническое внутреннее отверстие. |
| 22309 KCW33+H2309 | Кольцевая канавка и три отверстия для смазывания в наружном кольце подшипника. Коническое внутреннее отверстие. |
| 22309-E1-K + H2309 | Коническое отверстие. Конусность 1/12. Конструкция с увеличенной грузоподьемностью. |
| 22309-E1-K-T41A | Коническое отверстие. Конусность 1/12. Конструкция с увеличенной грузоподьемностью. Для вибросит/виброгрохотов (Зазор С4). |
| 22309-E1-K-T41A + H2309 | Коническое отверстие. Конусность 1/12. Конструкция с увеличенной грузоподьемностью. Для вибросит/виброгрохотов (Зазор С4). |
| 22309-E1-K + AH2309 | Коническое отверстие. Конусность 1/12. Конструкция с увеличенной грузоподьемностью. |
| 22309EX | Optimized Inner Construction - Extreme Quality F. Extreme Requirements. |
| 22309AEX | Высокоскоростной и высокопроизводительный сферический роликоподшипник. |
Модификации сферического роликового подшипника 22309-E-K-C3-W33 — это измененное основное конструктивное исполнение 22309, основные размеры (45x100x36) не отличаются.
| Обозначение | Гост | Конструктивные особенности |
|---|---|---|
| 10BBRS | ISO | CC (SKF)=SPHERICAL ROLLER BEARING OF C DESIGN BUT WITH ENHANCED (VERBETERD) ROLLER GUIDANCE. |
| SB22309W33 SS | ISO | Канавка для смазки и три отверстия во внешнем кольце подшипника. Double NYLAPLATE® Seals. |
Аналог сферического роликового подшипника 22309-E-K-C3-W33 — это подшипник такого же размера dx45,Dx100,Bx36, типа и конструкции.
| Обозначение | Конструктивные особенности | Внутренний (d) | Наружный (D) | Ширина (B) |
|---|---|---|---|---|
| 180609-С17 | Шариковый радиальный однорядный подшипник. Смазка Литол-24. | 45.00 | 100.00 | 36.00 |
| 180609-С9 | Шариковый радиальный однорядный подшипник. Смазка ЛЗ-31. | 45.00 | 100.00 | 36.00 |
| 2309-K+H2309 | Шариковый сферический двухрядный подшипник. Коническое внутреннее отверстие. | 45.00 | 100.00 | 36.00 |
| 2309 TN9 | Шариковый сферический двухрядный подшипник. Литой защелкивающийся сепаратор из полиамида. армированного стекловолокном 6.6. | 45.00 | 100.00 | 36.00 |
| 2309E-2RS1KTN9 | Шариковый сферический двухрядный подшипник. Повышенная грузоподъемность. | 45.00 | 100.00 | 36.00 |
| 42609-Л | Роликовый радиальный однорядный подшипник. Сепаратор из латуни.. | 45.00 | 100.00 | 36.00 |
| 5-1609 Е | Шариковый радиальный двухрядный подшипник. Сепаратор из текстолита.. | 45.00 | 100.00 | 36.00 |
| 5-1609 Л | Шариковый радиальный двухрядный подшипник. Сепаратор из латуни.. | 45.00 | 100.00 | 36.00 |
| 53609-Е | Роликовый радиальный двухрядный подшипник. Сепаратор из текстолита.. | 45.00 | 100.00 | 36.00 |
| 53609-Н(22309CCW33C3) | Роликовый радиальный двухрядный подшипник. ВНИИНП-210. Детали из вакуумированной стали.. Детали из теплостойкой стали. | 45.00 | 100.00 | 36.00 |
| 53609-Н | Роликовый радиальный двухрядный подшипник. Детали из теплостойкой стали. | 45.00 | 100.00 | 36.00 |
| 6-12609 К1М | Роликовый радиальный однорядный подшипник. Модифицированный контакт.. | 45.00 | 100.00 | 36.00 |
| 6-1609 Е | Шариковый радиальный двухрядный подшипник. Сепаратор из текстолита.. | 45.00 | 100.00 | 36.00 |
| 6-1609 Л | Шариковый радиальный двухрядный подшипник. Сепаратор из латуни.. | 45.00 | 100.00 | 36.00 |
| 6-180609 С9Ш1 | Шариковый радиальный однорядный подшипник. Нормы шумности. Смазка ЛЗ-31. | 45.00 | 100.00 | 36.00 |
Способы доставки
Отправка через ведущие транспортные и курьерские компании: ПЭК, Деловые Линии, СДЭК, Байкал-Сервис, Энергия, КИТ, ЖелДорЭкспедиция.
Самовывоз возможен напрямую со склада в Москве.
Сроки доставки
Срок зависит от региона и выбранной транспортной компании. Все заказы комплектуются и отправляются в кратчайшие сроки со склада в Москве.
Надёжность и сохранность
Вся продукция упаковывается с учётом требований транспортировки. Мы гарантируем, что подшипники и комплектующие прибудут к заказчику в полной сохранности.
Доставка в страны ЕАЭС
Мы работаем с проверенными логистическими партнёрами, что позволяет оперативно доставлять заказы в Беларусь, Казахстан, Армению и другие страны ЕАЭС.
Варианты оплаты:
Минимальная сумма заказа и скидки:
Документы и гарантии:
Да, конечно! Наши технические специалисты готовы помочь вам с подбором точного аналога или замены подшипника. Просто позвоните нам по телефону +7 (495) 104-99-04 или напишите на почту zakaz@podsnab.ru.
Для оперативной консультации подготовьте, пожалуйста, имеющиеся данные: маркировку, размеры, тип оборудования или артикул старого подшипника.
Да, конечно! Мы высоко ценим долгосрочное сотрудничество и доверие клиентов по всей России. Для постоянных клиентов действует персональная система скидок.
Условия формируются индивидуально и зависят от:
Чтобы узнать свои условия и получить максимально выгодное предложение, свяжитесь с персональным менеджером или напишите нам на почту zakaz@podsnab.ru.
Вы можете оформить заказ несколькими способами:
Для оформления заказа от юридического лица свяжитесь с нашим отделом по работе с корпоративными клиентами по телефону +7 (495) 104-99-04 или напишите на email zakaz@podsnab.ru, прикрепив реквизиты вашей организации.
Мы оперативно подготовим коммерческое предложение и выставим счет.
Возврат товара надлежащего качества возможен в течение 10 дней с момента получения, если товар не был в употреблении, сохранен товарный вид, упаковка не вскрывалась и присутствуют все сопроводительные документы.
Возврат денежных средств осуществляется в течение 10 рабочих дней после проверки товара складом.
В соответствии с законодательством возврату не подлежат подшипники надлежащего качества, если отсутствует оригинальная упаковка или имеются следы монтажа.
В случае выявления брака или гарантийного случая мы гарантируем возврат или обмен товара.
Да, гарантийный срок хранения устанавливается заводом-изготовителем и в среднем составляет 2 года при соблюдении условий хранения: сухое помещение, оригинальная упаковка и смазка.
Точный срок для конкретного типа подшипника уточняйте у наших менеджеров.
Пн–Пт: с 8:00 до 17:00 (МСК).
Сб–Вс: выходные дни.
Заказы на сайте принимаются круглосуточно. Заявки, поступившие после окончания рабочего дня, обрабатываются на следующий рабочий день.
Минимальная сумма заказа для доставки составляет 3000 рублей. Самовывоз со склада возможен на любую сумму при наличии товара.
ООО «УралТехГрупп»
ИНН: 7415093830
КПП: 772401001
ОГРН: 1167456069021
Банк: ПАО Сбербанк
Р/с: 40702810838000475273
К/с: 30101810400000000225
БИК: 044525225
У подшипника 22309-E-K-C3-W33 пока нет отзывов. Вы можете стать первым покупателем, поделившимся своим мнением.