Поиск подшипника
Статьи
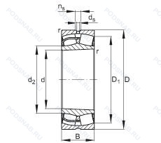
24026E1K30 — Подшипник роликовый сферический, модификация основного исполнения 24026, производство FAG.
Размер подшипника: 130x200x69 мм.
Коническое отверстие. конусность 1/30, конструкция с увеличенной грузоподьемностью.
Аналоги: 24026-E1-K30 FAG,24026-BE-XL-K30 FAG.
Международная стандартизации ISO
24026E1K30
В наличии
| Обозначение | Конструктивные изменения |
|---|---|
| 24026B L1 D1 C3 | Внутренний зазор больше нормального. Цельное ребристое внутреннее кольцо. Асимметричные ролики и фиксатор с центральной направляющей. W33 (SKF)= смазочная канавка и три отверстия в наружном кольце подшипника. messing-massivkäfige. |
| 24026MB C3 W33 | Внутренний зазор больше нормального. Канавка для смазки и три отверстия во внешнем кольце подшипника. Механически обработанный латунный сепаратор. направляющий по внутреннему кольцу. |
| 24026-CE-C3-W33 | Внутренний зазор больше нормального. Канавка для смазки и три отверстия во внешнем кольце подшипника. Имеют симметричные сферические ролики и стандартно оснащены сепаратором из штампованной стали. |
| 24026B | Цельное ребристое внутреннее кольцо. Асимметричные ролики и фиксатор с центральной направляющей. |
| 24026EM D1 | Канавка и три смазочных отверстия на наружном кольце. Стандартный фланцевый ( с резьбой и сквозным отверстием). |
| 24026-BE-XL-2VSR-C3 | Внутренний зазор больше нормального. Серия X-Life премиум-класс. увеличиный срок службы. Увеличенная грузоподъемность подшипника. Усиленные листовой сталью трущиеся уплотнения из фторкаучука (FPM) с обеих сторон подшипника, заполнен высокотемпературной смазкой из полиуретана от 70 до 100%, кольцевая канавка и три смазочных отверстия на наружном кольце. |
| 24026-BE-2VSR-C3 | Внутренний зазор больше нормального. Увеличенная грузоподъемность подшипника. Усиленные листовой сталью трущиеся уплотнения из фторкаучука (FPM) с обеих сторон подшипника, заполнен высокотемпературной смазкой из полиуретана от 70 до 100%, кольцевая канавка и три смазочных отверстия на наружном кольце. |
| 24026-E1-K30-C3 | Внутренний зазор больше нормального. Коническое отверстие. Конусность 1/30. Конструкция с увеличенной грузоподьемностью. |
| 24026KCJW33 | Канавка для смазки и три отверстия во внешнем кольце подшипника. Коническое отверстие. конус 1/12. Стальной сепаратор из двух частей оконного типа. |
| 24026-2RS | Резиновые уплотнения с каждой стороны подшипника. |
| 24026 K30W33 | Кольцевая канавка и три отверстия для смазывания в наружном кольце подшипника. Коническое внутреннее отверстие. |
| 24026W33 | Кольцевая канавка и три отверстия для смазывания в наружном кольце подшипника. |
| 24026RH | Выпуклые симметричные ролики и штампованный сепаратор. |
| 24026-CE-K30-W33 | Канавка для смазки и три отверстия во внешнем кольце подшипника. Коническое отверстие. Конусность 1/30. 15° Угол контакта And (E) Small Size Steel Balls. |
| 24026-CE-K30-W33+AH24026 | Канавка для смазки и три отверстия во внешнем кольце подшипника. Коническое отверстие. Конусность 1/30. 15° Угол контакта And (E) Small Size Steel Balls. |
| 24026-2CS5/VT143 | Контактное уплотнение из листовой стали, усиленное гидрогенизированным акрилонитрил-бутадиеновым каучуком (HNBR) с обеих сторон. Свободное пространство в подшипнике на 70–100 % заполнено высокотемпературной смазкой.. Заполнение пластичной смазкой SKF LGEP 2 на 25–35 %. |
| 24026CJ | Стальной сепаратор из двух частей оконного типа. |
| 24026 K30CW33+AH24026 | Кольцевая канавка и три отверстия для смазывания в наружном кольце подшипника. Коническое внутреннее отверстие. |
| 24026 K30 CW33 | Коническое отверстие. Конусность 1/30. |
| 24026-E1-2VSR | Конструкция с увеличенной грузоподьемностью. Два контактных уплотнения из витона. |
| 24026-E1-2VSR-H40 | Конструкция с увеличенной грузоподьемностью. Без смазочных отверстий и смазочной канавки. Два контактных уплотнения из витона. |
| 24026-E1-K30+AH+AH24026 | Коническое отверстие. Конусность 1/30. Конструкция с увеличенной грузоподьемностью. Противовращающийся штырь. Массивные ножки и свободный момент выравнивания. |
| 24026-E1-K30 + AH24026 | Коническое отверстие. Конусность 1/30. Конструкция с увеличенной грузоподьемностью. |
| 24026EX1 | Сферический роликоподшипник высокой грузоподъемности. |
| 24026AX | Поверхность контакта скольжения сталь / сталь. |
Модификации сферического роликового подшипника 24026E1K30 — это измененное основное конструктивное исполнение 24026, основные размеры (130x200x69) не отличаются.
| Обозначение | Гост | Конструктивные особенности |
|---|---|---|
| 803002 | ISO | Подшипник роликовый сферический. |
Аналог сферического роликового подшипника 24026E1K30 — это подшипник такого же размера dx130,Dx200,Bx69, типа и конструкции.
| Обозначение | Конструктивные особенности | Внутренний (d) | Наружный (D) | Ширина (B) |
|---|---|---|---|---|
| C4026K30V | Тороидальный роликовый подшипник CARB. Тороидальный подшипник CARB. Коническое отверстие. Конусность 1/30. | 130.00 | 200.00 | 69.00 |
| C4026-2CS5V/C3 | Тороидальный роликовый подшипник CARB. Внутренний зазор больше нормального. Sheet Steel Reinforced Rubbing Seals Of Nitrile Rubber (NBR) At Both Sides Of The Bearing. Grease Fill 25 To 35% With SKF Grease LGEP2. Annular Groove And Three Lubrication Holes In The Outer Ring. | 130.00 | 200.00 | 69.00 |
| C4026V | Тороидальный роликовый подшипник CARB. Тороидальный подшипник CARB. Подшипник без сепаратора. С полным комплектом тел качения. | 130.00 | 200.00 | 69.00 |
| C4026V/C3 | Тороидальный роликовый подшипник CARB. Внутренний зазор больше нормального. Полный комплект роликов (без сепаратора). | 130.00 | 200.00 | 69.00 |
| C4026-2CS5V/C3GEM9 | Тороидальный роликовый подшипник CARB. Внутренний зазор больше нормального. Заполнен на 70 – 100 % смазкой LGHB 2. Контактное уплотнение из листовой стали, усиленное гидрогенизированным акрилонитрил-бутадиеновым каучуком (HNBR) с обеих сторон. Свободное пространство в подшипнике на 70–100 % заполнено высокотемпературной смазкой.. | 130.00 | 200.00 | 69.00 |
| C4026K30/C3 | Тороидальный роликовый подшипник CARB. Внутренний зазор больше нормального. Коническое отверстие. Конусность 1/30. | 130.00 | 200.00 | 69.00 |
| C4026K30 | Тороидальный роликовый подшипник CARB. Тороидальный подшипник CARB. Коническое отверстие. Конусность 1/30. | 130.00 | 200.00 | 69.00 |
| C4026/C3 | Тороидальный роликовый подшипник CARB. Внутренний зазор больше нормального. | 130.00 | 200.00 | 69.00 |
| C4026V/C4 | Тороидальный роликовый подшипник CARB. Внутренний зазор подшипника больше. чем C3. Подшипник без сепаратора. С полным комплектом тел качения. | 130.00 | 200.00 | 69.00 |
| C4026/C4 | Тороидальный роликовый подшипник CARB. Внутренний зазор подшипника больше. чем C3. | 130.00 | 200.00 | 69.00 |
| C4026-2CS5V | Тороидальный роликовый подшипник CARB. Тороидальный подшипник CARB. Контактное уплотнение из листовой стали, усиленное гидрогенизированным акрилонитрил-бутадиеновым каучуком (HNBR) с обеих сторон. Свободное пространство в подшипнике на 70–100 % заполнено высокотемпературной смазкой.. | 130.00 | 200.00 | 69.00 |
| C4026 | Тороидальный роликовый подшипник CARB. Тороидальный подшипник CARB. | 130.00 | 200.00 | 69.00 |
| C 4026-2CS5V/GEM9 | Роликовый радиальный подшипник. Тороидальный подшипник CARB. Заполнен на 70 – 100 % смазкой LGHB 2. | 130.00 | 200.00 | 69.00 |
| 4003126 | Роликовый радиальный двухрядный подшипник. | 130.00 | 200.00 | 69.00 |
| AR130-31 | Роликовый радиальный-упорный двухрядный подшипник. 1.15/16. | 130.00 | 200.00 | 69.00 |
Способы доставки
Отправка через ведущие транспортные и курьерские компании: ПЭК, Деловые Линии, СДЭК, Байкал-Сервис, Энергия, КИТ, ЖелДорЭкспедиция.
Самовывоз возможен напрямую со склада в Москве.
Сроки доставки
Срок зависит от региона и выбранной транспортной компании. Все заказы комплектуются и отправляются в кратчайшие сроки со склада в Москве.
Надёжность и сохранность
Вся продукция упаковывается с учётом требований транспортировки. Мы гарантируем, что подшипники и комплектующие прибудут к заказчику в полной сохранности.
Доставка в страны ЕАЭС
Мы работаем с проверенными логистическими партнёрами, что позволяет оперативно доставлять заказы в Беларусь, Казахстан, Армению и другие страны ЕАЭС.
Варианты оплаты:
Минимальная сумма заказа и скидки:
Документы и гарантии:
Да, конечно! Наши технические специалисты готовы помочь вам с подбором точного аналога или замены подшипника. Просто позвоните нам по телефону +7 (495) 104-99-04 или напишите на почту zakaz@podsnab.ru.
Для оперативной консультации подготовьте, пожалуйста, имеющиеся данные: маркировку, размеры, тип оборудования или артикул старого подшипника.
Да, конечно! Мы высоко ценим долгосрочное сотрудничество и доверие клиентов по всей России. Для постоянных клиентов действует персональная система скидок.
Условия формируются индивидуально и зависят от:
Чтобы узнать свои условия и получить максимально выгодное предложение, свяжитесь с персональным менеджером или напишите нам на почту zakaz@podsnab.ru.
Вы можете оформить заказ несколькими способами:
Для оформления заказа от юридического лица свяжитесь с нашим отделом по работе с корпоративными клиентами по телефону +7 (495) 104-99-04 или напишите на email zakaz@podsnab.ru, прикрепив реквизиты вашей организации.
Мы оперативно подготовим коммерческое предложение и выставим счет.
Возврат товара надлежащего качества возможен в течение 10 дней с момента получения, если товар не был в употреблении, сохранен товарный вид, упаковка не вскрывалась и присутствуют все сопроводительные документы.
Возврат денежных средств осуществляется в течение 10 рабочих дней после проверки товара складом.
В соответствии с законодательством возврату не подлежат подшипники надлежащего качества, если отсутствует оригинальная упаковка или имеются следы монтажа.
В случае выявления брака или гарантийного случая мы гарантируем возврат или обмен товара.
Да, гарантийный срок хранения устанавливается заводом-изготовителем и в среднем составляет 2 года при соблюдении условий хранения: сухое помещение, оригинальная упаковка и смазка.
Точный срок для конкретного типа подшипника уточняйте у наших менеджеров.
Пн–Пт: с 8:00 до 17:00 (МСК).
Сб–Вс: выходные дни.
Заказы на сайте принимаются круглосуточно. Заявки, поступившие после окончания рабочего дня, обрабатываются на следующий рабочий день.
Минимальная сумма заказа для доставки составляет 3000 рублей. Самовывоз со склада возможен на любую сумму при наличии товара.
ООО «УралТехГрупп»
ИНН: 7415093830
КПП: 772401001
ОГРН: 1167456069021
Банк: ПАО Сбербанк
Р/с: 40702810838000475273
К/с: 30101810400000000225
БИК: 044525225
У подшипника 24026E1K30 пока нет отзывов. Вы можете стать первым покупателем, поделившимся своим мнением.