Поиск подшипника
Статьи
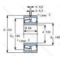
23126-E1A-M-C3 — Подшипник роликовый сферический, модификация основного исполнения 23126, производство FAG.
Размер подшипника: 130x210x64 мм.
Внутренний зазор больше нормального, конструкция с увеличенной грузоподьемностью, модифицированная внутренняя конструкция, твердая латунный сепаратор. направляемые тела качения.
Альтернативное обозначение: 23126-E1A-XL-M-C3.
Аналоги: 23126EMW33C3 RHP,23126EMW33C3 SNR,23126MBW33C3 Rollway.
Международная стандартизации ISO
23126E1AMC3
В наличии
| Обозначение | Конструктивные изменения |
|---|---|
| 23126B L1 K D1 X50 C3 | Внутренний зазор больше нормального. Коническое отверстие. конус 1/12. Internal Design Altered. Канавка и смазочные отверстия на наружном кольце. Высокопрочный обработанный латунный сепаратор. Фаска. |
| 23126B | Цельное ребристое внутреннее кольцо. Асимметричные ролики и фиксатор с центральной направляющей. |
| 23126KEMW33C3 | Внутренний зазор больше нормального. Канавка для смазки и три отверстия во внешнем кольце подшипника. Коническое отверстие. конус 1/12. Повышенная грузоподъемность. Механически обработанный латунный сепаратор .Расположенный на элементах качения. |
| 23126C E4 S11 | Штампованный стальной сепаратор из двух частей с направляющим кольцом. Внутреннее и наружное кольца термостабилизированы до 200°C. W33 (SKF)= смазочная канавка и три отверстия в наружном кольце подшипника. |
| 23126EJW33C4 | Канавка для смазки и три отверстия во внешнем кольце подшипника. Внутренний зазор подшипника больше. чем C3. Land-Riding Steel Cage_ One Per Row. |
| 23126EA D1 | Увеличенная грузоподъемность. Лучше. чем прежний суффикс E. Канавка для смазки и три отверстия во внешнем кольце подшипника. |
| 23126EX1W33K | Lubrication Groove. Коническое отверстие 1/12. Сферический роликоподшипник высокой грузоподъемности. |
| 23126EKMW33C3 | Внутренний зазор больше нормального. Канавка для смазки и три отверстия во внешнем кольце подшипника. Коническое отверстие. конус 1/12. Повышенная грузоподъемность. Механически обработанный латунный сепаратор .Расположенный на элементах качения. |
| 23126K C3 W33 | Внутренний зазор больше нормального. Канавка для смазки и три отверстия во внешнем кольце подшипника. Коническое отверстие. конус 1/12. |
| 23126-E1A-K-M | Коническое отверстие. конус 1/12. Модифицированная внутренняя конструкция. Твердая латунный сепаратор. Направляемые тела качения. Конструкция с увеличенной грузоподьемностью. |
| 23126KEMW33 | Канавка для смазки и три отверстия во внешнем кольце подшипника. Коническое отверстие. конус 1/12. Повышенная грузоподъемность. Механически обработанный латунный сепаратор .Расположенный на элементах качения. |
| 23126-E1A-K-M-C3 | Внутренний зазор больше нормального. Коническое отверстие. конус 1/12. Модифицированная внутренняя конструкция. Твердая латунный сепаратор. Направляемые тела качения. Конструкция с увеличенной грузоподьемностью. |
| 23126RH | Выпуклые симметричные ролики и штампованный сепаратор. |
| 23126-K-MB-W33+AHX3126 | Канавка для смазки и три отверстия во внешнем кольце подшипника. Коническое отверстие. Конусность 1/12. сепаратор из латуни. центрированный по внутреннему кольцу. |
| 23126-K-MB-W33+H3126 | Канавка для смазки и три отверстия во внешнем кольце подшипника. Коническое отверстие. Конусность 1/12. сепаратор из латуни. центрированный по внутреннему кольцу. |
| 23126YM | 1 Piece Bronze Cage - Finger Type. |
| 23126 KCW33+AH3126 | Кольцевая канавка и три отверстия для смазывания в наружном кольце подшипника. Коническое внутреннее отверстие. |
| 23126 KCW33+H3126 | Кольцевая канавка и три отверстия для смазывания в наружном кольце подшипника. Коническое внутреннее отверстие. |
| 23126-E1-K-TVPB + H3126 | Коническое отверстие. Конусность 1/12. Конструкция с увеличенной грузоподьемностью. Твердый оконный сепаратор из полиамида. армированного стекловолокном. Направляющие на внутреннем кольце. |
| 23126-E1A-K-M + AHX3126 | Коническое отверстие. Конусность 1/12. Подшипник с латунным сепаратором. центрированный по телам качения. |
| 23126-E1A-K-M + H3126 | Коническое отверстие. Конусность 1/12. Подшипник с латунным сепаратором. центрированный по телам качения. |
| 23126-E1-K-TVPB + AHX3126 | Коническое отверстие. Конусность 1/12. Конструкция с увеличенной грузоподьемностью. Твердый оконный сепаратор из полиамида. армированного стекловолокном. Направляющие на внутреннем кольце. |
| 23126EX1 | Сферический роликоподшипник высокой грузоподъемности. |
| 23126AX | Поверхность контакта скольжения сталь / сталь. |
| 23126 CCK/W33 + AHX 3126 | Канавка для смазки и три отверстия во внешнем кольце подшипника. Измененная или модифицированная внутренняя конструкция при неизменных основных размерах. |
Модификации сферического роликового подшипника 23126-E1A-M-C3 — это измененное основное конструктивное исполнение 23126, основные размеры (130x210x64) не отличаются.
| Обозначение | Гост | Конструктивные особенности |
|---|---|---|
| LH-23126B D1 | ISO | Цельное ребристое внутреннее кольцо. Асимметричные ролики и фиксатор с центральной направляющей. Канавка для смазки и три отверстия во внешнем кольце подшипника. |
Аналог сферического роликового подшипника 23126-E1A-M-C3 — это подшипник такого же размера dx130,Dx210,Bx64, типа и конструкции.
| Обозначение | Конструктивные особенности | Внутренний (d) | Наружный (D) | Ширина (B) |
|---|---|---|---|---|
| NN3126C1NAP4 | Роликовый радиальный двухрядный подшипник. | 130.00 | 210.00 | 64.00 |
| 3003726 | Роликовый радиальный двухрядный подшипник. | 130.00 | 210.00 | 64.00 |
| 3053726 | Роликовый радиальный двухрядный подшипник. | 130.00 | 210.00 | 64.00 |
| 3113726 | Роликовый радиальный двухрядный подшипник. | 130.00 | 210.00 | 64.00 |
| 3153726 | Роликовый радиальный двухрядный подшипник. | 130.00 | 210.00 | 64.00 |
| 3053726Н | Роликовый радиальный двухрядный подшипник. Детали из теплостойкой стали. | 130.00 | 210.00 | 64.00 |
| 3153726Н | Роликовый радиальный двухрядный подшипник. Детали из теплостойкой стали. | 130.00 | 210.00 | 64.00 |
| NN3126 | Роликовый радиальный двухрядный подшипник. Канавка под стопорное кольцо на наружном кольце подшипника. Двухрядный цилиндрический роликовый подшипник. | 130.00 | 210.00 | 64.00 |
| NN3126 K | Роликовый радиальный двухрядный подшипник. Коническое внутреннее отверстие. Двухрядный цилиндрический роликовый подшипник. | 130.00 | 210.00 | 64.00 |
| RN2226-E-MPBX | Роликовый радиальный однорядный подшипник. Повышенная грузоподъемность. | 130.00 | 209.50 | 64.00 |
| 130KBE031 | Роликовый радиальный-упорный двухрядный подшипник. | 130.00 | 210.00 | 64.00 |
| 323126 | Роликовый радиальный-упорный двухрядный подшипник. | 130.00 | 210.00 | 64.00 |
| 413126 | Роликовый радиальный-упорный двухрядный подшипник. | 130.00 | 210.00 | 64.00 |
| 45326 | Роликовый радиальный-упорный двухрядный подшипник. | 130.00 | 210.00 | 64.00 |
| 46326 | Роликовый радиальный-упорный двухрядный подшипник. | 130.00 | 210.00 | 64.00 |
Способы доставки
Отправка через ведущие транспортные и курьерские компании: ПЭК, Деловые Линии, СДЭК, Байкал-Сервис, Энергия, КИТ, ЖелДорЭкспедиция.
Самовывоз возможен напрямую со склада в Москве.
Сроки доставки
Срок зависит от региона и выбранной транспортной компании. Все заказы комплектуются и отправляются в кратчайшие сроки со склада в Москве.
Надёжность и сохранность
Вся продукция упаковывается с учётом требований транспортировки. Мы гарантируем, что подшипники и комплектующие прибудут к заказчику в полной сохранности.
Доставка в страны ЕАЭС
Мы работаем с проверенными логистическими партнёрами, что позволяет оперативно доставлять заказы в Беларусь, Казахстан, Армению и другие страны ЕАЭС.
Варианты оплаты:
Минимальная сумма заказа и скидки:
Документы и гарантии:
Да, конечно! Наши технические специалисты готовы помочь вам с подбором точного аналога или замены подшипника. Просто позвоните нам по телефону +7 (495) 104-99-04 или напишите на почту zakaz@podsnab.ru.
Для оперативной консультации подготовьте, пожалуйста, имеющиеся данные: маркировку, размеры, тип оборудования или артикул старого подшипника.
Да, конечно! Мы высоко ценим долгосрочное сотрудничество и доверие клиентов по всей России. Для постоянных клиентов действует персональная система скидок.
Условия формируются индивидуально и зависят от:
Чтобы узнать свои условия и получить максимально выгодное предложение, свяжитесь с персональным менеджером или напишите нам на почту zakaz@podsnab.ru.
Вы можете оформить заказ несколькими способами:
Для оформления заказа от юридического лица свяжитесь с нашим отделом по работе с корпоративными клиентами по телефону +7 (495) 104-99-04 или напишите на email zakaz@podsnab.ru, прикрепив реквизиты вашей организации.
Мы оперативно подготовим коммерческое предложение и выставим счет.
Возврат товара надлежащего качества возможен в течение 10 дней с момента получения, если товар не был в употреблении, сохранен товарный вид, упаковка не вскрывалась и присутствуют все сопроводительные документы.
Возврат денежных средств осуществляется в течение 10 рабочих дней после проверки товара складом.
В соответствии с законодательством возврату не подлежат подшипники надлежащего качества, если отсутствует оригинальная упаковка или имеются следы монтажа.
В случае выявления брака или гарантийного случая мы гарантируем возврат или обмен товара.
Да, гарантийный срок хранения устанавливается заводом-изготовителем и в среднем составляет 2 года при соблюдении условий хранения: сухое помещение, оригинальная упаковка и смазка.
Точный срок для конкретного типа подшипника уточняйте у наших менеджеров.
Пн–Пт: с 8:00 до 17:00 (МСК).
Сб–Вс: выходные дни.
Заказы на сайте принимаются круглосуточно. Заявки, поступившие после окончания рабочего дня, обрабатываются на следующий рабочий день.
Минимальная сумма заказа для доставки составляет 3000 рублей. Самовывоз со склада возможен на любую сумму при наличии товара.
ООО «УралТехГрупп»
ИНН: 7415093830
КПП: 772401001
ОГРН: 1167456069021
Банк: ПАО Сбербанк
Р/с: 40702810838000475273
К/с: 30101810400000000225
БИК: 044525225
У подшипника 23126-E1A-M-C3 пока нет отзывов. Вы можете стать первым покупателем, поделившимся своим мнением.