Поиск подшипника
Статьи
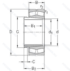
22234-K-MB-W33+AH334-X — Роликовый радиальный сферический двухрядный подшипник, модификация основного исполнения 22234, производство NKE.
Размер подшипника: 170x310x86 мм.
Канавка для смазки и три отверстия во внешнем кольце подшипника, сепаратор из латуни. центрированный по внутреннему кольцу, коническое отверстие. конусность 1/12, измененные размеры границ. введенные пересмотренными стандартами iso.
Международная стандартизации ISO
22234KMBW33AH334X
В наличии
| Обозначение | Конструктивные изменения |
|---|---|
| 22234K MB C3 | Зазор больше. чем у C0. Коническое отверстие. конус 1/12. Симметричный усиленный ролик. Двухкомпонентный латунный фиксатор. |
| 22234YM W33 | Канавка для смазки и три отверстия во внешнем кольце подшипника. Цельный латунный сепаратор пальцевого типа. |
| 22234K W33 BR C3 | Внутренний зазор больше нормального. Канавка для смазки и три отверстия во внешнем кольце подшипника. Коническое отверстие. конус 1/12. Обработанный латунный сепаратор. |
| 22234HLK | Коническое отверстие. конус 1/12. Подшипник роликовый сферический повышенной грузоподъемности. |
| 22234EW33K | Канавка для смазки и три отверстия во внешнем кольце подшипника. Коническое отверстие. конус 1/12. Изменение конструкции роликового подшипника. |
| 22234.EKMW33 | Канавка для смазки и три отверстия во внешнем кольце подшипника. Коническое отверстие. конус 1/12. Повышенная грузоподъемность. Механически обработанный латунный сепаратор .Расположенный на элементах качения. |
| 22234K C4 W33 | Канавка для смазки и три отверстия во внешнем кольце подшипника. Коническое отверстие. конус 1/12. Внутренний зазор подшипника больше. чем C3. |
| 22234W33 | Канавка для смазки и три отверстия во внешнем кольце подшипника. |
| 22234KEJ W33 C3 | Внутренний зазор больше нормального. Канавка для смазки и три отверстия во внешнем кольце подшипника. Коническое отверстие. конус 1/12. Land-Riding Steel Cage_ One Per Row. |
| 22234CJW33C3 | Роликовый радиальный сферический двухрядный подшипник. |
| 22234KYMW33 L | Одно механическое уплотнение. |
| 22234KYMW33C3 L | Одно механическое уплотнение. |
| 22234YMW33 L | Одно механическое уплотнение. |
| 22234YMW33C3 L | Одно механическое уплотнение. |
| 22234 KW33 | Кольцевая канавка и три отверстия для смазывания в наружном кольце подшипника. Коническое внутреннее отверстие. |
| 22234RHA | With Convex Symmetric Rollers And One-Piece Machined Cage. |
| 22234R | С выпуклыми асимметричными роликами и обработанным сепаратором. |
| 22234-K-MB-W33+H3134 | Канавка для смазки и три отверстия во внешнем кольце подшипника. Коническое отверстие. Конусность 1/12. сепаратор из латуни. центрированный по внутреннему кольцу. |
| 22234B | Конический роликовый подшипник. Угол контакта 20 градусов. |
| 22234BK | Игольчатый роликовый подшипник со штампованным наружным кольцом с закрытым торцом. |
| 22234CJ | Стальной сепаратор из двух частей оконного типа. |
| 22234 KCW33+H3134 | Кольцевая канавка и три отверстия для смазывания в наружном кольце подшипника. Коническое внутреннее отверстие. |
| 22234 KCW33+AH3134 | Кольцевая канавка и три отверстия для смазывания в наружном кольце подшипника. Коническое внутреннее отверстие. |
| 22234-E1-K + AH3134A | Коническое отверстие. Конусность 1/12. Конструкция с увеличенной грузоподьемностью. |
| 22234-E1-K + H3134 | Коническое отверстие. Конусность 1/12. Конструкция с увеличенной грузоподьемностью. |
Модификации сферического роликового подшипника 22234-K-MB-W33+AH334-X — это измененное основное конструктивное исполнение 22234, основные размеры (170x310x86) не отличаются.
| Обозначение | Гост | Конструктивные особенности |
|---|---|---|
| 3534 | ГОСТ | Роликовый радиальный сферический двухрядный подшипник. |
Аналог сферического роликового подшипника 22234-K-MB-W33+AH334-X — это подшипник такого же размера dx170,Dx310,Bx86, типа и конструкции.
| Обозначение | Конструктивные особенности | Внутренний (d) | Наружный (D) | Ширина (B) |
|---|---|---|---|---|
| NJ2234R | Роликовый радиальный однорядный подшипник. С выпуклыми асимметричными роликами и обработанным сепаратором. | 170.00 | 310.00 | 86.00 |
| NU2234R | Роликовый радиальный однорядный подшипник. С выпуклыми асимметричными роликами и обработанным сепаратором. | 170.00 | 310.00 | 86.00 |
| NUP2234R | Роликовый радиальный цилиндрический однорядный подшипник. С выпуклыми асимметричными роликами и обработанным сепаратором. | 170.00 | 310.00 | 86.00 |
| NJ2234-E-MPA | Роликовый радиальный однорядный подшипник. Повышенная грузоподъемность. Твердый латунный сепаратор. | 170.00 | 310.00 | 86.00 |
| NJ2234-E-M6 | Роликовый радиальный однорядный подшипник. Повышенная грузоподъемность. 20-28 UM (C3 & C4). | 170.00 | 310.00 | 86.00 |
| NJ2234-E-MA6 | Роликовый радиальный однорядный подшипник. Повышенная грузоподъемность. Изготовленный из двух частей латунный сепаратор. Центрирование по внешнему кольцу. Различные конструкции или сорта материалов обозначаются цифрой или буквой.. | 170.00 | 310.00 | 86.00 |
| NJ2234-E-M6+HJ2234-E | Роликовый радиальный однорядный подшипник. Повышенная грузоподъемность. 20-28 UM (C3 & C4). | 170.00 | 310.00 | 86.00 |
| NJ2234-E-MA6+HJ2234-E | Роликовый радиальный однорядный подшипник. Повышенная грузоподъемность. Изготовленный из двух частей латунный сепаратор. Центрирование по внешнему кольцу. Различные конструкции или сорта материалов обозначаются цифрой или буквой.. | 170.00 | 310.00 | 86.00 |
| NJ2234-E-MPA+HJ2234-E | Роликовый радиальный однорядный подшипник. Повышенная грузоподъемность. Твердый латунный сепаратор. | 170.00 | 310.00 | 86.00 |
| NU2234-E-MA6 | Роликовый радиальный однорядный подшипник. Повышенная грузоподъемность. Изготовленный из двух частей латунный сепаратор. Центрирование по внешнему кольцу. Различные конструкции или сорта материалов обозначаются цифрой или буквой.. | 170.00 | 310.00 | 86.00 |
| NU2234-E-MPA | Роликовый радиальный однорядный подшипник. Повышенная грузоподъемность. Твердый латунный сепаратор. | 170.00 | 310.00 | 86.00 |
| NU2234-E-M6 | Роликовый радиальный однорядный подшипник. Повышенная грузоподъемность. 20-28 UM (C3 & C4). | 170.00 | 310.00 | 86.00 |
| NJ 2234 ECML | Роликовый радиальный однорядный подшипник. Однорядный цилиндрический роликовый подшипник. | 170.00 | 310.00 | 86.00 |
| NU 2234 ECML | Роликовый радиальный однорядный подшипник. Однорядный цилиндрический роликовый подшипник. | 170.00 | 310.00 | 86.00 |
| 53534Н | Роликовый радиальный двухрядный подшипник. Детали из теплостойкой стали. | 170.00 | 310.00 | 86.00 |
Способы доставки
Отправка через ведущие транспортные и курьерские компании: ПЭК, Деловые Линии, СДЭК, Байкал-Сервис, Энергия, КИТ, ЖелДорЭкспедиция.
Самовывоз возможен напрямую со склада в Москве.
Сроки доставки
Срок зависит от региона и выбранной транспортной компании. Все заказы комплектуются и отправляются в кратчайшие сроки со склада в Москве.
Надёжность и сохранность
Вся продукция упаковывается с учётом требований транспортировки. Мы гарантируем, что подшипники и комплектующие прибудут к заказчику в полной сохранности.
Доставка в страны ЕАЭС
Мы работаем с проверенными логистическими партнёрами, что позволяет оперативно доставлять заказы в Беларусь, Казахстан, Армению и другие страны ЕАЭС.
Варианты оплаты:
Минимальная сумма заказа и скидки:
Документы и гарантии:
Да, конечно! Наши технические специалисты готовы помочь вам с подбором точного аналога или замены подшипника. Просто позвоните нам по телефону +7 (495) 104-99-04 или напишите на почту zakaz@podsnab.ru.
Для оперативной консультации подготовьте, пожалуйста, имеющиеся данные: маркировку, размеры, тип оборудования или артикул старого подшипника.
Да, конечно! Мы высоко ценим долгосрочное сотрудничество и доверие клиентов по всей России. Для постоянных клиентов действует персональная система скидок.
Условия формируются индивидуально и зависят от:
Чтобы узнать свои условия и получить максимально выгодное предложение, свяжитесь с персональным менеджером или напишите нам на почту zakaz@podsnab.ru.
Вы можете оформить заказ несколькими способами:
Для оформления заказа от юридического лица свяжитесь с нашим отделом по работе с корпоративными клиентами по телефону +7 (495) 104-99-04 или напишите на email zakaz@podsnab.ru, прикрепив реквизиты вашей организации.
Мы оперативно подготовим коммерческое предложение и выставим счет.
Возврат товара надлежащего качества возможен в течение 10 дней с момента получения, если товар не был в употреблении, сохранен товарный вид, упаковка не вскрывалась и присутствуют все сопроводительные документы.
Возврат денежных средств осуществляется в течение 10 рабочих дней после проверки товара складом.
В соответствии с законодательством возврату не подлежат подшипники надлежащего качества, если отсутствует оригинальная упаковка или имеются следы монтажа.
В случае выявления брака или гарантийного случая мы гарантируем возврат или обмен товара.
Да, гарантийный срок хранения устанавливается заводом-изготовителем и в среднем составляет 2 года при соблюдении условий хранения: сухое помещение, оригинальная упаковка и смазка.
Точный срок для конкретного типа подшипника уточняйте у наших менеджеров.
Пн–Пт: с 8:00 до 17:00 (МСК).
Сб–Вс: выходные дни.
Заказы на сайте принимаются круглосуточно. Заявки, поступившие после окончания рабочего дня, обрабатываются на следующий рабочий день.
Минимальная сумма заказа для доставки составляет 3000 рублей. Самовывоз со склада возможен на любую сумму при наличии товара.
ООО «УралТехГрупп»
ИНН: 7415093830
КПП: 772401001
ОГРН: 1167456069021
Банк: ПАО Сбербанк
Р/с: 40702810838000475273
К/с: 30101810400000000225
БИК: 044525225
У подшипника 22234-K-MB-W33+AH334-X пока нет отзывов. Вы можете стать первым покупателем, поделившимся своим мнением.