Поиск подшипника
Статьи
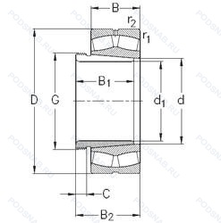
22311-E-K-W33+AHX2311 — Роликовый радиальный сферический двухрядный подшипник, модификация основного исполнения 22311, производство NKE.
Размер подшипника: 55x120x43 мм.
Канавка для смазки и три отверстия во внешнем кольце подшипника, коническое отверстие. конусность 1/12, повышенная грузоподъемность.
Международная стандартизации ISO
22311EKW33AHX2311
В наличии
| Обозначение | Конструктивные изменения |
|---|---|
| 22311EK/C4/R811 | Коническое отверстие. конус 1/12. Внутренний зазор подшипника больше. чем С3. d ≤65mm. Two Window-Type Steel Cages. Flangeless Inner Ring And Guide Centered On The Inner Ring. When d >65 mm Same As. Bore Or Clearance Modification. |
| 22311EA E4 C3 | Внутренний зазор больше нормального. Канавка для смазки и три отверстия во внешнем кольце подшипника. Увеличенная грузоподъемность. Лучше. чем прежний суффикс E. |
| 22311RHR W33 | Канавка для смазки и три отверстия во внешнем кольце подшипника. As RHR-Type Spherical Roller Bearings Are Implemented Dimension Stabilizing Treatment And Steel Plate Cage Are Assembled. They Can Be Used Up To 200°C. |
| 22311CAMK E4 | Коническое отверстие. конус 1/12. Канавка для смазки и три отверстия во внешнем кольце подшипника. Плавающее направляющее кольцо. Массивный латунный сепаратор. |
| 22311-E-W33 | Канавка для смазки и три отверстия во внешнем кольце подшипника. Оптимизированная внутренняя конструкция с большими симметричными роликами и сепаратором из штампованной стали. |
| 22311-E1-K-C3 | Внутренний зазор больше нормального. Коническое отверстие. конус 1/12. Конструкция с увеличенной грузоподьемностью. |
| 22311BK D1 | Канавка и три смазочных отверстия на наружном кольце. Игольчатый роликовый подшипник со штампованным наружным кольцом с закрытым торцом. |
| 22311E/C4 | Внутренний зазор подшипника больше. чем C3. d ≤65mm. Two Window-Type Steel Cages. Flangeless Inner Ring And Guide Centered On The Inner Ring. When d >65 mm Same As. |
| 22311-E-K-W33+H2311 | Канавка для смазки и три отверстия во внешнем кольце подшипника. Коническое отверстие. Конусность 1/12. Повышенная грузоподъемность. |
| 22311 K+AHX2311 | Коническое отверстие. Конусность 1/12. |
| 22311 VA | Нержавеющая сталь. |
| 22311-2RS | Резиновые уплотнения с каждой стороны подшипника. |
| 22311RHR | As RHR-Type Spherical Roller Bearings Are Implemented Dimension Stabilizing Treatment And Steel Plate Cage Are Assembled. They Can Be Used Up To 200°C. |
| 22311 KW33+H2311 | Роликовый радиальный сферический двухрядный подшипник. |
| 22311-E-K-W33 | Канавка для смазки и три отверстия во внешнем кольце подшипника. Коническое отверстие. Конусность 1/12. Повышенная грузоподъемность. |
| 22311B | Конический роликовый подшипник. Угол контакта 20 градусов. |
| 22311YM | 1 Piece Bronze Cage - Finger Type. |
| 22311MB | сепаратор из латуни. центрированный по внутреннему кольцу. |
| 22311 KCW33+AH311 | Кольцевая канавка и три отверстия для смазывания в наружном кольце подшипника. Коническое внутреннее отверстие. |
| 22311 KCW33+H2311 | Кольцевая канавка и три отверстия для смазывания в наружном кольце подшипника. Коническое внутреннее отверстие. |
| 22311-E1-K + H2311 | Коническое отверстие. Конусность 1/12. Конструкция с увеличенной грузоподьемностью. |
| 22311-E1-K-T41A + AHX2311 | Коническое отверстие. Конусность 1/12. Конструкция с увеличенной грузоподьемностью. Для вибросит/виброгрохотов (Зазор С4). |
| 22311-E1-K-T41A + H2311 | Коническое отверстие. Конусность 1/12. Конструкция с увеличенной грузоподьемностью. Для вибросит/виброгрохотов (Зазор С4). |
| 22311-E1-K + AHX2311 | Коническое отверстие. Конусность 1/12. Конструкция с увеличенной грузоподьемностью. |
| 22311AEX | Высокоскоростной и высокопроизводительный сферический роликоподшипник. |
Модификации сферического роликового подшипника 22311-E-K-W33+AHX2311 — это измененное основное конструктивное исполнение 22311, основные размеры (55x120x43) не отличаются.
| Обозначение | Гост | Конструктивные особенности |
|---|---|---|
| 3611 | ГОСТ | Роликовый радиальный сферический двухрядный подшипник. |
Аналог сферического роликового подшипника 22311-E-K-W33+AHX2311 — это подшипник такого же размера dx55,Dx120,Bx43, типа и конструкции.
| Обозначение | Конструктивные особенности | Внутренний (d) | Наружный (D) | Ширина (B) |
|---|---|---|---|---|
| NU2311-E-TVP3 | Роликовый радиальный однорядный подшипник. Повышенная грузоподъемность. Цельный сепаратор из полиамида PA66-GF25. сепаратор оконного типа. направляемый телами качения. | 55.00 | 120.00 | 43.00 |
| NU2311-E-MPA | Роликовый радиальный однорядный подшипник. Повышенная грузоподъемность. Твердый латунный сепаратор. | 55.00 | 120.00 | 43.00 |
| UK311L3 | Шариковый радиальный однорядный подшипник. Тройное манжетное уплотнение для вкладыша подшипника. | 55.00 | 120.00 | 43.00 |
| NJ 2311 ECPH | Роликовый радиальный однорядный подшипник. Однорядный цилиндрический роликовый подшипник. | 55.00 | 120.00 | 43.00 |
| NU 2311 ECPH | Роликовый радиальный однорядный подшипник. Однорядный цилиндрический роликовый подшипник. | 55.00 | 120.00 | 43.00 |
| 402611-КМУ | Роликовый радиальный цилиндрический подшипник. Кольцевая проточка на середине цилиндрической наружной поверхности наружного кольца плюс три отверстия для смазки. Дополнительные технические требования. Модифицированный контакт.. | 55.00 | 120.00 | 43.00 |
| 402611KMУ | Роликовый радиальный однорядный подшипник. Type Of Model. Дополнительные технические требования. | 55.00 | 120.00 | 43.00 |
| 53611-Е | Роликовый радиальный двухрядный подшипник. Сепаратор из текстолита.. | 55.00 | 120.00 | 43.00 |
| 53611-ЕШ | Роликовый радиальный двухрядный подшипник. Сепаратор из текстолита.. Нормы шумности. | 55.00 | 120.00 | 43.00 |
| 53611-Л | Роликовый радиальный двухрядный подшипник. Сепаратор из латуни.. | 55.00 | 120.00 | 43.00 |
| 53611-М | Роликовый радиальный двухрядный подшипник. Модифицированный контакт.. | 55.00 | 120.00 | 43.00 |
| 53611-Н | Роликовый радиальный двухрядный подшипник. Детали из теплостойкой стали. | 55.00 | 120.00 | 43.00 |
| 53611-НЕ | Роликовый радиальный двухрядный подшипник. Сепаратор из текстолита.. Детали из теплостойкой стали. | 55.00 | 120.00 | 43.00 |
| 53611-Т | Роликовый радиальный двухрядный подшипник. Температура отпуска. 160°. | 55.00 | 120.00 | 43.00 |
| 53611-Ш | Роликовый радиальный двухрядный подшипник. Нормы шумности. | 55.00 | 120.00 | 43.00 |
Способы доставки
Отправка через ведущие транспортные и курьерские компании: ПЭК, Деловые Линии, СДЭК, Байкал-Сервис, Энергия, КИТ, ЖелДорЭкспедиция.
Самовывоз возможен напрямую со склада в Москве.
Сроки доставки
Срок зависит от региона и выбранной транспортной компании. Все заказы комплектуются и отправляются в кратчайшие сроки со склада в Москве.
Надёжность и сохранность
Вся продукция упаковывается с учётом требований транспортировки. Мы гарантируем, что подшипники и комплектующие прибудут к заказчику в полной сохранности.
Доставка в страны ЕАЭС
Мы работаем с проверенными логистическими партнёрами, что позволяет оперативно доставлять заказы в Беларусь, Казахстан, Армению и другие страны ЕАЭС.
Варианты оплаты:
Минимальная сумма заказа и скидки:
Документы и гарантии:
Да, конечно! Наши технические специалисты готовы помочь вам с подбором точного аналога или замены подшипника. Просто позвоните нам по телефону +7 (495) 104-99-04 или напишите на почту zakaz@podsnab.ru.
Для оперативной консультации подготовьте, пожалуйста, имеющиеся данные: маркировку, размеры, тип оборудования или артикул старого подшипника.
Да, конечно! Мы высоко ценим долгосрочное сотрудничество и доверие клиентов по всей России. Для постоянных клиентов действует персональная система скидок.
Условия формируются индивидуально и зависят от:
Чтобы узнать свои условия и получить максимально выгодное предложение, свяжитесь с персональным менеджером или напишите нам на почту zakaz@podsnab.ru.
Вы можете оформить заказ несколькими способами:
Для оформления заказа от юридического лица свяжитесь с нашим отделом по работе с корпоративными клиентами по телефону +7 (495) 104-99-04 или напишите на email zakaz@podsnab.ru, прикрепив реквизиты вашей организации.
Мы оперативно подготовим коммерческое предложение и выставим счет.
Возврат товара надлежащего качества возможен в течение 10 дней с момента получения, если товар не был в употреблении, сохранен товарный вид, упаковка не вскрывалась и присутствуют все сопроводительные документы.
Возврат денежных средств осуществляется в течение 10 рабочих дней после проверки товара складом.
В соответствии с законодательством возврату не подлежат подшипники надлежащего качества, если отсутствует оригинальная упаковка или имеются следы монтажа.
В случае выявления брака или гарантийного случая мы гарантируем возврат или обмен товара.
Да, гарантийный срок хранения устанавливается заводом-изготовителем и в среднем составляет 2 года при соблюдении условий хранения: сухое помещение, оригинальная упаковка и смазка.
Точный срок для конкретного типа подшипника уточняйте у наших менеджеров.
Пн–Пт: с 8:00 до 17:00 (МСК).
Сб–Вс: выходные дни.
Заказы на сайте принимаются круглосуточно. Заявки, поступившие после окончания рабочего дня, обрабатываются на следующий рабочий день.
Минимальная сумма заказа для доставки составляет 3000 рублей. Самовывоз со склада возможен на любую сумму при наличии товара.
ООО «УралТехГрупп»
ИНН: 7415093830
КПП: 772401001
ОГРН: 1167456069021
Банк: ПАО Сбербанк
Р/с: 40702810838000475273
К/с: 30101810400000000225
БИК: 044525225
У подшипника 22311-E-K-W33+AHX2311 пока нет отзывов. Вы можете стать первым покупателем, поделившимся своим мнением.