Поиск подшипника
Статьи
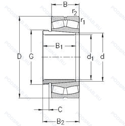
22313-E-K-W33+AH2313 — Роликовый радиальный сферический двухрядный подшипник, модификация основного исполнения 22313, производство NKE.
Размер подшипника: 65x140x48 мм.
Канавка для смазки и три отверстия во внешнем кольце подшипника, коническое отверстие. конусность 1/12, повышенная грузоподъемность.
Международная стандартизации ISO
22313EKW33AH2313
В наличии
| Обозначение | Конструктивные изменения |
|---|---|
| 22313EK W33 | Канавка для смазки и три отверстия во внешнем кольце подшипника. Коническое отверстие. конус 1/12. Повышенная грузоподъемность. |
| 22313CK C3 W33 | Внутренний зазор больше нормального. Канавка для смазки и три отверстия во внешнем кольце подшипника. Коническое отверстие 1/12. |
| 22313-E1A-XL-H40-T41A | Модифицированная внутренняя конструкция. Серия X-Life премиум-класс. увеличиный срок службы. Конструкция с увеличенной грузоподьемностью. Для вибросит/виброгрохотов (Зазор С4). Без смазочных отверстий и смазочной канавки. |
| 22313-E1A-H40-T41A | Модифицированная внутренняя конструкция. Конструкция с увеличенной грузоподьемностью. Для вибросит/виброгрохотов (Зазор С4). Без смазочных отверстий и смазочной канавки. |
| 22313KEJW33 | Канавка для смазки и три отверстия во внешнем кольце подшипника. Коническое отверстие. конус 1/12. Land-Riding Steel Cage_ One Per Row. |
| 22313MA C4 F80 | Внутренний зазор подшипника больше. чем C3. Machined Brass Cage. Outer Ring Guided. C4. Bearing For Vibratory Applications. |
| 22313CAME4 | Канавка для смазки и три отверстия во внешнем кольце подшипника. Плавающее направляющее кольцо. Массивный латунный сепаратор. |
| 22313-E1-K-C3 | Внутренний зазор больше нормального. Коническое отверстие. конус 1/12. Конструкция с увеличенной грузоподьемностью. |
| 22313C MB SV20 | Повышенная грузоподъемность. Механически обработанный латунный сепаратор. клёпаный. центрируемый по внутреннему кольцу. Канавка для смазки и три отверстия во внешнем кольце подшипника. |
| 22313EMW33W800C4 | Канавка для смазки и три отверстия во внешнем кольце подшипника. Внутренний зазор подшипника больше. чем C3. Повышенная грузоподъемность. Механически обработанный латунный сепаратор .Расположенный на элементах качения. Модификация грохота вибросита - сочетает в себе W22 (внешнее кольцо с уменьшенным допуском на наружный диаметр). W88 (внутреннее кольцо с уменьшенным допуском на диаметр отверстия) и верхние две трети указанного радиального внутреннего зазора. |
| 22313-E-K-W33+H2313 | Канавка для смазки и три отверстия во внешнем кольце подшипника. Коническое отверстие. Конусность 1/12. Повышенная грузоподъемность. |
| 22313 VA | Нержавеющая сталь. |
| 22313 K+AH2313 | Коническое отверстие. Конусность 1/12. |
| 22313RHR | As RHR-Type Spherical Roller Bearings Are Implemented Dimension Stabilizing Treatment And Steel Plate Cage Are Assembled. They Can Be Used Up To 200°C. |
| 22313B | Конический роликовый подшипник. Угол контакта 20 градусов. |
| 22313YM | 1 Piece Bronze Cage - Finger Type. |
| 22313EA | Увеличенная грузоподъемность. Лучше. чем прежний суффикс E. |
| 22313CY | KOYO Bearings In FAG Packaging. FAG Bearing On Display. Greater Rounding-Rays For The Angles Than Normal. |
| 22313 KCW33+AH2313 | Кольцевая канавка и три отверстия для смазывания в наружном кольце подшипника. Коническое внутреннее отверстие. |
| 22313 KCW33+H2313 | Кольцевая канавка и три отверстия для смазывания в наружном кольце подшипника. Коническое внутреннее отверстие. |
| 22313-E1-K + AH2313G | Коническое отверстие. Конусность 1/12. Конструкция с увеличенной грузоподьемностью. |
| 22313-E1-K-T41A + AH2313G | Коническое отверстие. Конусность 1/12. Конструкция с увеличенной грузоподьемностью. Для вибросит/виброгрохотов (Зазор С4). |
| 22313-E1-K + H2313 | Коническое отверстие. Конусность 1/12. Конструкция с увеличенной грузоподьемностью. |
| 22313-E1-K-T41A + H2313 | Коническое отверстие. Конусность 1/12. Конструкция с увеличенной грузоподьемностью. Для вибросит/виброгрохотов (Зазор С4). |
| 22313AEX | Высокоскоростной и высокопроизводительный сферический роликоподшипник. |
Модификации сферического роликового подшипника 22313-E-K-W33+AH2313 — это измененное основное конструктивное исполнение 22313, основные размеры (65x140x48) не отличаются.
| Обозначение | Гост | Конструктивные особенности |
|---|---|---|
| TL22313EAE4 | ISO | Роликовый радиальный сферический двухрядный подшипник. |
| TL22313EAKE4 | ISO | Роликовый радиальный сферический двухрядный подшипник. |
| 3613 | ГОСТ | Роликовый радиальный сферический двухрядный подшипник. |
Аналог сферического роликового подшипника 22313-E-K-W33+AH2313 — это подшипник такого же размера dx65,Dx140,Bx48, типа и конструкции.
| Обозначение | Конструктивные особенности | Внутренний (d) | Наружный (D) | Ширина (B) |
|---|---|---|---|---|
| 2В0-1613 Л | Шариковый радиальный двухрядный подшипник. Сепаратор из латуни.. | 65.00 | 140.00 | 48.00 |
| UK313L3 | Шариковый радиальный однорядный подшипник. Тройное манжетное уплотнение для вкладыша подшипника. | 65.00 | 140.00 | 49.00 |
| 62613-Л | Роликовый радиальный подшипник. Сепаратор из латуни.. | 65.00 | 140.00 | 48.00 |
| 62613-М | Роликовый радиальный подшипник. Модифицированный контакт.. | 65.00 | 140.00 | 48.00 |
| 627613А1К | Роликовый радиальный-упорный однорядный подшипник. Повышенная грузоподъемность. | 65.00 | 140.00 | 48.00 |
| 70-32613 М | Роликовый радиальный однорядный подшипник. Модифицированный контакт.. | 65.00 | 140.00 | 48.00 |
| 62313-2RS1 | Шариковый радиальный однорядный подшипник. Усиленные листовой сталью контактные уплотнения из акрилонитрил-бутадиенового каучука (NBR) с обеих сторон подшипника. | 65.00 | 140.00 | 48.00 |
| 2313 K + H 2313 | Шариковый сферический двухрядный подшипник. Коническое внутреннее отверстие. Pressed Snap-Type Steel Cage. Hardened. | 65.00 | 140.00 | 48.00 |
| 2313S | Шариковый сферический двухрядный подшипник. Запечатанная версия кулачкового ролика. Только для внутреннего и наружного колец. | 65.00 | 140.00 | 48.00 |
| NJ 2313 ECPH | Роликовый радиальный однорядный подшипник. Однорядный цилиндрический роликовый подшипник. | 65.00 | 140.00 | 48.00 |
| NU 2313 ECPH | Роликовый радиальный однорядный подшипник. Однорядный цилиндрический роликовый подшипник. | 65.00 | 140.00 | 48.00 |
| 42613-КМ | Роликовый радиальный однорядный подшипник. Кольцевая проточка на середине цилиндрической наружной поверхности наружного кольца плюс три отверстия для смазки. Модифицированный контакт.. | 65.00 | 140.00 | 48.00 |
| 42613-Л | Роликовый радиальный однорядный подшипник. Сепаратор из латуни.. | 65.00 | 140.00 | 48.00 |
| 42613-ЛМ | Роликовый радиальный однорядный подшипник. Сепаратор из латуни.. Модифицированный контакт.. | 65.00 | 140.00 | 48.00 |
| 42613-М | Роликовый радиальный однорядный подшипник. Модифицированный контакт.. | 65.00 | 140.00 | 48.00 |
Способы доставки
Отправка через ведущие транспортные и курьерские компании: ПЭК, Деловые Линии, СДЭК, Байкал-Сервис, Энергия, КИТ, ЖелДорЭкспедиция.
Самовывоз возможен напрямую со склада в Москве.
Сроки доставки
Срок зависит от региона и выбранной транспортной компании. Все заказы комплектуются и отправляются в кратчайшие сроки со склада в Москве.
Надёжность и сохранность
Вся продукция упаковывается с учётом требований транспортировки. Мы гарантируем, что подшипники и комплектующие прибудут к заказчику в полной сохранности.
Доставка в страны ЕАЭС
Мы работаем с проверенными логистическими партнёрами, что позволяет оперативно доставлять заказы в Беларусь, Казахстан, Армению и другие страны ЕАЭС.
Варианты оплаты:
Минимальная сумма заказа и скидки:
Документы и гарантии:
Да, конечно! Наши технические специалисты готовы помочь вам с подбором точного аналога или замены подшипника. Просто позвоните нам по телефону +7 (495) 104-99-04 или напишите на почту zakaz@podsnab.ru.
Для оперативной консультации подготовьте, пожалуйста, имеющиеся данные: маркировку, размеры, тип оборудования или артикул старого подшипника.
Да, конечно! Мы высоко ценим долгосрочное сотрудничество и доверие клиентов по всей России. Для постоянных клиентов действует персональная система скидок.
Условия формируются индивидуально и зависят от:
Чтобы узнать свои условия и получить максимально выгодное предложение, свяжитесь с персональным менеджером или напишите нам на почту zakaz@podsnab.ru.
Вы можете оформить заказ несколькими способами:
Для оформления заказа от юридического лица свяжитесь с нашим отделом по работе с корпоративными клиентами по телефону +7 (495) 104-99-04 или напишите на email zakaz@podsnab.ru, прикрепив реквизиты вашей организации.
Мы оперативно подготовим коммерческое предложение и выставим счет.
Возврат товара надлежащего качества возможен в течение 10 дней с момента получения, если товар не был в употреблении, сохранен товарный вид, упаковка не вскрывалась и присутствуют все сопроводительные документы.
Возврат денежных средств осуществляется в течение 10 рабочих дней после проверки товара складом.
В соответствии с законодательством возврату не подлежат подшипники надлежащего качества, если отсутствует оригинальная упаковка или имеются следы монтажа.
В случае выявления брака или гарантийного случая мы гарантируем возврат или обмен товара.
Да, гарантийный срок хранения устанавливается заводом-изготовителем и в среднем составляет 2 года при соблюдении условий хранения: сухое помещение, оригинальная упаковка и смазка.
Точный срок для конкретного типа подшипника уточняйте у наших менеджеров.
Пн–Пт: с 8:00 до 17:00 (МСК).
Сб–Вс: выходные дни.
Заказы на сайте принимаются круглосуточно. Заявки, поступившие после окончания рабочего дня, обрабатываются на следующий рабочий день.
Минимальная сумма заказа для доставки составляет 3000 рублей. Самовывоз со склада возможен на любую сумму при наличии товара.
ООО «УралТехГрупп»
ИНН: 7415093830
КПП: 772401001
ОГРН: 1167456069021
Банк: ПАО Сбербанк
Р/с: 40702810838000475273
К/с: 30101810400000000225
БИК: 044525225
У подшипника 22313-E-K-W33+AH2313 пока нет отзывов. Вы можете стать первым покупателем, поделившимся своим мнением.