Поиск подшипника
Статьи
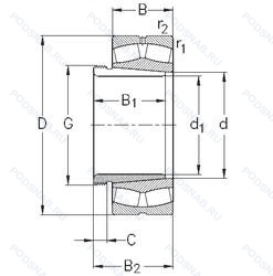
22332-K-MB-W33+AH2332 — Роликовый радиальный сферический двухрядный подшипник, модификация основного исполнения 22332, производство NKE.
Размер подшипника: 160x340x114 мм.
Канавка для смазки и три отверстия во внешнем кольце подшипника, сепаратор из латуни. центрированный по внутреннему кольцу, коническое отверстие. конусность 1/12.
Международная стандартизации ISO
22332KMBW33AH2332
В наличии
| Обозначение | Конструктивные изменения |
|---|---|
| 22332EK F800 | Коническое отверстие. конус 1/12. Повышенная грузоподъемность. Виброустойчивый подшипник с закаленным сепаратором. |
| 22332AS.MA.C3.F80 | Внутренний зазор больше нормального. Механически обработанный латунный сепаратор. Центрирование по внешнему кольцу. Смазка Aeroshell 7. Диапазон от –10°C до 110°C.. Требование к производству. Сферические роликоподшипники для вибрационных грохотов. |
| 22332B L1 D1 | Цельное ребристое внутреннее кольцо. Асимметричные ролики и фиксатор с центральной направляющей. Канавка для смазки и три отверстия во внешнем кольце подшипника. Сепаратор из латуни. |
| 22332E | Двухрядный сферический роликоподшипник с повышенной нагрузкой. |
| 22332CJW33C3 | Роликовый радиальный сферический двухрядный подшипник. |
| 22332KYMW33 L | Одно механическое уплотнение. |
| 22332KYMW33C3 L | Одно механическое уплотнение. |
| 22332YMW33 L | Одно механическое уплотнение. |
| 22332YMW33C3 L | Одно механическое уплотнение. |
| 22332YMW33W800C4 L | Одно механическое уплотнение. |
| 22332 VA | Нержавеющая сталь. |
| 22332 KW33 | Кольцевая канавка и три отверстия для смазывания в наружном кольце подшипника. Коническое внутреннее отверстие. |
| 22332R | С выпуклыми асимметричными роликами и обработанным сепаратором. |
| 22332RHA | With Convex Symmetric Rollers And One-Piece Machined Cage. |
| 22332-K-MB-W33+H2332 | Канавка для смазки и три отверстия во внешнем кольце подшипника. Коническое отверстие. Конусность 1/12. сепаратор из латуни. центрированный по внутреннему кольцу. |
| 22332YMB | Бронзовый цельный сепаратор пальцевого типа. |
| 22332 KCW33+AH2332 | Кольцевая канавка и три отверстия для смазывания в наружном кольце подшипника. Коническое внутреннее отверстие. |
| 22332 KCW33+H2332 | Кольцевая канавка и три отверстия для смазывания в наружном кольце подшипника. Коническое внутреннее отверстие. |
| 22332-E1-K + H2332 | Коническое отверстие. Конусность 1/12. Конструкция с увеличенной грузоподьемностью. |
| 22332-E1-K + AH2332G | Коническое отверстие. Конусность 1/12. Конструкция с увеличенной грузоподьемностью. |
| 22332-K-MB+H2332 | Коническое отверстие. Конусность 1/12. сепаратор из латуни. центрированный по внутреннему кольцу. |
| 22332-E1-K-T41A + H2332 | Коническое отверстие. Конусность 1/12. Конструкция с увеличенной грузоподьемностью. Для вибросит/виброгрохотов (Зазор С4). |
| 22332-E1-K-JPA-T41A + AH2332G | Коническое отверстие. Конусность 1/12. Конструкция с увеличенной грузоподьемностью. Для вибросит/виброгрохотов (Зазор С4). Штампованный стальной сепаратор оконного типа. Направляющее внутреннее кольцо. |
| 22332-K-MB+AH2332G | Коническое отверстие. Конусность 1/12. сепаратор из латуни. центрированный по внутреннему кольцу. |
| 22332EK | Роликовый радиальный сферический двухрядный подшипник. |
Модификации сферического роликового подшипника 22332-K-MB-W33+AH2332 — это измененное основное конструктивное исполнение 22332, основные размеры (160x340x114) не отличаются.
| Обозначение | Гост | Конструктивные особенности |
|---|---|---|
| 22334KYMW33 L | ISO | Одно механическое уплотнение. |
| 22334KYMW33C3 L | ISO | Одно механическое уплотнение. |
| 22334KYMW33W45A | ISO | Роликовый радиальный сферический двухрядный подшипник. |
| 22334KYMW33W45AC3 | ISO | Роликовый радиальный сферический двухрядный подшипник. |
| 22334YMW33 L | ISO | Одно механическое уплотнение. |
| 22334YMW33W45AC3 | ISO | Роликовый радиальный сферический двухрядный подшипник. |
| 3632 | ГОСТ | Роликовый радиальный сферический двухрядный подшипник. |
Аналог сферического роликового подшипника 22332-K-MB-W33+AH2332 — это подшипник такого же размера dx160,Dx340,Bx114, типа и конструкции.
| Обозначение | Конструктивные особенности | Внутренний (d) | Наружный (D) | Ширина (B) |
|---|---|---|---|---|
| NU2332R | Роликовый радиальный цилиндрический однорядный подшипник. С выпуклыми асимметричными роликами и обработанным сепаратором. | 160.00 | 340.00 | 114.00 |
| NUP2332R | Роликовый радиальный цилиндрический однорядный подшипник. С выпуклыми асимметричными роликами и обработанным сепаратором. | 160.00 | 340.00 | 114.00 |
| NJ2332-E-MPA | Роликовый радиальный однорядный подшипник. Повышенная грузоподъемность. Твердый латунный сепаратор. | 160.00 | 340.00 | 114.00 |
| NJ2332-E-MPA+HJ2332-E | Роликовый радиальный однорядный подшипник. Повышенная грузоподъемность. Твердый латунный сепаратор. | 160.00 | 340.00 | 114.00 |
| NJ2332-E-M6+HJ2332-E | Роликовый радиальный однорядный подшипник. Повышенная грузоподъемность. 20-28 UM (C3 & C4). | 160.00 | 340.00 | 114.00 |
| NJ2332-E-MA6+HJ2332-E | Роликовый радиальный однорядный подшипник. Повышенная грузоподъемность. Изготовленный из двух частей латунный сепаратор. Центрирование по внешнему кольцу. Различные конструкции или сорта материалов обозначаются цифрой или буквой.. | 160.00 | 340.00 | 114.00 |
| NJ2332-VH | Роликовый радиальный однорядный подшипник. Полный набор роликов (без сепаратора). Самоудерживающиеся. | 160.00 | 340.00 | 114.00 |
| NJ2332-E-M6 | Роликовый радиальный однорядный подшипник. Повышенная грузоподъемность. 20-28 UM (C3 & C4). | 160.00 | 340.00 | 114.00 |
| NU2332-E-M6 | Роликовый радиальный однорядный подшипник. Повышенная грузоподъемность. 20-28 UM (C3 & C4). | 160.00 | 340.00 | 114.00 |
| NU2332-E-MA6 | Роликовый радиальный однорядный подшипник. Повышенная грузоподъемность. Изготовленный из двух частей латунный сепаратор. Центрирование по внешнему кольцу. Различные конструкции или сорта материалов обозначаются цифрой или буквой.. | 160.00 | 340.00 | 114.00 |
| NU2332-E-MPA | Роликовый радиальный однорядный подшипник. Повышенная грузоподъемность. Твердый латунный сепаратор. | 160.00 | 340.00 | 114.00 |
| С8-3632 | Роликовый радиальный двухрядный подшипник. Смазка ВНИИНП-235. | 160.00 | 340.00 | 114.00 |
| NJ2332 M | Роликовый радиальный однорядный подшипник. Подшипник с латунным сепаратором. центрированный по телам качения. | 160.00 | 340.00 | 114.00 |
| NJ2332 MA | Роликовый радиальный однорядный подшипник. Механически обработанный латунный сепаратор. Центрирование по внешнему кольцу. | 160.00 | 340.00 | 114.00 |
| 53632Н | Роликовый радиальный двухрядный подшипник. Детали из теплостойкой стали. | 160.00 | 340.00 | 114.00 |
Способы доставки
Отправка через ведущие транспортные и курьерские компании: ПЭК, Деловые Линии, СДЭК, Байкал-Сервис, Энергия, КИТ, ЖелДорЭкспедиция.
Самовывоз возможен напрямую со склада в Москве.
Сроки доставки
Срок зависит от региона и выбранной транспортной компании. Все заказы комплектуются и отправляются в кратчайшие сроки со склада в Москве.
Надёжность и сохранность
Вся продукция упаковывается с учётом требований транспортировки. Мы гарантируем, что подшипники и комплектующие прибудут к заказчику в полной сохранности.
Доставка в страны ЕАЭС
Мы работаем с проверенными логистическими партнёрами, что позволяет оперативно доставлять заказы в Беларусь, Казахстан, Армению и другие страны ЕАЭС.
Варианты оплаты:
Минимальная сумма заказа и скидки:
Документы и гарантии:
Да, конечно! Наши технические специалисты готовы помочь вам с подбором точного аналога или замены подшипника. Просто позвоните нам по телефону +7 (495) 104-99-04 или напишите на почту zakaz@podsnab.ru.
Для оперативной консультации подготовьте, пожалуйста, имеющиеся данные: маркировку, размеры, тип оборудования или артикул старого подшипника.
Да, конечно! Мы высоко ценим долгосрочное сотрудничество и доверие клиентов по всей России. Для постоянных клиентов действует персональная система скидок.
Условия формируются индивидуально и зависят от:
Чтобы узнать свои условия и получить максимально выгодное предложение, свяжитесь с персональным менеджером или напишите нам на почту zakaz@podsnab.ru.
Вы можете оформить заказ несколькими способами:
Для оформления заказа от юридического лица свяжитесь с нашим отделом по работе с корпоративными клиентами по телефону +7 (495) 104-99-04 или напишите на email zakaz@podsnab.ru, прикрепив реквизиты вашей организации.
Мы оперативно подготовим коммерческое предложение и выставим счет.
Возврат товара надлежащего качества возможен в течение 10 дней с момента получения, если товар не был в употреблении, сохранен товарный вид, упаковка не вскрывалась и присутствуют все сопроводительные документы.
Возврат денежных средств осуществляется в течение 10 рабочих дней после проверки товара складом.
В соответствии с законодательством возврату не подлежат подшипники надлежащего качества, если отсутствует оригинальная упаковка или имеются следы монтажа.
В случае выявления брака или гарантийного случая мы гарантируем возврат или обмен товара.
Да, гарантийный срок хранения устанавливается заводом-изготовителем и в среднем составляет 2 года при соблюдении условий хранения: сухое помещение, оригинальная упаковка и смазка.
Точный срок для конкретного типа подшипника уточняйте у наших менеджеров.
Пн–Пт: с 8:00 до 17:00 (МСК).
Сб–Вс: выходные дни.
Заказы на сайте принимаются круглосуточно. Заявки, поступившие после окончания рабочего дня, обрабатываются на следующий рабочий день.
Минимальная сумма заказа для доставки составляет 3000 рублей. Самовывоз со склада возможен на любую сумму при наличии товара.
ООО «УралТехГрупп»
ИНН: 7415093830
КПП: 772401001
ОГРН: 1167456069021
Банк: ПАО Сбербанк
Р/с: 40702810838000475273
К/с: 30101810400000000225
БИК: 044525225
У подшипника 22332-K-MB-W33+AH2332 пока нет отзывов. Вы можете стать первым покупателем, поделившимся своим мнением.