Поиск подшипника
Статьи
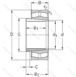
22356-K-MB-W33+AH2356 — Роликовый радиальный сферический двухрядный подшипник, модификация основного исполнения 22356, производство NKE.
Размер подшипника: 280x580x175 мм.
Канавка для смазки и три отверстия во внешнем кольце подшипника, сепаратор из латуни. центрированный по внутреннему кольцу, коническое отверстие. конусность 1/12.
Международная стандартизации ISO
22356KMBW33AH2356
В наличии
| Обозначение | Конструктивные изменения |
|---|---|
| 22356-K-MB-C3 | Внутренний зазор больше нормального. Коническое отверстие. конус 1/12. сепаратор из латуни. центрированный по внутреннему кольцу. |
| 22356K.MB | Коническое отверстие. конус 1/12. сепаратор из латуни. центрированный по внутреннему кольцу. |
| 22356CC/C3W33 | Канавка для смазки и три отверстия во внешнем кольце подшипника. Два стальных сепаратора оконного типа. Бесфланцевое внутреннее кольцо и направляющее кольцо центрировано на внутреннем кольце. |
| 22356CA C3 W33 | Внутренний зазор больше нормального. Канавка для смазки и три отверстия во внешнем кольце подшипника. Сепаратор из латуни с механической обработкой. |
| 22356CA W33 | Канавка для смазки и три отверстия во внешнем кольце подшипника. Сепаратор из латуни с механической обработкой. |
| 22356-BEA-XL-K-MB1-C4 | Коническое отверстие. конус 1/12. Внутренний зазор подшипника больше. чем C3. Серия X-Life премиум-класс. увеличиный срок службы. 40° Угол контакта. High Capacity. All Four Corners Equal. Латунный сепаратор. массивный. |
| 22356-BEA-K-MB1-C4 | Коническое отверстие. конус 1/12. Внутренний зазор подшипника больше. чем C3. 40° Угол контакта. High Capacity. All Four Corners Equal. Латунный сепаратор. массивный. |
| 22356EM D1 | Канавка и три смазочных отверстия на наружном кольце. Стандартный фланцевый ( с резьбой и сквозным отверстием). |
| 22356EM K D1 | Коническое отверстие. конус 1/12. Канавка и три смазочных отверстия на наружном кольце. Стандартный фланцевый ( с резьбой и сквозным отверстием). |
| 22356EM K D1 C3 | Внутренний зазор больше нормального. Коническое отверстие. конус 1/12. Канавка и три смазочных отверстия на наружном кольце. Стандартный фланцевый ( с резьбой и сквозным отверстием). |
| 22356C3 W33 | Внутренний зазор больше нормального. Канавка для смазки и три отверстия во внешнем кольце подшипника. |
| 22356CACK/C3W33 | Внутренний зазор больше нормального. Канавка для смазки и три отверстия во внешнем кольце подшипника. Коническое отверстие. конус 1/12. Сферический роликоподшипник конструкции CA. но с улучшенной направляющей ролика и. следовательно. меньшим трением. |
| 22356KEMBW33W45AC3 | Внутренний зазор больше нормального. Cмазочная канавка и три отверстия на наружном кольце подшипника. Коническое отверстие. конус 1/12. Land-Riding One-Piece Brass Cage. Подъемные отверстия с резьбой в торце наружного кольца для облегчения подъема и перемещения. |
| 22356W33 | Кольцевая канавка и три отверстия для смазывания в наружном кольце подшипника. |
| 22356 KW33 | Кольцевая канавка и три отверстия для смазывания в наружном кольце подшипника. Коническое внутреннее отверстие. |
| 22356R | С выпуклыми асимметричными роликами и обработанным сепаратором. |
| 22356RHA | With Convex Symmetric Rollers And One-Piece Machined Cage. |
| 22356-K-MB-W33+OH2356-H | Канавка для смазки и три отверстия во внешнем кольце подшипника. Коническое отверстие. Конусность 1/12. сепаратор из латуни. центрированный по внутреннему кольцу. Pressed Snap-Type Steel Cage. Hardened. |
| 22356YMB | Бронзовый цельный сепаратор пальцевого типа. |
| 22356 KCW33+H2356 | Кольцевая канавка и три отверстия для смазывания в наружном кольце подшипника. Коническое внутреннее отверстие. |
| 22356 KCW33+AH2356 | Кольцевая канавка и три отверстия для смазывания в наружном кольце подшипника. Коническое внутреннее отверстие. |
| 22356-K-MB + H2356X | Коническое отверстие. Конусность 1/12. сепаратор из латуни. центрированный по внутреннему кольцу. |
| 22356-K-MB + AH2356G | Коническое отверстие. Конусность 1/12. сепаратор из латуни. центрированный по внутреннему кольцу. |
| 22356E | Повышенная грузоподъемность. |
| 22356EK | Роликовый радиальный сферический двухрядный подшипник. |
Модификации сферического роликового подшипника 22356-K-MB-W33+AH2356 — это измененное основное конструктивное исполнение 22356, основные размеры (280x580x175) не отличаются.
| Обозначение | Гост | Конструктивные особенности |
|---|---|---|
| 3656 | ГОСТ | Роликовый радиальный сферический двухрядный подшипник. |
Аналог сферического роликового подшипника 22356-K-MB-W33+AH2356 — это подшипник такого же размера dx280,Dx580,Bx175, типа и конструкции.
| Обозначение | Конструктивные особенности | Внутренний (d) | Наружный (D) | Ширина (B) |
|---|---|---|---|---|
| 6-3656-НШ1 | Роликовый радиальный двухрядный подшипник. Детали из теплостойкой стали. Нормы шумности. | 280.00 | 580.00 | 175.00 |
| 6-3656-НШ | Роликовый радиальный двухрядный подшипник. Детали из теплостойкой стали. Нормы шумности. | 280.00 | 580.00 | 175.00 |
| 153656Н | Роликовый радиальный двухрядный подшипник. Детали из теплостойкой стали. | 280.00 | 580.00 | 175.00 |
| 3656-АН | Роликовый радиальный двухрядный подшипник. Детали из теплостойкой стали. Повышенная грузоподъемность. | 280.00 | 580.00 | 175.00 |
| 3656-Н | Роликовый радиальный двухрядный подшипник. Детали из теплостойкой стали. | 280.00 | 580.00 | 175.00 |
| NU 2356 MA | Роликовый радиальный цилиндрический однорядный подшипник. Механически обработанный латунный сепаратор. Центрирование по внешнему кольцу. Однорядный цилиндрический роликовый подшипник. | 280.00 | 580.00 | 175.00 |
| NH2356 | Роликовый радиальный однорядный подшипник. Канавка под стопорное кольцо на наружном кольце подшипника. | 280.00 | 580.00 | 175.00 |
| NJ2356 E | Роликовый радиальный однорядный подшипник. Повышенная грузоподъемность. | 280.00 | 580.00 | 175.00 |
| NU2356 E | Роликовый радиальный однорядный подшипник. Повышенная грузоподъемность. | 280.00 | 580.00 | 175.00 |
| NUP2356 E | Роликовый радиальный однорядный подшипник. Повышенная грузоподъемность. | 280.00 | 580.00 | 175.00 |
| LSL192356-TB | Роликовый радиальный подшипник. Textite (Fabric-Reinforced Phenolic Resin) Cage Guided On The Inner Ring. | 280.00 | 580.00 | 175.00 |
| NU2356 | Роликовый радиальный однорядный подшипник. Сталь сквозной закалки SUJ2 (японская) и взаимозаменяемость (только для метрических серий). Канавка под стопорное кольцо на наружном кольце подшипника. Однорядные цилиндрические роликоподшипники. Наружное кольцо подшипника имеет два борта. | 280.00 | 580.00 | 175.00 |
| NJ2356 | Роликовый радиальный однорядный подшипник. Штампованный сепаратор из стального листа. Канавка под стопорное кольцо на наружном кольце подшипника. Однорядный цилиндрический роликовый подшипник. Наружное кольцо имеет два борта. | 280.00 | 580.00 | 175.00 |
| NUP2356 | Роликовый радиальный однорядный подшипник. Сталь сквозной закалки SUJ2 (японская) и взаимозаменяемость (только для метрических серий). Канавка под стопорное кольцо на наружном кольце подшипника. Точность размеров примерно соответствует классу точности Р4. Класс точности 2. Однорядный цилиндрический роликовый подшипник. Наружное кольцо имеет два борта. | 280.00 | 580.00 | 175.00 |
| 53656Н | Роликовый радиальный двухрядный подшипник. Детали из теплостойкой стали. | 280.00 | 580.00 | 175.00 |
Способы доставки
Отправка через ведущие транспортные и курьерские компании: ПЭК, Деловые Линии, СДЭК, Байкал-Сервис, Энергия, КИТ, ЖелДорЭкспедиция.
Самовывоз возможен напрямую со склада в Москве.
Сроки доставки
Срок зависит от региона и выбранной транспортной компании. Все заказы комплектуются и отправляются в кратчайшие сроки со склада в Москве.
Надёжность и сохранность
Вся продукция упаковывается с учётом требований транспортировки. Мы гарантируем, что подшипники и комплектующие прибудут к заказчику в полной сохранности.
Доставка в страны ЕАЭС
Мы работаем с проверенными логистическими партнёрами, что позволяет оперативно доставлять заказы в Беларусь, Казахстан, Армению и другие страны ЕАЭС.
Варианты оплаты:
Минимальная сумма заказа и скидки:
Документы и гарантии:
Да, конечно! Наши технические специалисты готовы помочь вам с подбором точного аналога или замены подшипника. Просто позвоните нам по телефону +7 (495) 104-99-04 или напишите на почту zakaz@podsnab.ru.
Для оперативной консультации подготовьте, пожалуйста, имеющиеся данные: маркировку, размеры, тип оборудования или артикул старого подшипника.
Да, конечно! Мы высоко ценим долгосрочное сотрудничество и доверие клиентов по всей России. Для постоянных клиентов действует персональная система скидок.
Условия формируются индивидуально и зависят от:
Чтобы узнать свои условия и получить максимально выгодное предложение, свяжитесь с персональным менеджером или напишите нам на почту zakaz@podsnab.ru.
Вы можете оформить заказ несколькими способами:
Для оформления заказа от юридического лица свяжитесь с нашим отделом по работе с корпоративными клиентами по телефону +7 (495) 104-99-04 или напишите на email zakaz@podsnab.ru, прикрепив реквизиты вашей организации.
Мы оперативно подготовим коммерческое предложение и выставим счет.
Возврат товара надлежащего качества возможен в течение 10 дней с момента получения, если товар не был в употреблении, сохранен товарный вид, упаковка не вскрывалась и присутствуют все сопроводительные документы.
Возврат денежных средств осуществляется в течение 10 рабочих дней после проверки товара складом.
В соответствии с законодательством возврату не подлежат подшипники надлежащего качества, если отсутствует оригинальная упаковка или имеются следы монтажа.
В случае выявления брака или гарантийного случая мы гарантируем возврат или обмен товара.
Да, гарантийный срок хранения устанавливается заводом-изготовителем и в среднем составляет 2 года при соблюдении условий хранения: сухое помещение, оригинальная упаковка и смазка.
Точный срок для конкретного типа подшипника уточняйте у наших менеджеров.
Пн–Пт: с 8:00 до 17:00 (МСК).
Сб–Вс: выходные дни.
Заказы на сайте принимаются круглосуточно. Заявки, поступившие после окончания рабочего дня, обрабатываются на следующий рабочий день.
Минимальная сумма заказа для доставки составляет 3000 рублей. Самовывоз со склада возможен на любую сумму при наличии товара.
ООО «УралТехГрупп»
ИНН: 7415093830
КПП: 772401001
ОГРН: 1167456069021
Банк: ПАО Сбербанк
Р/с: 40702810838000475273
К/с: 30101810400000000225
БИК: 044525225
У подшипника 22356-K-MB-W33+AH2356 пока нет отзывов. Вы можете стать первым покупателем, поделившимся своим мнением.