Поиск подшипника
Статьи
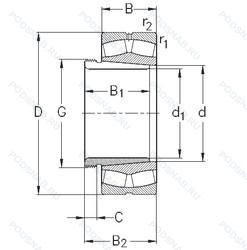
230/530-K-MB-W33+AH30/530 — Роликовый радиальный сферический двухрядный подшипник, модификация основного исполнения 230/530, производство NKE.
Размер подшипника: 530x780x185 мм.
Канавка для смазки и три отверстия во внешнем кольце подшипника, длина рельса в мм, сепаратор из латуни. центрированный по внутреннему кольцу, коническое отверстие. конусность 1/12.
Международная стандартизации ISO
230530KMBW33AH30530
В наличии
| Обозначение | Конструктивные изменения |
|---|---|
| 230/530CA W33 C | 15° Угол контакта. Канавка для смазки и три отверстия во внешнем кольце подшипника. Цельный латунный сепаратор. |
| 230/530ECAW33 | Канавка для смазки и три отверстия во внешнем кольце подшипника. Сепаратор из латуни с механической обработкой. Reinforced Roller Complement. |
| 230/530-BEA-XL-K-MB1- | Коническое отверстие. конус 1/12. Серия X-Life премиум-класс. увеличиный срок службы. 40° Угол контакта. High Capacity. All Four Corners Equal. Латунный сепаратор. массивный. |
| 230/530YMBW507C08 | Повышенная точность вращения до класса допуска ISO 5. Комбинация W4 (отметка высоких и низких точек эксцентриситета на поверхности колец) и W31 (подшипник проверен в соответствии с определенными требованиями контроля качества) и W33 (смазочная канавка и три смазочных отверстия на наружном кольце подшипника).. Цельный латунный сепаратор пальцевого типа. |
| 230/530 K | Коническое отверстие. Конусность 1/12. |
| 230/530 EKW33+OH30/530 | Длина рельса в мм. |
| 230/530 EKW33+AOH30/530 | Длина рельса в мм. |
| 230/530 KW33 | Кольцевая канавка и три отверстия для смазывания в наружном кольце подшипника. Коническое внутреннее отверстие. |
| 230/530RHA | With Convex Symmetric Rollers And One-Piece Machined Cage. |
| 230/530R | С выпуклыми асимметричными роликами и обработанным сепаратором. |
| 230/530-MB-W33 | Канавка для смазки и три отверстия во внешнем кольце подшипника. сепаратор из латуни. центрированный по внутреннему кольцу. |
| 230/530-K-MB-W33 | Канавка для смазки и три отверстия во внешнем кольце подшипника. Коническое отверстие. Конусность 1/12. сепаратор из латуни. центрированный по внутреннему кольцу. |
| 230/530-K-MB-W33+OH30/530-H | Канавка для смазки и три отверстия во внешнем кольце подшипника. Коническое отверстие. Конусность 1/12. сепаратор из латуни. центрированный по внутреннему кольцу. Pressed Snap-Type Steel Cage. Hardened. Длина рельса в мм. |
| 230/530B | Конический роликовый подшипник. Угол контакта 20 градусов. |
| 230/530BK | Игольчатый роликовый подшипник со штампованным наружным кольцом с закрытым торцом. |
| 230/530YMB | Бронзовый цельный сепаратор пальцевого типа. |
| 230/530 KCW33+AH30/530 | Кольцевая канавка и три отверстия для смазывания в наружном кольце подшипника. Коническое внутреннее отверстие. Длина рельса в мм. |
| 230/530 KCW33+H30/530 | Кольцевая канавка и три отверстия для смазывания в наружном кольце подшипника. Коническое внутреннее отверстие. Длина рельса в мм. |
| 230/530-B-K-MB + H30/530-HG | Класс допуска (FAG) для подшипников шпинделя (аналог P2). Коническое отверстие. Конусность 1/12. Конический роликовый подшипник. Угол контакта 20 градусов. сепаратор из латуни. центрированный по внутреннему кольцу. Длина рельса в мм. |
| 230/530-B-K-MB + AH30/530A-H | Коническое отверстие. Конусность 1/12. Конический роликовый подшипник. Угол контакта 20 градусов. сепаратор из латуни. центрированный по внутреннему кольцу. Pressed Snap-Type Steel Cage. Hardened. |
| 230/530-B-K-MB+AH30/530A | Коническое отверстие. Конусность 1/12. Конический роликовый подшипник. Угол контакта 20 градусов. сепаратор из латуни. центрированный по внутреннему кольцу. |
| 230/530-E1A-MB1 | Латунный сепаратор. массивный. |
| 230/530-B-K-MB+H30/530 | Коническое отверстие. Конусность 1/12. Конический роликовый подшипник. Угол контакта 20 градусов. сепаратор из латуни. центрированный по внутреннему кольцу. Длина рельса в мм. |
| 230/530EK | Роликовый радиальный сферический двухрядный подшипник. |
| 230/530E | Повышенная грузоподъемность. |
Модификации сферического роликового подшипника 230/530-K-MB-W33+AH30/530 — это измененное основное конструктивное исполнение 230/530, основные размеры (530x780x185) не отличаются.
| Обозначение | Гост | Конструктивные особенности |
|---|---|---|
| 20-30031/530 | ГОСТ | Роликовый радиальный сферический двухрядный подшипник. |
| 30031/530НУ | ГОСТ | Детали из теплостойкой стали. Дополнительные технические требования. |
| 30531/530 | ГОСТ | Роликовый радиальный сферический двухрядный подшипник. |
| 30531/530Н | ГОСТ | Детали из теплостойкой стали. |
| 31131/530 | ГОСТ | Роликовый радиальный сферический двухрядный подшипник. |
| 31531/530 | ГОСТ | Роликовый радиальный сферический двухрядный подшипник. |
| 31531/530Н | ГОСТ | Детали из теплостойкой стали. |
Аналог сферического роликового подшипника 230/530-K-MB-W33+AH30/530 — это подшипник такого же размера dx530,Dx780,Bx185, типа и конструкции.
| Обозначение | Конструктивные особенности | Внутренний (d) | Наружный (D) | Ширина (B) |
|---|---|---|---|---|
| C30/530M | Тороидальный роликовый подшипник CARB. Тороидальный подшипник CARB. Обработанный латунный сепаратор оконного типа. Центрированный ролик. | 530.00 | 780.00 | 185.00 |
| N30/530 E | Роликовый радиальный однорядный подшипник. Повышенная грузоподъемность. Длина рельса в мм. | 530.00 | 780.00 | 185.00 |
| NF30/530 E | Роликовый радиальный однорядный подшипник. Повышенная грузоподъемность. Длина рельса в мм. | 530.00 | 780.00 | 185.00 |
| NJ30/530 E | Роликовый радиальный однорядный подшипник. Повышенная грузоподъемность. Длина рельса в мм. | 530.00 | 780.00 | 185.00 |
| NP30/530 E | Роликовый радиальный однорядный подшипник. Повышенная грузоподъемность. Длина рельса в мм. | 530.00 | 780.00 | 185.00 |
| NU30/530 E | Роликовый радиальный однорядный подшипник. Повышенная грузоподъемность. Длина рельса в мм. | 530.00 | 780.00 | 185.00 |
| NUP30/530 E | Роликовый радиальный однорядный подшипник. Повышенная грузоподъемность. Длина рельса в мм. | 530.00 | 780.00 | 185.00 |
| Z-565681.ZL-K-C5 | Роликовый радиальный подшипник. Коническое отверстие. Конусность 1/12. Внутренний зазор подшипника больше. чем С4. Цилиндрический роликовый подшипник. | 530.00 | 780.00 | 185.00 |
| NF30/530 | Роликовый радиальный однорядный подшипник. Длина рельса в мм. | 530.00 | 780.00 | 185.00 |
| NJ30/530 | Роликовый радиальный однорядный подшипник. Однорядный цилиндрический роликовый подшипник. Наружное кольцо имеет два борта. Длина рельса в мм. | 530.00 | 780.00 | 185.00 |
| NP30/530 | Роликовый радиальный однорядный подшипник. Длина рельса в мм. | 530.00 | 780.00 | 185.00 |
| NU30/530 | Роликовый радиальный однорядный подшипник. Длина рельса в мм. Однорядные цилиндрические роликоподшипники. Наружное кольцо подшипника имеет два борта. | 530.00 | 780.00 | 185.00 |
| NUP30/530 | Роликовый радиальный однорядный подшипник. Длина рельса в мм. Однорядный цилиндрический роликовый подшипник. Наружное кольцо имеет два борта. | 530.00 | 780.00 | 185.00 |
| NCF 30/530 V | Роликовый радиальный цилиндрический однорядный подшипник. Однорядный без сепараторный цилиндрический роликовый подшипник. | 530.00 | 780.00 | 185.00 |
| 4130/530 | Роликовый радиальный-упорный двухрядный подшипник. Длина рельса в мм. | 530.00 | 780.00 | 185.00 |
Способы доставки
Отправка через ведущие транспортные и курьерские компании: ПЭК, Деловые Линии, СДЭК, Байкал-Сервис, Энергия, КИТ, ЖелДорЭкспедиция.
Самовывоз возможен напрямую со склада в Москве.
Сроки доставки
Срок зависит от региона и выбранной транспортной компании. Все заказы комплектуются и отправляются в кратчайшие сроки со склада в Москве.
Надёжность и сохранность
Вся продукция упаковывается с учётом требований транспортировки. Мы гарантируем, что подшипники и комплектующие прибудут к заказчику в полной сохранности.
Доставка в страны ЕАЭС
Мы работаем с проверенными логистическими партнёрами, что позволяет оперативно доставлять заказы в Беларусь, Казахстан, Армению и другие страны ЕАЭС.
Варианты оплаты:
Минимальная сумма заказа и скидки:
Документы и гарантии:
Да, конечно! Наши технические специалисты готовы помочь вам с подбором точного аналога или замены подшипника. Просто позвоните нам по телефону +7 (495) 104-99-04 или напишите на почту zakaz@podsnab.ru.
Для оперативной консультации подготовьте, пожалуйста, имеющиеся данные: маркировку, размеры, тип оборудования или артикул старого подшипника.
Да, конечно! Мы высоко ценим долгосрочное сотрудничество и доверие клиентов по всей России. Для постоянных клиентов действует персональная система скидок.
Условия формируются индивидуально и зависят от:
Чтобы узнать свои условия и получить максимально выгодное предложение, свяжитесь с персональным менеджером или напишите нам на почту zakaz@podsnab.ru.
Вы можете оформить заказ несколькими способами:
Для оформления заказа от юридического лица свяжитесь с нашим отделом по работе с корпоративными клиентами по телефону +7 (495) 104-99-04 или напишите на email zakaz@podsnab.ru, прикрепив реквизиты вашей организации.
Мы оперативно подготовим коммерческое предложение и выставим счет.
Возврат товара надлежащего качества возможен в течение 10 дней с момента получения, если товар не был в употреблении, сохранен товарный вид, упаковка не вскрывалась и присутствуют все сопроводительные документы.
Возврат денежных средств осуществляется в течение 10 рабочих дней после проверки товара складом.
В соответствии с законодательством возврату не подлежат подшипники надлежащего качества, если отсутствует оригинальная упаковка или имеются следы монтажа.
В случае выявления брака или гарантийного случая мы гарантируем возврат или обмен товара.
Да, гарантийный срок хранения устанавливается заводом-изготовителем и в среднем составляет 2 года при соблюдении условий хранения: сухое помещение, оригинальная упаковка и смазка.
Точный срок для конкретного типа подшипника уточняйте у наших менеджеров.
Пн–Пт: с 8:00 до 17:00 (МСК).
Сб–Вс: выходные дни.
Заказы на сайте принимаются круглосуточно. Заявки, поступившие после окончания рабочего дня, обрабатываются на следующий рабочий день.
Минимальная сумма заказа для доставки составляет 3000 рублей. Самовывоз со склада возможен на любую сумму при наличии товара.
ООО «УралТехГрупп»
ИНН: 7415093830
КПП: 772401001
ОГРН: 1167456069021
Банк: ПАО Сбербанк
Р/с: 40702810838000475273
К/с: 30101810400000000225
БИК: 044525225
У подшипника 230/530-K-MB-W33+AH30/530 пока нет отзывов. Вы можете стать первым покупателем, поделившимся своим мнением.