Поиск подшипника
Статьи
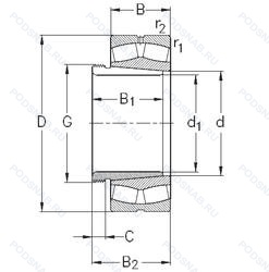
230/600-K-MB-W33+AH30/600 — Роликовый радиальный сферический двухрядный подшипник, модификация основного исполнения 230/600, производство NKE.
Размер подшипника: 600x870x200 мм.
Канавка для смазки и три отверстия во внешнем кольце подшипника, длина направляющей, сепаратор из латуни. центрированный по внутреннему кольцу, коническое отверстие. конусность 1/12.
Международная стандартизации ISO
230600KMBW33AH30600
В наличии
| Обозначение | Конструктивные изменения |
|---|---|
| 230/600-E1A-XL-K-MB1- | Коническое отверстие. конус 1/12. Модифицированная внутренняя конструкция. Серия X-Life премиум-класс. увеличиный срок службы. Конструкция с увеличенной грузоподьемностью. Латунный сепаратор. массивный. |
| 230/600-BEA-XL-K-MB1-T52BW-C3 | Внутренний зазор больше нормального. Коническое отверстие. конус 1/12. Серия X-Life премиум-класс. увеличиный срок службы. Повышенная точность вращения до класса допуска ISO 5. 40° Угол контакта. High Capacity. All Four Corners Equal. Латунный сепаратор. массивный. |
| 230/600ECAW33 | Канавка для смазки и три отверстия во внешнем кольце подшипника. Сепаратор из латуни с механической обработкой. Reinforced Roller Complement. |
| 230/600-BEA-XL-MB1-T52BW-C3 | Внутренний зазор больше нормального. Серия X-Life премиум-класс. увеличиный срок службы. Повышенная точность вращения до класса допуска ISO 5. 40° Угол контакта. High Capacity. All Four Corners Equal. Латунный сепаратор. массивный. |
| 230/600 K | Коническое отверстие. Конусность 1/12. |
| 230/600 EKW33+AOH30/600 | Длина направляющей. |
| 230/600 EKW33+OH30/600 | Длина направляющей. |
| 230/600 KW33 | Кольцевая канавка и три отверстия для смазывания в наружном кольце подшипника. Коническое внутреннее отверстие. |
| 230/600W33 | Кольцевая канавка и три отверстия для смазывания в наружном кольце подшипника. |
| 230/600RR | С выпуклыми асимметричными роликами. Обработанный сепаратор штыревого типа из медного сплава. С центральным ребром. С ребрами с двух сторон (для предотвращения падения роликов). |
| 230/600-MB-W33 | Канавка для смазки и три отверстия во внешнем кольце подшипника. сепаратор из латуни. центрированный по внутреннему кольцу. |
| 230/600-K-MB-W33+OH30/600-H | Канавка для смазки и три отверстия во внешнем кольце подшипника. Коническое отверстие. Конусность 1/12. сепаратор из латуни. центрированный по внутреннему кольцу. Pressed Snap-Type Steel Cage. Hardened. Длина направляющей. |
| 230/600B | Конический роликовый подшипник. Угол контакта 20 градусов. |
| 230/600BK | Игольчатый роликовый подшипник со штампованным наружным кольцом с закрытым торцом. |
| 230/600YMB | Бронзовый цельный сепаратор пальцевого типа. |
| 230/600 KCW33+H30/600 | Кольцевая канавка и три отверстия для смазывания в наружном кольце подшипника. Коническое внутреннее отверстие. Длина направляющей. |
| 230/600 KCW33+AH30/600 | Кольцевая канавка и три отверстия для смазывания в наружном кольце подшипника. Коническое внутреннее отверстие. Длина направляющей. |
| 230/600-B-K-MB + AH30/600A-H | Коническое отверстие. Конусность 1/12. Конический роликовый подшипник. Угол контакта 20 градусов. сепаратор из латуни. центрированный по внутреннему кольцу. Pressed Snap-Type Steel Cage. Hardened. |
| 230/600-B-K-MB+AH30/600A | Коническое отверстие. Конусность 1/12. Конический роликовый подшипник. Угол контакта 20 градусов. сепаратор из латуни. центрированный по внутреннему кольцу. |
| 230/600-B-K-MB+H30/600 | Коническое отверстие. Конусность 1/12. Конический роликовый подшипник. Угол контакта 20 градусов. сепаратор из латуни. центрированный по внутреннему кольцу. Длина направляющей. |
| 230/600-E1A-MB1 | Латунный сепаратор. массивный. |
| 230/600-B-K-MB + H30/600-HG | Класс допуска (FAG) для подшипников шпинделя (аналог P2). Коническое отверстие. Конусность 1/12. Конический роликовый подшипник. Угол контакта 20 градусов. сепаратор из латуни. центрированный по внутреннему кольцу. Длина направляющей. |
| 230/600E | Повышенная грузоподъемность. |
| 230/600EK | Роликовый радиальный сферический двухрядный подшипник. |
| 230/600 CAK/W33 + AOHX 30/600 | Канавка для смазки и три отверстия во внешнем кольце подшипника. Измененная или модифицированная внутренняя конструкция при неизменных основных размерах. Distance Between End Face And First Hole Of The Rail. Длина направляющей. |
Модификации сферического роликового подшипника 230/600-K-MB-W33+AH30/600 — это измененное основное конструктивное исполнение 230/600, основные размеры (600x870x200) не отличаются.
| Обозначение | Гост | Конструктивные особенности |
|---|---|---|
| 20-30031/600 НХ | ГОСТ | Детали из теплостойкой стали. Кольца и тела качения или только кольца (в том числе одно кольцо) из цементируемой стали.. |
| 30-30031/600-НХ | ГОСТ | Детали из теплостойкой стали. Кольца и тела качения или только кольца (в том числе одно кольцо) из цементируемой стали.. |
| 30-30031/600-Х | ГОСТ | Кольца и тела качения или только кольца (в том числе одно кольцо) из цементируемой стали.. |
| 30-30031/600-ХМ | ГОСТ | Модифицированный контакт.. Кольца и тела качения или только кольца (в том числе одно кольцо) из цементируемой стали.. |
| 30031/600-НХ | ГОСТ | Детали из теплостойкой стали. Кольца и тела качения или только кольца (в том числе одно кольцо) из цементируемой стали.. |
| 30031/600-ХН | ГОСТ | Детали из теплостойкой стали. Кольца и тела качения или только кольца (в том числе одно кольцо) из цементируемой стали.. |
| 30531/600 | ГОСТ | Роликовый радиальный сферический двухрядный подшипник. |
| 30531/600Н | ГОСТ | Детали из теплостойкой стали. |
| 31131/600 | ГОСТ | Роликовый радиальный сферический двухрядный подшипник. |
| 31131/600НХ | ГОСТ | Детали из теплостойкой стали. Кольца и тела качения или только кольца (в том числе одно кольцо) из цементируемой стали.. |
| 31531/600 | ГОСТ | Роликовый радиальный сферический двухрядный подшипник. |
| 31531/600Н | ГОСТ | Детали из теплостойкой стали. |
| 50-31131/600 Х | ГОСТ | Кольца и тела качения или только кольца (в том числе одно кольцо) из цементируемой стали.. |
Аналог сферического роликового подшипника 230/600-K-MB-W33+AH30/600 — это подшипник такого же размера dx600,Dx870,Bx200, типа и конструкции.
| Обозначение | Конструктивные особенности | Внутренний (d) | Наружный (D) | Ширина (B) |
|---|---|---|---|---|
| C30/600KM | Тороидальный роликовый подшипник CARB. Тороидальный подшипник CARB. Коническое отверстие. конус 1/12. Обработанный латунный сепаратор оконного типа. Центрированный ролик. | 600.00 | 870.00 | 200.00 |
| C30/600M | Тороидальный роликовый подшипник CARB. Тороидальный подшипник CARB. Обработанный латунный сепаратор оконного типа. Центрированный ролик. | 600.00 | 870.00 | 200.00 |
| NU30/600-M1A-C3 | Однорядный цилиндрический роликовый подшипник. Внутренний зазор больше нормального. Массивный латунный сепаратор. двухтельный. центрированный по бортам. Длина направляющей. | 600.00 | 870.00 | 200.00 |
| NU30/600-M1A-W209C-C3 | Однорядный цилиндрический роликовый подшипник. Внутренний зазор больше нормального. Массивный латунный сепаратор. двухтельный. центрированный по бортам. Paper Mill Bearing. Длина направляющей. | 600.00 | 870.00 | 200.00 |
| 30-30031/600-ХН | Роликовый радиальный сферический подшипник. Детали из теплостойкой стали. Кольца и тела качения или только кольца (в том числе одно кольцо) из цементируемой стали.. | 600.00 | 870.00 | 200.00 |
| 8-30031/600 Х | Роликовый радиальный сферический подшипник. Кольца и тела качения или только кольца (в том числе одно кольцо) из цементируемой стали.. | 600.00 | 870.00 | 200.00 |
| 30-30031/600-X | Роликовый радиальный-упорный подшипник. Измененные размеры границ. введенные пересмотренными стандартами ISO. | 600.00 | 870.00 | 200.00 |
| NJ30/600 | Роликовый радиальный однорядный подшипник. Однорядный цилиндрический роликовый подшипник. Наружное кольцо имеет два борта. Длина направляющей. | 600.00 | 870.00 | 200.00 |
| NN30/600 | Роликовый радиальный двухрядный подшипник. Длина направляющей. Двухрядный цилиндрический роликовый подшипник. | 600.00 | 870.00 | 200.00 |
| NN30/600 K | Роликовый радиальный двухрядный подшипник. Коническое внутреннее отверстие. Длина направляющей. Двухрядный цилиндрический роликовый подшипник. | 600.00 | 870.00 | 200.00 |
| NU30/600 | Роликовый радиальный однорядный подшипник. Длина направляющей. Однорядные цилиндрические роликоподшипники. Наружное кольцо подшипника имеет два борта. | 600.00 | 870.00 | 200.00 |
| NUP30/600 | Роликовый радиальный однорядный подшипник. Длина направляющей. Однорядный цилиндрический роликовый подшипник. Наружное кольцо имеет два борта. | 600.00 | 870.00 | 200.00 |
| Z-572367.ZL-K-C5 | Роликовый радиальный подшипник. Коническое отверстие. Конусность 1/12. Внутренний зазор подшипника больше. чем С4. Цилиндрический роликовый подшипник. | 600.00 | 870.00 | 200.00 |
| 4130/600 | Роликовый радиальный-упорный двухрядный подшипник. Длина направляющей. | 600.00 | 870.00 | 200.00 |
| NU 30/600 ECMA/HA1 | Роликовый радиальный однорядный подшипник. Измененная или модифицированная внутренняя конструкция при неизменных основных размерах. Однорядный цилиндрический роликовый подшипник. | 600.00 | 870.00 | 200.00 |
Способы доставки
Отправка через ведущие транспортные и курьерские компании: ПЭК, Деловые Линии, СДЭК, Байкал-Сервис, Энергия, КИТ, ЖелДорЭкспедиция.
Самовывоз возможен напрямую со склада в Москве.
Сроки доставки
Срок зависит от региона и выбранной транспортной компании. Все заказы комплектуются и отправляются в кратчайшие сроки со склада в Москве.
Надёжность и сохранность
Вся продукция упаковывается с учётом требований транспортировки. Мы гарантируем, что подшипники и комплектующие прибудут к заказчику в полной сохранности.
Доставка в страны ЕАЭС
Мы работаем с проверенными логистическими партнёрами, что позволяет оперативно доставлять заказы в Беларусь, Казахстан, Армению и другие страны ЕАЭС.
Варианты оплаты:
Минимальная сумма заказа и скидки:
Документы и гарантии:
Да, конечно! Наши технические специалисты готовы помочь вам с подбором точного аналога или замены подшипника. Просто позвоните нам по телефону +7 (495) 104-99-04 или напишите на почту zakaz@podsnab.ru.
Для оперативной консультации подготовьте, пожалуйста, имеющиеся данные: маркировку, размеры, тип оборудования или артикул старого подшипника.
Да, конечно! Мы высоко ценим долгосрочное сотрудничество и доверие клиентов по всей России. Для постоянных клиентов действует персональная система скидок.
Условия формируются индивидуально и зависят от:
Чтобы узнать свои условия и получить максимально выгодное предложение, свяжитесь с персональным менеджером или напишите нам на почту zakaz@podsnab.ru.
Вы можете оформить заказ несколькими способами:
Для оформления заказа от юридического лица свяжитесь с нашим отделом по работе с корпоративными клиентами по телефону +7 (495) 104-99-04 или напишите на email zakaz@podsnab.ru, прикрепив реквизиты вашей организации.
Мы оперативно подготовим коммерческое предложение и выставим счет.
Возврат товара надлежащего качества возможен в течение 10 дней с момента получения, если товар не был в употреблении, сохранен товарный вид, упаковка не вскрывалась и присутствуют все сопроводительные документы.
Возврат денежных средств осуществляется в течение 10 рабочих дней после проверки товара складом.
В соответствии с законодательством возврату не подлежат подшипники надлежащего качества, если отсутствует оригинальная упаковка или имеются следы монтажа.
В случае выявления брака или гарантийного случая мы гарантируем возврат или обмен товара.
Да, гарантийный срок хранения устанавливается заводом-изготовителем и в среднем составляет 2 года при соблюдении условий хранения: сухое помещение, оригинальная упаковка и смазка.
Точный срок для конкретного типа подшипника уточняйте у наших менеджеров.
Пн–Пт: с 8:00 до 17:00 (МСК).
Сб–Вс: выходные дни.
Заказы на сайте принимаются круглосуточно. Заявки, поступившие после окончания рабочего дня, обрабатываются на следующий рабочий день.
Минимальная сумма заказа для доставки составляет 3000 рублей. Самовывоз со склада возможен на любую сумму при наличии товара.
ООО «УралТехГрупп»
ИНН: 7415093830
КПП: 772401001
ОГРН: 1167456069021
Банк: ПАО Сбербанк
Р/с: 40702810838000475273
К/с: 30101810400000000225
БИК: 044525225
У подшипника 230/600-K-MB-W33+AH30/600 пока нет отзывов. Вы можете стать первым покупателем, поделившимся своим мнением.