Поиск подшипника
Статьи
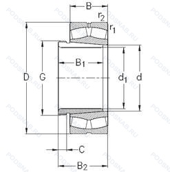
230/800-K-MB-W33+AH30/800 — Роликовый радиальный сферический двухрядный подшипник, модификация основного исполнения 230/800, производство NKE.
Размер подшипника: 800x1150x258 мм.
Канавка для смазки и три отверстия во внешнем кольце подшипника, сепаратор из латуни. центрированный по внутреннему кольцу, коническое отверстие. конусность 1/12.
Международная стандартизации ISO
230800KMBW33AH30800
В наличии
| Обозначение | Конструктивные изменения |
|---|---|
| 230/800K.MB | Коническое отверстие. конус 1/12. сепаратор из латуни. центрированный по внутреннему кольцу. |
| 230/800K.MB.C3.T52BW | Внутренний зазор больше нормального. Коническое отверстие. конус 1/12. сепаратор из латуни. центрированный по внутреннему кольцу. Повышенная точность вращения до класса допуска ISO 5. |
| 230/800YMDWEW919GC6 | Special RIC Non-Specific. Land-Riding Two-Piece Brass Cage. |
| 230/800-MB1-H50V-R350-450 | Латунный сепаратор. массивный. Сводка технических характеристик и специальных спецификаций. Radial Clearance In μm. |
| 230/800-MB-H40AB-T52BW-C3 | Внутренний зазор больше нормального. сепаратор из латуни. центрированный по внутреннему кольцу. Повышенная точность вращения до класса допуска ISO 5. 6 смазочных отверстий на внутреннем кольце. |
| 230/800-MB1-H40CA-C3 | Внутренний зазор больше нормального. Латунный сепаратор. массивный. Spherical Roller Bearing With Lubrication Groove And 6 Lubrication Holes In The Outer Ring. |
| 230/800 K | Коническое отверстие. Конусность 1/12. |
| 230/800 KW33 | Кольцевая канавка и три отверстия для смазывания в наружном кольце подшипника. Коническое внутреннее отверстие. |
| 230/800W33 | Кольцевая канавка и три отверстия для смазывания в наружном кольце подшипника. |
| 230/800R | С выпуклыми асимметричными роликами и обработанным сепаратором. |
| 230/800-K-MB-W33+OH30/800-H | Канавка для смазки и три отверстия во внешнем кольце подшипника. Коническое отверстие. Конусность 1/12. сепаратор из латуни. центрированный по внутреннему кольцу. Pressed Snap-Type Steel Cage. Hardened. |
| 230/800-MB-W33 | Канавка для смазки и три отверстия во внешнем кольце подшипника. сепаратор из латуни. центрированный по внутреннему кольцу. |
| 230/800-K-MB-W33 | Канавка для смазки и три отверстия во внешнем кольце подшипника. Коническое отверстие. Конусность 1/12. сепаратор из латуни. центрированный по внутреннему кольцу. |
| 230/800B | Конический роликовый подшипник. Угол контакта 20 градусов. |
| 230/800BK | Игольчатый роликовый подшипник со штампованным наружным кольцом с закрытым торцом. |
| 230/800YMB | Бронзовый цельный сепаратор пальцевого типа. |
| 230/800 KCW33+AH30/800 | Кольцевая канавка и три отверстия для смазывания в наружном кольце подшипника. Коническое внутреннее отверстие. |
| 230/800 KCW33+H30/800 | Кольцевая канавка и три отверстия для смазывания в наружном кольце подшипника. Коническое внутреннее отверстие. |
| 230/800-K-MB+AH30/800A | Коническое отверстие. Конусность 1/12. сепаратор из латуни. центрированный по внутреннему кольцу. |
| 230/800-MB | сепаратор из латуни. центрированный по внутреннему кольцу. |
| 230/800-K-MB + AH30/800A-H | Коническое отверстие. Конусность 1/12. сепаратор из латуни. центрированный по внутреннему кольцу. Pressed Snap-Type Steel Cage. Hardened. |
| 230/800-K-MB + H30/800-HG | Класс допуска (FAG) для подшипников шпинделя (аналог P2). Коническое отверстие. Конусность 1/12. сепаратор из латуни. центрированный по внутреннему кольцу. |
| 230/800-K-MB+H30/800 | Коническое отверстие. Конусность 1/12. сепаратор из латуни. центрированный по внутреннему кольцу. |
| 230/800E | Повышенная грузоподъемность. |
| 230/800EK | Роликовый радиальный сферический двухрядный подшипник. |
Модификации сферического роликового подшипника 230/800-K-MB-W33+AH30/800 — это измененное основное конструктивное исполнение 230/800, основные размеры (800x1150x258) не отличаются.
| Обозначение | Гост | Конструктивные особенности |
|---|---|---|
| 31131/800 | ГОСТ | Роликовый радиальный сферический двухрядный подшипник. |
Аналог сферического роликового подшипника 230/800-K-MB-W33+AH30/800 — это подшипник такого же размера dx800,Dx1150,Bx258, типа и конструкции.
| Обозначение | Конструктивные особенности | Внутренний (d) | Наружный (D) | Ширина (B) |
|---|---|---|---|---|
| F-607299.PRL-WPOS-H12 | Подшипник роликовый сферический. Стандарт ветроэнергетики. | 800.00 | 1150.00 | 258.00 |
| C30/800MB | Тороидальный роликовый подшипник CARB. Тороидальный подшипник CARB. Латунный сепаратор из двух частей. Внутреннее кольцо центрировано. | 800.00 | 1150.00 | 258.00 |
| C30/800KMB | Тороидальный роликовый подшипник CARB. Тороидальный подшипник CARB. Коническое отверстие. конус 1/12. Латунный сепаратор из двух частей. Внутреннее кольцо центрировано. | 800.00 | 1150.00 | 258.00 |
| NN30/800KWD1CS140P5 | Роликовый радиальный двухрядный подшипник. | 800.00 | 1150.00 | 258.00 |
| 30031/800 | Роликовый радиальный-упорный подшипник. | 800.00 | 1150.00 | 258.00 |
Способы доставки
Отправка через ведущие транспортные и курьерские компании: ПЭК, Деловые Линии, СДЭК, Байкал-Сервис, Энергия, КИТ, ЖелДорЭкспедиция.
Самовывоз возможен напрямую со склада в Москве.
Сроки доставки
Срок зависит от региона и выбранной транспортной компании. Все заказы комплектуются и отправляются в кратчайшие сроки со склада в Москве.
Надёжность и сохранность
Вся продукция упаковывается с учётом требований транспортировки. Мы гарантируем, что подшипники и комплектующие прибудут к заказчику в полной сохранности.
Доставка в страны ЕАЭС
Мы работаем с проверенными логистическими партнёрами, что позволяет оперативно доставлять заказы в Беларусь, Казахстан, Армению и другие страны ЕАЭС.
Варианты оплаты:
Минимальная сумма заказа и скидки:
Документы и гарантии:
Да, конечно! Наши технические специалисты готовы помочь вам с подбором точного аналога или замены подшипника. Просто позвоните нам по телефону +7 (495) 104-99-04 или напишите на почту zakaz@podsnab.ru.
Для оперативной консультации подготовьте, пожалуйста, имеющиеся данные: маркировку, размеры, тип оборудования или артикул старого подшипника.
Да, конечно! Мы высоко ценим долгосрочное сотрудничество и доверие клиентов по всей России. Для постоянных клиентов действует персональная система скидок.
Условия формируются индивидуально и зависят от:
Чтобы узнать свои условия и получить максимально выгодное предложение, свяжитесь с персональным менеджером или напишите нам на почту zakaz@podsnab.ru.
Вы можете оформить заказ несколькими способами:
Для оформления заказа от юридического лица свяжитесь с нашим отделом по работе с корпоративными клиентами по телефону +7 (495) 104-99-04 или напишите на email zakaz@podsnab.ru, прикрепив реквизиты вашей организации.
Мы оперативно подготовим коммерческое предложение и выставим счет.
Возврат товара надлежащего качества возможен в течение 10 дней с момента получения, если товар не был в употреблении, сохранен товарный вид, упаковка не вскрывалась и присутствуют все сопроводительные документы.
Возврат денежных средств осуществляется в течение 10 рабочих дней после проверки товара складом.
В соответствии с законодательством возврату не подлежат подшипники надлежащего качества, если отсутствует оригинальная упаковка или имеются следы монтажа.
В случае выявления брака или гарантийного случая мы гарантируем возврат или обмен товара.
Да, гарантийный срок хранения устанавливается заводом-изготовителем и в среднем составляет 2 года при соблюдении условий хранения: сухое помещение, оригинальная упаковка и смазка.
Точный срок для конкретного типа подшипника уточняйте у наших менеджеров.
Пн–Пт: с 8:00 до 17:00 (МСК).
Сб–Вс: выходные дни.
Заказы на сайте принимаются круглосуточно. Заявки, поступившие после окончания рабочего дня, обрабатываются на следующий рабочий день.
Минимальная сумма заказа для доставки составляет 3000 рублей. Самовывоз со склада возможен на любую сумму при наличии товара.
ООО «УралТехГрупп»
ИНН: 7415093830
КПП: 772401001
ОГРН: 1167456069021
Банк: ПАО Сбербанк
Р/с: 40702810838000475273
К/с: 30101810400000000225
БИК: 044525225
У подшипника 230/800-K-MB-W33+AH30/800 пока нет отзывов. Вы можете стать первым покупателем, поделившимся своим мнением.