Поиск подшипника
Статьи
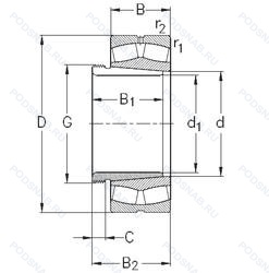
23024-K-MB-W33+AHX3024 — Роликовый радиальный сферический двухрядный подшипник, модификация основного исполнения 23024, производство NKE.
Размер подшипника: 120x180x46 мм.
Канавка для смазки и три отверстия во внешнем кольце подшипника, сепаратор из латуни. центрированный по внутреннему кольцу, коническое отверстие. конусность 1/12.
Международная стандартизации ISO
23024KMBW33AHX3024
В наличии
| Обозначение | Конструктивные изменения |
|---|---|
| 23024-E1A-XL-M-C5 | Модифицированная внутренняя конструкция. Серия X-Life премиум-класс. увеличиный срок службы. Твердая латунный сепаратор. Направляемые тела качения. Внутренний зазор подшипника больше. чем С4. Конструкция с увеличенной грузоподьемностью. |
| 23024-E1A-XL-M-H40-C3 | Внутренний зазор больше нормального. Модифицированная внутренняя конструкция. Серия X-Life премиум-класс. увеличиный срок службы. Твердая латунный сепаратор. Направляемые тела качения. Конструкция с увеличенной грузоподьемностью. Без смазочных отверстий и смазочной канавки. |
| 23024-E1A-M-H40-C3 | Внутренний зазор больше нормального. Модифицированная внутренняя конструкция. Твердая латунный сепаратор. Направляемые тела качения. Конструкция с увеличенной грузоподьемностью. Без смазочных отверстий и смазочной канавки. |
| 23024-2CS2/C3GEA9 | Внутренний зазор больше нормального. Усиленные листовой сталью трущиеся уплотнения из фторкаучука (FPM) с обеих сторон подшипника, заполнен высокотемпературной смазкой из полиуретана от 70 до 100%, кольцевая канавка и три смазочных отверстия на наружном кольце. Заполнен на 70 – 100 % смазкой LGHB 2. |
| 23024-2CS5/C3GEA9 | Внутренний зазор больше нормального. Контактное уплотнение из листовой стали, усиленное гидрогенизированным акрилонитрил-бутадиеновым каучуком (HNBR) с обеих сторон. Заполнен на 70 – 100 % смазкой LGHB 2. |
| 23024-2RS5/C3GEA9 | Внутренний зазор больше нормального. Контактное уплотнение из листовой стали, усиленное гидрогенизированным акрилонитрил-бутадиеновым каучуком (HNBR) с обеих сторон. Свободное пространство в подшипнике на 70–100 % заполнено высокотемпературной смазкой.. Заполнен на 70 – 100 % смазкой LGHB 2. |
| 23024EMC3 | Усиленный элемент качения. Механически обработанный латунный сепаратор. |
| 23024EW33K | Канавка для смазки и три отверстия во внешнем кольце подшипника. Коническое отверстие. конус 1/12. Изменение конструкции роликового подшипника. |
| 23024CC/C3W33 | Внутренний зазор больше нормального. Канавка для смазки и три отверстия во внешнем кольце подшипника. Два стальных сепаратора оконного типа. Бесфланцевое внутреннее кольцо и направляющее кольцо центрировано на внутреннем кольце. |
| 23024-E1A-M-C3 | Внутренний зазор больше нормального. Модифицированная внутренняя конструкция. Твердая латунный сепаратор. Направляемые тела качения. Конструкция с увеличенной грузоподьемностью. |
| 23024-E1A-M | Модифицированная внутренняя конструкция. Твердая латунный сепаратор. Направляемые тела качения. Конструкция с увеличенной грузоподьемностью. |
| 23024K C3 W33 | Внутренний зазор больше нормального. Канавка для смазки и три отверстия во внешнем кольце подшипника. Коническое отверстие. конус 1/12. |
| 23024.EMW33C3 | Внутренний зазор больше нормального. Канавка для смазки и три отверстия во внешнем кольце подшипника. Повышенная грузоподъемность. Механически обработанный латунный сепаратор .Расположенный на элементах качения. |
| 23024CC/C5W33 | Канавка для смазки и три отверстия во внешнем кольце подшипника. Внутренний зазор подшипника больше. чем С4. Два стальных сепаратора оконного типа. Бесфланцевое внутреннее кольцо и направляющее кольцо центрировано на внутреннем кольце. |
| 23024-2CS2/VT143 | Заполнение пластичной смазкой SKF LGEP 2 на 25–35 %. Усиленные листовой сталью трущиеся уплотнения из фторкаучука (FPM) с обеих сторон подшипника, заполнен высокотемпературной смазкой из полиуретана от 70 до 100%, кольцевая канавка и три смазочных отверстия на наружном кольце. |
| 23024-2RS | Резиновые уплотнения с каждой стороны подшипника. |
| 23024-K-MB-W33+H3024 | Канавка для смазки и три отверстия во внешнем кольце подшипника. Коническое отверстие. Конусность 1/12. сепаратор из латуни. центрированный по внутреннему кольцу. |
| 23024 KCW33+AH3024 | Кольцевая канавка и три отверстия для смазывания в наружном кольце подшипника. Коническое внутреннее отверстие. |
| 23024 KCW33+H3024 | Кольцевая канавка и три отверстия для смазывания в наружном кольце подшипника. Коническое внутреннее отверстие. |
| 23024-E1-K-TVPB + H3024 | Коническое отверстие. Конусность 1/12. Конструкция с увеличенной грузоподьемностью. Твердый оконный сепаратор из полиамида. армированного стекловолокном. Направляющие на внутреннем кольце. |
| 23024-E1A-K-M + AHX3024 | Коническое отверстие. Конусность 1/12. Подшипник с латунным сепаратором. центрированный по телам качения. |
| 23024-E1-K-TVPB + AHX3024 | Коническое отверстие. Конусность 1/12. Конструкция с увеличенной грузоподьемностью. Твердый оконный сепаратор из полиамида. армированного стекловолокном. Направляющие на внутреннем кольце. |
| 23024-E1A-K-M + H3024 | Коническое отверстие. Конусность 1/12. Подшипник с латунным сепаратором. центрированный по телам качения. |
| 23024EK | Роликовый радиальный сферический двухрядный подшипник. |
| 23024AX | Поверхность контакта скольжения сталь / сталь. |
Модификации сферического роликового подшипника 23024-K-MB-W33+AHX3024 — это измененное основное конструктивное исполнение 23024, основные размеры (120x180x46) не отличаются.
| Обозначение | Конструктивные особенности | Внутренний (d) | Наружный (D) | Ширина (B) |
|---|---|---|---|---|
| 3182124-КЕ | Роликовый радиальный двухрядный подшипник. Сепаратор из текстолита.. | 120.00 | 180.00 | 46.00 |
| 3182124-КЛ | Роликовый радиальный двухрядный подшипник. Сепаратор из латуни.. | 120.00 | 180.00 | 46.00 |
| 3182124-Л | Роликовый радиальный двухрядный подшипник. Сепаратор из латуни.. | 120.00 | 180.00 | 46.00 |
| 3182124-К | Роликовый радиальный двухрядный подшипник. Кольцевая проточка на середине цилиндрической наружной поверхности наружного кольца плюс три отверстия для смазки. | 120.00 | 180.00 | 46.00 |
| 4-3182124-КЕ | Роликовый радиальный двухрядный подшипник. Сепаратор из текстолита.. | 120.00 | 180.00 | 46.00 |
| 4-3182124-Л | Роликовый радиальный двухрядный подшипник. Сепаратор из латуни.. | 120.00 | 180.00 | 46.00 |
| 4-3182124-Р | Роликовый радиальный двухрядный подшипник. Детали из теплоустойчивой (быстрорежущие) стали.. | 120.00 | 180.00 | 46.00 |
| 292520А | Роликовый радиальный однорядный подшипник. Повышенная грузоподъемность. | 119.00 | 180.00 | 46.00 |
| 292520Н | Роликовый радиальный однорядный подшипник. Детали из теплостойкой стали. | 120.00 | 180.00 | 46.00 |
| NN3024 | Роликовый радиальный цилиндрический двухрядный подшипник. Канавка под стопорное кольцо на наружном кольце подшипника. Двухрядный цилиндрический роликовый подшипник. | 120.00 | 180.00 | 46.00 |
| NN3024/W33 | Роликовый радиальный однорядный подшипник. Канавка для смазки и три отверстия во внешнем кольце подшипника. | 120.00 | 180.00 | 46.00 |
| NN3024K/W33 | Роликовый радиальный однорядный подшипник. Канавка для смазки и три отверстия во внешнем кольце подшипника. Коническое отверстие. Конусность 1/12. | 120.00 | 180.00 | 46.00 |
| NN 3024 TN9/SP | Роликовый радиальный двухрядный подшипник. Литой защелкивающийся сепаратор из полиамида. армированного стекловолокном 6.6. Точность размеров примерно соответствует классу точности Р5. биения — классу точности Р4. Двухрядный цилиндрический роликовый подшипник. | 120.00 | 180.00 | 46.00 |
| 6-3182124 Л | Роликовый радиальный двухрядный подшипник. Сепаратор из латуни.. | 120.00 | 180.00 | 46.00 |
| 5-3182124 Л | Роликовый радиальный двухрядный подшипник. Сепаратор из латуни.. | 120.00 | 180.00 | 46.00 |
Способы доставки
Отправка через ведущие транспортные и курьерские компании: ПЭК, Деловые Линии, СДЭК, Байкал-Сервис, Энергия, КИТ, ЖелДорЭкспедиция.
Самовывоз возможен напрямую со склада в Москве.
Сроки доставки
Срок зависит от региона и выбранной транспортной компании. Все заказы комплектуются и отправляются в кратчайшие сроки со склада в Москве.
Надёжность и сохранность
Вся продукция упаковывается с учётом требований транспортировки. Мы гарантируем, что подшипники и комплектующие прибудут к заказчику в полной сохранности.
Доставка в страны ЕАЭС
Мы работаем с проверенными логистическими партнёрами, что позволяет оперативно доставлять заказы в Беларусь, Казахстан, Армению и другие страны ЕАЭС.
Варианты оплаты:
Минимальная сумма заказа и скидки:
Документы и гарантии:
Да, конечно! Наши технические специалисты готовы помочь вам с подбором точного аналога или замены подшипника. Просто позвоните нам по телефону +7 (495) 104-99-04 или напишите на почту zakaz@podsnab.ru.
Для оперативной консультации подготовьте, пожалуйста, имеющиеся данные: маркировку, размеры, тип оборудования или артикул старого подшипника.
Да, конечно! Мы высоко ценим долгосрочное сотрудничество и доверие клиентов по всей России. Для постоянных клиентов действует персональная система скидок.
Условия формируются индивидуально и зависят от:
Чтобы узнать свои условия и получить максимально выгодное предложение, свяжитесь с персональным менеджером или напишите нам на почту zakaz@podsnab.ru.
Вы можете оформить заказ несколькими способами:
Для оформления заказа от юридического лица свяжитесь с нашим отделом по работе с корпоративными клиентами по телефону +7 (495) 104-99-04 или напишите на email zakaz@podsnab.ru, прикрепив реквизиты вашей организации.
Мы оперативно подготовим коммерческое предложение и выставим счет.
Возврат товара надлежащего качества возможен в течение 10 дней с момента получения, если товар не был в употреблении, сохранен товарный вид, упаковка не вскрывалась и присутствуют все сопроводительные документы.
Возврат денежных средств осуществляется в течение 10 рабочих дней после проверки товара складом.
В соответствии с законодательством возврату не подлежат подшипники надлежащего качества, если отсутствует оригинальная упаковка или имеются следы монтажа.
В случае выявления брака или гарантийного случая мы гарантируем возврат или обмен товара.
Да, гарантийный срок хранения устанавливается заводом-изготовителем и в среднем составляет 2 года при соблюдении условий хранения: сухое помещение, оригинальная упаковка и смазка.
Точный срок для конкретного типа подшипника уточняйте у наших менеджеров.
Пн–Пт: с 8:00 до 17:00 (МСК).
Сб–Вс: выходные дни.
Заказы на сайте принимаются круглосуточно. Заявки, поступившие после окончания рабочего дня, обрабатываются на следующий рабочий день.
Минимальная сумма заказа для доставки составляет 3000 рублей. Самовывоз со склада возможен на любую сумму при наличии товара.
ООО «УралТехГрупп»
ИНН: 7415093830
КПП: 772401001
ОГРН: 1167456069021
Банк: ПАО Сбербанк
Р/с: 40702810838000475273
К/с: 30101810400000000225
БИК: 044525225
У подшипника 23024-K-MB-W33+AHX3024 пока нет отзывов. Вы можете стать первым покупателем, поделившимся своим мнением.