Поиск подшипника
Статьи
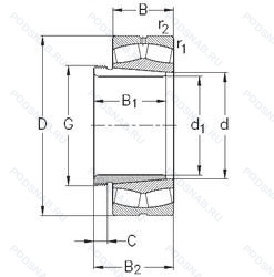
23028-K-MB-W33+AHX3028 — Роликовый радиальный сферический двухрядный подшипник, модификация основного исполнения 23028, производство NKE.
Размер подшипника: 140x210x53 мм.
Канавка для смазки и три отверстия во внешнем кольце подшипника, сепаратор из латуни. центрированный по внутреннему кольцу, коническое отверстие. конусность 1/12.
Международная стандартизации ISO
23028KMBW33AHX3028
В наличии
| Обозначение | Конструктивные изменения |
|---|---|
| 23028B L1 K D1 X50 C3 | Внутренний зазор больше нормального. Коническое отверстие. конус 1/12. Internal Design Altered. Канавка и смазочные отверстия на наружном кольце. Высокопрочный обработанный латунный сепаратор. Фаска. |
| 23028CCK W33 C3 | Внутренний зазор больше нормального. Канавка для смазки и три отверстия во внешнем кольце подшипника. Коническое отверстие. конус 1/12. Сферический роликоподшипник конструкции С. с улучшенной направляющей ролика. |
| 23028EA D1 | Увеличенная грузоподъемность. Лучше. чем прежний суффикс E. Канавка для смазки и три отверстия во внешнем кольце подшипника. |
| 23028EM D1 C3 | Внутренний зазор больше нормального. Канавка для смазки и три отверстия во внешнем кольце подшипника. Стандартный фланцевый ( с резьбой и сквозным отверстием). |
| 23028GMEX W33 | Канавка для смазки и три отверстия во внешнем кольце подшипника. Улучшенная точность. Округлость и чистота поверхности. Кольца и ролики изготовлены из высококачественной стали ROL2. Цельный прочный латунный сепаратор. Центрируемый по роликам. |
| 23028-E1A-M-C3 | Внутренний зазор больше нормального. Модифицированная внутренняя конструкция. Твердая латунный сепаратор. Направляемые тела качения. Конструкция с увеличенной грузоподьемностью. |
| 23028ES.C3 | Внутренний зазор больше нормального. Разъемное наружное кольцо со смазочными отверстиями. |
| 23028-E1-K-TVPB-R25-50 | Коническое отверстие. конус 1/12. Конструкция с увеличенной грузоподьемностью. Твердый оконный сепаратор из полиамида. армированного стекловолокном. Направляющие на внутреннем кольце. Radial Clearance In μm. |
| 23028KCJW33 | Канавка для смазки и три отверстия во внешнем кольце подшипника. Коническое отверстие. конус 1/12. Стальной сепаратор из двух частей оконного типа. |
| 23028KCJ W33 C3 | Внутренний зазор больше нормального. Канавка для смазки и три отверстия во внешнем кольце подшипника. Коническое отверстие. конус 1/12. Стальной сепаратор из двух частей оконного типа. |
| 23028.EMW33C3 | Внутренний зазор больше нормального. Канавка для смазки и три отверстия во внешнем кольце подшипника. Повышенная грузоподъемность. Механически обработанный латунный сепаратор .Расположенный на элементах качения. |
| 23028RH | Выпуклые симметричные ролики и штампованный сепаратор. |
| 23028-K-MB-W33+H3028 | Канавка для смазки и три отверстия во внешнем кольце подшипника. Коническое отверстие. Конусность 1/12. сепаратор из латуни. центрированный по внутреннему кольцу. |
| 23028B | Конический роликовый подшипник. Угол контакта 20 градусов. |
| 23028-2CS5/VT143 | Контактное уплотнение из листовой стали, усиленное гидрогенизированным акрилонитрил-бутадиеновым каучуком (HNBR) с обеих сторон. Свободное пространство в подшипнике на 70–100 % заполнено высокотемпературной смазкой.. Заполнение пластичной смазкой SKF LGEP 2 на 25–35 %. |
| 23028 KCW33+AH3028 | Кольцевая канавка и три отверстия для смазывания в наружном кольце подшипника. Коническое внутреннее отверстие. |
| 23028 KCW33+H3028 | Кольцевая канавка и три отверстия для смазывания в наружном кольце подшипника. Коническое внутреннее отверстие. |
| 23028-E1A-K-M + AHX3028 | Коническое отверстие. Конусность 1/12. Подшипник с латунным сепаратором. центрированный по телам качения. |
| 23028-E1-K-TVPB+AHX3028G | Коническое отверстие. Конусность 1/12. Конструкция с увеличенной грузоподьемностью. Твердый оконный сепаратор из полиамида. армированного стекловолокном. Направляющие на внутреннем кольце. |
| 23028-E1A-K-M + H3028 | Коническое отверстие. Конусность 1/12. Подшипник с латунным сепаратором. центрированный по телам качения. |
| 23028-E1-K-TVPB + AHX3028 | Коническое отверстие. Конусность 1/12. Конструкция с увеличенной грузоподьемностью. Твердый оконный сепаратор из полиамида. армированного стекловолокном. Направляющие на внутреннем кольце. |
| 23028-E1-K-TVPB + H3028 | Коническое отверстие. Конусность 1/12. Конструкция с увеличенной грузоподьемностью. Твердый оконный сепаратор из полиамида. армированного стекловолокном. Направляющие на внутреннем кольце. |
| 23028AX | Поверхность контакта скольжения сталь / сталь. |
| 23028EK | Роликовый радиальный сферический двухрядный подшипник. |
| 23028 CCK/W33 + AHX 3028 | Канавка для смазки и три отверстия во внешнем кольце подшипника. Измененная или модифицированная внутренняя конструкция при неизменных основных размерах. |
Модификации сферического роликового подшипника 23028-K-MB-W33+AHX3028 — это измененное основное конструктивное исполнение 23028, основные размеры (140x210x53) не отличаются.
| Обозначение | Гост | Конструктивные особенности |
|---|---|---|
| TL23028CDKE4 | ISO | Роликовый радиальный сферический двухрядный подшипник. |
| TL23028CDE4 | ISO | Роликовый радиальный сферический двухрядный подшипник. |
Аналог сферического роликового подшипника 23028-K-MB-W33+AHX3028 — это подшипник такого же размера dx140,Dx210,Bx53, типа и конструкции.
| Обозначение | Конструктивные особенности | Внутренний (d) | Наружный (D) | Ширина (B) |
|---|---|---|---|---|
| 3003128-Н | Роликовый радиальный двухрядный подшипник. Детали из теплостойкой стали. | 140.00 | 210.00 | 53.00 |
| 3053128Н | Роликовый радиальный двухрядный подшипник. Детали из теплостойкой стали. | 140.00 | 210.00 | 53.00 |
| 3113128-Н | Роликовый радиальный двухрядный подшипник. Детали из теплостойкой стали. | 140.00 | 210.00 | 53.00 |
| 3153128Н | Роликовый радиальный двухрядный подшипник. Детали из теплостойкой стали. | 140.00 | 210.00 | 53.00 |
| 3182128-К | Роликовый радиальный двухрядный подшипник. Кольцевая проточка на середине цилиндрической наружной поверхности наружного кольца плюс три отверстия для смазки. | 140.00 | 210.00 | 53.00 |
| 3282128К | Роликовый радиальный двухрядный подшипник. Кольцевая проточка на середине цилиндрической наружной поверхности наружного кольца плюс три отверстия для смазки. | 140.00 | 210.00 | 53.00 |
| 4-3182128 Л | Роликовый радиальный двухрядный подшипник. Сепаратор из латуни.. | 140.00 | 210.00 | 53.00 |
| 4-3182128 ЛК | Роликовый радиальный двухрядный подшипник. Сепаратор из латуни.. | 140.00 | 210.00 | 53.00 |
| NCF 3028 CV | Роликовый радиальный цилиндрический однорядный подшипник. Полноразмерный цилиндрический роликоподшипник с модифицированной внутренней конструкцией. Однорядный без сепараторный цилиндрический роликовый подшипник. | 140.00 | 210.00 | 53.00 |
| NN3028/W33 | Роликовый радиальный однорядный подшипник. Канавка для смазки и три отверстия во внешнем кольце подшипника. | 140.00 | 210.00 | 53.00 |
| NN3028K/W33 | Роликовый радиальный цилиндрический однорядный подшипник. Канавка для смазки и три отверстия во внешнем кольце подшипника. Коническое отверстие. Конусность 1/12. | 140.00 | 210.00 | 53.00 |
| AR140-29 | Роликовый радиальный-упорный двухрядный подшипник. 1.13/16. | 140.00 | 210.00 | 53.00 |
| 6-3182128 Л | Роликовый радиальный двухрядный подшипник. Сепаратор из латуни.. | 140.00 | 210.00 | 53.00 |
| 5-3182128 Л | Роликовый радиальный двухрядный подшипник. Сепаратор из латуни.. | 140.00 | 210.00 | 53.00 |
| 5-3182128 ЛК | Роликовый радиальный двухрядный подшипник. Сепаратор из латуни.. | 140.00 | 210.00 | 53.00 |
Способы доставки
Отправка через ведущие транспортные и курьерские компании: ПЭК, Деловые Линии, СДЭК, Байкал-Сервис, Энергия, КИТ, ЖелДорЭкспедиция.
Самовывоз возможен напрямую со склада в Москве.
Сроки доставки
Срок зависит от региона и выбранной транспортной компании. Все заказы комплектуются и отправляются в кратчайшие сроки со склада в Москве.
Надёжность и сохранность
Вся продукция упаковывается с учётом требований транспортировки. Мы гарантируем, что подшипники и комплектующие прибудут к заказчику в полной сохранности.
Доставка в страны ЕАЭС
Мы работаем с проверенными логистическими партнёрами, что позволяет оперативно доставлять заказы в Беларусь, Казахстан, Армению и другие страны ЕАЭС.
Варианты оплаты:
Минимальная сумма заказа и скидки:
Документы и гарантии:
Да, конечно! Наши технические специалисты готовы помочь вам с подбором точного аналога или замены подшипника. Просто позвоните нам по телефону +7 (495) 104-99-04 или напишите на почту zakaz@podsnab.ru.
Для оперативной консультации подготовьте, пожалуйста, имеющиеся данные: маркировку, размеры, тип оборудования или артикул старого подшипника.
Да, конечно! Мы высоко ценим долгосрочное сотрудничество и доверие клиентов по всей России. Для постоянных клиентов действует персональная система скидок.
Условия формируются индивидуально и зависят от:
Чтобы узнать свои условия и получить максимально выгодное предложение, свяжитесь с персональным менеджером или напишите нам на почту zakaz@podsnab.ru.
Вы можете оформить заказ несколькими способами:
Для оформления заказа от юридического лица свяжитесь с нашим отделом по работе с корпоративными клиентами по телефону +7 (495) 104-99-04 или напишите на email zakaz@podsnab.ru, прикрепив реквизиты вашей организации.
Мы оперативно подготовим коммерческое предложение и выставим счет.
Возврат товара надлежащего качества возможен в течение 10 дней с момента получения, если товар не был в употреблении, сохранен товарный вид, упаковка не вскрывалась и присутствуют все сопроводительные документы.
Возврат денежных средств осуществляется в течение 10 рабочих дней после проверки товара складом.
В соответствии с законодательством возврату не подлежат подшипники надлежащего качества, если отсутствует оригинальная упаковка или имеются следы монтажа.
В случае выявления брака или гарантийного случая мы гарантируем возврат или обмен товара.
Да, гарантийный срок хранения устанавливается заводом-изготовителем и в среднем составляет 2 года при соблюдении условий хранения: сухое помещение, оригинальная упаковка и смазка.
Точный срок для конкретного типа подшипника уточняйте у наших менеджеров.
Пн–Пт: с 8:00 до 17:00 (МСК).
Сб–Вс: выходные дни.
Заказы на сайте принимаются круглосуточно. Заявки, поступившие после окончания рабочего дня, обрабатываются на следующий рабочий день.
Минимальная сумма заказа для доставки составляет 3000 рублей. Самовывоз со склада возможен на любую сумму при наличии товара.
ООО «УралТехГрупп»
ИНН: 7415093830
КПП: 772401001
ОГРН: 1167456069021
Банк: ПАО Сбербанк
Р/с: 40702810838000475273
К/с: 30101810400000000225
БИК: 044525225
У подшипника 23028-K-MB-W33+AHX3028 пока нет отзывов. Вы можете стать первым покупателем, поделившимся своим мнением.