Поиск подшипника
Статьи
23044-K-MB-W33+AH3044 — Роликовый радиальный сферический двухрядный подшипник, модификация основного исполнения 23044, производство NKE.
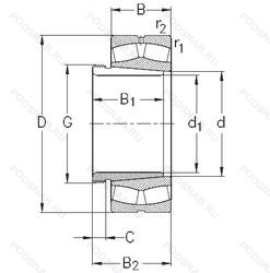
Размер подшипника: 220x340x90 мм.
Канавка для смазки и три отверстия во внешнем кольце подшипника, сепаратор из латуни. центрированный по внутреннему кольцу, коническое отверстие. конусность 1/12.
Международная стандартизации ISO
23044KMBW33AH3044
В наличии
| Обозначение | Конструктивные изменения |
|---|---|
| 23044EMBW33C3 | Внутренний зазор больше нормального. Канавка для смазки и три отверстия во внешнем кольце подшипника. Land-Riding One-Piece Brass Cage. |
| 23044-E1 | Конструкция с увеличенной грузоподьемностью. |
| 23044K MB C4 W33 | Канавка для смазки и три отверстия во внешнем кольце подшипника. Коническое отверстие. конус 1/12. INTERNAL CLEARANCE LARGER THAN C3. Двухкомпонентный латунный сепаратор. направляемый по внутреннему кольцу. |
| 23044B L1 D1 C3 | Внутренний зазор больше нормального. Цельное ребристое внутреннее кольцо. Асимметричные ролики и фиксатор с центральной направляющей. W33 (SKF)= смазочная канавка и три отверстия в наружном кольце подшипника. messing-massivkäfige. |
| 23044C4 W33 | Канавка для смазки и три отверстия во внешнем кольце подшипника. Внутренний зазор подшипника больше. чем C3. |
| 23044KEMW33C4 | Канавка для смазки и три отверстия во внешнем кольце подшипника. Коническое отверстие. конус 1/12. Внутренний зазор подшипника больше. чем C3. Повышенная грузоподъемность. Механически обработанный латунный сепаратор .Расположенный на элементах качения. |
| 23044KYMW33C3 L | Одно механическое уплотнение. |
| 23044 KW33 | Кольцевая канавка и три отверстия для смазывания в наружном кольце подшипника. Коническое внутреннее отверстие. |
| 23044W33 | Кольцевая канавка и три отверстия для смазывания в наружном кольце подшипника. |
| 23044R | С выпуклыми асимметричными роликами и обработанным сепаратором. |
| 23044RHA | With Convex Symmetric Rollers And One-Piece Machined Cage. |
| 23044-K-MB-W33+OH3044-H | Канавка для смазки и три отверстия во внешнем кольце подшипника. Коническое отверстие. Конусность 1/12. сепаратор из латуни. центрированный по внутреннему кольцу. Pressed Snap-Type Steel Cage. Hardened. |
| 23044BK | Игольчатый роликовый подшипник со штампованным наружным кольцом с закрытым торцом. |
| 23044-2CS5/VT143 | Контактное уплотнение из листовой стали, усиленное гидрогенизированным акрилонитрил-бутадиеновым каучуком (HNBR) с обеих сторон. Свободное пространство в подшипнике на 70–100 % заполнено высокотемпературной смазкой.. Заполнение пластичной смазкой SKF LGEP 2 на 25–35 %. |
| 23044-2CS5K/VT143 | Заполнение пластичной смазкой SKF LGEP 2 на 25–35 %. |
| 23044YM | 1 Piece Bronze Cage - Finger Type. |
| 23044 KCW33+AH3044 | Кольцевая канавка и три отверстия для смазывания в наружном кольце подшипника. Коническое внутреннее отверстие. |
| 23044 KCW33+H3044 | Кольцевая канавка и три отверстия для смазывания в наружном кольце подшипника. Коническое внутреннее отверстие. |
| 23044-E1-K + AH3044G | Коническое отверстие. Конусность 1/12. Конструкция с увеличенной грузоподьемностью. |
| 23044-E1-K + H3044X | Коническое отверстие. Конусность 1/12. Конструкция с увеличенной грузоподьемностью. |
| 23044-K-MB+AH3044G | Коническое отверстие. Конусность 1/12. сепаратор из латуни. центрированный по внутреннему кольцу. |
| 23044A2X | High Speed Spherical Roller Bearing. |
| 23044E | Повышенная грузоподъемность. |
| 23044EK | Роликовый радиальный сферический двухрядный подшипник. |
| 23044 CCK/W33 + AOH 3044 G | Канавка для смазки и три отверстия во внешнем кольце подшипника. Измененная или модифицированная внутренняя конструкция при неизменных основных размерах. Устройство повторного смазывания со смазочной канавкой и отверстием на внешнем кольце. |
Модификации сферического роликового подшипника 23044-K-MB-W33+AH3044 — это измененное основное конструктивное исполнение 23044, основные размеры (220x340x90) не отличаются.
| Обозначение | Гост | Конструктивные особенности |
|---|---|---|
| TL23044CAKE4 | ISO | Роликовый радиальный сферический двухрядный подшипник. |
| TL23044CAE4 | ISO | Роликовый радиальный сферический двухрядный подшипник. |
Аналог сферического роликового подшипника 23044-K-MB-W33+AH3044 — это подшипник такого же размера dx220,Dx340,Bx90, типа и конструкции.
| Обозначение | Конструктивные особенности | Внутренний (d) | Наружный (D) | Ширина (B) |
|---|---|---|---|---|
| Z565531.ZL-K-W209B-C5 | Подшипник роликовый цилиндрический двухрядный. Коническое отверстие. конус 1/12. Внутренний зазор подшипника больше. чем С4. Цилиндрический роликовый подшипник. Закаленное внутреннее кольцо. | 220.00 | 340.00 | 90.00 |
| NCF3044CV | однорядный цилиндрический роликовый подшипник. Полноразмерный цилиндрический роликоподшипник с модифицированной внутренней конструкцией. Однорядный без сепараторный цилиндрический роликовый подшипник. | 220.00 | 340.00 | 90.00 |
| 30-3113144 Н | Роликовый радиальный двухрядный подшипник. Детали из теплостойкой стали. | 220.00 | 340.00 | 90.00 |
| 3113144-Н | Роликовый радиальный двухрядный подшипник. Детали из теплостойкой стали. | 220.00 | 340.00 | 90.00 |
| 30-3003144-Н | Роликовый радиальный двухрядный подшипник. Детали из теплостойкой стали. | 220.00 | 340.00 | 90.00 |
| 3003144-Н | Роликовый радиальный двухрядный подшипник. Детали из теплостойкой стали. | 220.00 | 340.00 | 90.00 |
| 3053144Н | Роликовый радиальный двухрядный подшипник. Детали из теплостойкой стали. | 220.00 | 340.00 | 90.00 |
| 3153144Н | Роликовый радиальный двухрядный подшипник. Детали из теплостойкой стали. | 220.00 | 340.00 | 90.00 |
| NN3044 | Роликовый радиальный цилиндрический двухрядный подшипник. Канавка под стопорное кольцо на наружном кольце подшипника. Двухрядный цилиндрический роликовый подшипник. | 220.00 | 340.00 | 90.00 |
| NN3044K | Роликовый радиальный цилиндрический двухрядный подшипник. Коническое внутреннее отверстие. Двухрядный цилиндрический роликовый подшипник. | 220.00 | 340.00 | 90.00 |
| Z-565531.ZL-K-C5 | Роликовый радиальный подшипник. Коническое отверстие. Конусность 1/12. Внутренний зазор подшипника больше. чем С4. Цилиндрический роликовый подшипник. | 220.00 | 340.00 | 90.00 |
| NN 3044/SPW33 | Роликовый радиальный двухрядный подшипник. Двухрядный цилиндрический роликовый подшипник. | 220.00 | 340.00 | 90.00 |
| 220KBE30+L | Роликовый радиальный-упорный двухрядный подшипник. Одно механическое уплотнение. | 220.00 | 340.00 | 90.00 |
| 323044E1 | Роликовый радиальный-упорный двухрядный подшипник. Конструкция с увеличенной грузоподьемностью. | 220.00 | 340.00 | 90.00 |
| 413044E1 | Роликовый радиальный-упорный двухрядный подшипник. Конструкция с увеличенной грузоподьемностью. | 220.00 | 340.00 | 90.00 |
Способы доставки
Отправка через ведущие транспортные и курьерские компании: ПЭК, Деловые Линии, СДЭК, Байкал-Сервис, Энергия, КИТ, ЖелДорЭкспедиция.
Самовывоз возможен напрямую со склада в Москве.
Сроки доставки
Срок зависит от региона и выбранной транспортной компании. Все заказы комплектуются и отправляются в кратчайшие сроки со склада в Москве.
Надёжность и сохранность
Вся продукция упаковывается с учётом требований транспортировки. Мы гарантируем, что подшипники и комплектующие прибудут к заказчику в полной сохранности.
Доставка в страны ЕАЭС
Мы работаем с проверенными логистическими партнёрами, что позволяет оперативно доставлять заказы в Беларусь, Казахстан, Армению и другие страны ЕАЭС.
Варианты оплаты:
Минимальная сумма заказа и скидки:
Документы и гарантии:
Да, конечно! Наши технические специалисты готовы помочь вам с подбором точного аналога или замены подшипника. Просто позвоните нам по телефону +7 (495) 104-99-04 или напишите на почту zakaz@podsnab.ru.
Для оперативной консультации подготовьте, пожалуйста, имеющиеся данные: маркировку, размеры, тип оборудования или артикул старого подшипника.
Да, конечно! Мы высоко ценим долгосрочное сотрудничество и доверие клиентов по всей России. Для постоянных клиентов действует персональная система скидок.
Условия формируются индивидуально и зависят от:
Чтобы узнать свои условия и получить максимально выгодное предложение, свяжитесь с персональным менеджером или напишите нам на почту zakaz@podsnab.ru.
Вы можете оформить заказ несколькими способами:
Для оформления заказа от юридического лица свяжитесь с нашим отделом по работе с корпоративными клиентами по телефону +7 (495) 104-99-04 или напишите на email zakaz@podsnab.ru, прикрепив реквизиты вашей организации.
Мы оперативно подготовим коммерческое предложение и выставим счет.
Возврат товара надлежащего качества возможен в течение 10 дней с момента получения, если товар не был в употреблении, сохранен товарный вид, упаковка не вскрывалась и присутствуют все сопроводительные документы.
Возврат денежных средств осуществляется в течение 10 рабочих дней после проверки товара складом.
В соответствии с законодательством возврату не подлежат подшипники надлежащего качества, если отсутствует оригинальная упаковка или имеются следы монтажа.
В случае выявления брака или гарантийного случая мы гарантируем возврат или обмен товара.
Да, гарантийный срок хранения устанавливается заводом-изготовителем и в среднем составляет 2 года при соблюдении условий хранения: сухое помещение, оригинальная упаковка и смазка.
Точный срок для конкретного типа подшипника уточняйте у наших менеджеров.
Пн–Пт: с 8:00 до 17:00 (МСК).
Сб–Вс: выходные дни.
Заказы на сайте принимаются круглосуточно. Заявки, поступившие после окончания рабочего дня, обрабатываются на следующий рабочий день.
Минимальная сумма заказа для доставки составляет 3000 рублей. Самовывоз со склада возможен на любую сумму при наличии товара.
ООО «УралТехГрупп»
ИНН: 7415093830
КПП: 772401001
ОГРН: 1167456069021
Банк: ПАО Сбербанк
Р/с: 40702810838000475273
К/с: 30101810400000000225
БИК: 044525225
У подшипника 23044-K-MB-W33+AH3044 пока нет отзывов. Вы можете стать первым покупателем, поделившимся своим мнением.