Поиск подшипника
Статьи
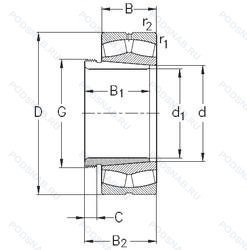
23048-K-MB-W33+AH3048 — Роликовый радиальный сферический двухрядный подшипник, модификация основного исполнения 23048, производство NKE.
Размер подшипника: 240x360x92 мм.
Канавка для смазки и три отверстия во внешнем кольце подшипника, сепаратор из латуни. центрированный по внутреннему кольцу, коническое отверстие. конусность 1/12.
Международная стандартизации ISO
23048KMBW33AH3048
В наличии
| Обозначение | Конструктивные изменения |
|---|---|
| 23048E1K.C3 | Внутренний зазор больше нормального. Коническое отверстие. конус 1/12. Конструкция с увеличенной грузоподьемностью. |
| 23048E W33 F | Канавка для смазки и три отверстия во внешнем кольце подшипника. Изменение конструкции роликового подшипника. Machined Steel Cage. |
| 23048R W33 | Канавка для смазки и три отверстия во внешнем кольце подшипника. С выпуклыми асимметричными роликами и обработанным сепаратором. |
| 23048CA C3 W33X S1 A | Внутренний зазор больше нормального. Сепаратор из латуни с механической обработкой. значение этого символа. прикрепленного к базовому коду. специально не зафиксировано. Они используются в соответствии с требованиями к выявлению изменений конструкции подшипника и определенным конструктивным особенностям. Также их можно совмещать между собой. Стабильность размеров при рабочих температурах до +200°C. То же. что и W33 (смазочная канавка и три отверстия на наружном кольце подшипника). но с шестью смазочными отверстиями. |
| 23048CA C4 W33 S2 | Канавка для смазки и три отверстия во внешнем кольце подшипника. Сепаратор из латуни с механической обработкой. Внутренний зазор подшипника больше. чем C3. Стабильность размеров при рабочих температурах до + 250°C. |
| 23048CA W33X S1 A | Сепаратор из латуни с механической обработкой. значение этого символа. прикрепленного к базовому коду. специально не зафиксировано. Они используются в соответствии с требованиями к выявлению изменений конструкции подшипника и определенным конструктивным особенностям. Также их можно совмещать между собой. Стабильность размеров при рабочих температурах до +200°C. То же. что и W33 (смазочная канавка и три отверстия на наружном кольце подшипника). но с шестью смазочными отверстиями. |
| 23048CAK C3 W33 S1 | Внутренний зазор больше нормального. Канавка для смазки и три отверстия во внешнем кольце подшипника. Сепаратор из латуни с механической обработкой. Коническое отверстие. Конусность 1/12. Стабильность размеров при рабочих температурах до +200°C. |
| 23048CA C3 W33 | Внутренний зазор больше нормального. Канавка для смазки и три отверстия во внешнем кольце подшипника. Сепаратор из латуни с механической обработкой. |
| 23048KEMW33C3 | Внутренний зазор больше нормального. Канавка для смазки и три отверстия во внешнем кольце подшипника. Коническое отверстие. конус 1/12. Повышенная грузоподъемность. Механически обработанный латунный сепаратор .Расположенный на элементах качения. |
| 23048ECAW33 | Канавка для смазки и три отверстия во внешнем кольце подшипника. Сепаратор из латуни с механической обработкой. Reinforced Roller Complement. |
| 23048EJW33C3 | Внутренний зазор больше нормального. Канавка для смазки и три отверстия во внешнем кольце подшипника. Land-Riding Steel Cage_ One Per Row. |
| 23048 KW33 | Кольцевая канавка и три отверстия для смазывания в наружном кольце подшипника. Коническое внутреннее отверстие. |
| 23048W33 | Кольцевая канавка и три отверстия для смазывания в наружном кольце подшипника. |
| 23048R | С выпуклыми асимметричными роликами и обработанным сепаратором. |
| 23048RHA | With Convex Symmetric Rollers And One-Piece Machined Cage. |
| 23048-K-MB-W33+OH3048-H | Канавка для смазки и три отверстия во внешнем кольце подшипника. Коническое отверстие. Конусность 1/12. сепаратор из латуни. центрированный по внутреннему кольцу. Pressed Snap-Type Steel Cage. Hardened. |
| 23048YM | 1 Piece Bronze Cage - Finger Type. |
| 23048 KCW33+AH3048 | Кольцевая канавка и три отверстия для смазывания в наружном кольце подшипника. Коническое внутреннее отверстие. |
| 23048 KCW33+H3048 | Кольцевая канавка и три отверстия для смазывания в наружном кольце подшипника. Коническое внутреннее отверстие. |
| 23048-E1-K + AH3048 | Коническое отверстие. Конусность 1/12. Конструкция с увеличенной грузоподьемностью. |
| 23048-K-MB+AH3048 | Коническое отверстие. Конусность 1/12. сепаратор из латуни. центрированный по внутреннему кольцу. |
| 23048-E1-K + H3048 | Коническое отверстие. Конусность 1/12. Конструкция с увеличенной грузоподьемностью. |
| 23048EK | Роликовый радиальный сферический двухрядный подшипник. |
| 23048E | Повышенная грузоподъемность. |
| 23048A2X | High Speed Spherical Roller Bearing. |
Модификации сферического роликового подшипника 23048-K-MB-W33+AH3048 — это измененное основное конструктивное исполнение 23048, основные размеры (240x360x92) не отличаются.
| Обозначение | Гост | Конструктивные особенности |
|---|---|---|
| TL23048CAE4 | ISO | Роликовый радиальный сферический двухрядный подшипник. |
| TL23048CAKE4 | ISO | Роликовый радиальный сферический двухрядный подшипник. |
Аналог сферического роликового подшипника 23048-K-MB-W33+AH3048 — это подшипник такого же размера dx240,Dx360,Bx92, типа и конструкции.
| Обозначение | Конструктивные особенности | Внутренний (d) | Наружный (D) | Ширина (B) |
|---|---|---|---|---|
| 3182148К | Роликовый радиальный двухрядный подшипник. Кольцевая проточка на середине цилиндрической наружной поверхности наружного кольца плюс три отверстия для смазки. | 240.00 | 360.00 | 92.00 |
| N3048 | Роликовый радиальный однорядный подшипник. Канавка под стопорное кольцо на наружном кольце подшипника. | 240.00 | 360.00 | 92.00 |
| NF3048 | Роликовый радиальный однорядный подшипник. Механически обработанный сепаратор из стали или специального чугуна. Канавка под стопорное кольцо на наружном кольце подшипника. | 240.00 | 360.00 | 92.00 |
| NJ3048 | Роликовый радиальный однорядный подшипник. Штампованный сепаратор из стального листа. Канавка под стопорное кольцо на наружном кольце подшипника. Однорядный цилиндрический роликовый подшипник. Наружное кольцо имеет два борта. | 240.00 | 360.00 | 92.00 |
| NN3048 | Роликовый радиальный цилиндрический двухрядный подшипник. Канавка под стопорное кольцо на наружном кольце подшипника. Двухрядный цилиндрический роликовый подшипник. | 240.00 | 360.00 | 92.00 |
| NN3048K | Роликовый радиальный цилиндрический двухрядный подшипник. Коническое внутреннее отверстие. Двухрядный цилиндрический роликовый подшипник. | 240.00 | 360.00 | 92.00 |
| NP3048 | Роликовый радиальный однорядный подшипник. Канавка под стопорное кольцо на наружном кольце подшипника. | 240.00 | 360.00 | 92.00 |
| NU3048 | Роликовый радиальный однорядный подшипник. Сталь сквозной закалки SUJ2 (японская) и взаимозаменяемость (только для метрических серий). Канавка под стопорное кольцо на наружном кольце подшипника. Однорядные цилиндрические роликоподшипники. Наружное кольцо подшипника имеет два борта. | 240.00 | 360.00 | 92.00 |
| NUP3048 | Роликовый радиальный однорядный подшипник. Канавка под стопорное кольцо на наружном кольце подшипника. Точность размеров примерно соответствует классу точности Р4. Однорядный цилиндрический роликовый подшипник. Наружное кольцо имеет два борта. | 240.00 | 360.00 | 92.00 |
| Z-565668.ZL-K-C5 | Роликовый радиальный подшипник. Коническое отверстие. Конусность 1/12. Внутренний зазор подшипника больше. чем С4. Цилиндрический роликовый подшипник. | 240.00 | 360.00 | 92.00 |
| NN 3048/SPW33 | Роликовый радиальный двухрядный подшипник. Двухрядный цилиндрический роликовый подшипник. | 240.00 | 360.00 | 92.00 |
| 240KBE30+L | Роликовый радиальный-упорный конический двухрядный подшипник. Одно механическое уплотнение. | 240.00 | 360.00 | 92.00 |
| 323048E1 | Роликовый радиальный-упорный двухрядный подшипник. Конструкция с увеличенной грузоподьемностью. | 240.00 | 360.00 | 92.00 |
| 413048E1 | Роликовый радиальный-упорный двухрядный подшипник. Конструкция с увеличенной грузоподьемностью. | 240.00 | 360.00 | 92.00 |
| C 3048 | Тороидальный однорядный подшипник. Тороидальный подшипник CARB. | 240.00 | 360.00 | 92.00 |
Способы доставки
Отправка через ведущие транспортные и курьерские компании: ПЭК, Деловые Линии, СДЭК, Байкал-Сервис, Энергия, КИТ, ЖелДорЭкспедиция.
Самовывоз возможен напрямую со склада в Москве.
Сроки доставки
Срок зависит от региона и выбранной транспортной компании. Все заказы комплектуются и отправляются в кратчайшие сроки со склада в Москве.
Надёжность и сохранность
Вся продукция упаковывается с учётом требований транспортировки. Мы гарантируем, что подшипники и комплектующие прибудут к заказчику в полной сохранности.
Доставка в страны ЕАЭС
Мы работаем с проверенными логистическими партнёрами, что позволяет оперативно доставлять заказы в Беларусь, Казахстан, Армению и другие страны ЕАЭС.
Варианты оплаты:
Минимальная сумма заказа и скидки:
Документы и гарантии:
Да, конечно! Наши технические специалисты готовы помочь вам с подбором точного аналога или замены подшипника. Просто позвоните нам по телефону +7 (495) 104-99-04 или напишите на почту zakaz@podsnab.ru.
Для оперативной консультации подготовьте, пожалуйста, имеющиеся данные: маркировку, размеры, тип оборудования или артикул старого подшипника.
Да, конечно! Мы высоко ценим долгосрочное сотрудничество и доверие клиентов по всей России. Для постоянных клиентов действует персональная система скидок.
Условия формируются индивидуально и зависят от:
Чтобы узнать свои условия и получить максимально выгодное предложение, свяжитесь с персональным менеджером или напишите нам на почту zakaz@podsnab.ru.
Вы можете оформить заказ несколькими способами:
Для оформления заказа от юридического лица свяжитесь с нашим отделом по работе с корпоративными клиентами по телефону +7 (495) 104-99-04 или напишите на email zakaz@podsnab.ru, прикрепив реквизиты вашей организации.
Мы оперативно подготовим коммерческое предложение и выставим счет.
Возврат товара надлежащего качества возможен в течение 10 дней с момента получения, если товар не был в употреблении, сохранен товарный вид, упаковка не вскрывалась и присутствуют все сопроводительные документы.
Возврат денежных средств осуществляется в течение 10 рабочих дней после проверки товара складом.
В соответствии с законодательством возврату не подлежат подшипники надлежащего качества, если отсутствует оригинальная упаковка или имеются следы монтажа.
В случае выявления брака или гарантийного случая мы гарантируем возврат или обмен товара.
Да, гарантийный срок хранения устанавливается заводом-изготовителем и в среднем составляет 2 года при соблюдении условий хранения: сухое помещение, оригинальная упаковка и смазка.
Точный срок для конкретного типа подшипника уточняйте у наших менеджеров.
Пн–Пт: с 8:00 до 17:00 (МСК).
Сб–Вс: выходные дни.
Заказы на сайте принимаются круглосуточно. Заявки, поступившие после окончания рабочего дня, обрабатываются на следующий рабочий день.
Минимальная сумма заказа для доставки составляет 3000 рублей. Самовывоз со склада возможен на любую сумму при наличии товара.
ООО «УралТехГрупп»
ИНН: 7415093830
КПП: 772401001
ОГРН: 1167456069021
Банк: ПАО Сбербанк
Р/с: 40702810838000475273
К/с: 30101810400000000225
БИК: 044525225
У подшипника 23048-K-MB-W33+AH3048 пока нет отзывов. Вы можете стать первым покупателем, поделившимся своим мнением.