Поиск подшипника
Статьи
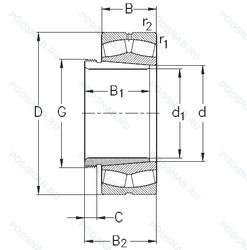
23052-K-MB-W33+AH3052 — Роликовый радиальный сферический двухрядный подшипник, модификация основного исполнения 23052, производство NKE.
Размер подшипника: 260x400x104 мм.
Канавка для смазки и три отверстия во внешнем кольце подшипника, сепаратор из латуни. центрированный по внутреннему кольцу, коническое отверстие. конусность 1/12.
Международная стандартизации ISO
23052KMBW33AH3052
В наличии
| Обозначение | Конструктивные изменения |
|---|---|
| 23052K CC C2 W33 S1 | Канавка для смазки и три отверстия во внешнем кольце подшипника. Коническое отверстие. конус 1/12. Внутренний зазор подшипника меньше нормального. Стабильность размеров при рабочих температурах до +200°C. Bearing With Symmetrical Rollers. Flangeless Inner Ring. A Non-Intergral Guide Ring Between The Tow Rows Of Rollers Centred On The Inner Ring And One Pressed Steel Window-Type Cage For Each Roller Row. |
| 23052 W33 C3 | Внутренний зазор больше нормального. Канавка для смазки и три отверстия во внешнем кольце подшипника. |
| 23052CC/C08W525 | Два стальных сепаратора оконного типа. Бесфланцевое внутреннее кольцо и направляющее кольцо центрировано на внутреннем кольце. Повышенная точность вращения до класса допуска ISO 5. Combination Of W31 (Spherical Bearings Inspected To Certain Quality Control Requirement) And W77 (Plugged W33 Lubrication Holes). |
| 23052-BE-XL-K-C5 | Коническое отверстие. конус 1/12. Серия X-Life премиум-класс. увеличиный срок службы. Внутренний зазор подшипника больше. чем С4. Увеличенная грузоподъемность подшипника. |
| 23052-BE-K-C5 | Коническое отверстие. конус 1/12. Внутренний зазор подшипника больше. чем С4. Увеличенная грузоподъемность подшипника. |
| 23052E | Повышенная грузоподъемность. |
| 23052-2CS5K/GLE | Коническое отверстие. конус 1/12. Контактное уплотнение из листовой стали, усиленное гидрогенизированным акрилонитрил-бутадиеновым каучуком (HNBR) с обеих сторон. Filled To 25-45% With SKF LGWM2 Grease. |
| 23052K C3 W33 | Внутренний зазор больше нормального. Канавка для смазки и три отверстия во внешнем кольце подшипника. Коническое отверстие. конус 1/12. |
| 23052W33 | Канавка для смазки и три отверстия во внешнем кольце подшипника. |
| 23052 K | Коническое отверстие. Конусность 1/12. |
| 23052 KW33 | Кольцевая канавка и три отверстия для смазывания в наружном кольце подшипника. Коническое внутреннее отверстие. |
| 23052R | С выпуклыми асимметричными роликами и обработанным сепаратором. |
| 23052RHA | With Convex Symmetric Rollers And One-Piece Machined Cage. |
| 23052-K-MB-W33+OH3052-H | Канавка для смазки и три отверстия во внешнем кольце подшипника. Коническое отверстие. Конусность 1/12. сепаратор из латуни. центрированный по внутреннему кольцу. Pressed Snap-Type Steel Cage. Hardened. |
| 23052BK | Игольчатый роликовый подшипник со штампованным наружным кольцом с закрытым торцом. |
| 23052B | Конический роликовый подшипник. Угол контакта 20 градусов. |
| 23052YM | 1 Piece Bronze Cage - Finger Type. |
| 23052YMB | Бронзовый цельный сепаратор пальцевого типа. |
| 23052 KCW33+AH3052 | Кольцевая канавка и три отверстия для смазывания в наружном кольце подшипника. Коническое внутреннее отверстие. |
| 23052 KCW33+H3052 | Кольцевая канавка и три отверстия для смазывания в наружном кольце подшипника. Коническое внутреннее отверстие. |
| 23052-K-MB+AH3052 | Коническое отверстие. Конусность 1/12. сепаратор из латуни. центрированный по внутреннему кольцу. |
| 23052-E1-K + H3052X | Коническое отверстие. Конусность 1/12. Конструкция с увеличенной грузоподьемностью. |
| 23052-E1-K + AH3052 | Коническое отверстие. Конусность 1/12. Конструкция с увеличенной грузоподьемностью. |
| 23052EK | Роликовый радиальный сферический двухрядный подшипник. |
| 23052-2CS5K/VT143 + OH 3052 HE | Заполнение пластичной смазкой SKF LGEP 2 на 25–35 %. Отверстие для смазки. Закрепительная втулка. |
Модификации сферического роликового подшипника 23052-K-MB-W33+AH3052 — это измененное основное конструктивное исполнение 23052, основные размеры (260x400x104) не отличаются.
| Обозначение | Гост | Конструктивные особенности |
|---|---|---|
| TL23052CAE4 | ISO | Роликовый радиальный сферический двухрядный подшипник. |
| TL23052CAKE4 | ISO | Роликовый радиальный сферический двухрядный подшипник. |
Аналог сферического роликового подшипника 23052-K-MB-W33+AH3052 — это подшипник такого же размера dx260,Dx400,Bx104, типа и конструкции.
| Обозначение | Конструктивные особенности | Внутренний (d) | Наружный (D) | Ширина (B) |
|---|---|---|---|---|
| 3113152-Н | Роликовый радиальный двухрядный подшипник. Детали из теплостойкой стали. | 260.00 | 400.00 | 104.00 |
| 3153152Н | Роликовый радиальный двухрядный подшипник. Детали из теплостойкой стали. | 260.00 | 400.00 | 104.00 |
| 4-3182152 КУ | Роликовый радиальный двухрядный подшипник. Дополнительные технические требования. | 260.00 | 400.00 | 104.00 |
| NU 3052 ECMA | Роликовый радиальный цилиндрический однорядный подшипник. Измененная или модифицированная внутренняя конструкция при неизменных основных размерах. Однорядный цилиндрический роликовый подшипник. | 260.00 | 400.00 | 104.00 |
| NCF 3052 CV | Роликовый радиальный цилиндрический однорядный подшипник. Полноразмерный цилиндрический роликоподшипник с модифицированной внутренней конструкцией. Однорядный без сепараторный цилиндрический роликовый подшипник. | 260.00 | 400.00 | 104.00 |
| NJ3052 | Роликовый радиальный однорядный подшипник. Штампованный сепаратор из стального листа. Канавка под стопорное кольцо на наружном кольце подшипника. Однорядный цилиндрический роликовый подшипник. Наружное кольцо имеет два борта. | 260.00 | 400.00 | 104.00 |
| NN3052K | Роликовый радиальный цилиндрический двухрядный подшипник. Коническое внутреннее отверстие. Двухрядный цилиндрический роликовый подшипник. | 260.00 | 400.00 | 104.00 |
| NN3052 | Роликовый радиальный цилиндрический двухрядный подшипник. Канавка под стопорное кольцо на наружном кольце подшипника. Двухрядный цилиндрический роликовый подшипник. | 260.00 | 400.00 | 104.00 |
| NU3052 | Роликовый радиальный однорядный подшипник. Сталь сквозной закалки SUJ2 (японская) и взаимозаменяемость (только для метрических серий). Канавка под стопорное кольцо на наружном кольце подшипника. Однорядные цилиндрические роликоподшипники. Наружное кольцо подшипника имеет два борта. | 260.00 | 400.00 | 104.00 |
| NUP3052 | Роликовый радиальный однорядный подшипник. Канавка под стопорное кольцо на наружном кольце подшипника. Точность размеров примерно соответствует классу точности Р4. Однорядный цилиндрический роликовый подшипник. Наружное кольцо имеет два борта. | 260.00 | 400.00 | 104.00 |
| Z-565499.ZL-K-C5 | Роликовый радиальный подшипник. Коническое отверстие. Конусность 1/12. Внутренний зазор подшипника больше. чем С4. Цилиндрический роликовый подшипник. | 260.00 | 400.00 | 104.00 |
| NN 3052/SPW33 | Роликовый радиальный двухрядный подшипник. Двухрядный цилиндрический роликовый подшипник. | 260.00 | 400.00 | 104.00 |
| 260KBE30+L | Роликовый радиальный-упорный двухрядный подшипник. Одно механическое уплотнение. | 260.00 | 400.00 | 104.00 |
| 7097152-М | Роликовый радиальный-упорный двухрядный подшипник. Модифицированный контакт.. | 260.00 | 400.00 | 103.00 |
| 5-3182152 КУ | Роликовый радиальный двухрядный подшипник. Дополнительные технические требования. | 260.00 | 400.00 | 104.00 |
Способы доставки
Отправка через ведущие транспортные и курьерские компании: ПЭК, Деловые Линии, СДЭК, Байкал-Сервис, Энергия, КИТ, ЖелДорЭкспедиция.
Самовывоз возможен напрямую со склада в Москве.
Сроки доставки
Срок зависит от региона и выбранной транспортной компании. Все заказы комплектуются и отправляются в кратчайшие сроки со склада в Москве.
Надёжность и сохранность
Вся продукция упаковывается с учётом требований транспортировки. Мы гарантируем, что подшипники и комплектующие прибудут к заказчику в полной сохранности.
Доставка в страны ЕАЭС
Мы работаем с проверенными логистическими партнёрами, что позволяет оперативно доставлять заказы в Беларусь, Казахстан, Армению и другие страны ЕАЭС.
Варианты оплаты:
Минимальная сумма заказа и скидки:
Документы и гарантии:
Да, конечно! Наши технические специалисты готовы помочь вам с подбором точного аналога или замены подшипника. Просто позвоните нам по телефону +7 (495) 104-99-04 или напишите на почту zakaz@podsnab.ru.
Для оперативной консультации подготовьте, пожалуйста, имеющиеся данные: маркировку, размеры, тип оборудования или артикул старого подшипника.
Да, конечно! Мы высоко ценим долгосрочное сотрудничество и доверие клиентов по всей России. Для постоянных клиентов действует персональная система скидок.
Условия формируются индивидуально и зависят от:
Чтобы узнать свои условия и получить максимально выгодное предложение, свяжитесь с персональным менеджером или напишите нам на почту zakaz@podsnab.ru.
Вы можете оформить заказ несколькими способами:
Для оформления заказа от юридического лица свяжитесь с нашим отделом по работе с корпоративными клиентами по телефону +7 (495) 104-99-04 или напишите на email zakaz@podsnab.ru, прикрепив реквизиты вашей организации.
Мы оперативно подготовим коммерческое предложение и выставим счет.
Возврат товара надлежащего качества возможен в течение 10 дней с момента получения, если товар не был в употреблении, сохранен товарный вид, упаковка не вскрывалась и присутствуют все сопроводительные документы.
Возврат денежных средств осуществляется в течение 10 рабочих дней после проверки товара складом.
В соответствии с законодательством возврату не подлежат подшипники надлежащего качества, если отсутствует оригинальная упаковка или имеются следы монтажа.
В случае выявления брака или гарантийного случая мы гарантируем возврат или обмен товара.
Да, гарантийный срок хранения устанавливается заводом-изготовителем и в среднем составляет 2 года при соблюдении условий хранения: сухое помещение, оригинальная упаковка и смазка.
Точный срок для конкретного типа подшипника уточняйте у наших менеджеров.
Пн–Пт: с 8:00 до 17:00 (МСК).
Сб–Вс: выходные дни.
Заказы на сайте принимаются круглосуточно. Заявки, поступившие после окончания рабочего дня, обрабатываются на следующий рабочий день.
Минимальная сумма заказа для доставки составляет 3000 рублей. Самовывоз со склада возможен на любую сумму при наличии товара.
ООО «УралТехГрупп»
ИНН: 7415093830
КПП: 772401001
ОГРН: 1167456069021
Банк: ПАО Сбербанк
Р/с: 40702810838000475273
К/с: 30101810400000000225
БИК: 044525225
У подшипника 23052-K-MB-W33+AH3052 пока нет отзывов. Вы можете стать первым покупателем, поделившимся своим мнением.