Поиск подшипника
Статьи
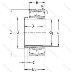
23092-K-MB-W33+AHX3092 — Роликовый радиальный сферический двухрядный подшипник, модификация основного исполнения 23092, производство NKE.
Размер подшипника: 460x680x163 мм.
Канавка для смазки и три отверстия во внешнем кольце подшипника, сепаратор из латуни. центрированный по внутреннему кольцу, коническое отверстие. конусность 1/12.
Международная стандартизации ISO
23092KMBW33AHX3092
В наличии
| Обозначение | Конструктивные изменения |
|---|---|
| 23092CA C4 W33X | Сепаратор из латуни с механической обработкой. Внутренний зазор подшипника больше. чем C3. То же. что и W33 (смазочная канавка и три отверстия на наружном кольце подшипника). но с шестью смазочными отверстиями. |
| 23092CA W33X | Сепаратор из латуни с механической обработкой. То же. что и W33 (смазочная канавка и три отверстия на наружном кольце подшипника). но с шестью смазочными отверстиями. |
| 23092-B-MB-C4 | Внутренний зазор подшипника больше. чем C3. Конический роликовый подшипник. Угол контакта 20 градусов. сепаратор из латуни. центрированный по внутреннему кольцу. |
| 23092CA C3 W33X | Внутренний зазор больше нормального. Сепаратор из латуни с механической обработкой. То же. что и W33 (смазочная канавка и три отверстия на наружном кольце подшипника). но с шестью смазочными отверстиями. |
| 23092CA/C08W33 | Канавка для смазки и три отверстия во внешнем кольце подшипника. Цельный обработанный латунный сепаратор. Двухрядный. Удерживающие фланцы на внутреннем кольце и центрированное направляющее кольцо на внутреннем кольце. Повышенная точность вращения до класса допуска ISO 5. |
| 23092-B-K-MB | Коническое отверстие. конус 1/12. Модифицированная внутренняя конструкция. сепаратор из латуни. центрированный по внутреннему кольцу. |
| 23092-BEA-XL-K-MB1 | Коническое отверстие. конус 1/12. Серия X-Life премиум-класс. увеличиный срок службы. 40° Угол контакта. High Capacity. All Four Corners Equal. Латунный сепаратор. массивный. |
| 23092 KW33 | Кольцевая канавка и три отверстия для смазывания в наружном кольце подшипника. Коническое внутреннее отверстие. |
| 23092W33 | Кольцевая канавка и три отверстия для смазывания в наружном кольце подшипника. |
| 23092RHA | With Convex Symmetric Rollers And One-Piece Machined Cage. |
| 23092R | С выпуклыми асимметричными роликами и обработанным сепаратором. |
| 23092-K-MB-W33+OH3092-H | Канавка для смазки и три отверстия во внешнем кольце подшипника. Коническое отверстие. Конусность 1/12. сепаратор из латуни. центрированный по внутреннему кольцу. Pressed Snap-Type Steel Cage. Hardened. |
| 23092-K-MB-W33 | Канавка для смазки и три отверстия во внешнем кольце подшипника. Коническое отверстие. Конусность 1/12. сепаратор из латуни. центрированный по внутреннему кольцу. |
| 23092B | Конический роликовый подшипник. Угол контакта 20 градусов. |
| 23092BK | Игольчатый роликовый подшипник со штампованным наружным кольцом с закрытым торцом. |
| 23092YMB | Бронзовый цельный сепаратор пальцевого типа. |
| 23092 KCW33+AH3092 | Кольцевая канавка и три отверстия для смазывания в наружном кольце подшипника. Коническое внутреннее отверстие. |
| 23092 KCW33+H3092 | Кольцевая канавка и три отверстия для смазывания в наружном кольце подшипника. Коническое внутреннее отверстие. |
| 23092-B-K-MB+AHX3092G | Коническое отверстие. Конусность 1/12. Конический роликовый подшипник. Угол контакта 20 градусов. сепаратор из латуни. центрированный по внутреннему кольцу. |
| 23092-B-K-MB+H3092 | Коническое отверстие. Конусность 1/12. Конический роликовый подшипник. Угол контакта 20 градусов. сепаратор из латуни. центрированный по внутреннему кольцу. |
| 23092-E1A-MB1 | Латунный сепаратор. массивный. |
| 23092-B-K-MB + AHX3092G-H | Коническое отверстие. Конусность 1/12. Конический роликовый подшипник. Угол контакта 20 градусов. сепаратор из латуни. центрированный по внутреннему кольцу. Pressed Snap-Type Steel Cage. Hardened. |
| 23092-B-K-MB + H3092-HG | Класс допуска (FAG) для подшипников шпинделя (аналог P2). Коническое отверстие. Конусность 1/12. Конический роликовый подшипник. Угол контакта 20 градусов. сепаратор из латуни. центрированный по внутреннему кольцу. |
| 23092E | Повышенная грузоподъемность. |
| 23092EK | Роликовый радиальный сферический двухрядный подшипник. |
Модификации сферического роликового подшипника 23092-K-MB-W33+AHX3092 — это измененное основное конструктивное исполнение 23092, основные размеры (460x680x163) не отличаются.
| Обозначение | Конструктивные особенности | Внутренний (d) | Наружный (D) | Ширина (B) |
|---|---|---|---|---|
| C 3092 KM/HA3C4 | Роликовый радиальный цилиндрический подшипник. Тороидальный подшипник CARB. Измененная или модифицированная внутренняя конструкция при неизменных основных размерах. Type Of Model. | 460.00 | 680.00 | 163.00 |
| NU 3092 ECMA | Роликовый радиальный цилиндрический однорядный подшипник. Измененная или модифицированная внутренняя конструкция при неизменных основных размерах. Однорядный цилиндрический роликовый подшипник. | 460.00 | 680.00 | 163.00 |
| NCF 3092 CV | Роликовый радиальный цилиндрический однорядный подшипник. Полноразмерный цилиндрический роликоподшипник с модифицированной внутренней конструкцией. Однорядный без сепараторный цилиндрический роликовый подшипник. | 460.00 | 680.00 | 163.00 |
| N3092 | Роликовый радиальный однорядный подшипник. Канавка под стопорное кольцо на наружном кольце подшипника. | 460.00 | 680.00 | 163.00 |
| NF3092 | Роликовый радиальный однорядный подшипник. Механически обработанный сепаратор из стали или специального чугуна. Канавка под стопорное кольцо на наружном кольце подшипника. | 460.00 | 680.00 | 163.00 |
| NJ3092 | Роликовый радиальный однорядный подшипник. Штампованный сепаратор из стального листа. Канавка под стопорное кольцо на наружном кольце подшипника. Однорядный цилиндрический роликовый подшипник. Наружное кольцо имеет два борта. | 460.00 | 680.00 | 163.00 |
| NN3092K | Роликовый радиальный цилиндрический двухрядный подшипник. Коническое внутреннее отверстие. Двухрядный цилиндрический роликовый подшипник. | 460.00 | 680.00 | 163.00 |
| NN3092 | Роликовый радиальный цилиндрический двухрядный подшипник. Канавка под стопорное кольцо на наружном кольце подшипника. Двухрядный цилиндрический роликовый подшипник. | 460.00 | 680.00 | 163.00 |
| NP3092 | Роликовый радиальный однорядный подшипник. Канавка под стопорное кольцо на наружном кольце подшипника. | 460.00 | 680.00 | 163.00 |
| NU3092 | Роликовый радиальный однорядный подшипник. Канавка под стопорное кольцо на наружном кольце подшипника. Однорядные цилиндрические роликоподшипники. Наружное кольцо подшипника имеет два борта. | 460.00 | 680.00 | 163.00 |
| NUP3092 | Роликовый радиальный однорядный подшипник. Канавка под стопорное кольцо на наружном кольце подшипника. Точность размеров примерно соответствует классу точности Р4. Однорядный цилиндрический роликовый подшипник. Наружное кольцо имеет два борта. | 460.00 | 680.00 | 163.00 |
| NN3092-AS-K-M-SP | Роликовый радиальный двухрядный подшипник. Коническое отверстие. Конусность 1/12. Подшипник с латунным сепаратором. центрированный по телам качения. Точность размеров примерно соответствует классу точности Р5. биения — классу точности Р4. Смазка Aeroshell 7. Диапазон от –10°C до 110°C.. | 460.00 | 680.00 | 163.00 |
| Z-565678.ZL-K-C5 | Роликовый радиальный подшипник. Коническое отверстие. Конусность 1/12. Внутренний зазор подшипника больше. чем С4. Цилиндрический роликовый подшипник. | 460.00 | 680.00 | 163.00 |
| NN 3092 K/SPW33 | Роликовый радиальный двухрядный подшипник. Коническое отверстие. Конусность 1/12. Двухрядный цилиндрический роликовый подшипник. | 460.00 | 680.00 | 163.00 |
| 5-3182192 У | Роликовый радиальный двухрядный подшипник. Дополнительные технические требования. | 460.00 | 680.00 | 163.00 |
Способы доставки
Отправка через ведущие транспортные и курьерские компании: ПЭК, Деловые Линии, СДЭК, Байкал-Сервис, Энергия, КИТ, ЖелДорЭкспедиция.
Самовывоз возможен напрямую со склада в Москве.
Сроки доставки
Срок зависит от региона и выбранной транспортной компании. Все заказы комплектуются и отправляются в кратчайшие сроки со склада в Москве.
Надёжность и сохранность
Вся продукция упаковывается с учётом требований транспортировки. Мы гарантируем, что подшипники и комплектующие прибудут к заказчику в полной сохранности.
Доставка в страны ЕАЭС
Мы работаем с проверенными логистическими партнёрами, что позволяет оперативно доставлять заказы в Беларусь, Казахстан, Армению и другие страны ЕАЭС.
Варианты оплаты:
Минимальная сумма заказа и скидки:
Документы и гарантии:
Да, конечно! Наши технические специалисты готовы помочь вам с подбором точного аналога или замены подшипника. Просто позвоните нам по телефону +7 (495) 104-99-04 или напишите на почту zakaz@podsnab.ru.
Для оперативной консультации подготовьте, пожалуйста, имеющиеся данные: маркировку, размеры, тип оборудования или артикул старого подшипника.
Да, конечно! Мы высоко ценим долгосрочное сотрудничество и доверие клиентов по всей России. Для постоянных клиентов действует персональная система скидок.
Условия формируются индивидуально и зависят от:
Чтобы узнать свои условия и получить максимально выгодное предложение, свяжитесь с персональным менеджером или напишите нам на почту zakaz@podsnab.ru.
Вы можете оформить заказ несколькими способами:
Для оформления заказа от юридического лица свяжитесь с нашим отделом по работе с корпоративными клиентами по телефону +7 (495) 104-99-04 или напишите на email zakaz@podsnab.ru, прикрепив реквизиты вашей организации.
Мы оперативно подготовим коммерческое предложение и выставим счет.
Возврат товара надлежащего качества возможен в течение 10 дней с момента получения, если товар не был в употреблении, сохранен товарный вид, упаковка не вскрывалась и присутствуют все сопроводительные документы.
Возврат денежных средств осуществляется в течение 10 рабочих дней после проверки товара складом.
В соответствии с законодательством возврату не подлежат подшипники надлежащего качества, если отсутствует оригинальная упаковка или имеются следы монтажа.
В случае выявления брака или гарантийного случая мы гарантируем возврат или обмен товара.
Да, гарантийный срок хранения устанавливается заводом-изготовителем и в среднем составляет 2 года при соблюдении условий хранения: сухое помещение, оригинальная упаковка и смазка.
Точный срок для конкретного типа подшипника уточняйте у наших менеджеров.
Пн–Пт: с 8:00 до 17:00 (МСК).
Сб–Вс: выходные дни.
Заказы на сайте принимаются круглосуточно. Заявки, поступившие после окончания рабочего дня, обрабатываются на следующий рабочий день.
Минимальная сумма заказа для доставки составляет 3000 рублей. Самовывоз со склада возможен на любую сумму при наличии товара.
ООО «УралТехГрупп»
ИНН: 7415093830
КПП: 772401001
ОГРН: 1167456069021
Банк: ПАО Сбербанк
Р/с: 40702810838000475273
К/с: 30101810400000000225
БИК: 044525225
У подшипника 23092-K-MB-W33+AHX3092 пока нет отзывов. Вы можете стать первым покупателем, поделившимся своим мнением.