Поиск подшипника
Статьи
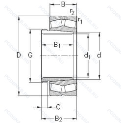
23120-K-MB-W33+AHX3120 — Роликовый радиальный сферический двухрядный подшипник, модификация основного исполнения 23120, производство NKE.
Размер подшипника: 100x165x52 мм.
Канавка для смазки и три отверстия во внешнем кольце подшипника, сепаратор из латуни. центрированный по внутреннему кольцу, коническое отверстие. конусность 1/12.
Международная стандартизации ISO
23120KMBW33AHX3120
В наличии
| Обозначение | Конструктивные изменения |
|---|---|
| 23120C | Внутренние изменения в конструкции. |
| 23120CK | Штампованный стальной сепаратор из двух частей с направляющим кольцом. Коническое отверстие. конус 1/12. |
| 23120-2RS5/VT143 | Заполнение пластичной смазкой SKF LGEP 2 на 25–35 %. Контактное уплотнение из листовой стали, усиленное гидрогенизированным акрилонитрил-бутадиеновым каучуком (HNBR) с обеих сторон. Свободное пространство в подшипнике на 70–100 % заполнено высокотемпературной смазкой.. |
| 23120EM D1 C3 | Внутренний зазор больше нормального. Канавка для смазки и три отверстия во внешнем кольце подшипника. Стандартный фланцевый ( с резьбой и сквозным отверстием). |
| 23120-E1A-M-T52BW | Модифицированная внутренняя конструкция. Твердая латунный сепаратор. Направляемые тела качения. Конструкция с увеличенной грузоподьемностью. Повышенная точность вращения до класса допуска ISO 5. |
| 23120-E1A-XL-M-T52BW | Модифицированная внутренняя конструкция. Серия X-Life премиум-класс. увеличиный срок службы. Твердая латунный сепаратор. Направляемые тела качения. Конструкция с увеличенной грузоподьемностью. Повышенная точность вращения до класса допуска ISO 5. |
| 23120CJW33 | Канавка для смазки и три отверстия во внешнем кольце подшипника. Стальной сепаратор из двух частей оконного типа. |
| 23120CW33 | Два стальных сепаратора оконного типа. Бесфланцевое внутреннее кольцо и направляющее кольцо центрировано на внутреннем кольце. Канавка для смазки и три отверстия во внешнем кольце подшипника. |
| 23120CCK/C3 | Внутренний зазор больше нормального. Коническое отверстие. конус 1/12. Два стальных сепаратора оконного типа. Бесфланцевое внутреннее кольцо и направляющее кольцо центрировано на внутреннем кольце. |
| 23120B | Конический роликовый подшипник. Угол контакта 20 градусов. |
| 23120W33 | Канавка для смазки и три отверстия во внешнем кольце подшипника. |
| 23120EX W33 | Канавка для смазки и три отверстия во внешнем кольце подшипника. Сферический роликоподшипник высокой грузоподъемности. |
| 23120-2CS2/VT143 | Заполнение пластичной смазкой SKF LGEP 2 на 25–35 %. Усиленные листовой сталью трущиеся уплотнения из фторкаучука (FPM) с обеих сторон подшипника, заполнен высокотемпературной смазкой из полиуретана от 70 до 100%, кольцевая канавка и три смазочных отверстия на наружном кольце. |
| 23120-K-MB-W33+H3120 | Канавка для смазки и три отверстия во внешнем кольце подшипника. Коническое отверстие. Конусность 1/12. сепаратор из латуни. центрированный по внутреннему кольцу. |
| 23120BK | Игольчатый роликовый подшипник со штампованным наружным кольцом с закрытым торцом. |
| 23120-2CS5/VT143 | Контактное уплотнение из листовой стали, усиленное гидрогенизированным акрилонитрил-бутадиеновым каучуком (HNBR) с обеих сторон. Свободное пространство в подшипнике на 70–100 % заполнено высокотемпературной смазкой.. Заполнение пластичной смазкой SKF LGEP 2 на 25–35 %. |
| 23120YM | 1 Piece Bronze Cage - Finger Type. |
| 23120 KCW33+AH3120 | Кольцевая канавка и три отверстия для смазывания в наружном кольце подшипника. Коническое внутреннее отверстие. |
| 23120 KCW33+H3120 | Кольцевая канавка и три отверстия для смазывания в наружном кольце подшипника. Коническое внутреннее отверстие. |
| 23120-E1-K-TVPB + H3120 | Коническое отверстие. Конусность 1/12. Конструкция с увеличенной грузоподьемностью. Твердый оконный сепаратор из полиамида. армированного стекловолокном. Направляющие на внутреннем кольце. |
| 23120-E1A-K-M + H3120 | Коническое отверстие. Конусность 1/12. Подшипник с латунным сепаратором. центрированный по телам качения. |
| 23120-E1-K-TVPB + AHX3120 | Коническое отверстие. Конусность 1/12. Конструкция с увеличенной грузоподьемностью. Твердый оконный сепаратор из полиамида. армированного стекловолокном. Направляющие на внутреннем кольце. |
| 23120-E1A-K-M + AHX3120 | Коническое отверстие. Конусность 1/12. Подшипник с латунным сепаратором. центрированный по телам качения. |
| 23120AX | Поверхность контакта скольжения сталь / сталь. |
| 23120 CCK/W33 + H 3120 | Канавка для смазки и три отверстия во внешнем кольце подшипника. Pressed Snap-Type Steel Cage. Hardened. |
Модификации сферического роликового подшипника 23120-K-MB-W33+AHX3120 — это измененное основное конструктивное исполнение 23120, основные размеры (100x165x52) не отличаются.
| Обозначение | Гост | Конструктивные особенности |
|---|---|---|
| BS2B 248180 | ISO | Конический роликовый подшипник. Угол контакта 20 градусов. |
| 809280 | ISO | Роликовый радиальный сферический двухрядный подшипник. |
| F-809280 PRL | ISO | Сферический роликовый подшипник для ветряных турбин. |
Аналог сферического роликового подшипника 23120-K-MB-W33+AHX3120 — это подшипник такого же размера dx100,Dx165,Bx52, типа и конструкции.
| Обозначение | Конструктивные особенности | Внутренний (d) | Наружный (D) | Ширина (B) |
|---|---|---|---|---|
| C3120V/C3 | Тороидальный роликовый подшипник CARB. Внутренний зазор больше нормального. Полный комплект роликов (без сепаратора). | 100.00 | 165.00 | 52.00 |
| C3120V | Тороидальный роликовый подшипник CARB. Тороидальный подшипник CARB. Подшипник без сепаратора. С полным комплектом тел качения. | 100.00 | 165.00 | 52.00 |
| C3120V/C4 | Тороидальный роликовый подшипник CARB. Внутренний зазор подшипника больше. чем C3. Подшипник без сепаратора. С полным комплектом тел качения. | 100.00 | 165.00 | 52.00 |
| C3120K | Тороидальный роликовый подшипник CARB. Коническое отверстие. конус 1/12. | 100.00 | 165.00 | 52.00 |
| C 3120 KV | Роликовый радиальный подшипник. Тороидальный подшипник CARB. Ball Bearing. Conrad (Non-Filling Slot) Type. | 100.00 | 165.00 | 52.00 |
| NN3120 | Роликовый радиальный двухрядный подшипник. Канавка под стопорное кольцо на наружном кольце подшипника. Двухрядный цилиндрический роликовый подшипник. | 100.00 | 165.00 | 52.00 |
| NN3120 K | Роликовый радиальный двухрядный подшипник. Коническое внутреннее отверстие. Двухрядный цилиндрический роликовый подшипник. | 100.00 | 165.00 | 52.00 |
| E33120J | Роликовый радиальный-упорный однорядный подшипник. Дорожки качения наружного кольца. угол контакта и ширина наружного кольца в соответствии с ISO. | 100.00 | 165.00 | 52.00 |
| HR33120J | Роликовый радиальный-упорный однорядный подшипник. Дорожки качения наружного кольца. угол контакта и ширина наружного кольца в соответствии с ISO. Для конических роликоподшипников и радиальных шарикоподшипников. | 100.00 | 165.00 | 52.00 |
| 100KBE31+L | Роликовый радиальный-упорный двухрядный подшипник. Одно механическое уплотнение. | 100.00 | 165.00 | 52.00 |
| 33120 A | Роликовый радиальный-упорный однорядный подшипник. Двухрядный радиально-упорный шарикоподшипник без отверстия для смазки. | 100.00 | 165.00 | 52.00 |
| 33120 | Роликовый радиальный-упорный конический однорядный подшипник. | 100.00 | 165.00 | 52.00 |
| 33120F | Роликовый радиальный-упорный однорядный подшипник. Сепаратор из обработанной стали или специального чугуна. | 100.00 | 165.00 | 52.00 |
| 33120JR | Роликовый радиальный-упорный конический однорядный подшипник. TAPERED ROLLER BEARING CONFORMING TO ISO R355 (SUB-UNIT. METRIC SERIES). EXAMPLE/ 30206JR. | 100.00 | 165.00 | 52.00 |
| 45320 | Роликовый радиальный-упорный двухрядный подшипник. | 100.00 | 165.00 | 52.00 |
Способы доставки
Отправка через ведущие транспортные и курьерские компании: ПЭК, Деловые Линии, СДЭК, Байкал-Сервис, Энергия, КИТ, ЖелДорЭкспедиция.
Самовывоз возможен напрямую со склада в Москве.
Сроки доставки
Срок зависит от региона и выбранной транспортной компании. Все заказы комплектуются и отправляются в кратчайшие сроки со склада в Москве.
Надёжность и сохранность
Вся продукция упаковывается с учётом требований транспортировки. Мы гарантируем, что подшипники и комплектующие прибудут к заказчику в полной сохранности.
Доставка в страны ЕАЭС
Мы работаем с проверенными логистическими партнёрами, что позволяет оперативно доставлять заказы в Беларусь, Казахстан, Армению и другие страны ЕАЭС.
Варианты оплаты:
Минимальная сумма заказа и скидки:
Документы и гарантии:
Да, конечно! Наши технические специалисты готовы помочь вам с подбором точного аналога или замены подшипника. Просто позвоните нам по телефону +7 (495) 104-99-04 или напишите на почту zakaz@podsnab.ru.
Для оперативной консультации подготовьте, пожалуйста, имеющиеся данные: маркировку, размеры, тип оборудования или артикул старого подшипника.
Да, конечно! Мы высоко ценим долгосрочное сотрудничество и доверие клиентов по всей России. Для постоянных клиентов действует персональная система скидок.
Условия формируются индивидуально и зависят от:
Чтобы узнать свои условия и получить максимально выгодное предложение, свяжитесь с персональным менеджером или напишите нам на почту zakaz@podsnab.ru.
Вы можете оформить заказ несколькими способами:
Для оформления заказа от юридического лица свяжитесь с нашим отделом по работе с корпоративными клиентами по телефону +7 (495) 104-99-04 или напишите на email zakaz@podsnab.ru, прикрепив реквизиты вашей организации.
Мы оперативно подготовим коммерческое предложение и выставим счет.
Возврат товара надлежащего качества возможен в течение 10 дней с момента получения, если товар не был в употреблении, сохранен товарный вид, упаковка не вскрывалась и присутствуют все сопроводительные документы.
Возврат денежных средств осуществляется в течение 10 рабочих дней после проверки товара складом.
В соответствии с законодательством возврату не подлежат подшипники надлежащего качества, если отсутствует оригинальная упаковка или имеются следы монтажа.
В случае выявления брака или гарантийного случая мы гарантируем возврат или обмен товара.
Да, гарантийный срок хранения устанавливается заводом-изготовителем и в среднем составляет 2 года при соблюдении условий хранения: сухое помещение, оригинальная упаковка и смазка.
Точный срок для конкретного типа подшипника уточняйте у наших менеджеров.
Пн–Пт: с 8:00 до 17:00 (МСК).
Сб–Вс: выходные дни.
Заказы на сайте принимаются круглосуточно. Заявки, поступившие после окончания рабочего дня, обрабатываются на следующий рабочий день.
Минимальная сумма заказа для доставки составляет 3000 рублей. Самовывоз со склада возможен на любую сумму при наличии товара.
ООО «УралТехГрупп»
ИНН: 7415093830
КПП: 772401001
ОГРН: 1167456069021
Банк: ПАО Сбербанк
Р/с: 40702810838000475273
К/с: 30101810400000000225
БИК: 044525225
У подшипника 23120-K-MB-W33+AHX3120 пока нет отзывов. Вы можете стать первым покупателем, поделившимся своим мнением.