Поиск подшипника
Статьи
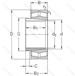
23128-K-MB-W33+AHX3128 — Роликовый радиальный сферический двухрядный подшипник, модификация основного исполнения 23128, производство NKE.
Размер подшипника: 140x225x68 мм.
Канавка для смазки и три отверстия во внешнем кольце подшипника, сепаратор из латуни. центрированный по внутреннему кольцу, коническое отверстие. конусность 1/12.
Международная стандартизации ISO
23128KMBW33AHX3128
В наличии
| Обозначение | Конструктивные изменения |
|---|---|
| 23128J | Прессованный сепаратор из незакаленной листовой стали. |
| 23128KEJW33C3 | Внутренний зазор больше нормального. Канавка для смазки и три отверстия во внешнем кольце подшипника. Коническое отверстие. конус 1/12. Land-Riding Steel Cage_ One Per Row. |
| 23128EM D1 | Канавка и три смазочных отверстия на наружном кольце. Стандартный фланцевый ( с резьбой и сквозным отверстием). |
| 23128EM K D1 | Коническое отверстие. конус 1/12. Канавка и три смазочных отверстия на наружном кольце. Стандартный фланцевый ( с резьбой и сквозным отверстием). |
| 23128EMW33+11 | Канавка для смазки и три отверстия во внешнем кольце подшипника. Factory Internal Code. No Additional Meaning. Can Be Used As Standard. |
| 23128SK.MB.C4 | Внутренний зазор подшипника больше. чем C3. Кулачковый толкатель штифтового типа. С шестигранной головкой. сепаратор из латуни. центрированный по внутреннему кольцу. |
| 23128EJW33 | Канавка для смазки и три отверстия во внешнем кольце подшипника. Land-Riding Steel Cage_ One Per Row. |
| 23128-E1-TVPB-C3 | Внутренний зазор больше нормального. Конструкция с увеличенной грузоподьемностью. Твердый оконный сепаратор из полиамида. армированного стекловолокном. Направляющие на внутреннем кольце. |
| 23128-E1A-K-M | Коническое отверстие. конус 1/12. Модифицированная внутренняя конструкция. Твердая латунный сепаратор. Направляемые тела качения. Конструкция с увеличенной грузоподьемностью. |
| 23128EJW33C3 | Внутренний зазор больше нормального. Канавка для смазки и три отверстия во внешнем кольце подшипника. Land-Riding Steel Cage_ One Per Row. |
| 23128ES.C3 | Внутренний зазор больше нормального. Разъемное наружное кольцо со смазочными отверстиями. |
| 23128 KW33 | Кольцевая канавка и три отверстия для смазывания в наружном кольце подшипника. Коническое внутреннее отверстие. |
| 23128RH | Выпуклые симметричные ролики и штампованный сепаратор. |
| 23128-K-MB-W33+H3128 | Канавка для смазки и три отверстия во внешнем кольце подшипника. Коническое отверстие. Конусность 1/12. сепаратор из латуни. центрированный по внутреннему кольцу. |
| 23128YM | 1 Piece Bronze Cage - Finger Type. |
| 23128MB | сепаратор из латуни. центрированный по внутреннему кольцу. |
| 23128 KCW33+AH3128 | Кольцевая канавка и три отверстия для смазывания в наружном кольце подшипника. Коническое внутреннее отверстие. |
| 23128 KCW33+H3128 | Кольцевая канавка и три отверстия для смазывания в наружном кольце подшипника. Коническое внутреннее отверстие. |
| 23128-E1-K-TVPB + H3128 | Коническое отверстие. Конусность 1/12. Конструкция с увеличенной грузоподьемностью. Твердый оконный сепаратор из полиамида. армированного стекловолокном. Направляющие на внутреннем кольце. |
| 23128-E1-K-TVPB + AHX3128 | Коническое отверстие. Конусность 1/12. Конструкция с увеличенной грузоподьемностью. Твердый оконный сепаратор из полиамида. армированного стекловолокном. Направляющие на внутреннем кольце. |
| 23128-E1A-K-M + H3128 | Коническое отверстие. Конусность 1/12. Подшипник с латунным сепаратором. центрированный по телам качения. |
| 23128-E1A-K-M + AHX3128 | Коническое отверстие. Конусность 1/12. Подшипник с латунным сепаратором. центрированный по телам качения. |
| 23128AX | Поверхность контакта скольжения сталь / сталь. |
| 23128EX1 | Сферический роликоподшипник высокой грузоподъемности. |
| 23128 CCK/W33 + H 3128 | Канавка для смазки и три отверстия во внешнем кольце подшипника. Pressed Snap-Type Steel Cage. Hardened. |
Модификации сферического роликового подшипника 23128-K-MB-W33+AHX3128 — это измененное основное конструктивное исполнение 23128, основные размеры (140x225x68) не отличаются.
| Обозначение | Конструктивные особенности | Внутренний (d) | Наружный (D) | Ширина (B) |
|---|---|---|---|---|
| NNU3128M/C3 | Подшипник роликовый цилиндрический двухрядный. Внутренний зазор больше нормального. Механически обработанный латунный сепаратор. клёпаный. центрируемый по роликам. | 140.00 | 225.00 | 68.00 |
| NU3128MA/C3 | Однорядный цилиндрический роликовый подшипник. Внутренний зазор больше нормального. Изготовленный из двух частей латунный сепаратор. внешнее кольцо по центру. | 140.00 | 225.00 | 68.00 |
| 3003728-АН | Роликовый радиальный двухрядный подшипник. Детали из теплостойкой стали. Повышенная грузоподъемность. | 140.00 | 225.00 | 68.00 |
| 3113728-НА | Роликовый радиальный двухрядный подшипник. Детали из теплостойкой стали. Повышенная грузоподъемность. | 140.00 | 225.00 | 68.00 |
| 3003728H | Роликовый радиальный двухрядный подшипник. Pressed Snap-Type Steel Cage. Hardened. | 140.00 | 225.00 | 68.00 |
| 3003728АМН | Роликовый радиальный двухрядный подшипник. Детали из теплостойкой стали. Модифицированный контакт.. Повышенная грузоподъемность. | 140.00 | 225.00 | 68.00 |
| 3003728-Н | Роликовый радиальный двухрядный подшипник. Детали из теплостойкой стали. | 140.00 | 225.00 | 68.00 |
| 3053728Н | Роликовый радиальный двухрядный подшипник. Детали из теплостойкой стали. | 140.00 | 225.00 | 68.00 |
| 3113728АМН | Роликовый радиальный двухрядный подшипник. Детали из теплостойкой стали. Модифицированный контакт.. Повышенная грузоподъемность. | 140.00 | 225.00 | 68.00 |
| 3153728Н | Роликовый радиальный двухрядный подшипник. Детали из теплостойкой стали. | 140.00 | 225.00 | 68.00 |
| NN3128 K | Роликовый радиальный двухрядный подшипник. Коническое внутреннее отверстие. Двухрядный цилиндрический роликовый подшипник. | 140.00 | 225.00 | 68.00 |
| NN3128 | Роликовый радиальный двухрядный подшипник. Канавка под стопорное кольцо на наружном кольце подшипника. Двухрядный цилиндрический роликовый подшипник. | 140.00 | 225.00 | 68.00 |
| RN2228-E-MPBX | Роликовый радиальный однорядный подшипник. Повышенная грузоподъемность. | 140.00 | 225.00 | 68.00 |
| AR140-28 | Роликовый радиальный-упорный двухрядный подшипник. 1.3/4. | 140.00 | 225.00 | 68.00 |
| 140KBE31+L | Роликовый радиальный-упорный конический двухрядный подшипник. Одно механическое уплотнение. | 140.00 | 225.00 | 68.00 |
Способы доставки
Отправка через ведущие транспортные и курьерские компании: ПЭК, Деловые Линии, СДЭК, Байкал-Сервис, Энергия, КИТ, ЖелДорЭкспедиция.
Самовывоз возможен напрямую со склада в Москве.
Сроки доставки
Срок зависит от региона и выбранной транспортной компании. Все заказы комплектуются и отправляются в кратчайшие сроки со склада в Москве.
Надёжность и сохранность
Вся продукция упаковывается с учётом требований транспортировки. Мы гарантируем, что подшипники и комплектующие прибудут к заказчику в полной сохранности.
Доставка в страны ЕАЭС
Мы работаем с проверенными логистическими партнёрами, что позволяет оперативно доставлять заказы в Беларусь, Казахстан, Армению и другие страны ЕАЭС.
Варианты оплаты:
Минимальная сумма заказа и скидки:
Документы и гарантии:
Да, конечно! Наши технические специалисты готовы помочь вам с подбором точного аналога или замены подшипника. Просто позвоните нам по телефону +7 (495) 104-99-04 или напишите на почту zakaz@podsnab.ru.
Для оперативной консультации подготовьте, пожалуйста, имеющиеся данные: маркировку, размеры, тип оборудования или артикул старого подшипника.
Да, конечно! Мы высоко ценим долгосрочное сотрудничество и доверие клиентов по всей России. Для постоянных клиентов действует персональная система скидок.
Условия формируются индивидуально и зависят от:
Чтобы узнать свои условия и получить максимально выгодное предложение, свяжитесь с персональным менеджером или напишите нам на почту zakaz@podsnab.ru.
Вы можете оформить заказ несколькими способами:
Для оформления заказа от юридического лица свяжитесь с нашим отделом по работе с корпоративными клиентами по телефону +7 (495) 104-99-04 или напишите на email zakaz@podsnab.ru, прикрепив реквизиты вашей организации.
Мы оперативно подготовим коммерческое предложение и выставим счет.
Возврат товара надлежащего качества возможен в течение 10 дней с момента получения, если товар не был в употреблении, сохранен товарный вид, упаковка не вскрывалась и присутствуют все сопроводительные документы.
Возврат денежных средств осуществляется в течение 10 рабочих дней после проверки товара складом.
В соответствии с законодательством возврату не подлежат подшипники надлежащего качества, если отсутствует оригинальная упаковка или имеются следы монтажа.
В случае выявления брака или гарантийного случая мы гарантируем возврат или обмен товара.
Да, гарантийный срок хранения устанавливается заводом-изготовителем и в среднем составляет 2 года при соблюдении условий хранения: сухое помещение, оригинальная упаковка и смазка.
Точный срок для конкретного типа подшипника уточняйте у наших менеджеров.
Пн–Пт: с 8:00 до 17:00 (МСК).
Сб–Вс: выходные дни.
Заказы на сайте принимаются круглосуточно. Заявки, поступившие после окончания рабочего дня, обрабатываются на следующий рабочий день.
Минимальная сумма заказа для доставки составляет 3000 рублей. Самовывоз со склада возможен на любую сумму при наличии товара.
ООО «УралТехГрупп»
ИНН: 7415093830
КПП: 772401001
ОГРН: 1167456069021
Банк: ПАО Сбербанк
Р/с: 40702810838000475273
К/с: 30101810400000000225
БИК: 044525225
У подшипника 23128-K-MB-W33+AHX3128 пока нет отзывов. Вы можете стать первым покупателем, поделившимся своим мнением.