Поиск подшипника
Статьи
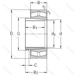
23136-K-MB-W33+AH3136 — Роликовый радиальный сферический двухрядный подшипник, модификация основного исполнения 23136, производство NKE.
Размер подшипника: 180x300x96 мм.
Канавка для смазки и три отверстия во внешнем кольце подшипника, сепаратор из латуни. центрированный по внутреннему кольцу, коническое отверстие. конусность 1/12.
Международная стандартизации ISO
23136KMBW33AH3136
В наличии
| Обозначение | Конструктивные изменения |
|---|---|
| 23136ESK | Канавка для смазки и три отверстия во внешнем кольце подшипника. Коническое отверстие. конус 1/12. Увеличенная грузоподъемность подшипника. |
| 23136-CE-K-C3-W33 | Внутренний зазор больше нормального. Канавка для смазки и три отверстия во внешнем кольце подшипника. Коническое отверстие. конус 1/12. Имеют симметричные сферические ролики и стандартно оснащены сепаратором из штампованной стали. |
| 23136-CE-K-W33 | Канавка для смазки и три отверстия во внешнем кольце подшипника. Коническое отверстие. конус 1/12. Имеют симметричные сферические ролики и стандартно оснащены сепаратором из штампованной стали. |
| 23136EKMW33C3 | Внутренний зазор больше нормального. Канавка для смазки и три отверстия во внешнем кольце подшипника. Коническое отверстие. конус 1/12. Повышенная грузоподъемность. Механически обработанный латунный сепаратор .Расположенный на элементах качения. |
| 23136-E1A-XL-M-T52BW | Модифицированная внутренняя конструкция. Серия X-Life премиум-класс. увеличиный срок службы. Твердая латунный сепаратор. Направляемые тела качения. Конструкция с увеличенной грузоподьемностью. Повышенная точность вращения до класса допуска ISO 5. |
| 23136-E1A-M-T52BW | Модифицированная внутренняя конструкция. Твердая латунный сепаратор. Направляемые тела качения. Конструкция с увеличенной грузоподьемностью. Повышенная точность вращения до класса допуска ISO 5. |
| 23136K C4 W33 | Канавка для смазки и три отверстия во внешнем кольце подшипника. Коническое отверстие. конус 1/12. Внутренний зазор подшипника больше. чем C3. |
| 23136W33 | Кольцевая канавка и три отверстия для смазывания в наружном кольце подшипника. |
| 23136R | С выпуклыми асимметричными роликами и обработанным сепаратором. |
| 23136RHA | With Convex Symmetric Rollers And One-Piece Machined Cage. |
| 23136-K-MB-W33+H3136 | Канавка для смазки и три отверстия во внешнем кольце подшипника. Коническое отверстие. Конусность 1/12. сепаратор из латуни. центрированный по внутреннему кольцу. |
| 23136-2CS5/VT143 | Контактное уплотнение из листовой стали, усиленное гидрогенизированным акрилонитрил-бутадиеновым каучуком (HNBR) с обеих сторон. Свободное пространство в подшипнике на 70–100 % заполнено высокотемпературной смазкой.. Заполнение пластичной смазкой SKF LGEP 2 на 25–35 %. |
| 23136YM | 1 Piece Bronze Cage - Finger Type. |
| 23136CK | Роликовый радиальный сферический двухрядный подшипник. |
| 23136C | 15° Угол контакта. |
| 23136 KCW33+AH3136 | Кольцевая канавка и три отверстия для смазывания в наружном кольце подшипника. Коническое внутреннее отверстие. |
| 23136 KCW33+H3136 | Кольцевая канавка и три отверстия для смазывания в наружном кольце подшипника. Коническое внутреннее отверстие. |
| 23136-E1-K-TVPB + H3136 | Коническое отверстие. Конусность 1/12. Конструкция с увеличенной грузоподьемностью. Твердый оконный сепаратор из полиамида. армированного стекловолокном. Направляющие на внутреннем кольце. |
| 23136-E1A-K-M + H3136 | Коническое отверстие. Конусность 1/12. Подшипник с латунным сепаратором. центрированный по телам качения. |
| 23136-E1-K-TVPB + AH3136A | Коническое отверстие. Конусность 1/12. Конструкция с увеличенной грузоподьемностью. Твердый оконный сепаратор из полиамида. армированного стекловолокном. Направляющие на внутреннем кольце. |
| 23136-E1A-K-M + AH3136A | Коническое отверстие. Конусность 1/12. Подшипник с латунным сепаратором. центрированный по телам качения. |
| 23136EK | Роликовый радиальный сферический двухрядный подшипник. |
| 23136A2X | High Speed Spherical Roller Bearing. |
| 23136E | Повышенная грузоподъемность. |
| 23136-2CS5K/VT143 + H 3136 L | Pressed Snap-Type Steel Cage. Hardened. Одно механическое уплотнение. Заполнение пластичной смазкой SKF LGEP 2 на 25–35 %. |
Модификации сферического роликового подшипника 23136-K-MB-W33+AH3136 — это измененное основное конструктивное исполнение 23136, основные размеры (180x300x96) не отличаются.
| Обозначение | Конструктивные особенности | Внутренний (d) | Наружный (D) | Ширина (B) |
|---|---|---|---|---|
| 8-8336 Л | Шариковый упорный однорядный подшипник. Сепаратор из латуни.. | 180.00 | 300.00 | 95.00 |
| 8336-АЛ | Шариковый упорный однорядный подшипник. Сепаратор из латуни.. Повышенная грузоподъемность. | 180.00 | 300.00 | 95.00 |
| 8336-Л | Шариковый упорный однорядный подшипник. Сепаратор из латуни.. | 180.00 | 300.00 | 95.00 |
| 8336Н | Шариковый упорный однорядный подшипник. Детали из теплостойкой стали. | 180.00 | 300.00 | 95.00 |
| 8336-НГ | Шариковый упорный однорядный подшипник. Детали из теплостойкой стали. Сепаратор из черных металлов.. | 180.00 | 300.00 | 95.00 |
| 8336-НЛ | Шариковый упорный однорядный подшипник. Детали из теплостойкой стали. Сепаратор из латуни.. | 180.00 | 300.00 | 95.00 |
| 180KBE31+L | Роликовый радиальный-упорный двухрядный подшипник. Одно механическое уплотнение. | 180.00 | 300.00 | 96.00 |
| 323136E1 | Роликовый радиальный-упорный двухрядный подшипник. Конструкция с увеличенной грузоподьемностью. | 180.00 | 300.00 | 96.00 |
| 413136E1 | Роликовый радиальный-упорный двухрядный подшипник. Конструкция с увеличенной грузоподьемностью. | 180.00 | 300.00 | 96.00 |
| 6-8336-Л | Шариковый упорный однорядный подшипник. Сепаратор из латуни.. | 180.00 | 300.00 | 95.00 |
| В0-8336 Л | Шариковый упорный однорядный подшипник. Сепаратор из латуни.. | 180.00 | 300.00 | 95.00 |
| 6-8336-НГ | Шариковый упорный однорядный подшипник. Детали из теплостойкой стали. Сепаратор из черных металлов.. | 180.00 | 300.00 | 95.00 |
| 6-8336-НЛ | Шариковый упорный однорядный подшипник. Детали из теплостойкой стали. Сепаратор из латуни.. | 180.00 | 300.00 | 95.00 |
| 5В0-8336 АЛ | Шариковый упорный однорядный подшипник. Сепаратор из латуни.. Повышенная грузоподъемность. | 180.00 | 300.00 | 95.00 |
| 5В0-8336 Л | Шариковый упорный однорядный подшипник. Сепаратор из латуни.. | 180.00 | 300.00 | 95.00 |
Способы доставки
Отправка через ведущие транспортные и курьерские компании: ПЭК, Деловые Линии, СДЭК, Байкал-Сервис, Энергия, КИТ, ЖелДорЭкспедиция.
Самовывоз возможен напрямую со склада в Москве.
Сроки доставки
Срок зависит от региона и выбранной транспортной компании. Все заказы комплектуются и отправляются в кратчайшие сроки со склада в Москве.
Надёжность и сохранность
Вся продукция упаковывается с учётом требований транспортировки. Мы гарантируем, что подшипники и комплектующие прибудут к заказчику в полной сохранности.
Доставка в страны ЕАЭС
Мы работаем с проверенными логистическими партнёрами, что позволяет оперативно доставлять заказы в Беларусь, Казахстан, Армению и другие страны ЕАЭС.
Варианты оплаты:
Минимальная сумма заказа и скидки:
Документы и гарантии:
Да, конечно! Наши технические специалисты готовы помочь вам с подбором точного аналога или замены подшипника. Просто позвоните нам по телефону +7 (495) 104-99-04 или напишите на почту zakaz@podsnab.ru.
Для оперативной консультации подготовьте, пожалуйста, имеющиеся данные: маркировку, размеры, тип оборудования или артикул старого подшипника.
Да, конечно! Мы высоко ценим долгосрочное сотрудничество и доверие клиентов по всей России. Для постоянных клиентов действует персональная система скидок.
Условия формируются индивидуально и зависят от:
Чтобы узнать свои условия и получить максимально выгодное предложение, свяжитесь с персональным менеджером или напишите нам на почту zakaz@podsnab.ru.
Вы можете оформить заказ несколькими способами:
Для оформления заказа от юридического лица свяжитесь с нашим отделом по работе с корпоративными клиентами по телефону +7 (495) 104-99-04 или напишите на email zakaz@podsnab.ru, прикрепив реквизиты вашей организации.
Мы оперативно подготовим коммерческое предложение и выставим счет.
Возврат товара надлежащего качества возможен в течение 10 дней с момента получения, если товар не был в употреблении, сохранен товарный вид, упаковка не вскрывалась и присутствуют все сопроводительные документы.
Возврат денежных средств осуществляется в течение 10 рабочих дней после проверки товара складом.
В соответствии с законодательством возврату не подлежат подшипники надлежащего качества, если отсутствует оригинальная упаковка или имеются следы монтажа.
В случае выявления брака или гарантийного случая мы гарантируем возврат или обмен товара.
Да, гарантийный срок хранения устанавливается заводом-изготовителем и в среднем составляет 2 года при соблюдении условий хранения: сухое помещение, оригинальная упаковка и смазка.
Точный срок для конкретного типа подшипника уточняйте у наших менеджеров.
Пн–Пт: с 8:00 до 17:00 (МСК).
Сб–Вс: выходные дни.
Заказы на сайте принимаются круглосуточно. Заявки, поступившие после окончания рабочего дня, обрабатываются на следующий рабочий день.
Минимальная сумма заказа для доставки составляет 3000 рублей. Самовывоз со склада возможен на любую сумму при наличии товара.
ООО «УралТехГрупп»
ИНН: 7415093830
КПП: 772401001
ОГРН: 1167456069021
Банк: ПАО Сбербанк
Р/с: 40702810838000475273
К/с: 30101810400000000225
БИК: 044525225
У подшипника 23136-K-MB-W33+AH3136 пока нет отзывов. Вы можете стать первым покупателем, поделившимся своим мнением.