Поиск подшипника
Статьи
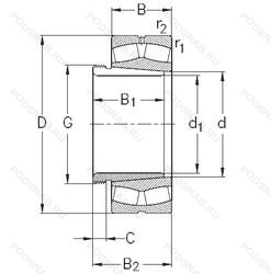
23140-K-MB-W33+AH3140 — Роликовый радиальный сферический двухрядный подшипник, модификация основного исполнения 23140, производство NKE.
Размер подшипника: 200x340x112 мм.
Канавка для смазки и три отверстия во внешнем кольце подшипника, сепаратор из латуни. центрированный по внутреннему кольцу, коническое отверстие. конусность 1/12.
Международная стандартизации ISO
23140KMBW33AH3140
В наличии
| Обозначение | Конструктивные изменения |
|---|---|
| 23140 W33 | Канавка для смазки и три отверстия во внешнем кольце подшипника. |
| 23140RK W33 FY | Канавка для смазки и три отверстия во внешнем кольце подшипника. Коническое отверстие. конус 1/12. С выпуклыми асимметричными роликами и обработанным сепаратором. Механически обработанный латунный сепаратор. |
| 23140.VMKW33C3 | Внутренний зазор больше нормального. Канавка для смазки и три отверстия во внешнем кольце подшипника. Коническое отверстие. конус 1/12. Модификация внутренней конструкции. Механически обработанный латунный сепаратор .Расположенный на элементах качения. |
| 23140-2CS5K/GLE | Коническое отверстие. конус 1/12. Контактное уплотнение из листовой стали, усиленное гидрогенизированным акрилонитрил-бутадиеновым каучуком (HNBR) с обеих сторон. Filled To 25-45% With SKF LGWM2 Grease. |
| 23140K W33 | Канавка для смазки и три отверстия во внешнем кольце подшипника. Коническое отверстие. конус 1/12. |
| 23140K C4 W33 | Канавка для смазки и три отверстия во внешнем кольце подшипника. Коническое отверстие. конус 1/12. Внутренний зазор подшипника больше. чем C3. |
| 23140-E1-K-C5-J15B-T56B | Коническое отверстие. конус 1/12. Внутренний зазор подшипника больше. чем С4. Конструкция с увеличенной грузоподьемностью. Характеристики маркировки измеряемых величин. Rolling Bearing With Radiussed Chamfer. |
| 23140KYMBW507C08 | Коническое отверстие. конус 1/12. Повышенная точность вращения до класса допуска ISO 5. Комбинация W4 (отметка высоких и низких точек эксцентриситета на поверхности колец) и W31 (подшипник проверен в соответствии с определенными требованиями контроля качества) и W33 (смазочная канавка и три смазочных отверстия на наружном кольце подшипника).. Цельный латунный сепаратор пальцевого типа. |
| 23140R | С выпуклыми асимметричными роликами и обработанным сепаратором. |
| 23140RHA | With Convex Symmetric Rollers And One-Piece Machined Cage. |
| 23140-K-MB-W33+H3140 | Канавка для смазки и три отверстия во внешнем кольце подшипника. Коническое отверстие. Конусность 1/12. сепаратор из латуни. центрированный по внутреннему кольцу. |
| 23140B | Конический роликовый подшипник. Угол контакта 20 градусов. |
| 23140BK | Игольчатый роликовый подшипник со штампованным наружным кольцом с закрытым торцом. |
| 23140-2CS5K/VT143 + H 3140 | Pressed Snap-Type Steel Cage. Hardened. Заполнение пластичной смазкой SKF LGEP 2 на 25–35 %. |
| 23140YMB | Бронзовый цельный сепаратор пальцевого типа. |
| 23140YM | 1 Piece Bronze Cage - Finger Type. |
| 23140CA | Латунный сепаратор с симметричными роликами. |
| 23140 KCW33+H3140 | Кольцевая канавка и три отверстия для смазывания в наружном кольце подшипника. Коническое внутреннее отверстие. |
| 23140 KCW33+AH3140 | Кольцевая канавка и три отверстия для смазывания в наружном кольце подшипника. Коническое внутреннее отверстие. |
| 23140-E1-K + H3140 | Коническое отверстие. Конусность 1/12. Конструкция с увеличенной грузоподьемностью. |
| 23140-B-K-MB+AH3140 | Коническое отверстие. Конусность 1/12. Конический роликовый подшипник. Угол контакта 20 градусов. сепаратор из латуни. центрированный по внутреннему кольцу. |
| 23140-E1-K + AH3140 | Коническое отверстие. Конусность 1/12. Конструкция с увеличенной грузоподьемностью. |
| 23140E | Повышенная грузоподъемность. |
| 23140EK | Роликовый радиальный сферический двухрядный подшипник. |
| 23140A2X | High Speed Spherical Roller Bearing. |
Модификации сферического роликового подшипника 23140-K-MB-W33+AH3140 — это измененное основное конструктивное исполнение 23140, основные размеры (200x340x112) не отличаются.
| Обозначение | Гост | Конструктивные особенности |
|---|---|---|
| TL23140CAE4 | ISO | Роликовый радиальный сферический двухрядный подшипник. |
| TL23140CAKE4 | ISO | Роликовый радиальный сферический двухрядный подшипник. |
Аналог сферического роликового подшипника 23140-K-MB-W33+AH3140 — это подшипник такого же размера dx200,Dx340,Bx112, типа и конструкции.
| Обозначение | Конструктивные особенности | Внутренний (d) | Наружный (D) | Ширина (B) |
|---|---|---|---|---|
| C3140K/C3 | Тороидальный роликовый подшипник CARB. Внутренний зазор больше нормального. Коническое отверстие. конус 1/12. | 200.00 | 340.00 | 112.00 |
| C3140K/HA3C4 | Тороидальный роликовый подшипник CARB. Тороидальный подшипник CARB. Коническое отверстие. конус 1/12. Внутренний зазор подшипника больше. чем C3. Закаленное внутреннее кольцо. | 200.00 | 340.00 | 112.00 |
| C3140K/C4 | Тороидальный роликовый подшипник CARB. Коническое отверстие. конус 1/12. Внутренний зазор подшипника больше. чем C3. | 200.00 | 340.00 | 112.00 |
| C3140/C4 | Тороидальный роликовый подшипник CARB. Внутренний зазор подшипника больше. чем C3. | 200.00 | 340.00 | 112.00 |
| NU3140-MPAX | Однорядный цилиндрический роликовый подшипник. Ребристый однокомпонентный цельнолатунный сепаратор является дальнейшим развитием сепараторов FAG типов MPA и MP1A и будет последовательно заменять эти типы. Он обладает большей прочностью по отношению к ударным нагрузкам и вибрациям. чем его предшественники. и особенно хорошо подходит для применения в условиях высоких нагрузок. | 200.00 | 340.00 | 112.00 |
| NU3140-MPAX-C3 | Однорядный цилиндрический роликовый подшипник. Внутренний зазор больше нормального. Ребристый однокомпонентный цельнолатунный сепаратор является дальнейшим развитием сепараторов FAG типов MPA и MP1A и будет последовательно заменять эти типы. Он обладает большей прочностью по отношению к ударным нагрузкам и вибрациям. чем его предшественники. и особенно хорошо подходит для применения в условиях высоких нагрузок. | 200.00 | 340.00 | 112.00 |
| 3053740-НЛ | Роликовый радиальный двухрядный подшипник. Детали из теплостойкой стали. Сепаратор из латуни.. | 200.00 | 340.00 | 112.00 |
| 3053740Н | Роликовый радиальный двухрядный подшипник. Детали из теплостойкой стали. | 200.00 | 340.00 | 112.00 |
| 3153740Н | Роликовый радиальный двухрядный подшипник. Детали из теплостойкой стали. | 200.00 | 340.00 | 112.00 |
| NU3140A | Роликовый радиальный однорядный подшипник. Двухрядный радиально-упорный шарикоподшипник без отверстия для смазки. | 200.00 | 340.00 | 112.00 |
| NN3140 | Роликовый радиальный двухрядный подшипник. Канавка под стопорное кольцо на наружном кольце подшипника. Двухрядный цилиндрический роликовый подшипник. | 200.00 | 340.00 | 112.00 |
| NN3140 K | Роликовый радиальный двухрядный подшипник. Коническое внутреннее отверстие. Двухрядный цилиндрический роликовый подшипник. | 200.00 | 340.00 | 112.00 |
| Z-566487.ZL-K-C5 | Роликовый радиальный подшипник. Коническое отверстие. Конусность 1/12. Внутренний зазор подшипника больше. чем С4. Цилиндрический роликовый подшипник. | 200.00 | 340.00 | 112.00 |
| AR200-18 | Роликовый радиальный-упорный двухрядный подшипник. 18° Угол контакта. | 200.00 | 340.00 | 112.00 |
| 200KBE31+L | Роликовый радиальный-упорный двухрядный подшипник. Одно механическое уплотнение. | 200.00 | 340.00 | 112.00 |
Способы доставки
Отправка через ведущие транспортные и курьерские компании: ПЭК, Деловые Линии, СДЭК, Байкал-Сервис, Энергия, КИТ, ЖелДорЭкспедиция.
Самовывоз возможен напрямую со склада в Москве.
Сроки доставки
Срок зависит от региона и выбранной транспортной компании. Все заказы комплектуются и отправляются в кратчайшие сроки со склада в Москве.
Надёжность и сохранность
Вся продукция упаковывается с учётом требований транспортировки. Мы гарантируем, что подшипники и комплектующие прибудут к заказчику в полной сохранности.
Доставка в страны ЕАЭС
Мы работаем с проверенными логистическими партнёрами, что позволяет оперативно доставлять заказы в Беларусь, Казахстан, Армению и другие страны ЕАЭС.
Варианты оплаты:
Минимальная сумма заказа и скидки:
Документы и гарантии:
Да, конечно! Наши технические специалисты готовы помочь вам с подбором точного аналога или замены подшипника. Просто позвоните нам по телефону +7 (495) 104-99-04 или напишите на почту zakaz@podsnab.ru.
Для оперативной консультации подготовьте, пожалуйста, имеющиеся данные: маркировку, размеры, тип оборудования или артикул старого подшипника.
Да, конечно! Мы высоко ценим долгосрочное сотрудничество и доверие клиентов по всей России. Для постоянных клиентов действует персональная система скидок.
Условия формируются индивидуально и зависят от:
Чтобы узнать свои условия и получить максимально выгодное предложение, свяжитесь с персональным менеджером или напишите нам на почту zakaz@podsnab.ru.
Вы можете оформить заказ несколькими способами:
Для оформления заказа от юридического лица свяжитесь с нашим отделом по работе с корпоративными клиентами по телефону +7 (495) 104-99-04 или напишите на email zakaz@podsnab.ru, прикрепив реквизиты вашей организации.
Мы оперативно подготовим коммерческое предложение и выставим счет.
Возврат товара надлежащего качества возможен в течение 10 дней с момента получения, если товар не был в употреблении, сохранен товарный вид, упаковка не вскрывалась и присутствуют все сопроводительные документы.
Возврат денежных средств осуществляется в течение 10 рабочих дней после проверки товара складом.
В соответствии с законодательством возврату не подлежат подшипники надлежащего качества, если отсутствует оригинальная упаковка или имеются следы монтажа.
В случае выявления брака или гарантийного случая мы гарантируем возврат или обмен товара.
Да, гарантийный срок хранения устанавливается заводом-изготовителем и в среднем составляет 2 года при соблюдении условий хранения: сухое помещение, оригинальная упаковка и смазка.
Точный срок для конкретного типа подшипника уточняйте у наших менеджеров.
Пн–Пт: с 8:00 до 17:00 (МСК).
Сб–Вс: выходные дни.
Заказы на сайте принимаются круглосуточно. Заявки, поступившие после окончания рабочего дня, обрабатываются на следующий рабочий день.
Минимальная сумма заказа для доставки составляет 3000 рублей. Самовывоз со склада возможен на любую сумму при наличии товара.
ООО «УралТехГрупп»
ИНН: 7415093830
КПП: 772401001
ОГРН: 1167456069021
Банк: ПАО Сбербанк
Р/с: 40702810838000475273
К/с: 30101810400000000225
БИК: 044525225
У подшипника 23140-K-MB-W33+AH3140 пока нет отзывов. Вы можете стать первым покупателем, поделившимся своим мнением.